GM Service Manual Online
For 1990-2009 cars only
Makes
🢒
Chevrolet
🢒
2000
🢒
Camaro
🢒 Fuel System
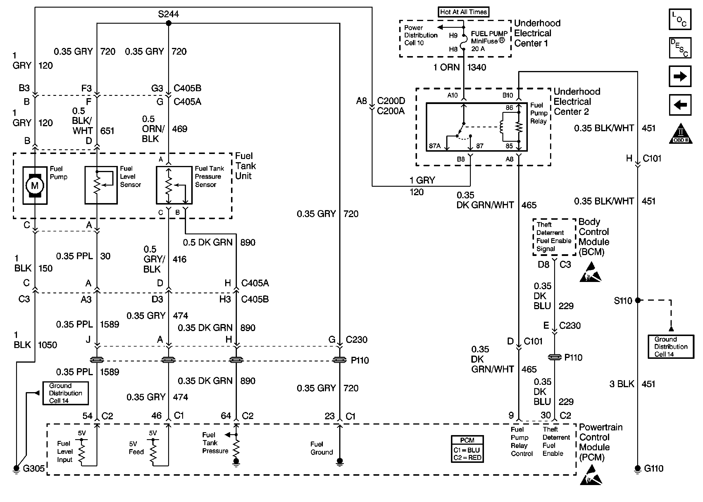
Fuel System
Fuel System
Engine Controls Components
Evaporative Emission Control System Operation Description
Injector Circuits
Engine Speed Output, CKP, CMP and Knock Sensors
OBD II Symbol Description Notice
Handling ESD Sensitive Parts Notice
Handling ESD Sensitive Parts Notice
G305, G310, G320
G110 V8 VIN G
Powertrain Control Module Connector End Views