GM Service Manual Online
For 1990-2009 cars only
Makes
🢒
Chevrolet
🢒
2000
🢒
Camaro
🢒 Starting System
Starting System
Starting System
Engine Electrical Components
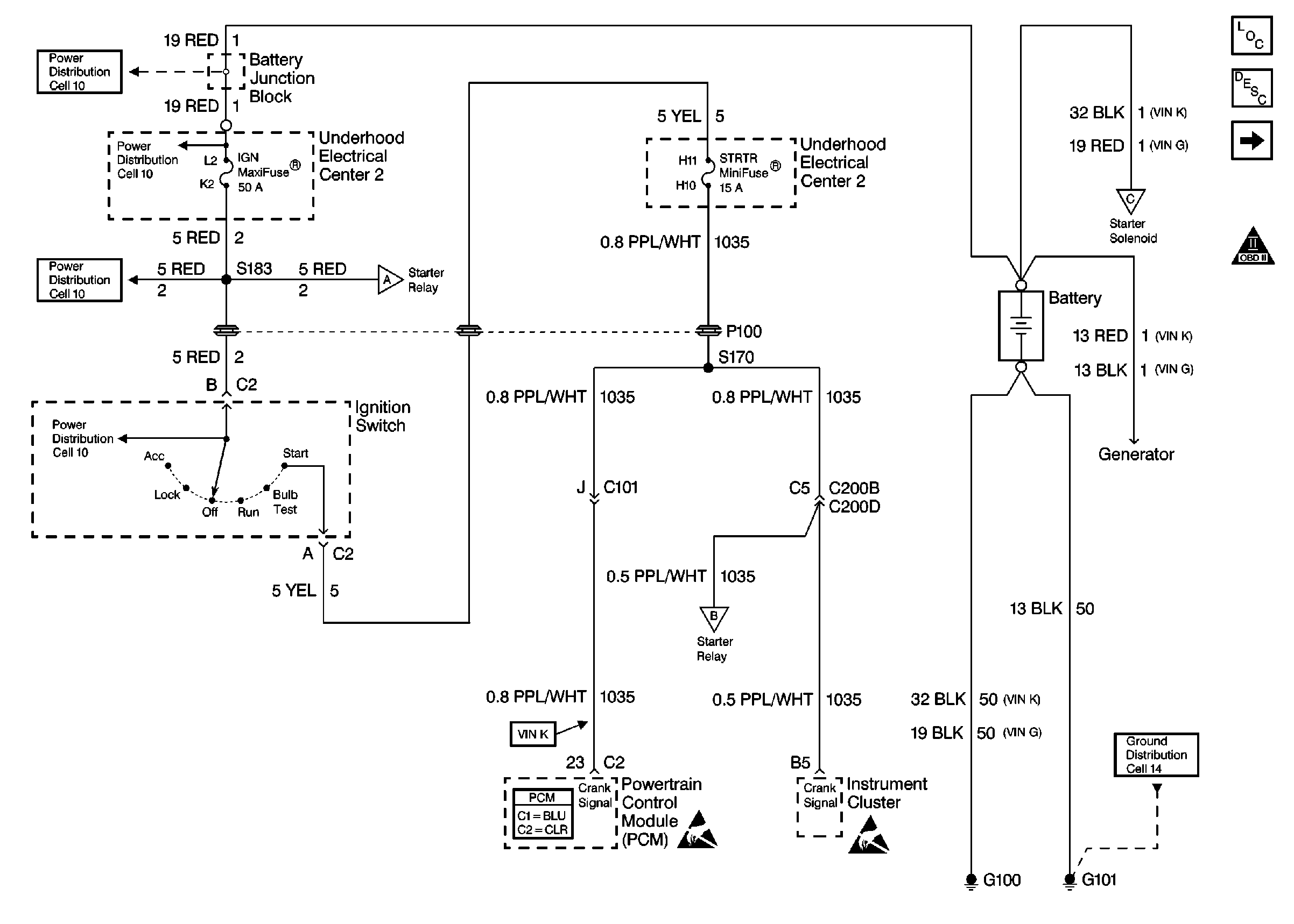
Starting System Circuit Description
Starting System
OBD II Symbol Description Notice
Battery and Underhood Electrical Center 1
Fusible Links, IP Fuse Block, and Underhood Electrical Centers
Ignition Switch and Underhood Electrical Center 2
Ignition Switch and Underhood Electrical Center 2
Starting System
Starting System
Powertrain Control Module Connector End Views
Starting System
Charging System
G100, G101, G102, G109, G111, G202
Handling ESD Sensitive Parts Notice
Handling ESD Sensitive Parts Notice