GM Service Manual Online
For 1990-2009 cars only
Makes
🢒
Chevrolet
🢒
2000
🢒
Camaro
🢒 Instrument Cluster Gauges
Instrument Cluster Gauges
Instrument Cluster Gauges
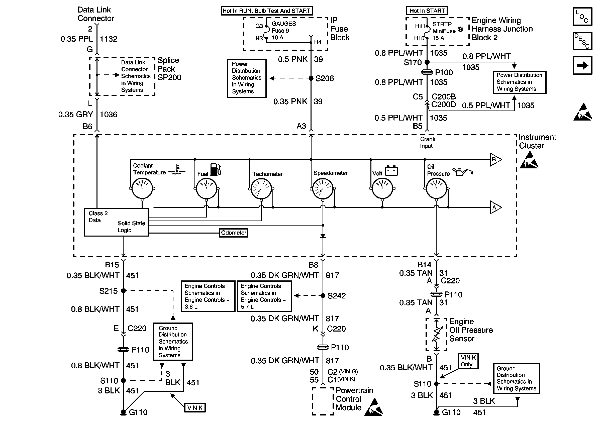
Instrument Cluster Components
Instrument Cluster Circuit Description
Instrument Cluster Illumination and Indicators
Handling ESD Sensitive Parts Notice
Class 2 Serial Data Line
AIR BAG and GAUGES Fuses
ABS IGN, PCM IGN, and STRTR Fuses
Instrument Cluster Indicators
Instrument Cluster Illumination and Indicators
G110 V6 VIN K
VSS, Cruise, Generator, Engine Oil Level
BCM, Cruise Control Module, EBCM, IPC, Radio, and VSS
G110 V8 VIN G