GM Service Manual Online
For 1990-2009 cars only
Makes
🢒
Chevrolet
🢒
2000
🢒
Camaro
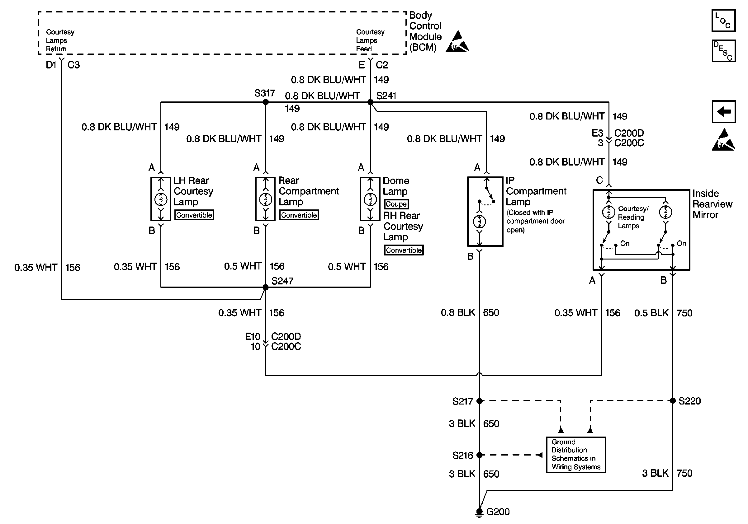
🢒 Body Control Module and Courtesy Lamps
Body Control Module and Courtesy Lamps
Body Control Module and Courtesy Lamps
Data Link Communications Components
Interior Lights Circuit Description
Body Control Module and Switch Inputs
Handling ESD Sensitive Parts Notice
G200 Splice S220