GM Service Manual Online
For 1990-2009 cars only
Makes
🢒
Chevrolet
🢒
2000
🢒
Camaro
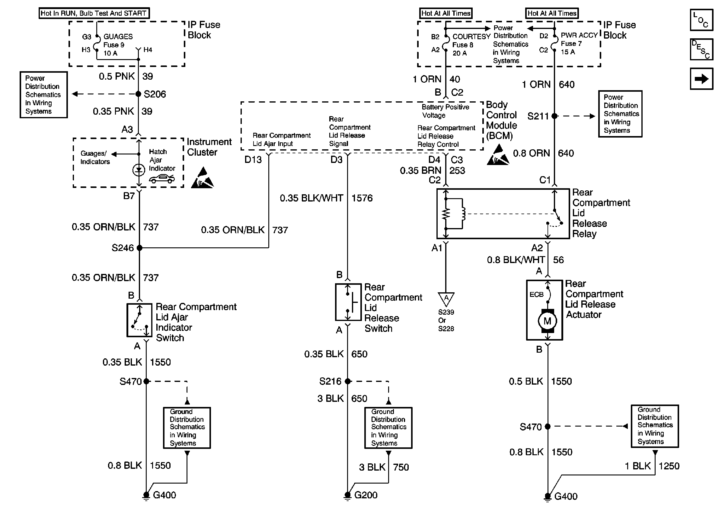
🢒 Body Control Module, Rear Release Actuator, Relay, and Switch
Body Control Module, Rear Release Actuator, Relay, and Switch
Body Control Module, Rear Release Actuator, Relay, and Switch
Body Rear End Components
Rear Compartment Lid Release Circuit Description
Park Brake Switch and Park/Neutral Position Switch
Power Distribution Schematics
AIR BAG and GAUGES Fuses
Instrument Cluster: Analog Schematics
Handling ESD Sensitive Parts Notice
Handling ESD Sensitive Parts Notice
TAIL LPS and STOP/HAZARD Fuses
Park Brake Switch and Park/Neutral Position Switch
G400 Splice S470
G200 Splice S220
G400 Splice S470