GM Service Manual Online
For 1990-2009 cars only
Makes
🢒
Chevrolet
🢒
2000
🢒
Camaro
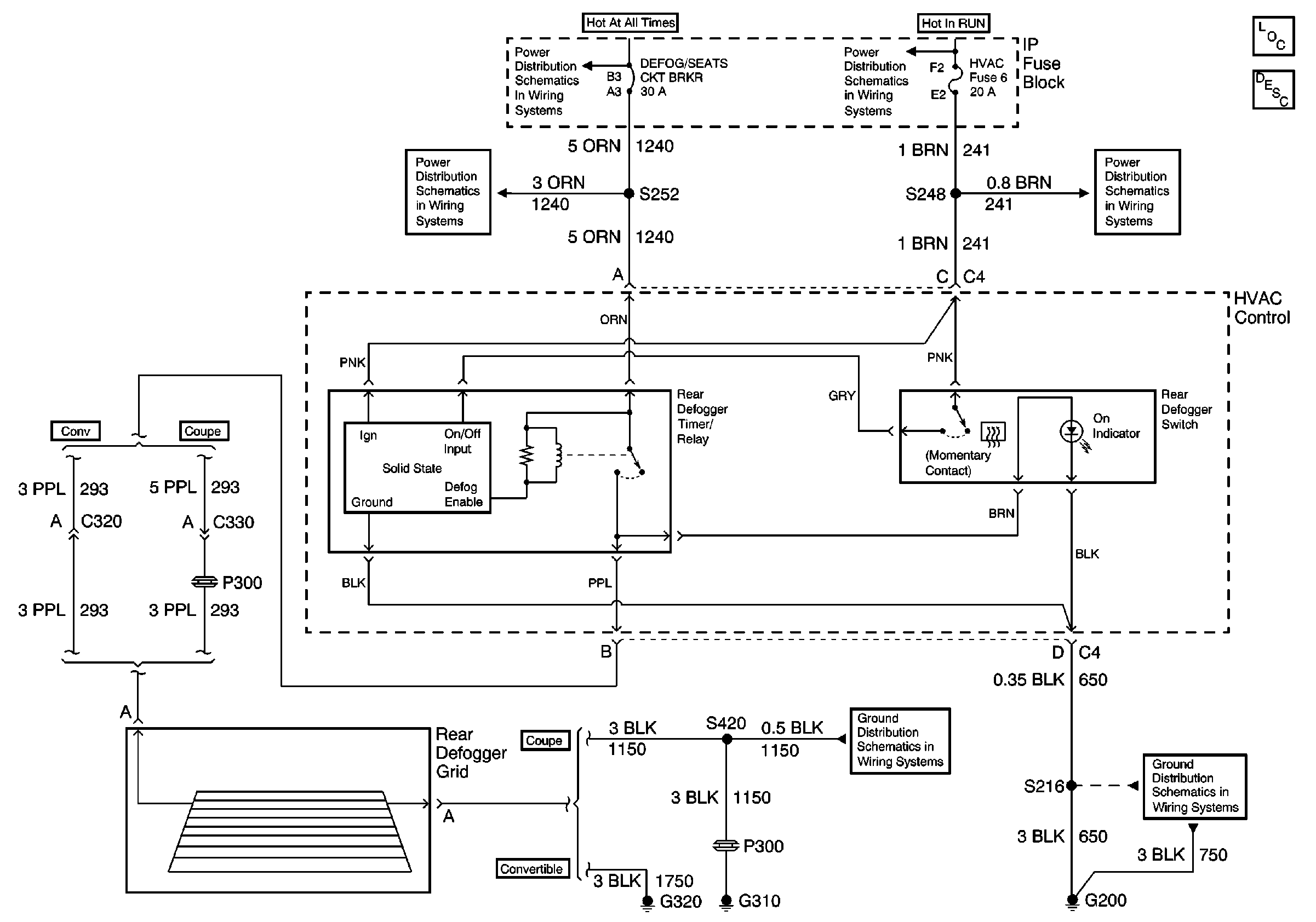
🢒 HVAC Control, Rear Defogger Grid
HVAC Control, Rear Defogger Grid
HVAC Control, Rear Defogger Grid
Stationary Windows Components
Rear Window Defogger Circuit Description
DEFOG/SEATS Circuit Breaker
HVAC and TURN B/U Fuses
HVAC and TURN B/U Fuses
DEFOG/SEATS Circuit Breaker
G305, G310, G320
G200 Splice S216