GM Service Manual Online
For 1990-2009 cars only
Makes
🢒
Chevrolet
🢒
2000
🢒
Camaro
🢒 Chevrolet: Side Marker Lamps, Park/Turn Lamps
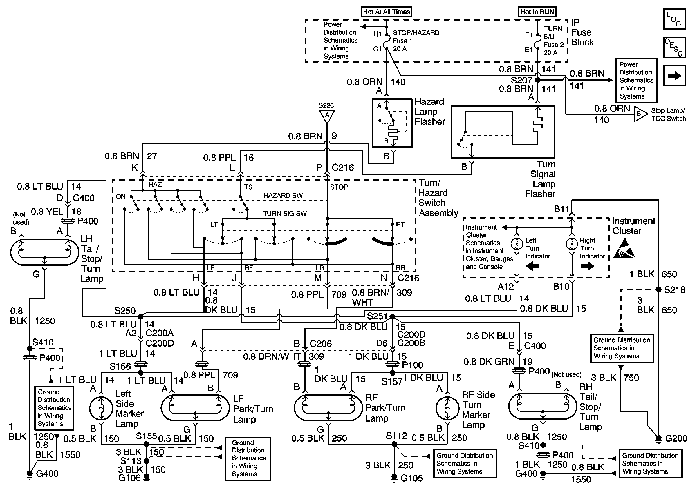
Chevrolet: Side Marker Lamps, Park/Turn Lamps
Chevrolet: Side Marker Lamps, Park/Turn Lamps
Lighting Systems Components
Exterior Lights Circuit Description Japan, Europe, Scandinavia
Chevrolet: Center High Mounted Stop Lamp
Chevrolet: Center High Mounted Stop Lamp
G200 Splice S216
G400 Chevrolet
G105
Instrument Cluster Illumination and Indicators
HVAC and TURN B/U Fuses
Chevrolet: Taillamps, License Lamp, Tail/Stop Lamps
G106
G400 Chevrolet
TAIL LPS and STOP/HAZARD Fuses
Handling ESD Sensitive Parts Notice