GM Service Manual Online
For 1990-2009 cars only

Refer to Engine Controls Schematics,

Cooling Fans


Object Number: 488034  Size: FS
Engine Controls Components
Engine Cooling Fan Description - Electric
A/C Compressor Control
OBD II Symbol Description Notice
Handling ESD Sensitive Parts Notice
Battery, ABS BAT-1 and COOL FAN Fuses
Battery, ABS BAT-1 and COOL FAN Fuses
Powertrain Control Module Connector End Views
G106
for complete circuit details.

Circuit Description

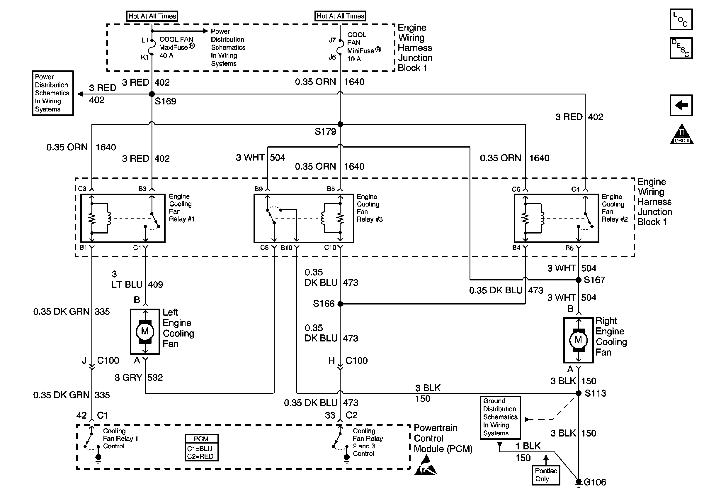
The cooling fan system in this vehicle provides for two separate modes of operation. These are the low speed fan and the high speed fan operating modes. The low speed mode operates both fans at half speed by using a series circuit configuration. The high speed mode operates both fans at full speed by using a parallel circuit configuration. These two operating modes are accomplished using 3 fan control relays.

This system which uses three relays to control two fan motors appears complicated. To aid in better understanding this system it is suggested to follow the circuits in the schematic as you read the description. This will aid in understanding the two distinct modes of operating the relays and coolant fans.

Low speed fan operation is established when the PCM commands Fan Relay #1 ON by grounding circuit 335 with an internal driver (relays #2 and #3 are left OFF). This closes the relay switch and allows current to flow from the battery, through the switch contacts on circuit 409 to the Left Hand cooling fan. Current flow continues out of the fan motor on circuit 532 to relay #3. The unenergized relay #3 switch contacts allow current to flow to circuit 504. This provides power to the Right Hand cooling fan motor. The low side of the RH cooling fan completes the circuit to ground on circuit 150. This circuit is a series circuit which allows half speed operation for each fan since each fan motor will drop half of the supplied battery power.

High speed operation is established when all three relays are energized. Relays #2 and #3 share the same control circuit to the PCM. This is circuit 473. As in the low speed mode, Relay #1 supplies current flow to the LH cooling fan on circuit 409. Current flow continues through the motor on circuit 532 to relay #3 which is now energized. The switch has now provided a path for current to flow through circuit 150 directly to ground. This circuit now only has the LH fan motor to power and allows it to run at full speed. Relay #2 is also energized and provides current flow on circuit 504 to the RH cooling fan. This fan now has its own dedicated circuit and will operate at full speed. This mode is operating as a parallel circuit.

Conditions for Running the DTC

    • The engine speed is more than 400 RPM.
    • The ignition voltage is between 6.0 volts and 18.0 volts.

Conditions for Setting the DTC

    • The PCM detects that the commanded state of the driver and the actual state of the control circuit do not match.
    • Condition must exist for a minimum of 5 seconds.

Action Taken When the DTC Sets

    • The PCM illuminates the malfunction indicator lamp (MIL) on the second consecutive ignition cycle that the diagnostic runs and fails.
    • The PCM records the operating conditions at the time the diagnostic fails. The first time the diagnostic fails, the PCM stores this information in the Failure Records. If the diagnostic reports a failure on the second consecutive ignition cycle, the PCM records the operating conditions at the time of the failure. The PCM writes the conditions to the Freeze Frame and updates the Failure Records.

Conditions for Clearing the MIL/DTC

    • The PCM turns OFF the malfunction indicator lamp (MIL) after 3 consecutive ignition cycles that the diagnostic runs and does not fail.
    • A last test failed, or current DTC, clears when the diagnostic runs and does not fail.
    • A history DTC clears after 40 consecutive warm-up cycles, if no failures are reported by this or any other emission related diagnostic.
    • Use a scan tool in order to clear the MIL and the DTC.

Diagnostic Aids

Important: 

   • Remove any debris from the PCM connector surfaces before servicing the PCM. Inspect the PCM connector gaskets when diagnosing/replacing the PCM. Ensure that the gaskets are installed correctly. The gaskets prevent water intrusion into the PCM.
   • For any test that requires probing the PCM or a component harness connector, use the J 35616 connector test adapter kit. Using this kit prevents damage to the harness/component terminals. Refer to Using Connector Test Adapters in Wiring Systems.

For an intermittent, refer to Symptoms .

Test Description

The numbers below refer to the step numbers on the diagnostic table.

  1. This step tests for a control circuit that may be shorted to ground.

  2. This step tests for an open control circuit.

  3. The repair is not complete if the scan tool indicates that the diagnostic ran and failed.

Step

Action

Value(s)

Yes

No

1

Did you perform the Powertrain On-Board Diagnostic (OBD) System Check?

--

Go to Step 2

Go to Powertrain On Board Diagnostic (OBD) System Check

2

Is the customer concern that the fans are ON at all times?

--

Go to Step 3

Go to Step 4

3

  1. Turn OFF the ignition.
  2. Disconnect the PCM connector C2 located on the opposite side of the manufacturer's logo. Refer to Powertrain Control Module Replacement/Programming .
  3. Turn ON the ignition.

Are the fans ON?

--

Go to Step 7

Go to Step 10

4

Important: For underhood electrical center relay terminal identification refer to Electrical Center Identification Views in Wiring Systems.

  1. Disconnect engine cooling fan relays #2 and #3 at the underhood electrical center 1.
  2. Probe the control side of the relay #2 at the underhood electrical center 1 using the test lamp J 35616-200 connected to ground.

Is the test lamp illuminated?

--

Go to Step 8

Go to Step 5

5

  1. Turn OFF the ignition.
  2. Reconnect both relays.
  3. Disconnect the PCM connector C2 located on the opposite side of the manufacturer's logo. Refer to Powertrain Control Module Replacement/Programming .
  4. Probe the engine cooling fan relay #2 and #3 control circuit at the PCM harness using test lamp J 35616-200 connected to ground.
  5. Turn ON the ignition.

Is the test lamp illuminated?

--

Go to Step 9

Go to Step 6

6

Repair the open circuit between the PCM harness connector and the splice. Refer to Wiring Repairs in Wiring Systems.

Is the action complete?

--

Go to Step 11

--

7

Repair the short to ground in the engine cooling fan relay #2 and #3 control circuit. Refer to Wiring Repairs in Wiring Systems.

Is the action complete?

--

Go to Step 11

--

8

Repair the short to B+ in the engine cooling fan relay #2 and #3 control circuit. Refer to Wiring Repairs in Wiring Systems.

Is the action complete?

--

Go to Step 11

--

9

  1. Inspect the PCM harness connector for poor connections. Refer to Testing for Intermittent Conditions and Poor Connections in Wiring Systems.
  2. If you find a poor connection, repair as necessary. Refer to Repairing Connector Terminals in Wiring Systems.

Did you find and correct the condition?

--

Go to Step 11

Go to Step 10

10

Important:: Program the replacement PCM. Refer to Powertrain Control Module Replacement/Programming .

Replace the PCM.

Is the action complete?

--

Go to Step 11

--

11

  1. Select the Diagnostic Trouble Code (DTC) option and the Clear DTC option using the scan tool.
  2. Idle the engine at the normal operating temperature.
  3. Select the Diagnostic Trouble Code (DTC) option and the Specific DTC option, then enter the DTC number using the scan tool.
  4. Operate vehicle within the Conditions for Running the DTC as specified in the supporting text, if applicable.

Does the scan tool indicate that this test passed?

--

Go to Step 12

Go to Step 2

12

Select the Capture Info option and the Review Info option using the scan tool.

Does the scan tool display any DTCs that you have not diagnosed?

--

Go to the applicable DTC table

System OK