GM Service Manual Online
For 1990-2009 cars only

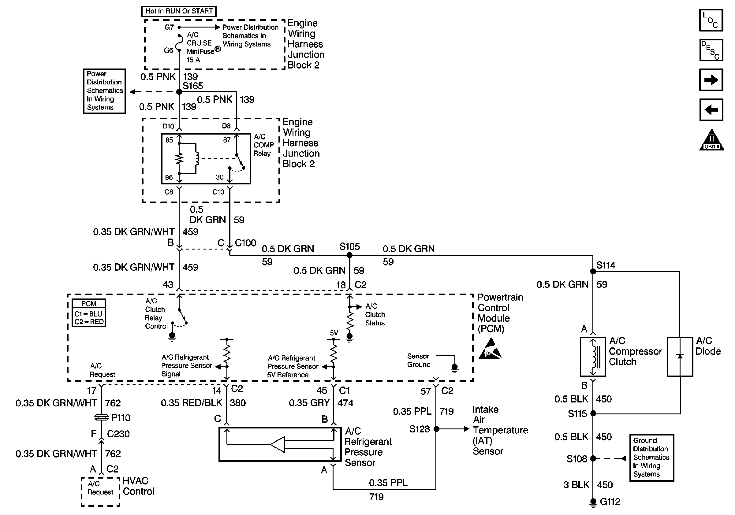
Refer to Engine Controls Schematics,

A/C Compressor Control


Object Number: 488031  Size: FS
Engine Controls Components
Powertrain Control Module Controlled Air Conditioning Description
Cooling Fans
Automatic Transmission and Park/Neutral Position Switch
OBD II Symbol Description Notice
Handling ESD Sensitive Parts Notice
A/C CRUISE and ETC Fuses
A/C CRUISE and ETC Fuses
Powertrain Control Module Connector End Views
Engine Sensors
G112 V8 VIN G
for complete circuit details.

Circuit Description

A voltage is supplied directly to the A/C compressor clutch relay coil. The PCM controls the relay by grounding the control circuit via an internal switch called a driver. The primary function of the driver is to supply the ground for the controlled component. Each driver has a fault line which the PCM monitors. When the PCM commands a component ON, the voltage of the control circuit should be low (near 0 volts). When the PCM is commanding the control circuit to a component OFF, the voltage potential of the circuit should be high (near battery voltage). If the fault detection circuit senses a voltage other than what the circuit expects, the fault line status changes causing the DTC to set.

The relay controls the high current flow to the A/C compressor clutch. This allows the PCM driver to only have to handle the relatively low current used by the relay.

Conditions for Running the DTC

    • The engine speed is greater than 400 RPM.
    • The ignition voltage is between 6.0 volts and 18.0 volts.

Conditions for Setting the DTC

    • The PCM detects that the commanded state of the driver and the actual state of the control circuit do not match.
    • Condition must exist for a minimum of 5 seconds.

Action Taken When the DTC Sets

    • The powertrain control module (PCM) stores the DTC information into memory when the diagnostic runs and fails.
    • The malfunction indicator lamp (MIL) will not illuminate.
    • The PCM records the operating conditions at the time the diagnostic fails. The PCM stores this information in the Failure Records.

Conditions for Clearing the MIL/DTC

    • A last test failed, or the current DTC, clears when the diagnostic runs and does not fail.
    • A history DTC clears after 40 consecutive warm-up cycles, if failures are not reported by this or any other emission related diagnostic.
    • Use a scan tool in order to clear the MIL/DTC.

Diagnostic Aids

Important: 

   • Remove any debris from the PCM connector surfaces before servicing the PCM. Inspect the PCM connector gaskets when diagnosing/replacing the PCM. Ensure that the gaskets are installed correctly. The gaskets prevent contaminate intrusion into the PCM.
   • For any test that requires probing the PCM or a component harness connector, use the Connector Test Adapter Kit J 35616 . Using this kit prevents damage to the harness/component terminals. Refer to Using Connector Test Adapters in Wiring Systems.

For an intermittent condition, refer to Symptoms .

Test Description

The numbers below refer to the step numbers on the diagnostic table.

  1. Listen for an audible click when the relay operates. Command both the ON and the OFF states. Repeat the commands as necessary.

  2. This step tests for voltage at the coil side of the A/C relay. The A/C Cruise mini fuse supplies power to the coil side of the A/C relay.

  3. This step verifies that the PCM is providing ground to the A/C relay.

  4. This step tests if ground is constantly being applied to the A/C relay.

Step

Action

Value(s)

Yes

No

1

Did you perform the Powertrain On-Board Diagnostic (OBD) System Check?

--

Go to Step 2

Go to Powertrain On Board Diagnostic (OBD) System Check

2

  1. Turn ON the ignition, with the engine OFF.
  2. With a scan tool, command the A/C relay ON and OFF.

Does the A/C relay turn ON and OFF with each command?

--

Go to Step 3

Go to Step 4

3

  1. Review the Freeze Frame and/or Failure Records data for this DTC.
  2. Turn OFF the ignition for 30 seconds.
  3. Start the engine.
  4. Operate the vehicle within the same Conditions for running the DTC as specified in the supporting text or as close to the Freeze Frame and/or Failure Records data that you observed.

Does the DTC reset?

--

Go to Step 4

Go to Intermittent Conditions

4

  1. Turn OFF the ignition.
  2. Disconnect the A/C relay from the underhood electrical center.
  3. Turn ON the ignition, with the engine OFF.
  4. Probe the coil side feed circuit of the A/C relay with a test lamp that is connected to a good ground. Refer to Probing Electrical Connectors in Wiring Systems.

Does the test lamp illuminate?

--

Go to Step 5

Go to Step 11

5

  1. Connect a test lamp between the control circuit of the A/C relay and the coil side feed circuit of the A/C relay.
  2. With a scan tool, command the A/C relay ON and OFF.

Does the test lamp turn ON and OFF with each command?

--

Go to Step 9

Go to Step 6

6

Does the test lamp remain illuminated with each command?

--

Go to Step 8

Go to Step 7

7

  1. Test the control circuit of the A/C relay for an open. Refer to Circuit Testing in Wiring Systems.
  2. If you find a condition repair as necessary. Refer to Wiring Repairs in Wiring Systems.

Did you find and correct the condition?

--

Go to Step 14

Go to Step 10

8

  1. Test the control circuit of the A/C relay for a short to ground. Refer to Circuit Testing in Wiring Systems.
  2. If you find a condition repair as necessary. Refer to Wiring Repairs in Wiring Systems.

Did you find and correct the condition?

--

Go to Step 14

Go to Step 13

9

  1. Inspect for poor connections at the A/C relay. Refer to Testing for Intermittent Conditions and Poor Connections in Wiring Systems.
  2. If you find a condition, repair as necessary. Refer to Repairing Connector Terminals in Wiring Systems.

Did you find and correct the condition?

--

Go to Step 14

Go to Step 12

10

  1. Inspect for poor connections at the PCM. Refer to Testing for Intermittent Conditions and Poor Connections in Wiring Systems.
  2. If you find a condition, repair as necessary. Refer to Repairing Connector Terminals in Wiring Systems.

Did you find and correct the condition?

--

Go to Step 14

Go to Step 13

11

Repair the coil side feed circuit of the A/C relay. Refer to Wiring Repairs in Wiring Systems.

Did you complete the repair?

--

Go to Step 14

--

12

Replace the A/C relay.

Is the action complete?

--

Go to Step 14

--

13

Important: Program the replacement PCM. Refer to Powertrain Control Module Replacement/Programming .

Replace the PCM.

Is the action complete?

--

Go to Step 14

--

14

  1. Use the scan tool in order to clear the DTCs.
  2. Operate the vehicle within the Conditions for Running the DTC as specified in the supporting text.

Does the DTC reset?

--

Go to Step 2

Go to Step 15

15

With a scan tool, review the Stored Information (capture info).

Does the scan tool display any DTCs that you have not diagnosed?

--

Go to Diagnostic Trouble Code (DTC) List/Type

System OK