GM Service Manual Online
For 1990-2009 cars only
Makes
🢒
Chevrolet
🢒
2002
🢒
Camaro
🢒
Body and Accessories
🢒
Stationary Windows
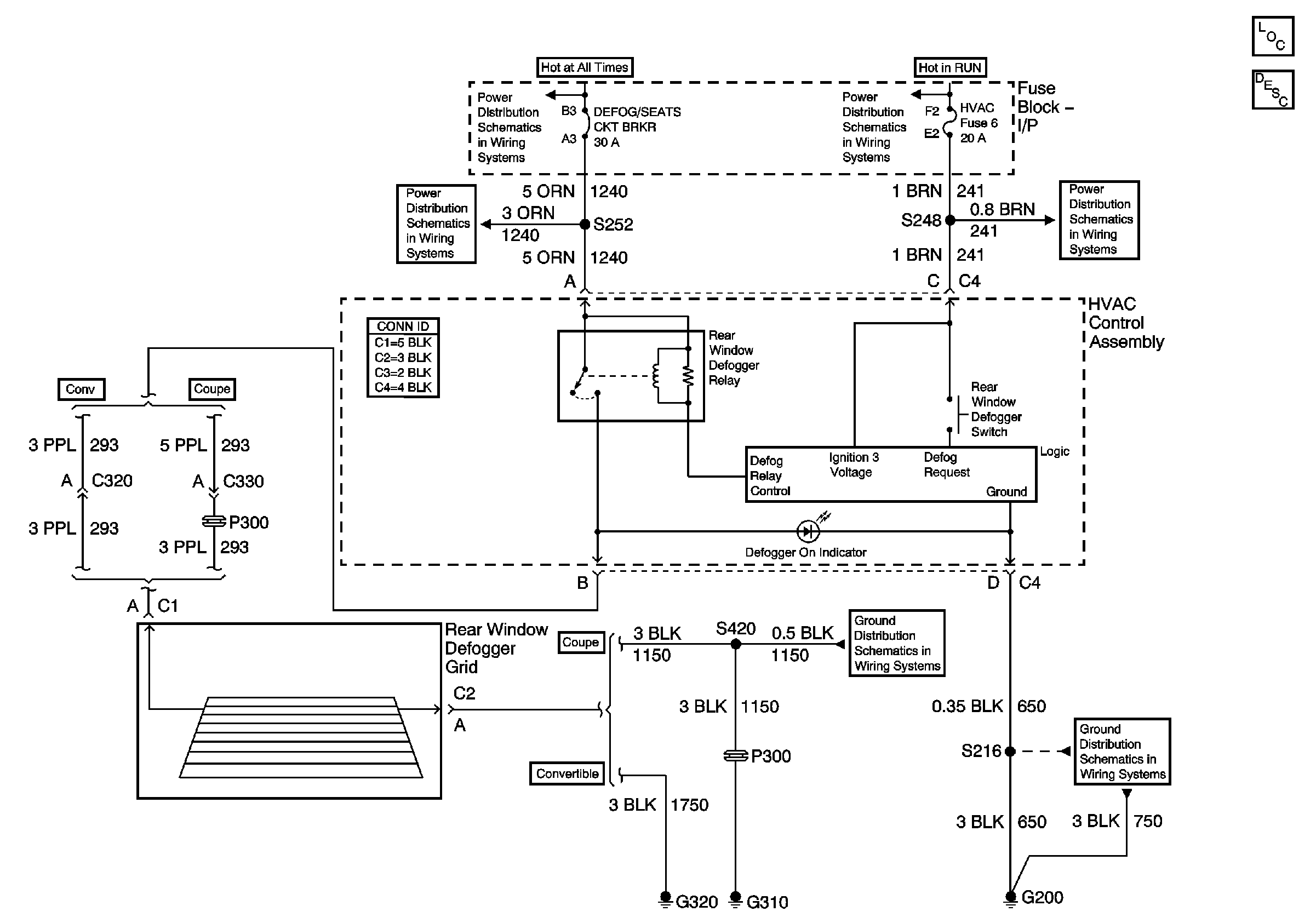
🢒 Defogger Schematics
Master Electrical Component List
Rear Window Defogger Description and Operation
COURTESY, RADIO ACCY Fuses and DEFOG/SEATS CKT BRKR
HVAC and TURN B/U Fuses
HVAC and TURN B/U Fuses
COURTESY, RADIO ACCY Fuses and DEFOG/SEATS CKT BRKR
G305, G310, G320
G200 Page 1 of 3