GM Service Manual Online
For 1990-2009 cars only
Makes
🢒
Chevrolet
🢒
2002
🢒
Camaro
🢒 V8 VIN G
V8 VIN G
V8 VIN G
Master Electrical Component List
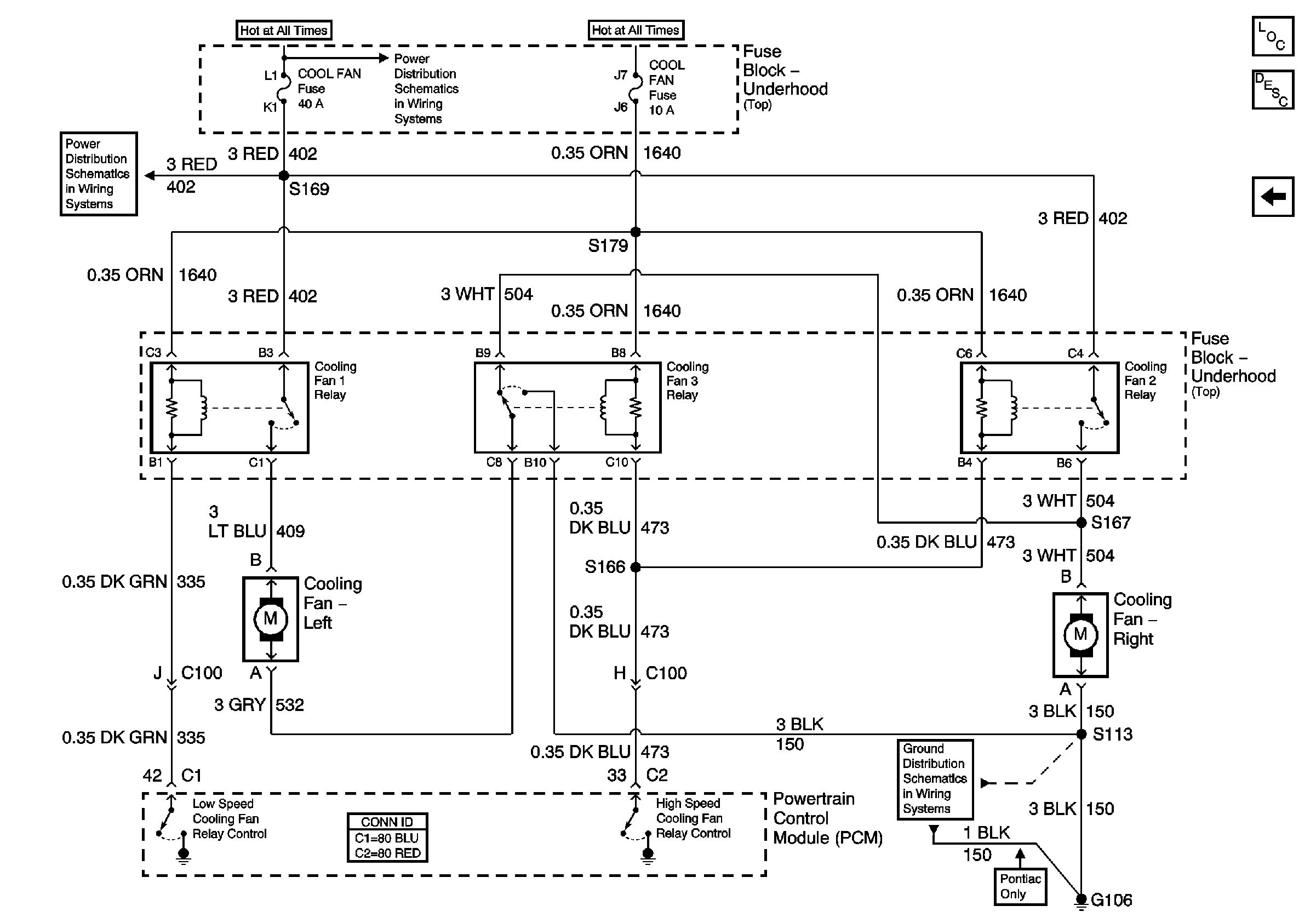
Cooling System Description and Operation
Engine Cooling Schematics
COOL FAN and ABS BAT- 1 Fuses
COOL FAN and ABS BAT- 1 Fuses
G106