GM Service Manual Online
For 1990-2009 cars only
Makes
🢒
Chevrolet
🢒
2002
🢒
Camaro
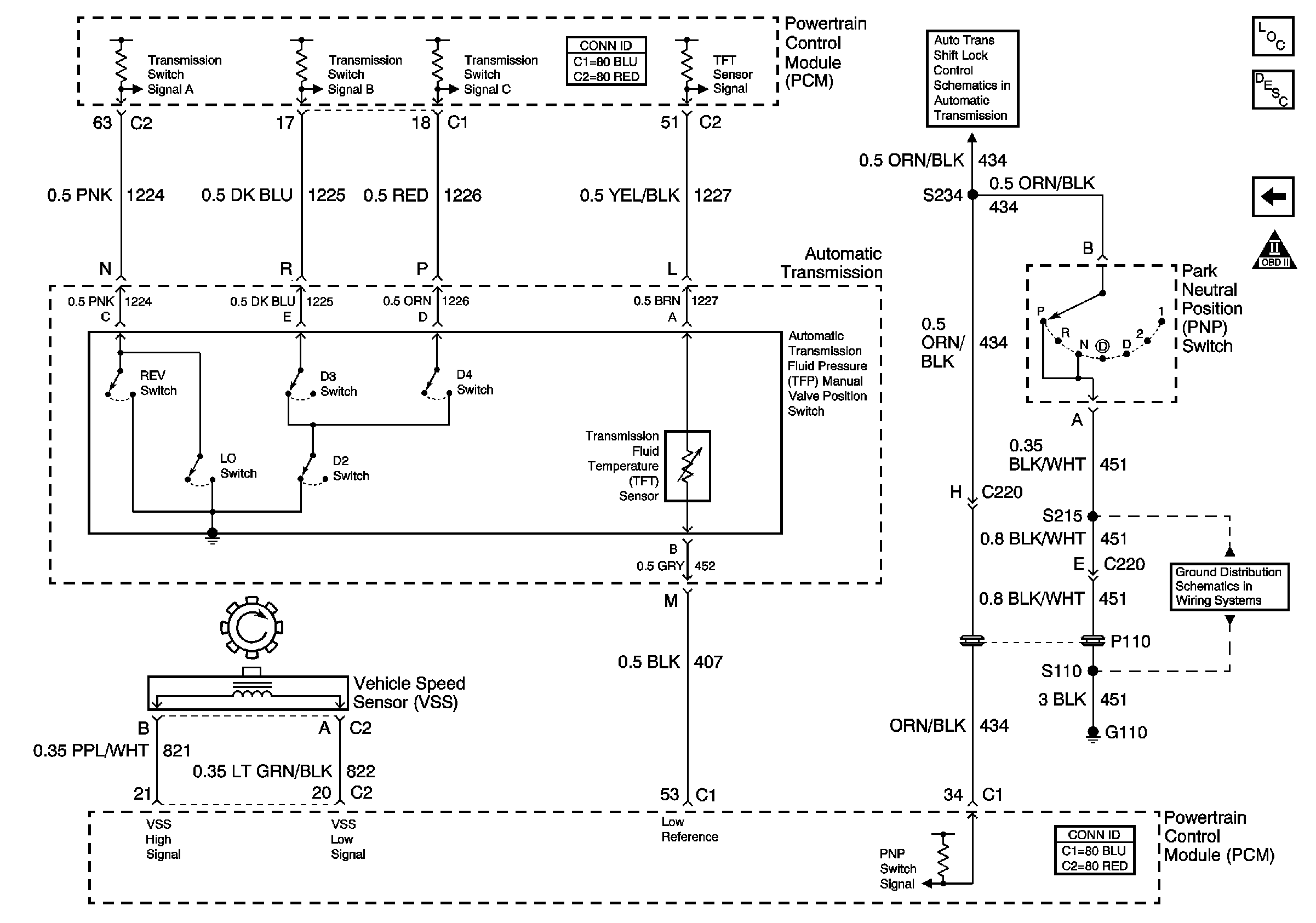
🢒 VSS, TFT and PNP V8 LS1
VSS, TFT and PNP V8 LS1
VSS,TFT and PNP (V8 LS1)
Master Electrical Component List
Transmission General Information
Solenoids and TCC V8 LS1
OBD II Symbol Description Notice
Rear Compartment Lid Release Relay Enable
Shift Lock Control Schematic