GM Service Manual Online
For 1990-2009 cars only

CAMPAIGN:OVERHEATING OF THE BATTERY CABLE CONNECTION

Subject: PRODUCT CAMPAIGN 94-C-59 - ELECTRICAL CENT

Model and Year: 1994 CHEVROLET CAPRICE SEO VEHICLES (POLICE CARS, TAXI AND SPECIAL SERVICE WAGONS)

To: All Chevrolet/Geo Dealers

General Motors has determined that certain 1994 Chevrolet Caprice Police, Taxi and Special Service Wagon vehicles may experience overheating of the battery cable connection at the underhood electrical center stud. This may cause melting of the battery cable plastic cover, the plastic stud housing and/or the stud itself, resulting in loss of vehicle power.

To correct this condition, dealers are to install a new battery cable stud made of improved material.

VEHICLES INVOLVED

Involved are certain 1994 Chevrolet Caprice Police Cars (SEO 9C1), Special Service Station Wagons (SEO 1A2) and Taxi Vehicles (SEO 9C6) built within the following VIN breakpoints:

YEAR MODEL PLANT CODE FROM THROUGH

1994 B-Car Arlington "R" RR100013 RR202847

Involved vehicles have been identified by Vehicle Identification Number Computer Listings. Computer listings contain the complete Vehicle Identification Number, owner name and address data, and are furnished to involved dealers with the campaign bulletin. Owner name and address data furnished will enable dealers to follow-up with owners involved in this campaign.

These listings may contain owner names and addresses obtained from State Motor Vehicle Registration Records. The use of such motor vehicle registration data for any other purpose is a violation of law in several states. Accordingly, you are urged to limit the use of this listing to the follow-up necessary to complete this campaign. Any dealer not receiving a computer listing with the campaign bulletin has no involved vehicles currently assigned.

OWNER NOTIFICATION

Owners will be notified of this campaign on their vehicles by Chevrolet Motor Division (see copy of owner letter included with this bulletin).

DEALER CAMPAIGN RESPONSIBILITY

All unsold new vehicles in dealers' possession and subject to this campaign must be held and inspected/repaired per the service procedure of this campaign bulletin before owners take possession of these vehicles.

Dealers are to service all vehicles subject to this campaign at no charge to owners, regardless of mileage, age of vehicle, or ownership, from this time forward.

Owners of vehicles recently sold from your new vehicle inventory with no owner information indicated on the dealer listing, are to be contacted by the dealer, and arrangements made to make the required correction according to the instructions contained in this bulletin. This could be done by mailing to such owners a copy of the owners letter accompanying this bulletin. Campaign follow-up cards should not be used for this purpose, since the owner may not as yet have received the notification letter.

In summary, whenever a vehicle subject to this campaign enters your vehicle inventory, or is in your dealership for service in the future, please take the steps necessary to be sure the campaign correction has been made before selling or releasing the vehicle.

PARTS INFORMATION

Parts required to complete this campaign should be ordered from General Motors Service Parts Operations (GMSPO) . To ensure these parts will be obtained as soon as possible, they should be ordered on a "C.I.O." order with no special instruction code, but on an advise code two (2).

Quantity/ Part Number Description Vehicle ------------------------------------------------------------------ 12161130 Stud Assembly, Battery Cable 1 11516161 Nut, Stud Assembly 1 12146183 Cover, Electrical Center Stud As Required 12129481 Bussbar (65mm, Inboard Side, As Required Terminal Cavity L1 & L3) 12146182 Bussbar (75mm, Outboard Side, As Require Terminal Cavity L2 & L4)

NOTICE:

IT IS ANTICIPATED THAT LESS THAN 25% OF THE ELECTRICAL CENTER STUD COVERS WILL REQUIRE REPLACEMENT AND-THAT LESS THAN 5% OF THE BUSSBARS WILL REQUIRE REPLACEMENT. PLEASE ORDER YOUR PARTS ACCORDINGLY.

SERVICE PROCEDURE

1. Disconnect negative battery cable from battery. Be sure all auxiliary devices (police radios, radars, etc.) are turned off prior to disconnecting battery. Technicians may wish to consult with vehicle driver on proper deactivation procedures for these devices. Radio settings should also be noted prior to disconnecting battery so they may be reset later.

2. Remove "AUX. BATT. POS. COVER" (Figure 1) from electrical center stud. Electrical center and stud is located on top of right hand wheelhouse, just ahead of front of dash.

3. Remove stud nut (not to be reinstalled) and positive battery cable from stud (Figure 1).

4. Remove two nuts holding electrical center to wheelhouse.

5. Remove top cover from electrical center.

6. Remove electrical center from plastic bracket. Use a small screwdriver to release retaining tabs (Figure 2).

7. Remove small shorting prevention cover from lower portion of stud assembly (Figure 3).

8. Remove bolt securing ring terminals to bottom portion of stud assembly (Figure 2) .

9. Remove 4 large Maxi-fuses.

10. Remove Terminal Position Assurance "TPA" closest to stud (Figure 4).

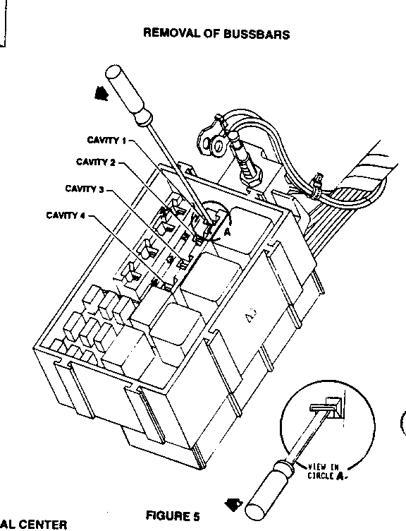
11. Use a small flat blade screwdriver to release the four terminals securing the two bussbars in electrical center (see Figure 5). Pull bussbar out the bottom.

12. Release retaining tab, then slide stud assembly from electrical center (Figure 6).

13. Install new stud assembly to electrical center.

14. Reinstall bussbars. Make certain bussbars are not damaged, and click them firmly into place. If bussbars are damaged, replacement is required.

15. Reinstall "TPA".

16. Reinstall Maxi-fuses. Refer to inside cover label for correct positions.

17. Route wires horizontally toward front of dash (at a 45 degree angle away from electrical center). Secure ring terminals to lower stud assembly. Torque nut to 8 Nm +/- 2 Nm (70 lb. in.).

18. Reinstall shorting prevention cover over bottom of stud assembly.

19. Reassemble electrical center to lower portion of plastic bracket.

20. Reinstall top cover.

21. Reinstall bracket to wheelhouse and torque to 6.0 Nm +/- 1.0 Nm (50 lb. in.).

22. Reconnect positive battery cable to stud with new nut and torque to 14 Nm +/- 2.0 Nm (10 lb. ft.).

23. Reinstall "AUX. BATT. POS. COVER" to stud. If cover is damaged, replacement is required.

24. Reconnect negative battery cable and torque to 17 Nm +/- 3.0 Nm (12.5 lb. ft.). Reactivate auxiliary devices (police radios, radars, etc.) . Technicians may wish to consult with vehicle driver on proper activation procedures for these devices. Radio & clock settings should also be reset.

25. Install Campaign Identification Label.

CAMPAIGN IDENTIFICATION LABEL

Each vehicle corrected in accordance with the instructions outlined in this Product Campaign Bulletin will require a "Campaign Identification Label". Each label provides a space to include the campaign number and the five (5) digit dealer code of the dealer performing the campaign service. This information may be inserted with a typewriter or a ball point pen.

Each "Campaign Identification Label" is to be located on the radiator core support in an area which will be visible when the vehicle is brought in for periodic servicing by the owner. Additional "Campaign Identification Labels" can be obtained from DAC.

Apply "Campaign Identification Label" only on a clean, dry surface.

CLAIM INFORMATION

Submit a Product Campaign Claim with the information indicated below:

* REPAIR FAILED PARTS LABOR LABOR OTHER PERFORMED PC PART NO. ALLOW CC-FC OP HOURS HOURS ------------------------------------------------------------------- Replace Stud/Nut 1 12161130 ** SK-00 V9360 0.5 0.1 Replace Stud/Nut & 2 12161130 ** SK-00 V9361 0.5 0.1 Cover Replace Stud/Nut, 3 12161130 ** SK-00 V9362 0.5 0.1 Cover & 1 Bussbar Replace Stud/Nut, 4 12161130 ** SK-00 V9363 0.5 0.1 Cover & 2 Bussbars,

* Campaign Administrative Allowance.

** The "Parts Allowance" should be the sum total of the current GMSPO Dealer Net price plus 40% of all parts required for the repair.

Refer to the Chevrolet Claims Processing Manual for details on Product Campaign Claim Submission.

Dear Chevrolet Caprice Owner:

This notice is sent to inform you that Chevrolet Motor Division is conducting a recall campaign that includes your vehicle.

REASON FOR THIS RECALL

General Motors has determined that certain 1994 Chevrolet Caprice Police, Taxi and Special Service Wagon vehicles may experience overheating of the battery cable connection at the underhood electrical center stud. This may cause melting of the battery cable plastic cover, the plastic stud housing and/or the stud itself, resulting in loss of vehicle power.

WHAT WE WILL DO

To correct this condition, your dealer will install a new battery cable stud made of improved material. This service will be performed for you at no charge.

WHAT YOU SHOULD DO

Please contact your Chevrolet dealer as soon as possible to arrange a service date and so the dealer may order the necessary parts for the repair. Instructions for performing this service have been sent to your dealer and parts are available. Please contact your dealer to arrange a service date as soon as possible. You may ask your dealer if you wish to know how much time will be needed to schedule and process your vehicle.

The enclosed owner reply card identifies your vehicle. Presentation of this card to your dealer will assist in making the necessary correction in the shortest possible time. If you have sold or traded your vehicle, please let us know by completing the postage paid reply card and returning it to us.

We are sorry to cause you this inconvenience; however, we have taken this action in the interest of your continued satisfaction with our products.

Chevrolet Motor Division GENERAL MOTORS CORPORATION


Object Number: 90894  Size: MF


Object Number: 90893  Size: LF


Object Number: 90686  Size: MF


Object Number: 91240  Size: MF


Object Number: 91239  Size: LF


Object Number: 90435  Size: MF

General Motors bulletins are intended for use by professional technicians, not a "do-it-yourselfer". They are written to inform those technicians of conditions that may occur on some vehicles, or to provide information that could assist in the proper service of a vehicle. Properly trained technicians have the equipment, tools, safety instructions and know-how to do a job properly and safely. If a condition is described, do not assume that the bulletin applies to your vehicle, or that your vehicle will have that condition. See a General Motors dealer servicing your brand of General Motors vehicle for information on whether your vehicle may benefit from the information.