GM Service Manual Online
For 1990-2009 cars only

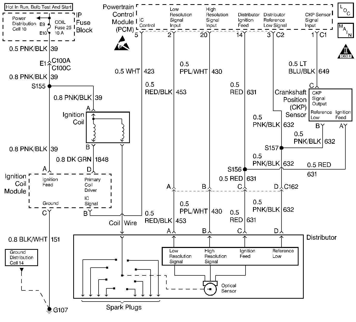
Object Number: 13750  Size: LF
Engine Controls Components
Distributor Ignition System
OBD II Symbol Description Notice
Handling ESD Sensitive Parts Notice

Diagnostic Aids

An ignition coil wire that is open or shorted to ground can cause a no start condition.

Test Description

Number(s) below refer to step number(s) on the diagnostic table.

Important:: The battery should be fully charged prior to any tests.

  1. Checks for proper output from the distributor ignition system. The spark tester requires a minimum of 25,000 volts to fire. This check can be used in case of an ignition miss, because the system may provide enough voltage to run the engine but not enough to fire a spark plug under heavy load.

  2. This test will separate the distributor cap, rotor and ignition wires from the ignition coil to help identify a secondary ignition system problem. It is necessary to unscrew the top terminal on the ST-125 spark tester for a proper fit in the distributor end of the coil wire.

  3. This will determine if the proper available voltage exists in the primary ignition circuit.

  4. This check will begin to determine if the PCM is providing a signal to the ignition coil module or not. If the PCM is not providing a signal to the ignition coil module, the problem exists between the distributor and PCM.

  5. If the PCM is detecting low resolution signal pulses and no IC signal was available at the ignition coil module, a problem exists with the PCM or the circuit to the ignition coil module.

  6. If the PCM does not detect low resolution signal pulses, the distributor or distributor to PCM circuitry is most likely the problem. The remaining tests will determine if the proper signals are being sent and received from both the distributor and PCM.

  7. A grounded coil circuit will cause the ignition fuse to open, and a no-start condition will occur.

Step

Action

Value(s)

Yes

No

1

Was the Powertrain On-Board Diagnostic (OBD) System Check performed?

--

Go to Step 2

Go to Powertrain On Board Diagnostic (OBD) System Check

2

  1. Turn the ignition OFF.
  2. Disconnect the tachometer (If so equipped.)
  3. Remove an ignition wire from a spark plug.
  4. Install the spark tester (J 26792.)
  5. While cranking the engine, observe the spark tester.

Important:: If no spark is coming from the ignition wire, check a second ignition wire. A few sparks and then nothing is considered no spark.

Is spark jumping the gap at the spark tester?

--

Go to Step 3

Go to Step 4

3

Remove the spark plugs and inspect for being gas fouled.

Are the spark plugs gas fouled?

--

Go to Spark Plug Replacement

Go to Fuel System Diagnosis

4

  1. Reconnect the ignition wires to spark plugs.
  2. Disconnect the coil wire from the distributor.
  3. Connect the spark test to the coil wire.
  4. While cranking the engine, observe the spark tester.

Is spark jumping the gap at the spark tester?

--

Go to Step 19

Go to Step 5

5

  1. Turn the ignition OFF.
  2. Disconnect the Ignition Coil Module connector.
  3. Turn the ignition ON.
  4. Using a DVM (J 39200), measure the voltage at the harness terminals A and D to ground.

Do both terminals measure less than the specified value?

10.0V

Go to Step 22

Go to Step 6

6

Is there only one terminal below the specified value?

10.0V

Go to Step 23

Go to Step 7

7

  1. Connect the DVM to terminal B of the ignition coil module harness and ground.
  2. Set the DVM to the AC scale.
  3. While cranking the engine, observe the voltage on the DVM.

Is the voltage between the specified values?

1.0- 4.0 V

Go to Step 8

Go to Step 12

8

  1. Turn the ignition ON.
  2. Using a test light (J 34142-B) connected to B+, probe terminal C of the ignition coil module harness connector.

Did the test light illuminate?

--

Go to Step 10

Go to Step 9

9

Repair the Ignition Coil Module ground circuit.

Is the repair completed?

--

System OK

--

10

  1. Inspect the terminals of the ignition coil module harness connector for proper tension.
  2. If a poor connection is found, replace the terminals.

Was a poor connection found?

--

System OK

Go to Step 11

11

Replace the Ignition Coil Module.

Is the action completed?

--

System OK

--

12

  1. Install the scan tool.
  2. Using the scan tool, monitor the low resolution signal on the Engine 1 Data List.
  3. Crank the engine for 10.0 seconds.

Is a low resolution signal indicated on the scan tool?

--

Go to Step 25

Go to Step 13

13

  1. Turn the ignition OFF.
  2. Disconnect the distributor electrical connector.
  3. Turn the ignition ON.
  4. Using a test light (J 34142-B) connected to ground, probe terminal C of the distributor harness connector.

Did the test light illuminate?

--

Go to Step 14

Go to Step 27

14

Using a DVM (J 39200), check for continuity between the distributor connector terminal D and ground.

Does the circuit have continuity?

--

Go to Step 15

Go to Step 28

15

Using a DVM on the DC scale, measure the voltage at the distributor connector terminal A.

Is the voltage at the specified value?

5.0V

Go to Step 16

Go to Step 29

16

Using a DVM on the DC scale, measure the voltage at the distributor connector terminal B.

Is the voltage at the specified value?

5.0V

Go to Step 17

Go to Step 18

17

Faulty distributor connection or faulty distributor.

Is the repair completed?

--

System OK

--

18

  1. Inspect the distributor high resolution circuit for an open.
  2. If the circuit is found to be open, repair it as necessary. Refer to Electrical Diagnosis 8A Cell 5

Was a problem found and corrected?

--

System OK

Go to Step 30

19

Inspect the secondary ignition wires for the following:

    • Open circuits
    • Shorted circuits
    • Poor connections

Was a problem found and corrected?

--

System OK

Go to Step 20

20

  1. Remove the distributor. Refer Distributor Removal.
  2. Inspect cap and rotor for cracks, carbon tracking and interference between the cap and rotor. Refer to Distributor cap, Cover, Rotor and Base Assembly

Was a problem found and corrected?

--

System OK

Go to Step 21

21

Replace distributor base assembly. Refer to Distributor cap, Cover, Rotor and Base Assembly.

Is the action complete?

--

System OK

--

22

Check the ignition feed circuit to the coil for the following:

    • Open fuse.
    • Poor connection at the coil.
    • Grounded circuit.

Did any of the above require a repair?

--

System OK

Go to Step 24

23

  1. Inspect the circuit that was less than 10.0 volts for an open or for a grounded circuit.
  2. If the circuit is open or grounded, repair it as necessary. Refer to Electrical Diagnosis 8A Cell 5.

Was an open or grounded circuit located?

--

System OK

Go to Step 24

24

Replace the ignition coil.

Is the action complete?

--

System OK

--

25

  1. Turn the ignition OFF.
  2. Disconnect the PCM electrical connector.
  3. Inspect the Ignition Control terminal for proper tension (At the PCM harness.)
  4. If a poor connection is found, replace faulty terminal. Refer to Electrical Diagnosis 8A Cell 5

Was a problem found and corrected?

--

System OK

Go to Step 26

26

  1. Inspect the ignition control circuit for an open.
  2. If the circuit is found to be open, repair it as necessary. Refer to Electrical Diagnosis 8A Cell 5.

Was a problem found and corrected?

--

System OK

Go to Step 30

27

  1. Inspect the distributor ignition feed circuit for an open.
  2. If the circuit is found to be open, repair it as necessary. Refer to Electrical Diagnosis 8A Cell 5.

Was a problem found and corrected?

--

System OK

Go to Step 30

28

  1. Inspect the distributor ground circuit for an open.
  2. If the circuit is found to be open, repair it as necessary. Refer to Electrical Diagnosis 8A Cell 5.

Was a problem found and corrected?

--

System OK

Go to Step 30

29

  1. Inspect the distributor low resolution circuit for an open or a grounded circuit.
  2. If the circuit is found to be open or grounded, repair it as necessary. Refer to Electrical Diagnosis 8A Cell 5.

Was a problem found and corrected?

--

System OK

Go to Step 30

30

Check for a poor connection at the PCM and replace terminal if necessary.

Was a problem found and corrected?

--

System OK

Go to Step 31

31

Important: Replacement PCM must be programmed. Refer to Powertrain Control Module Replacement/Programming .

Replace the PCM.

Is the action complete?

--

System OK

--