GM Service Manual Online
For 1990-2009 cars only
Figure 1:

Power, Ground, MIL and DLC


Object Number: 30180  Size: FS
Engine Controls Components
Powertrain Control Module (PCM)
Ignition System
OBD II Symbol Description Notice
Handling ESD Sensitive Parts Notice
Handling ESD Sensitive Parts Notice
Figure 2:

Ignition System


Object Number: 30200  Size: FS
Engine Controls Components
Distributor Ignition (DI) System
Fuel Pump
Power, Ground, MIL and DLC
OBD II Symbol Description Notice
Handling ESD Sensitive Parts Notice
Handling ESD Sensitive Parts Notice
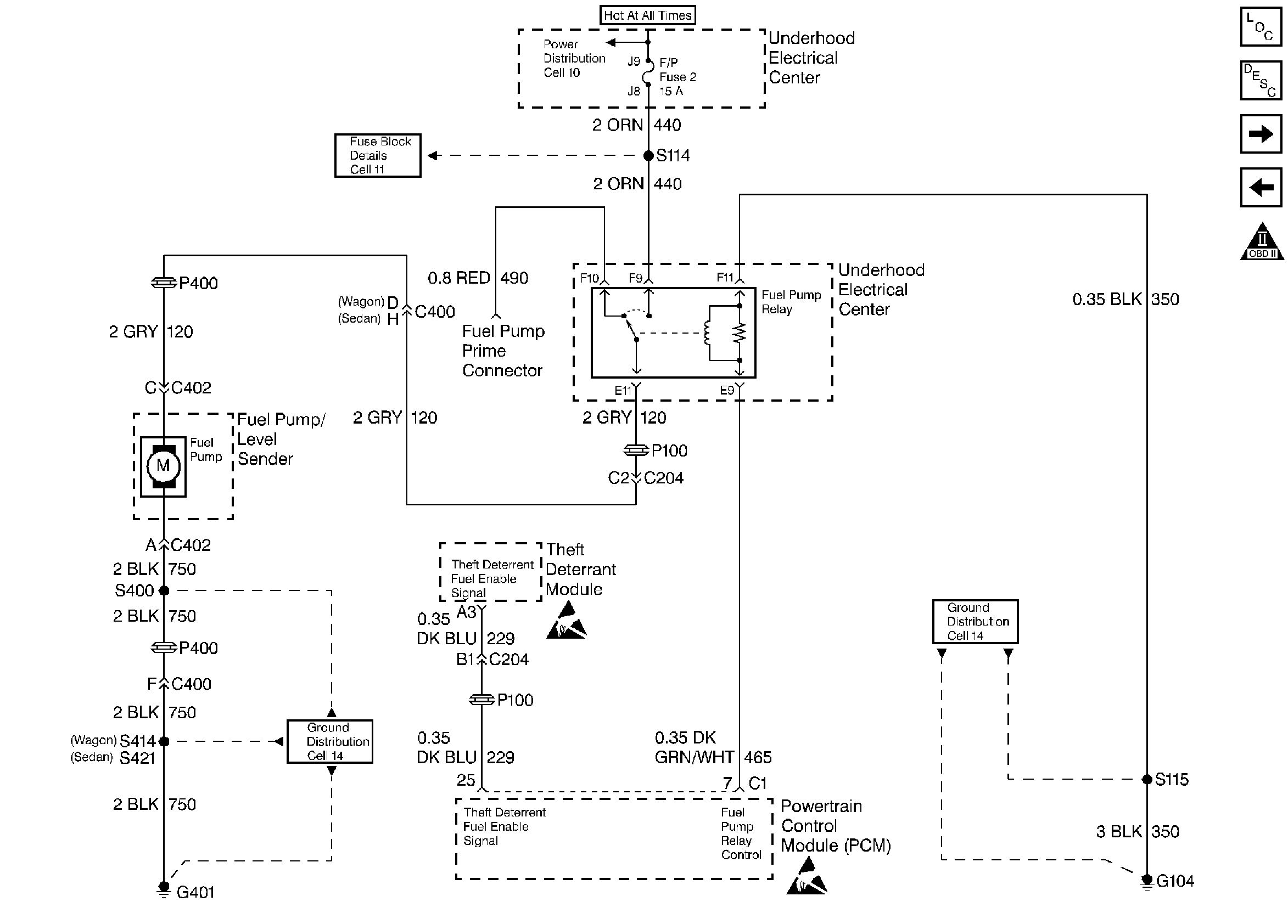
Figure 3:

Fuel Pump


Object Number: 30212  Size: FS
Engine Controls Components
Powertrain Control Module (PCM)
Injectors
Ignition System
OBD II Symbol Description Notice
Handling ESD Sensitive Parts Notice
Handling ESD Sensitive Parts Notice
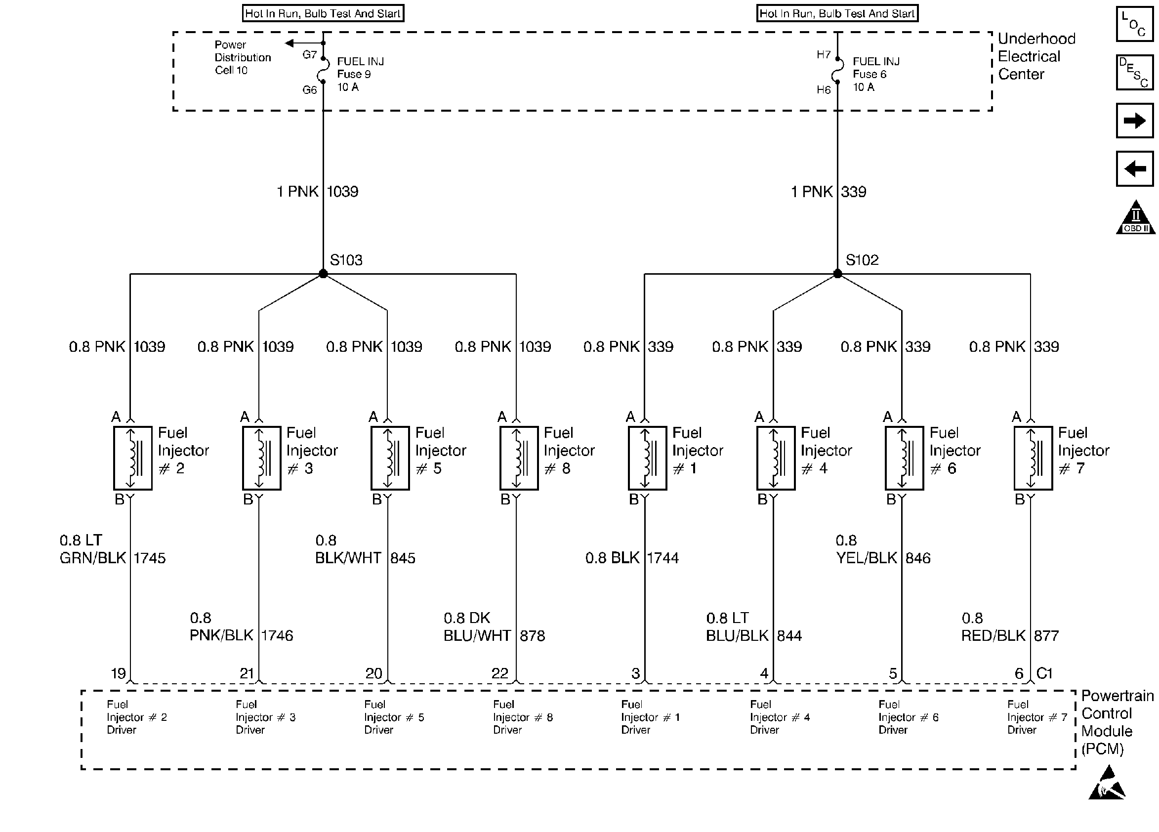
Figure 4:

Injectors


Object Number: 30218  Size: FS
Engine Controls Components
Powertrain Control Module (PCM)
Engine Data Sensors
Fuel Pump
OBD II Symbol Description Notice
Handling ESD Sensitive Parts Notice
Figure 5:

Engine Data Sensors


Object Number: 30400  Size: FS
Engine Controls Components
Information Sensors
Heated Oxygen Sensors
Injectors
OBD II Symbol Description Notice
Handling ESD Sensitive Parts Notice
Handling ESD Sensitive Parts Notice
Figure 6:

Heated Oxygen Sensors


Object Number: 30403  Size: FS
Engine Controls Components
Information Sensors
Engine Data Sensors and VSS Output
Engine Data Sensors
OBD II Symbol Description Notice
Handling ESD Sensitive Parts Notice
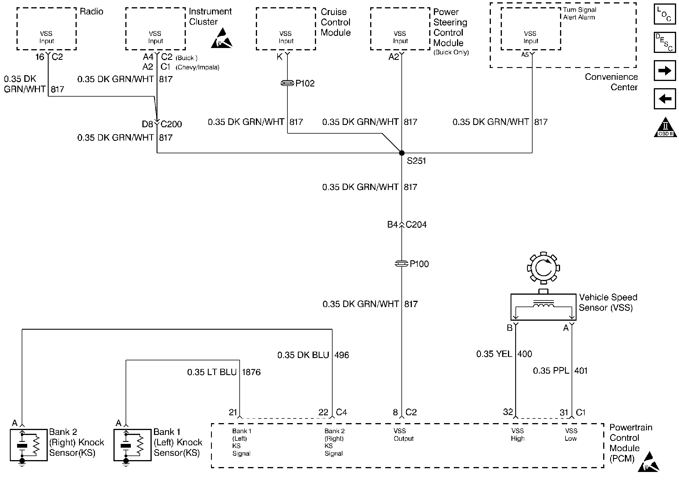
Figure 7:

Engine Data Sensors and VSS Output


Object Number: 30405  Size: FS
Engine Controls Components
Information Sensors
MAF, EVAP and EGR
Heated Oxygen Sensors
OBD II Symbol Description Notice
Handling ESD Sensitive Parts Notice
Handling ESD Sensitive Parts Notice
Figure 8:

MAF, EVAP and EGR


Object Number: 30408  Size: FS
Engine Controls Components
Powertrain Control Module (PCM)
AIR and IAC
Engine Data Sensors and VSS Output
OBD II Symbol Description Notice
Handling ESD Sensitive Parts Notice
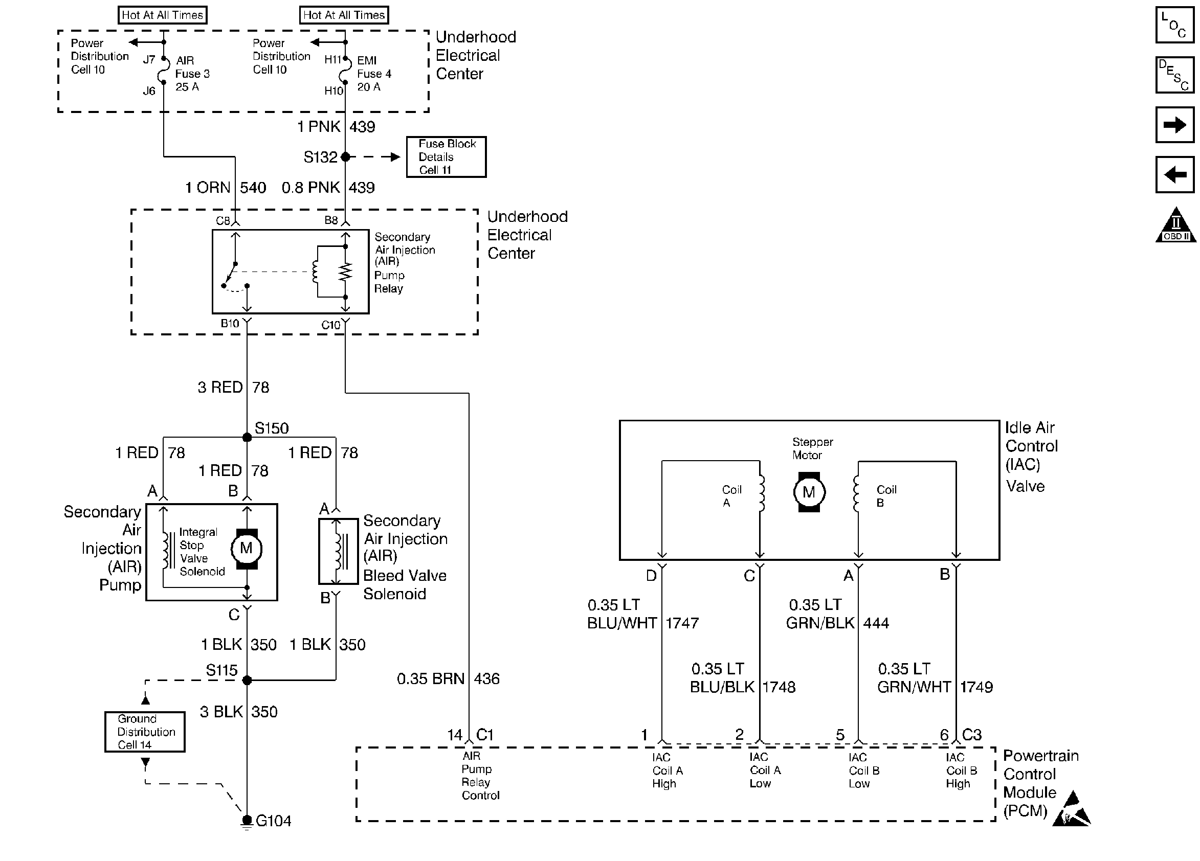
Figure 9:

AIR and IAC


Object Number: 30409  Size: FS
Engine Controls Components
Powertrain Control Module (PCM)
Change/Low Oil, PSP and PNP
MAF, EVAP and EGR
OBD II Symbol Description Notice
Handling ESD Sensitive Parts Notice
Figure 10:

Change/Low Oil, PSP and PNP


Object Number: 30412  Size: FS
Engine Controls Components
Powertrain Control Module (PCM)
Transmission Controls
AIR and IAC
OBD II Symbol Description Notice
Handling ESD Sensitive Parts Notice
Handling ESD Sensitive Parts Notice
Figure 11:

Transmission Controls


Object Number: 30417  Size: FS
Engine Controls Components
Powertrain Control Module (PCM)
Transmission Controls
Change/Low Oil, PSP and PNP
OBD II Symbol Description Notice
Handling ESD Sensitive Parts Notice
Figure 12:

Transmission Controls


Object Number: 30421  Size: FS
Engine Controls Components
Powertrain Control Module (PCM)
A/C Controls - C60
Transmission Controls
OBD II Symbol Description Notice
Handling ESD Sensitive Parts Notice
Handling ESD Sensitive Parts Notice
Figure 13:

A/C Controls - C60


Object Number: 30426  Size: FS
Engine Controls Components
Powertrain Control Module (PCM)
A/C Controls - C67 and C68
Transmission Controls
OBD II Symbol Description Notice
Handling ESD Sensitive Parts Notice
Figure 14:

A/C Controls - C67 and C68


Object Number: 30427  Size: FS
Engine Controls Components
Powertrain Control Module (PCM)
Engine Cooling Fan Control - w/o VO8
A/C Controls - C60
OBD II Symbol Description Notice
Handling ESD Sensitive Parts Notice
Figure 15:

Engine Cooling Fan Control - w/o VO8


Object Number: 30429  Size: FS
Engine Controls Components
Powertrain Control Module (PCM)
Engine Cooling Fan Control - VO8
A/C Controls - C67 and C68
OBD II Symbol Description Notice
Handling ESD Sensitive Parts Notice
Figure 16:

Engine Cooling Fan Control - VO8


Object Number: 30430  Size: FS
Engine Controls Components
Powertrain Control Module (PCM)
Engine Cooling Fan Control - w/o VO8
OBD II Symbol Description Notice
Handling ESD Sensitive Parts Notice