GM Service Manual Online
For 1990-2009 cars only

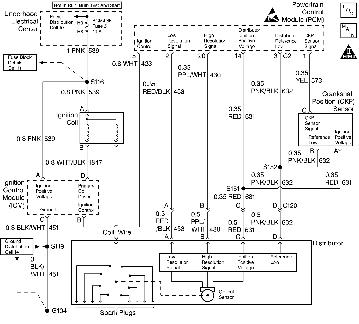
Object Number: 30389  Size: LF
Engine Controls Components
Ignition System
OBD II Symbol Description Notice
Handling ESD Sensitive Parts Notice

Circuit Description

The distributor ignition system supplies two timing inputs to the PCM, a high resolution signal (180 pulses per one crankshaft revolution) and a low resolution signal (4 pulses per one crankshaft revolution). The high resolution and low resolution circuits toggle between 0 and 5 volts as the camshaft turns. The PCM can determine if one of the timing inputs is not being received by comparing the two inputs.

The following malfunctions to the high resolution circuit will cause a DTC P0372 to set:

    • An open.
    • A short to voltage.
    • A short to ground.
    • A defective ignition module within the distributor.

Conditions for Setting the DTC

    • The PCM detects low resolution pulses but no high resolution pulses.

Action Taken When the DTC Sets

    • The PCM will illuminate the Malfunction Indicator Lamp (MIL) when the diagnostic runs and fails.
    • The PCM will record operating conditions at the time the diagnostic fails. This information will be stored in the Freeze Frame and/or Failure Records.
    • The injector will be disabled for the entire ignition cycle.

Conditions for Clearing the MIL/DTC

    • The PCM will turn the MIL OFF after three consecutive drive trips that the diagnostic runs and does not fail.
    • A last test failed (Current DTC) will clear when the diagnostic runs and does not fail.
    • A History DTC will clear after forty consecutive warm-up cycles, if no failures are reported by this or any other emission related diagnostic.
    • PCM battery voltage is interrupted.
    • Using a Scan tool.

Diagnostic Aids

    • If DTC P1351 and/or DTC P1361 is also set with a DTC P0372, and no external fault can be found, replace the PCM. If only DTC P0372 is set and the distributor connections are OK, replace the distributor.
    • If distributor components must be replaced, check distributor vent system operation.
    • For intermittents, refer to Symptoms .

Test Description

Number(s) below refer to step numbers on the diagnostic table.

  1. This verifies if the malfunction is present. The engine may experience a extremely long crank time if the high resolution circuit is open, shorted to B+, or shorted to ground.

  2. Using Freeze Frame Data may aid in locating an intermittent condition.

  3. Normal voltage may vary slightly from the specified value. A value that is significantly higher or lower indicates a problem. This step isolates the circuit between the PCM and the test connector.

  4. Normal voltage may vary slightly from the specified value. A value that is significantly higher or lower indicates a problem. This step isolates the circuit between the test connector and the distributor.

Step

Action

Value(s)

Yes

No

1

Was the Powertrain On-Board Diagnostic (OBD) System Check performed?

--

Go to Step 2

Go to Powertrain On Board Diagnostic (OBD) System Check

2

  1. Start the engine and allow it to reach normal operating temperature.
  2. Install scan tool
  3. Using a scan tool, monitor High Res Signal.

Does the scan tool indicate Inactive?

--

Go to Step 4

Go to Step 3

3

  1. Turn the ignition ON, engine OFF, review Freeze Frame and/or Failure Records data for this DTC and note parameters.
  2. Turn the ignition OFF for 15 seconds.
  3. Start the engine and operate the vehicle within the conditions required for this diagnostic to run, and as close to the conditions recorded in Freeze Frame/Failure Records as possible. Special operating conditions that need to be met before the PCM will run this diagnostic, where applicable, are listed in Conditions for Setting the DTC.
  4. Using the scan tool, select DTC, Specific, then enter the DTC number which was set.

Does the scan tool indicate that this diagnostic failed this ignition?

--

Go to Step 4

Go to Diagnostic Aids

4

  1. Turn the ignition OFF.
  2. Disconnect ignition system test connector.
  3. Turn the ignition ON, use a DVM (J 39200) on DC volts scale, measure voltage on terminal B at the PCM side of the ignition test connector.

Does the DVM indicate the voltage specified?

5 V

Go to Step 5

Go to Step 8

5

  1. Turn the ignition OFF.
  2. Reconnect ignition system test connector.
  3. Disconnect Distributor connector.
  4. Turn the ignition ON, use a DVM (J 39200) on DC volts scale, measure voltage on terminal B of Distributor electrical connector.

Does the DVM indicate voltage specified?

5 V

Go to Step 11

Go to Step 6

6

Is voltage higher than the specified value?

5 V

Go to Step 7

Go to Step 12

7

Repair the short to voltage on the High Resolution signal circuit from the PCM to the ignition system test connector.

Is the action complete?

--

Go to Step 14

--

8

Is voltage higher than the specified value?

5V

Go to Step 10

Go to Step 9

9

Repair the open or grounded High Resolution circuit from the ignition system test connector to the PCM.

Was the condition found and repaired?

--

Go to Step 14

Go to Step 13

10

Repair the short to voltage on High resolution signal circuit from ignition system test connector to Distributor.

Is the action complete?

--

Go to Step 14

--

11

Repair the faulty Distributor connection or faulty Distributor.

Is the action complete?

--

Go to Step 14

--

12

Repair the open or grounded High Resolution circuit from the ignition system test connector to the Distributor.

Was the condition found and repaired?

--

Go to Step 14

Go to Step 13

13

Important:: Replacement PCM must be programmed. Refer to Powertrain Control Module Replacement/Programming .

Replace the PCM.

Is the action complete?

--

Go to Step 14

--

14

  1. Using the scan tool, select DTC, Clear Info.
  2. Start the engine and idle at normal operating temperature.
  3. Select DTC, Specific, then enter the DTC number which was set.
  4. Operate the vehicle within the conditions for setting this DTC as specified in the supporting text, if applicable.

Does the scan tool indicate that this test ran and passed?

--

Go to Step 15

Go to Step 2

15

Using the scan tool, select Capture Info, Review Info.

Are any DTCs displayed that have not been diagnosed?

--

Go to the applicable DTC table

System OK