GM Service Manual Online
For 1990-2009 cars only

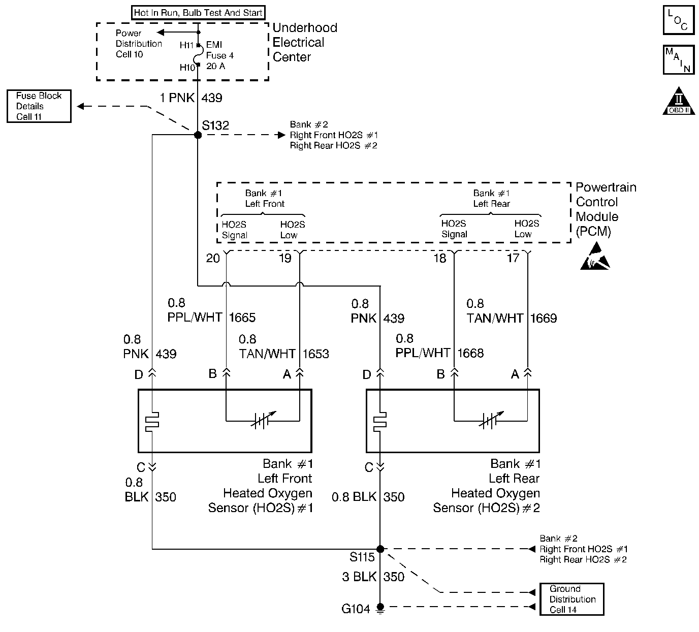
Object Number: 30395  Size: LF
Engine Controls Components
Heated Oxygen Sensors
OBD II Symbol Description Notice
Handling ESD Sensitive Parts Notice

Circuit Description

The PCM supplies a voltage of about 450 mV between the HO2S high and low signal circuits. The oxygen sensor varies the voltage over a range from about 1000 mV when the exhaust is rich, down through about 10 mV when exhaust is lean.

The PCM monitors and stores the heated oxygen sensor (HO2S) voltage information. The PCM evaluates the HO2S voltage samples to determine the amount of time the HO2S voltage was out of range. The PCM will compare the stored HO2S voltage samples taken within each sample period and determine if majority of the samples are out of the operating range.

The PCM monitors the HO2S voltage and detects if the voltage goes out of the bias range. If the PCM does not detect the voltage went out of the bias range, a DTC will set.

Conditions for Setting the DTC

    • DTCs P0100, P0102, P0103, P0107, P0108, P0112, P0113, P0117, P0118, P0122, P0123, P0125, P0200, P0372, P1371 not set.
    • Engine operating longer than 68 seconds.
    • Engine coolant temperature greater than 48°C (118°F).
    • HO2S signal voltage steady between 352 mV and 552 mV for 45 seconds.

Action Taken When the DTC Sets

    • The PCM will illuminate the Malfunction Indicator Lamp (MIL) when the diagnostic runs and fails.
    • Open loop fueling.
    • The PCM will record operating conditions at the time the diagnostic fails. This information will be stored in the Freeze Frame and/or Failure Records.

Conditions for Clearing the MIL/DTC

    • The PCM will turn the MIL OFF after three consecutive drive trips that the diagnostic runs and does not fail.
    • A last test failed (Current DTC) will clear when the ignition is cycled and the diagnostic runs and does not fail.
    • A History DTC will clear after forty consecutive warm-up cycles, if no failures are reported by this or any other emission related diagnostic.
    • PCM battery voltage is interrupted.
    • Using a Scan tool.

Diagnostic Aids

    • An oxygen supply inside the HO2S is necessary for proper operation. This supply of oxygen is provided through the HO2S wires. All HO2S wires and connections should be inspected for breaks or contamination. Refer to Repair Procedures in Electrical Diagnosis (8A Cell 5).
    • For intermittents, refer to Symptoms .

Test Description

Number(s) below refer to step numbers on the diagnostic table.

  1. Engine must be at normal operating temperature before performing this test. For any test that requires probing the PCM or a component harness connector, must use the Connector Test Adapter Kit J 35616-A. Using this kit will prevent damage to the harness connector terminals.

  2. Using Freeze Frame and/or Failure Records data may aid in locating an intermittent condition. If the DTC cannot be duplicated, the information included in the Freeze Frame and/or Failure Records data can be useful in determining how many miles since the DTC set. The Fail Counter and Pass Counter can also be used to determine how many ignition cycles the diagnostic reported a pass and/or a fail. Operate vehicle within the same freeze frame conditions (RPM, load, vehicle speed, temperature etc.) that were noted. This will isolate when the DTC failed. Refer to Symptoms .

  3. If the scan tool indicates the HO2S voltage goes below 200 mV, indicates the HO2S circuits and PCM are OK.

  4. Checks whether the signal circuit from the PCM is OK.

  5. Disconnecting the PCM will allow using the DVM (J 39200) to check continuity of the circuits. This will aid in locating an open or shorted circuit.

  6. Disconnecting the PCM will allow using the DVM (J 39200) to check continuity of the circuits. This will aid in locating an open or shorted circuit.

Step

Action

Value(s)

Yes

No

1

Was the Powertrain On-Board Diagnostic (OBD) System Check performed?

--

Go to Step 2

Go to Powertrain On Board Diagnostic (OBD) System Check

2

Important: Before proceeding with this DTC, check the HO2S for being secure. A sensor that is loose could cause this DTC to set.

  1. Install the scan tool.
  2. Start and idle the engine until normal operating temperature is reached.
  3. Raise the engine above 1200 RPM for two minutes.
  4. Using a scan tool, monitor the HO2S voltage display on the Engine 1 Data List.

Does the scan tool indicate Bank 1 HO2S 1 voltage varying outside the specified values?

352-552 mV

Go to Step 3

Go to Step 4

3

  1. Turn the ignition ON, engine OFF, review Freeze Frame and/or Failure Records data for this DTC and note parameters.
  2. Turn the ignition OFF for 15 seconds.
  3. Start the engine and operate the vehicle within the conditions required for this diagnostic to run, and as close to the conditions recorded in Freeze Frame/Failure Records as possible. Special operating conditions that need to be met before the PCM will run this diagnostic, where applicable, are listed in Conditions for Setting the DTC.
  4. Using the scan tool, select DTC, Specific, then enter the DTC number which was set.

Does the scan tool indicate that this diagnostic failed this ignition?

--

Go to Step 4

Go to Diagnostic Aids

4

  1. Turn the ignition ON, Engine OFF.
  2. Disconnect Bank 1 HO2S 1 and jumper HO2S high and low (PCM side) signal circuits to ground.
  3. Using the scan tool, monitor Bank 1 HO2S 1 voltage.

Is the Bank 1 HO2S 1 voltage below the specified value?

200 mV

Go to Step 8

Go to Step 5

5

  1. Remove the jumper wire.
  2. Using a DVM (J 39200), measure the voltage between the Bank 1 HO2S 1 high signal circuit (PCM side) and the Bank 1 HO2S 1 heater ground circuit.

Does the Bank 1 HO2S 1 voltage measure above the specified value?

375 mV

Go to Step 6

Go to Step 7

6

  1. Turn the ignition OFF.
  2. Disconnect the PCM and check continuity of the Bank 1 HO2S 1 low circuit.
  3. If the Bank 1 HO2S 1 low circuit measures over the specified value, repair open or poor connection as necessary. Refer to Repair Procedures in Electrical Diagnosis (8A Cell 5).

Was a Bank 1 HO2S 1 low circuit problem found and corrected?

2 ohms

Go to Step 13

Go to Step 9

7

  1. Turn the ignition OFF.
  2. Disconnect the PCM and check continuity of the Bank 1 HO2S 1 signal circuit.
  3. If the Bank 1 HO2S 1 signal circuit measures over the specified value, repair open or poor connection as necessary. Refer to Repair Procedures in Electrical Diagnosis (8A Cell 5).

Was a Bank 1 HO2S 1 signal circuit problem found and corrected?

2 ohms

Go to Step 13

Go to Step 10

8

Check for a poor Bank 1 HO2S 1 signal or low circuit terminal connection at the Bank 1 HO2S 1 harness connector and replace terminal(s) if necessary. Refer to Repair Procedures in Electrical Diagnosis (8A Cell 5).

Did any terminals require replacement?

--

Go to Step 13

Go to Step 11

9

Check for poor Bank 1 HO2S 1 low circuit terminal connection at the PCM and replace terminal if necessary. Refer to Repair Procedures in Electrical Diagnosis (8A Cell 5).

Did the terminal require replacement?

--

Go to Step 13

Go to Step 12

10

Check for poor Bank 1 HO2S 1 signal circuit terminal connection at the PCM and replace terminal if necessary. Refer to Repair Procedures in Electrical Diagnosis (8A Cell 5).

Did the terminal require replacement?

--

Go to Step 13

Go to Step 12

11

Replace Bank 1 HO2S 1. Refer to Heated Oxygen Sensor Replacement .

Is the action completed?

--

Go to Step 13

--

12

Important:: Replacement PCM must be programmed. Refer to Powertrain Control Module Replacement/Programming .

Replace the PCM.

Is the action complete?

--

Go to Step 13

--

13

  1. Using the scan tool, select DTC, Clear Info.
  2. Start the engine and idle at normal operating temperature.
  3. Select DTC, Specific, then enter the DTC number which was set.
  4. Operate the vehicle within the conditions for setting this DTC as specified in the supporting text, if applicable.

Does the scan tool indicate that this test ran and passed?

--

Go to Step 14

Go to Step 2

14

Using the scan tool, select Capture Info, Review Info.

Are any DTCs displayed that have not been diagnosed?

--

Go to the applicable DTC table

System OK