GM Service Manual Online
For 1990-2009 cars only

Crankshaft Rear Oil Seal and Housing Installation Procedure (Export Only)

Subject:Crankshaft Rear Oil Seal and Housing Installation Procedure

Models:2005-2006 Chevrolet Caprice, Lumina (Export Only)
with LE07 and LY7 V6 Engine



For the above models, the procedure shown in SIP (version 9.1) for installation of the crankshaft rear oil seal and housing has been superceded by the following procedure which is copied from ESI on GM Global Connect.

Failure to use this procedure and the special tools may result in damage to the rear main seal with subsequent leakage.

Tools Required

    • EN 46109 Guide Pin Set
    • EN 47839 Crankshaft Rear Oil Seal Installation Tool
    • J 42183 Handle

Crankshaft Rear Oil Seal and Housing Installation Procedure


    Object Number: 2053722  Size: SH
  1. Install the 6mm (0.236 in) guide from the EN 46109 (1) into the two crankshaft rear oil seal housing corner bolt holes of the cylinder block (2).

  2. Object Number: 2053723  Size: SH
  3. Install the handle J 42183 (1) with the installation tool EN 47839 onto the rear of the crankshaft flange.

  4. Object Number: 2053724  Size: SH
  5. Place a 3mm (0.118 in) bead of RTV sealant (1) to the NEW crankshaft rear oil seal housing as shown.

  6. Object Number: 2053726  Size: SH

    Important: DO NOT allow any engine oil on the area where the crankshaft rear oil seal housing is to be installed.

  7. Install the crankshaft rear oil seal housing (1) to the cylinder block (2).
  8. Note: the drawing above does not show the installation of tool EN 47839 or the guide pins. It is for illustrative purposes only.


    Object Number: 2053729  Size: SH
  9. Remove the EN 46109 6 mm (0.236 in) guides (1) from the cylinder block.
  10. Note: the drawing above does not show the installation of tool EN 47839 or the oil seal housing. It is for illustrative purposes only.


    Object Number: 2053731  Size: SH

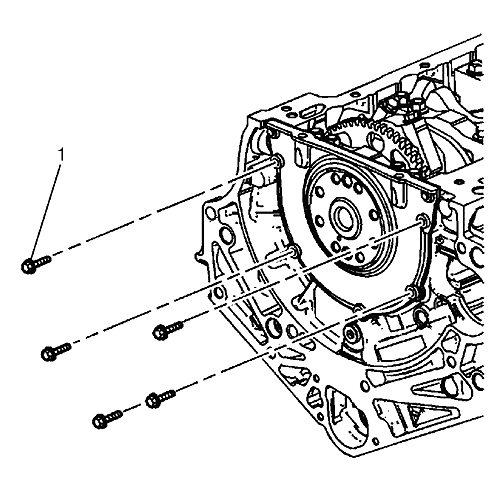
    Notice: Refer to Fastener Notice in the Preface section.

  11. Install the crankshaft rear oil seal housing to cylinder block retaining bolts (1).
  12. Note: the drawing above does not show the installation of tool EN 47839. It is for illustrative purposes only.

    Tighten
    Tighten the bolts to 10 N·m (89 lb in).


    Object Number: 2053734  Size: SH
  13. Remove the J 42183 (1) and EN 47839 (2) from the crankshaft flange.