GM Service Manual Online
For 1990-2009 cars only
Makes
🢒
Chevrolet
🢒
2008
🢒
Captiva
🢒
Diagnostic Navigation
🢒
Vehicle Diagnostic Information
🢒 SIR Schematics
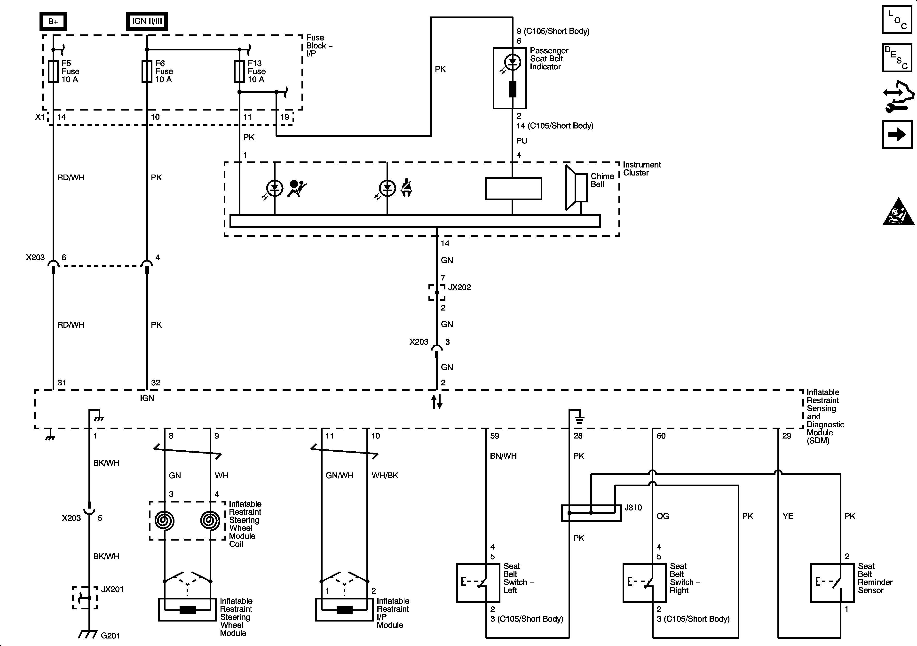
Figure
1:
SDM Power, Ground, Indicators, Seatbelt Switches, Inflator Modules
Master Electrical Component List
SIR System Description and Operation
Control Module References
Seatbelt Pretensioners, Inflator Modules, Sensors
F3, 5, 28, 32, 34 Fuses
EF7, F6, 8, 9, 13, 17, 20, 25, 27, 29 Fuses, Run/Crank, Rear Fog Lamps, Outside Rearview Mirror, liftgate Glass Relays
EF7, F6, 8, 9, 13, 17, 20, 25, 27, 29 Fuses, Run/Crank, Rear Fog Lamps, Outside Rearview Mirror, liftgate Glass Relays
G201 (1 of 2)
Figure
2:
Seatbelt Pretensioners, Inflator Modules, Sensors
Master Electrical Component List
SIR System Description and Operation
Control Module References
SDM Power, Ground, Indicators, Seatbelt Switches, Inflator Modules, Sensors