GM Service Manual Online
For 1990-2009 cars only
Makes
🢒
Chevrolet
🢒
2008
🢒
Captiva
🢒
Seats
🢒
Seat Heating and Cooling
🢒 Heated/Cooled Seat Schematics
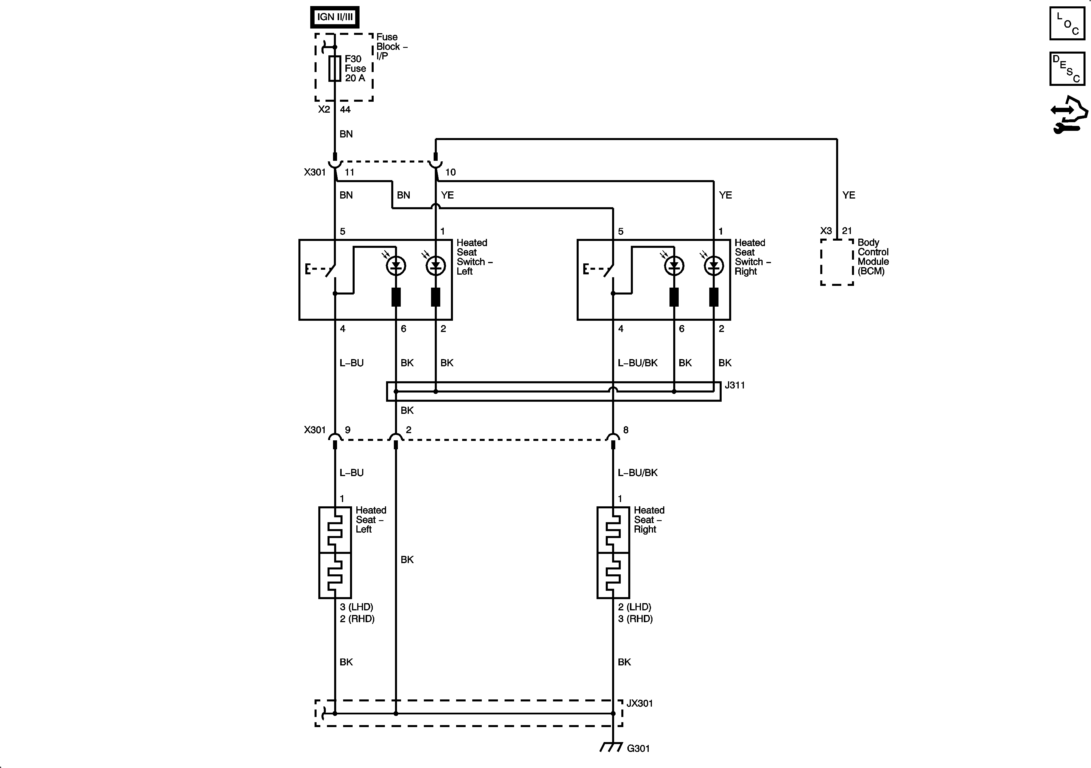
Heated/Cooled Seat Schematics C100/Long Body
Master Electrical Component List
Control Module References
EF3, F1, 2, 10, 15, 18, 33, 37, 39 Fuses, Run, ACC/RAP Relays
G301 (1 of 3)
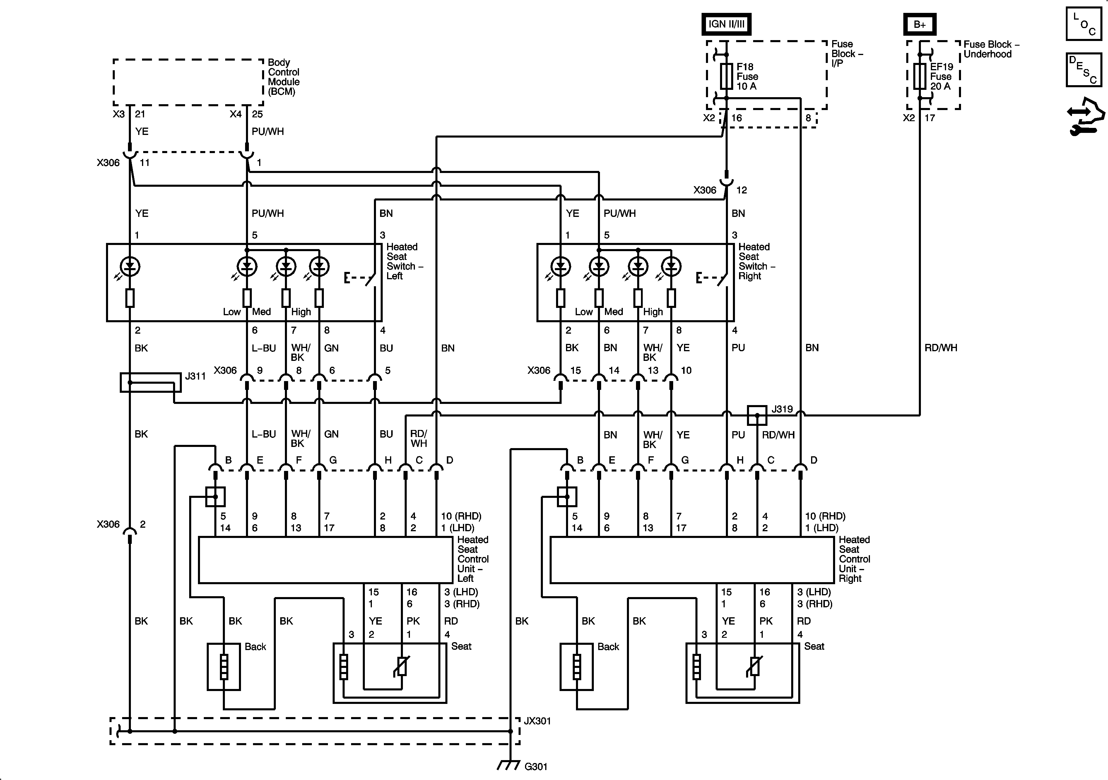
Heated/Cooled Seat Schematics C105/Short Body
Master Electrical Component List
Control Module References
EF3, F1, 2, 10, 15, 18, 33, 37, 39 Fuses, Run, ACC/RAP Relays
EF1, 4, 16, 18, 19, 20, 23 Fuses
G301 (1 of 3)