GM Service Manual Online
For 1990-2009 cars only
Makes
🢒
Chevrolet
🢒
2008
🢒
Captiva
🢒 Horn Schematics
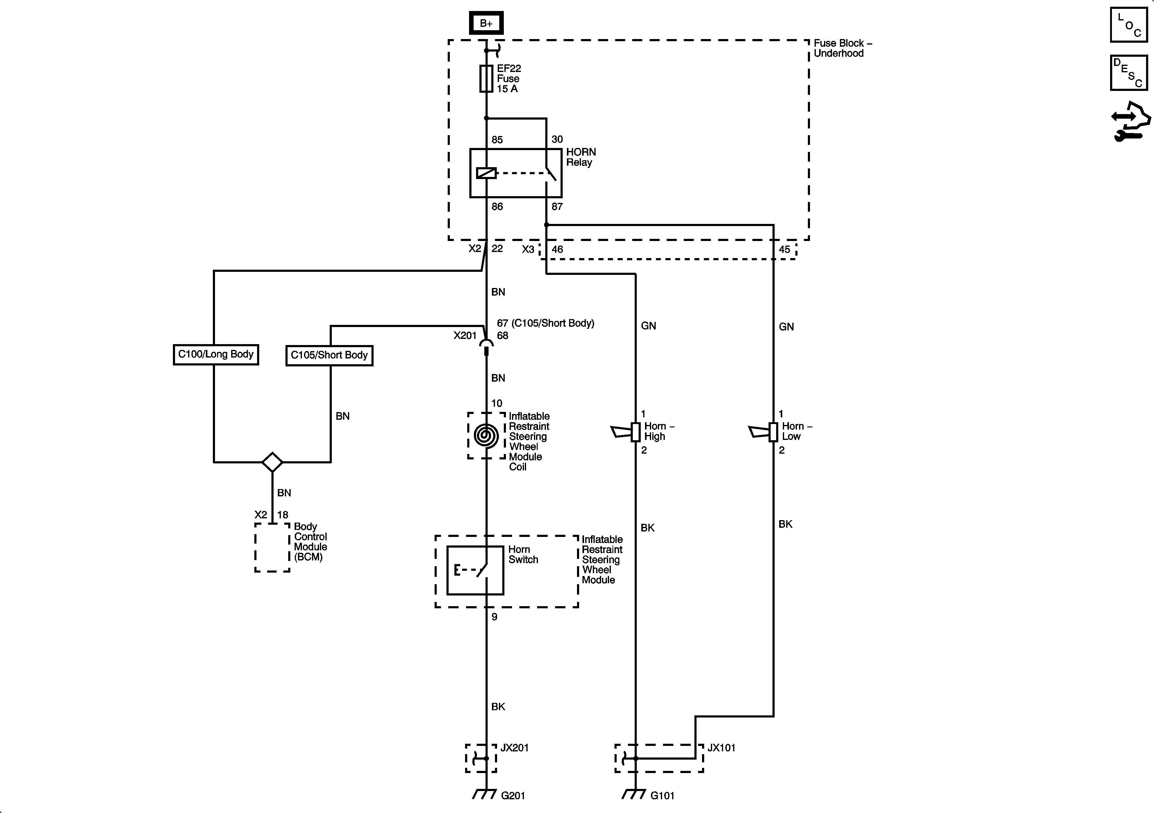
Horn Schematics
Master Electrical Component List
Horns System Description and Operation
Control Module References
EF22, 33, 34, Fuses, Horn, Headlamp Washer, Wipers Relays
G201 (1 of 2)
G101, G103, G105