GM Service Manual Online
For 1990-2009 cars only
Makes
🢒
Chevrolet
🢒
2009
🢒
Captiva Sport
🢒
Engine
🢒
Cruise Control
🢒 Cruise Control Schematics
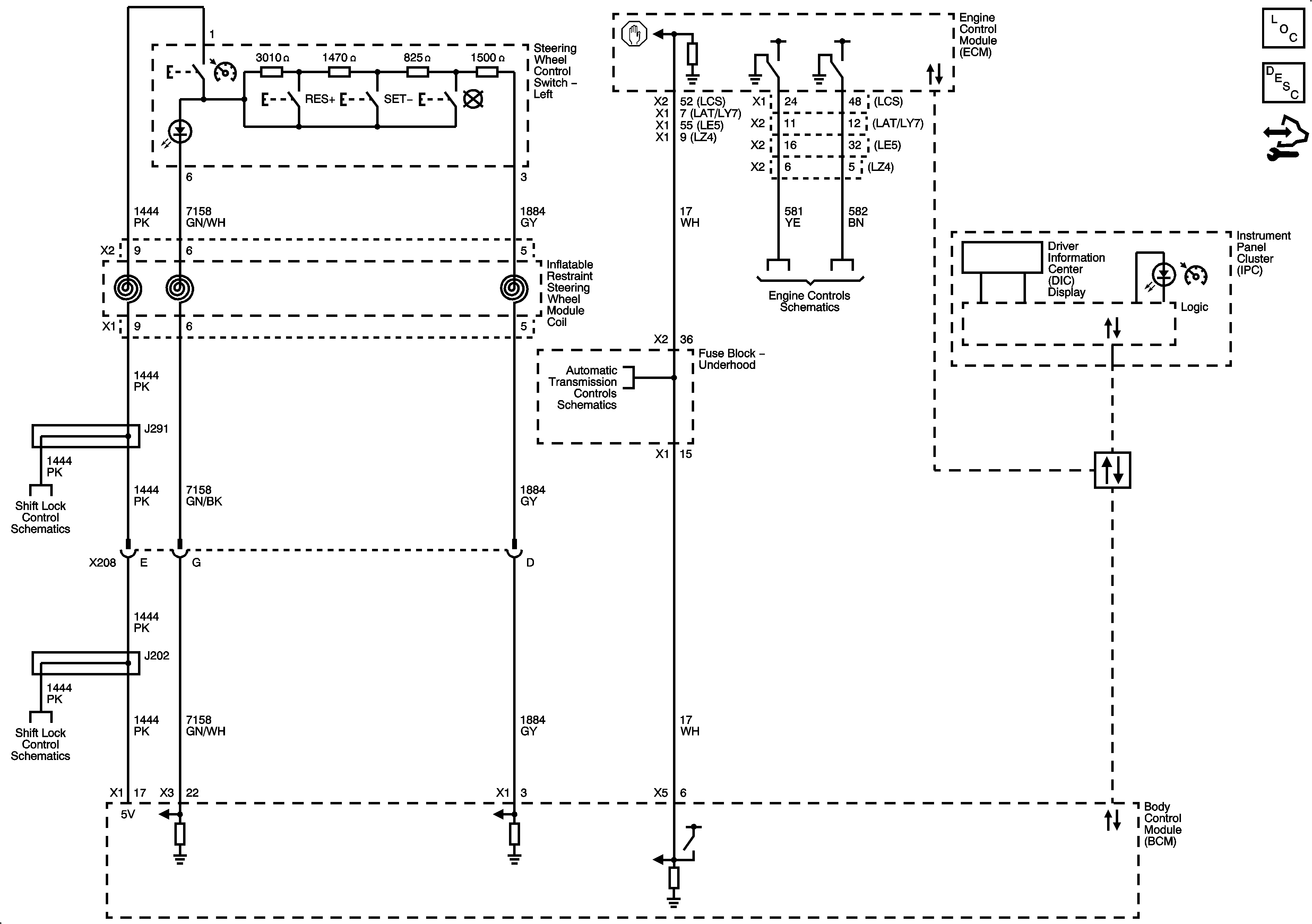
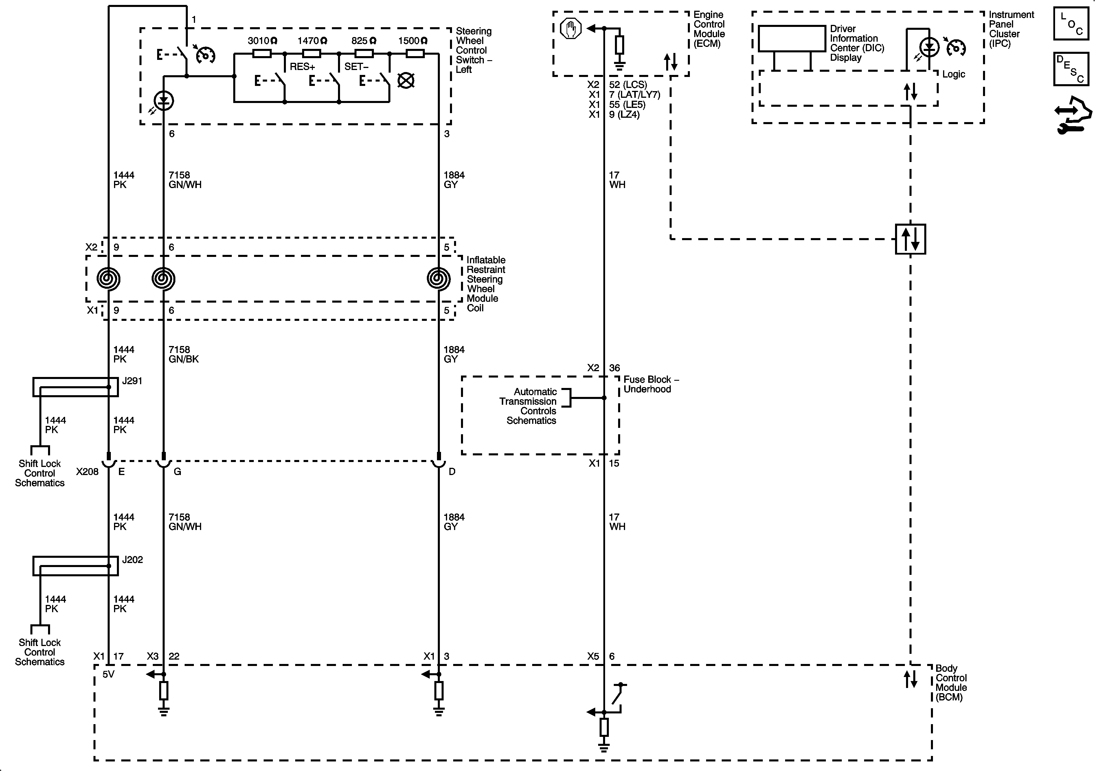
Cruise Control Schematics
Master Electrical Component List
Cruise Control Description and Operation
Control Module References
Cruise Control Schematics