GM Service Manual Online
For 1990-2009 cars only

Removal Procedure


    Object Number: 1887028  Size: SH
  1. Open the rear compartment floor stowage compartment cover.
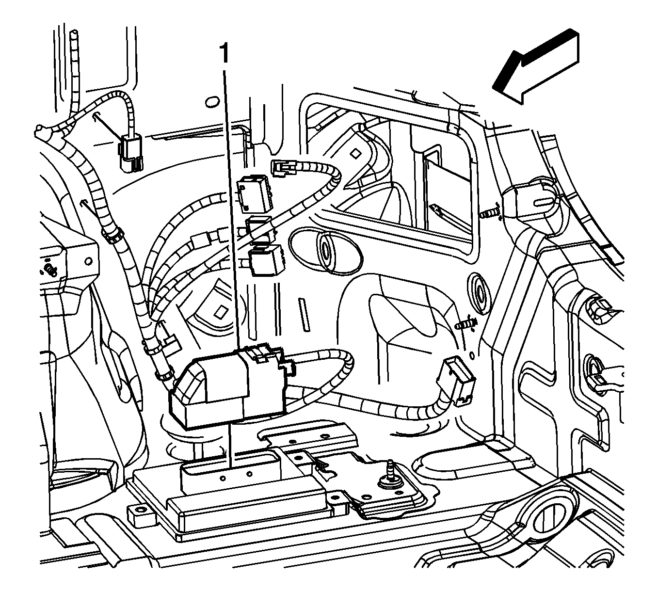
  2. Remove the spare tire spacer (1).
  3. Remove the rear compartment floor stowage compartment. Refer to Rear Compartment Floor Stowage Compartment Replacement .

  4. Object Number: 1884959  Size: SH
  5. Disconnect the body wiring harness electrical connector (1) from the fuel pump flow control module.

  6. Object Number: 1884960  Size: SH
  7. Remove the fuel pump flow control module bolts (1).
  8. Slide the fuel pump flow control module towards the driver side of the vehicle.
  9. Remove the fuel pump flow control module (2) from the vehicle.

Installation Procedure


    Object Number: 1884960  Size: SH
  1. Install the fuel pump flow control module (2) to the vehicle.
  2. Slide the fuel pump flow control module towards the passenger side of the vehicle.
  3. Notice: Refer to Fastener Notice in the Preface section.

  4. Install the fuel pump flow control module bolts (1).
  5. Tighten
    Tighten the bolts to 10 N·m (89 lb in).


    Object Number: 1884959  Size: SH
  6. Connect the body wiring harness electrical connector (1) to the fuel pump flow control module.

  7. Object Number: 1887028  Size: SH
  8. Install the rear compartment floor stowage compartment. Refer to Rear Compartment Floor Stowage Compartment Replacement .
  9. Install the spare tire spacer (1).
  10. Close the rear compartment floor stowage compartment cover.
  11. Program the fuel pump flow control module. Refer to Control Module References .

Removal Procedure


    Object Number: 1887028  Size: SH
  1. Open the rear compartment floor stowage compartment cover.
  2. Remove the spare tire spacer (1).
  3. Remove the rear compartment floor stowage compartment. Refer to Rear Compartment Floor Stowage Compartment Replacement.

  4. Object Number: 1884959  Size: SH
  5. Disconnect the body wiring harness electrical connector (1) from the fuel pump flow control module.

  6. Object Number: 1884960  Size: SH
  7. Remove the fuel pump flow control module bolts (1).
  8. Slide the fuel pump flow control module towards the driver side of the vehicle.
  9. Remove the fuel pump flow control module (2) from the vehicle.

Installation Procedure


    Object Number: 1884960  Size: SH
  1. Install the fuel pump flow control module (2) to the vehicle.
  2. Slide the fuel pump flow control module towards the passenger side of the vehicle.
  3. Caution: Refer to Fastener Caution in the Preface section.

  4. Install the fuel pump flow control module bolts (1).
  5. Tighten
    Tighten the bolts to 10 N·m (89 lb in).


    Object Number: 1884959  Size: SH
  6. Connect the body wiring harness electrical connector (1) to the fuel pump flow control module.

  7. Object Number: 1887028  Size: SH
  8. Install the rear compartment floor stowage compartment. Refer to Rear Compartment Floor Stowage Compartment Replacement.
  9. Install the spare tire spacer (1).
  10. Close the rear compartment floor stowage compartment cover.
  11. Program the fuel pump flow control module. Refer to Control Module References.