GM Service Manual Online
For 1990-2009 cars only
Figure 1:

Module Power, Ground, Serial Data and MIL


Object Number: 1878695  Size: FS
Master Electrical Component List
Engine Control Module Description
Control Module References
5 Volt 1 and Low Reference
Figure 2:

5 Volt 1 and Low Reference


Object Number: 1878696  Size: FS
Master Electrical Component List
Engine Control Module Description
Control Module References
5 Volt 2 and Low Reference
Module Power, Ground, Serial Data and MIL
Figure 3:

5 Volt 2 and Low Reference


Object Number: 1878698  Size: FS
Master Electrical Component List
Engine Control Module Description
Control Module References
Engine Data Sensors - Pressure and Temperature
5 Volt 1 and Low Reference
Figure 4:

Engine Data Sensors - Pressure and Temperature


Object Number: 1878699  Size: FS
Master Electrical Component List
Control Module References
Heated Oxygen Sensors (HO2S)
5 Volt 2 and Low Reference
Figure 5:

Engine Data Sensors - Heated Oxygen Sensors (HO2S)


Object Number: 1878701  Size: FS
Master Electrical Component List
Control Module References
Engine Data Sensors - Throttle Controls
Engine Data Sensors - Pressure and Temperature
Figure 6:

Engine Data Sensors - Throttle Controls


Object Number: 1878702  Size: FS
Master Electrical Component List
Throttle Actuator Control (TAC) System Description
Control Module References
Ignition Controls - Ignition System Coils - Bank 1
Heated Oxygen Sensors (HO2S)
Figure 7:

Ignition Controls - Ignition System Coils Bank 1


Object Number: 1878703  Size: FS
Master Electrical Component List
Electronic Ignition (EI) System Description
Control Module References
Ignition Controls - Ignition System Coils - Bank 2
Engine Data Sensors - Throttle Controls
Figure 8:

Ignition Controls - Ignition System Coils Bank 2


Object Number: 1878704  Size: FS
Master Electrical Component List
Electronic Ignition (EI) System Description
Control Module References
Ignition Controls - Sensors - 1 of 2
Ignition Controls - Ignition System Coils - Bank 1
Figure 9:

Ignition Controls -Sensors 1 of 2


Object Number: 1878705  Size: FS
Master Electrical Component List
Electronic Ignition (EI) System Description
Control Module References
Ignition Controls - Sensors - 2 of 2
Ignition Controls - Ignition System Coils - Bank 2
Figure 10:

Ignition Controls -Sensors 2 of 2


Object Number: 1878706  Size: FS
Master Electrical Component List
Electronic Ignition (EI) System Description
Control Module References
Fuel Controls - Fuel Injectors
Ignition Controls - Sensors - 1 of 2
Figure 11:

Fuel Controls - Fuel Injectors


Object Number: 1878707  Size: FS
Master Electrical Component List
Fuel System Description
Control Module References
Fuel Controls - Fuel Pump Controls
Ignition Controls - Sensors - 2 of 2
Figure 12:

Fuel Controls - Fuel Pump Controls


Object Number: 1878708  Size: FS
Master Electrical Component List
Fuel System Description
Control Module References
Fuel Controls - EVAP Controls
Fuel Controls - Fuel Injectors
Figure 13:

Fuel Controls - EVAP Controls


Object Number: 1878709  Size: FS
Master Electrical Component List
Evaporative Emission Control System Description
Control Module References
Controlled/Monitored Subsystem References
Fuel Controls - Fuel Pump Controls
Figure 14:

Controlled/Monitored Subsystem References


Object Number: 1878710  Size: FS
Master Electrical Component List
Engine Control Module Description
Control Module References
Fuel Controls - EVAP Controls
Figure 1:

Module Power, Ground, Serial Data and MIL (LY7)


Object Number: 2079745  Size: FS
Figure 2:

Engine Data Sensors - 5-Volt 1 and Low Reference (LY7)


Object Number: 2079747  Size: FS
Module Power, Ground, Serial Data and MIL
Figure 3:

Engine Data Sensors - 5-Volt 2 and Low Reference (LY7)


Object Number: 2079749  Size: FS
Figure 4:

Engine Data Sensors - Pressure, Temperature (LY7)


Object Number: 2079756  Size: FS
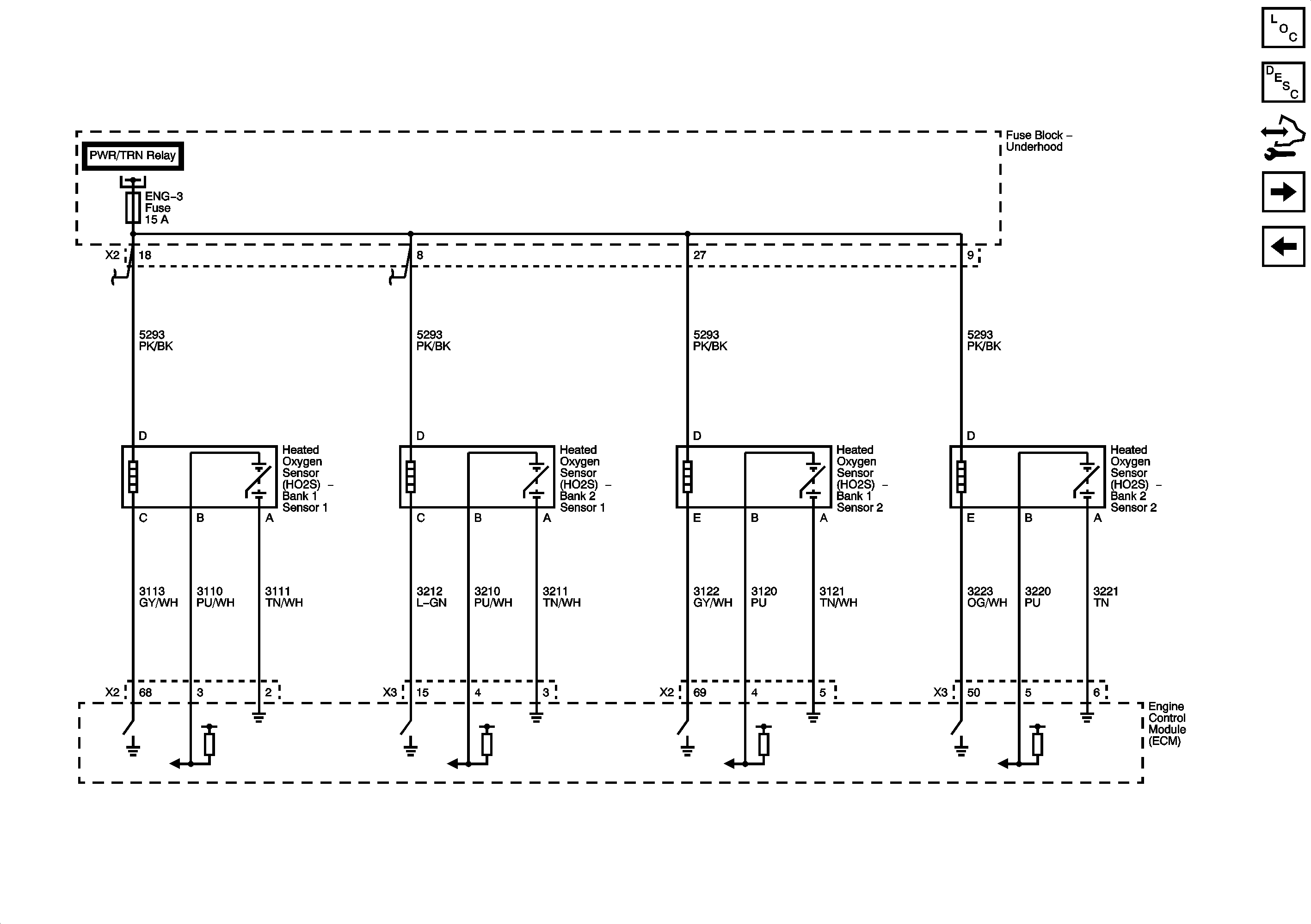
Figure 5:

Engine Data Sensors - Heated Oxygen Sensors (HO2S) (LY7)


Object Number: 2079762  Size: FS
Figure 6:

Engine Data Sensors - Accelerator Pedal Position (APP) and Throttle Controls (LY7)


Object Number: 2079766  Size: FS
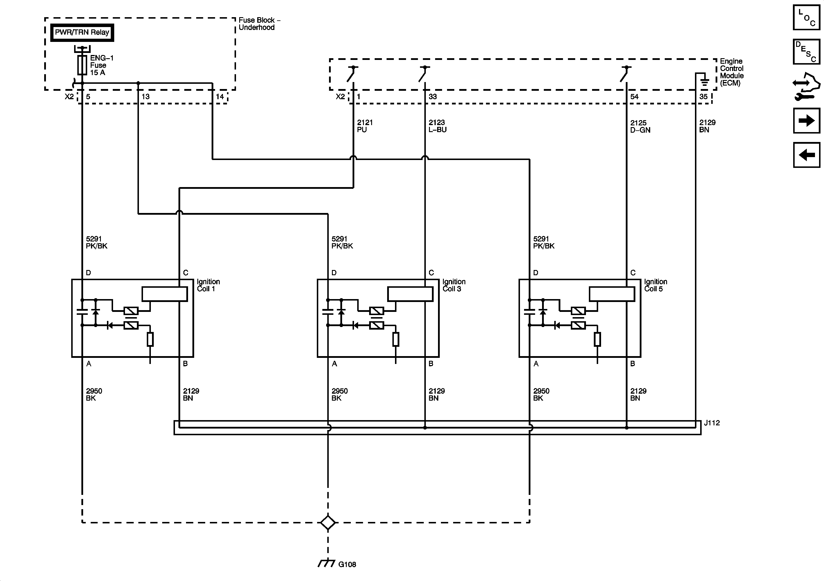
Figure 7:

Ignition Controls - Ignition System Coils Bank 1 (LY7)


Object Number: 2079770  Size: FS
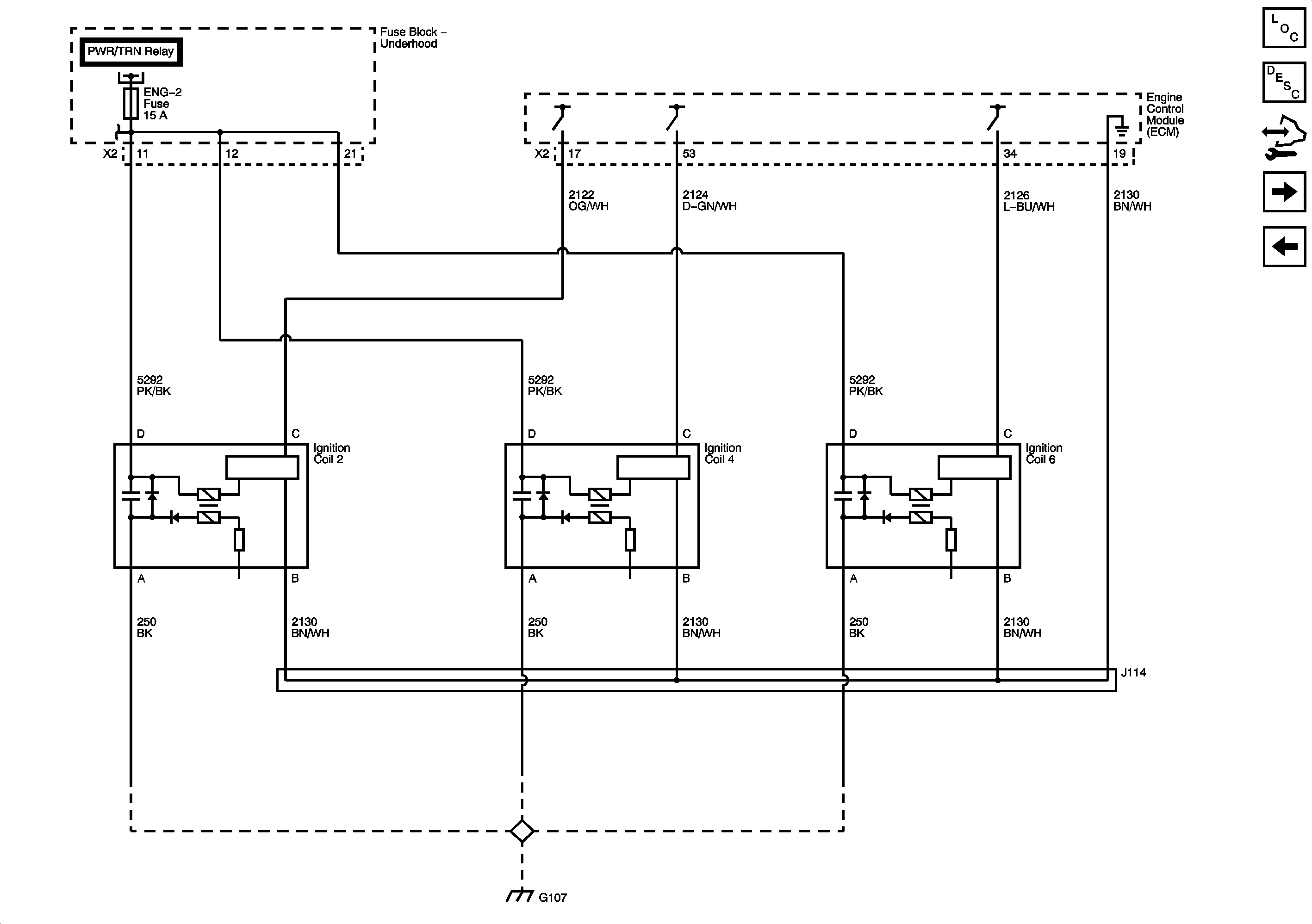
Figure 8:

Ignition Controls - Ignition System Coils Bank 2 (LY7)


Object Number: 2079773  Size: FS
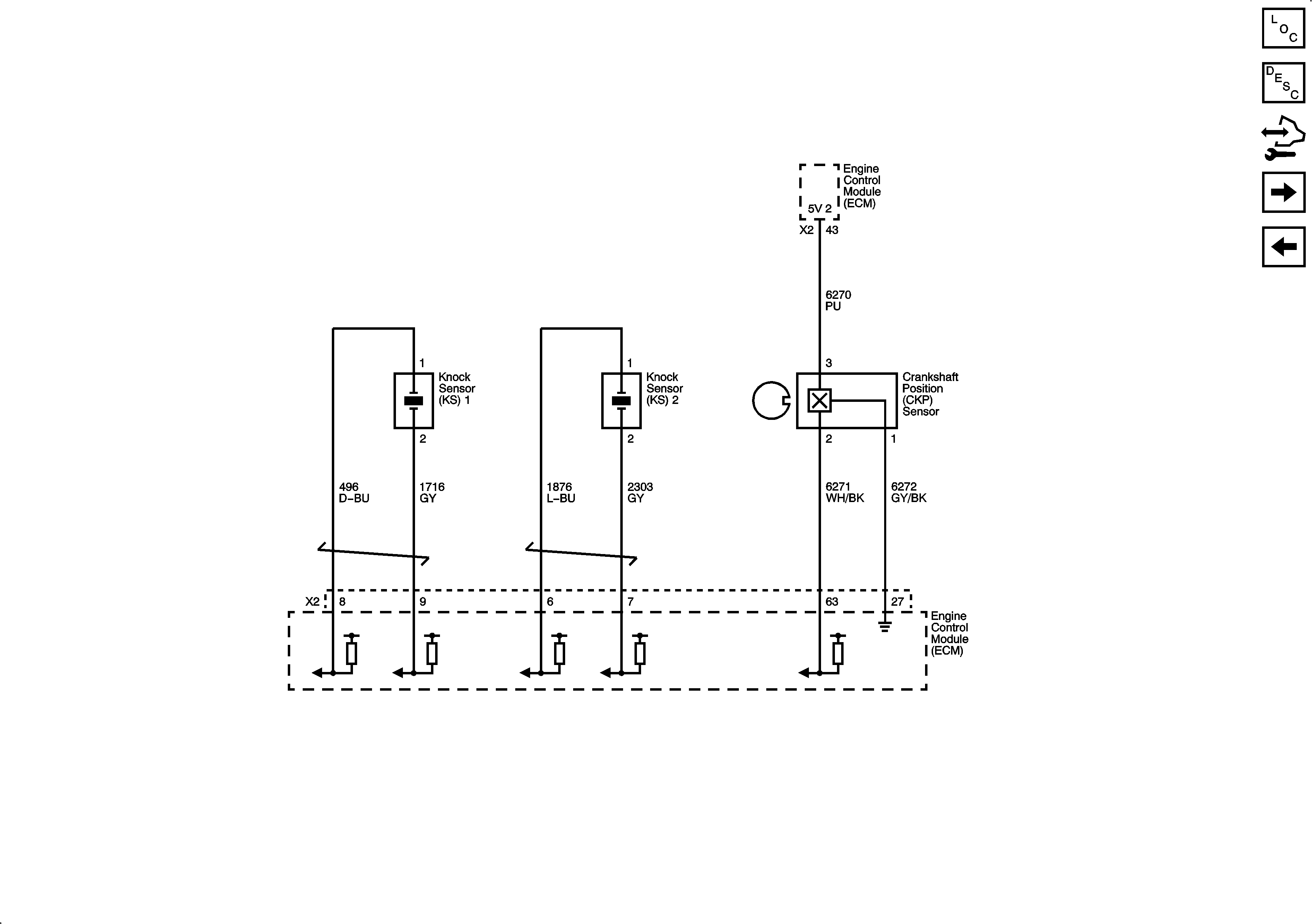
Figure 9:

Ignition Controls - Crankshaft Position (CKP) and Knock (KS) Sensors (LY7)


Object Number: 2079777  Size: FS
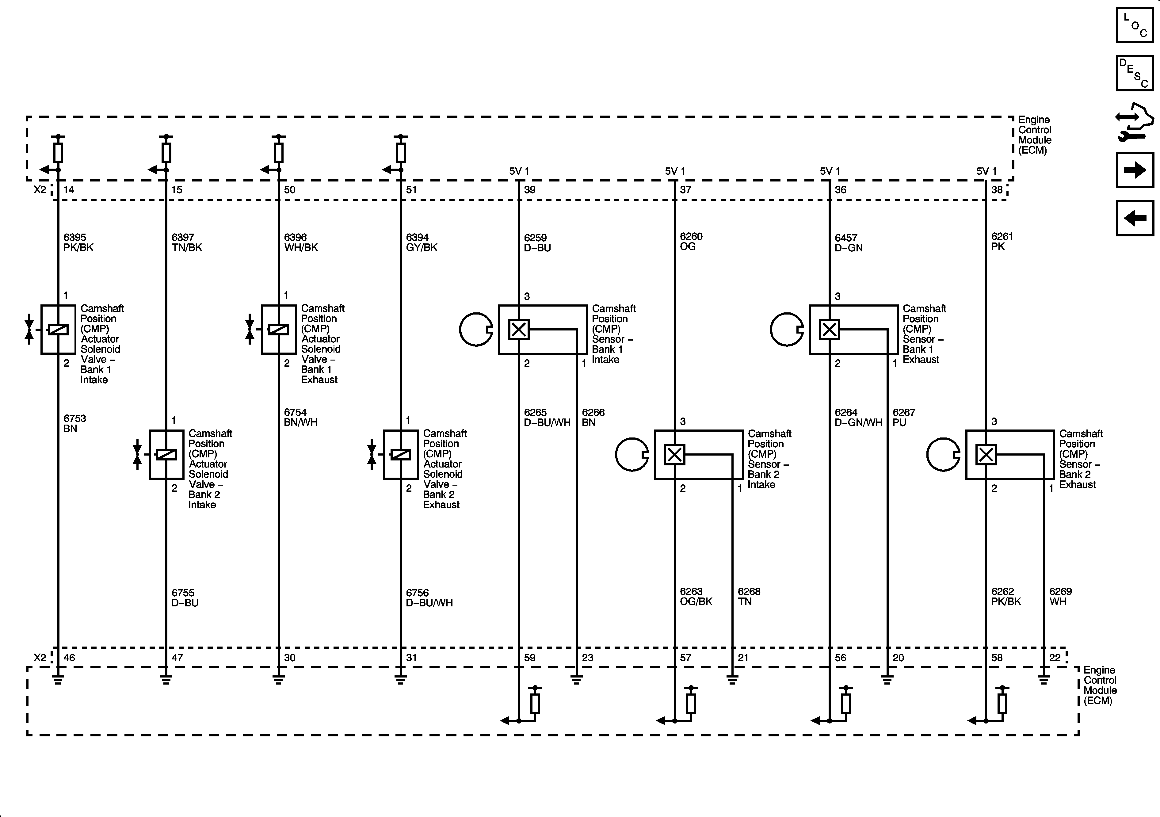
Figure 10:

Ignition Controls - Camshaft Position (CMP) Sensors and Actuator Solenoids (LY7)


Object Number: 2079781  Size: FS
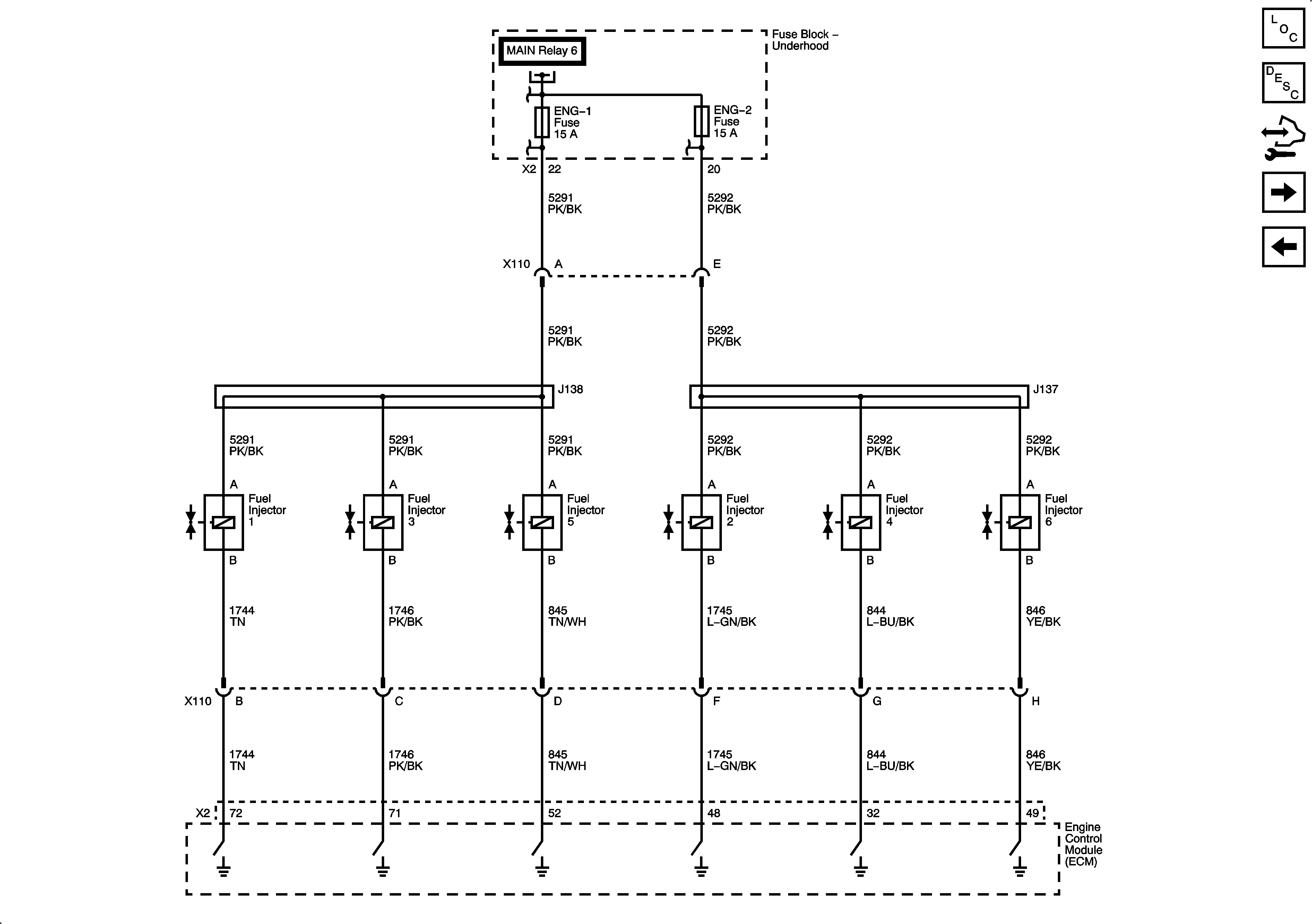
Figure 11:

Fuel Controls - Fuel Injectors (LY7)


Object Number: 2079786  Size: FS
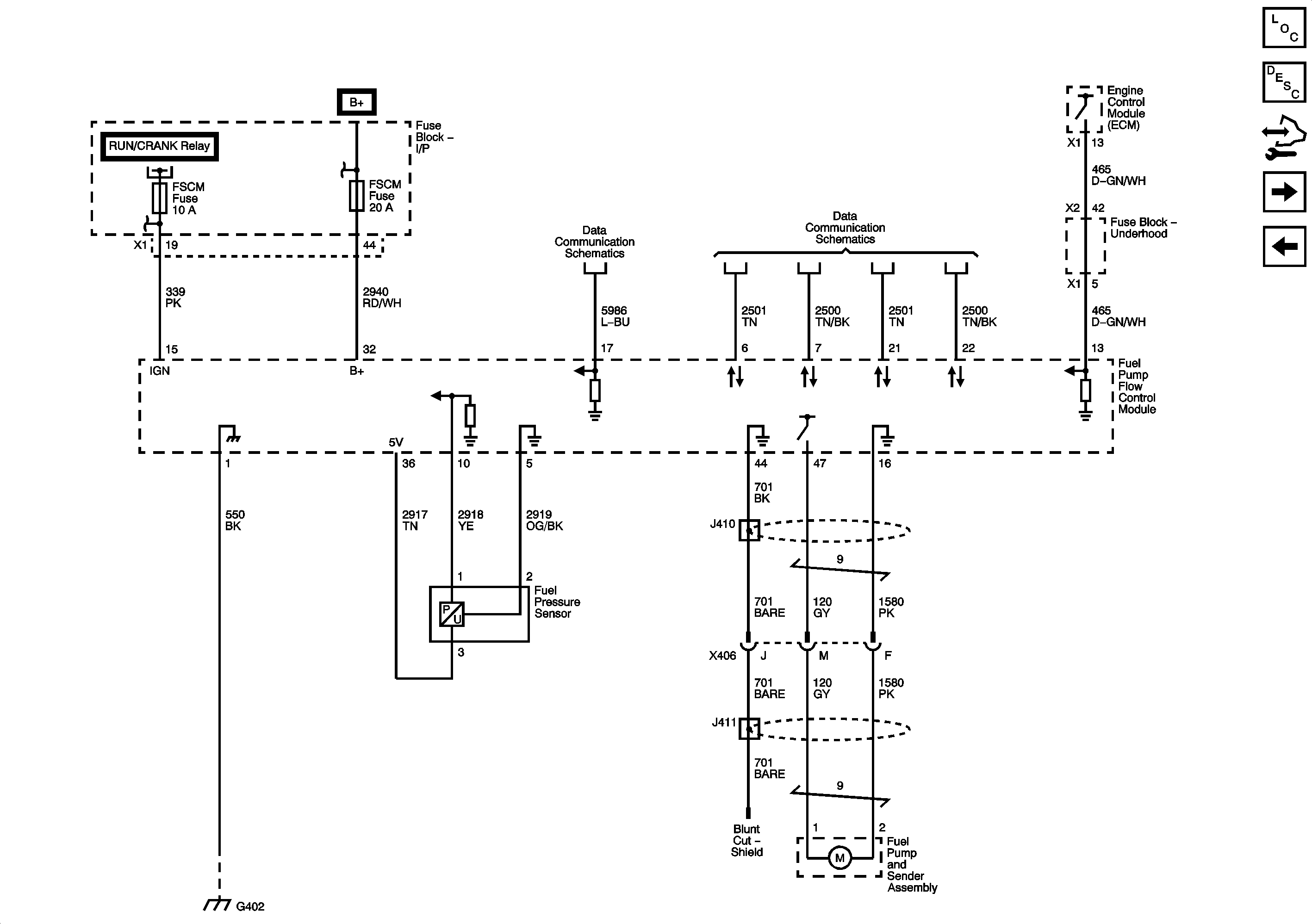
Figure 12:

Fuel Controls - Fuel Pump Controls (LY7)


Object Number: 2079791  Size: FS
Figure 13:

Fuel Controls - Evaporative Emissions (EVAP) Controls (LY7)


Object Number: 2079794  Size: FS
Figure 14:

Controlled/Monitored Subsystem References (LY7)


Object Number: 2079797  Size: FS