GM Service Manual Online
For 1990-2009 cars only

Removal Procedure

    Danger: Always perform the High Voltage Disabling procedure prior to servicing any High Voltage component or connection. Personal Protection Equipment (PPE) and proper procedures must be followed.

    The High Voltage Disabling procedure will perform the following tasks:

       • Identify how to disable high voltage.
       • Identify how to test for the presence of high voltage.
       • Identify condition under which high voltage is always present and personal protection equipment (PPE) and proper procedures must be followed.
    Failure to follow the procedures exactly as written may result in serious injury or death.

  1. Perform the High Voltage Disabling procedure. Refer to High Voltage Disabling.

  2. Object Number: 2175739  Size: SH
  3. Disconnect the drive motor generator control module assembly connector (3).
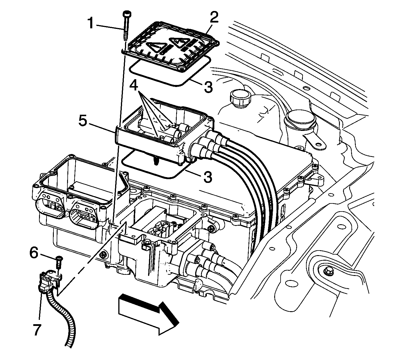
  4. Remove the drive motor generator position sensor shield circuit fastener (5).
  5. Remove the shield circuit harness (4).
  6. Disconnect the accessory DC power control module (APM) assembly connector (2) using the following procedure:
  7. 5.1. Remove the locking tab.
    5.2. Insert a small flat blade screwdriver into the locking tab area and raise the tab while pulling on the connector.
  8. Disconnect the remaining APM assembly connector (1).
  9. Drain the power electronics cooling system. Refer to Generator Control Module Cooling System Draining and Filling.

  10. Object Number: 2175740  Size: SH
  11. Remove the HV dc cable terminal fasteners (1).
  12. Remove the HV dc cable terminal bolt installation guide assembly (2).
  13. Remove the HV dc electric air conditioning compressor module (ACCM) cable mounting fasteners (5).
  14. Remove the HV dc electric ACCM cable (4) from the PIM distribution box.
  15. Remove the HV dc battery cable mounting fasteners (6).
  16. Remove the HV dc battery cable (7) from the PIM distribution box.
  17. Inspect and retain the seals (3).

  18. Object Number: 2175741  Size: SH
  19. Remove the drive motor generator control module brace bolts (1) and brace (2).
  20. Place a protective guard (3) such as wiring conduit along the sharp edge of the front crossmember to protect the high voltage cables.

  21. Object Number: 2175742  Size: SH

    Caution: High Voltage (HV) cables should never be removed from the mounting block. Removal of the individual HV cable from the mounting block may result in HV cable and/or component damage from improper:

       • Cable sealing
       • Electrical shielding
       • Terminal position assurance

  22. Remove the drive motor generator power inverter control module (PIM) 3 phase cable terminal cover fasteners (1).
  23. Remove the PIM 3 phase cable terminal cover (2).
  24. Remove the PIM 3 phase cable terminal fastener (4).
  25. Remove the PIM 3 phase cable terminal seals (3) and discard.
  26. Remove the sight shield circuit breaker fasteners (6).
  27. Remove the sight shield circuit breaker (7).

  28. Object Number: 2175743  Size: SH
  29. Remove the PIM 3 phase cable terminal fasteners (1) and installation guide assembly (2).
  30. Remove the PIM 3 phase cable mounting fasteners (3) and terminal (4).
  31. Remove the PIM 3 phase cable terminal seal (3) and discard.

  32. Object Number: 2175724  Size: SH
  33. Remove the hybrid cooling reservoir fasteners (1) and pull the reservoir (2) off of the control module studs.

  34. Object Number: 2175725  Size: SH
  35. Remove the ground strap fastener (1) and strap (2) from the left front inner fender.

  36. Object Number: 2175726  Size: SH
  37. Remove the underhood fuse block support fastener (1) and pull the support away from the control module.
  38. Remove the engine coolant surge tank support fastener (2) and pull the support from the control module stud.

  39. Object Number: 2175727  Size: SH
  40. Remove the coolant hoses (1-2) from the cooler and the air separator.

  41. Object Number: 2175728  Size: SH
  42. Remove the control module retainer bolt (1) and nuts (2).

  43. Object Number: 2175729  Size: SH
  44. Attach a lifting device (1 and 2) to the drive motor generator control module assembly at the 3 identified locations.
  45. Lift the drive motor generator control module assembly from the vehicle while feeding the coolant hoses through the support opening.
  46. To replace the drive motor generator power inverter module (PIM) assembly, refer to Drive Motor Generator Power Inverter Module Removal and Installation. To replace the accessory DC power control module (APM), refer to Accessory DC Power Control Module Removal and Installation.

Installation Procedure


    Object Number: 2175729  Size: SH
  1. Attach a lifting device (1-2) to the drive motor generator control module assembly at the three identified locations.
  2. Lower the drive motor generator control module assembly into the vehicle while feeding the coolant hoses through the support opening.

  3. Object Number: 2175727  Size: SH
  4. Install the coolant hoses (1-2) onto the cooler and the air separator.
  5. Caution: Refer to Fastener Caution in the Preface section.


    Object Number: 2175728  Size: SH
  6. Install the control module retaining bolt (1), mounting nuts (2), and tighten the mounting bolt and nuts to 9 N·m (80 lb in).

  7. Object Number: 2175726  Size: SH
  8. Install the underhood fuse block support and fastener (1) onto the control module. Tighten the bolt to 5 N·m (44 lb in).
  9. Install the engine coolant surge tank support and nut (2) onto the control module stud. Tighten the nut to 5 N·m (44 lb in).

  10. Object Number: 2175725  Size: SH
  11. Install the ground strap (2) and fastener (1) onto the left front inner fender stud and tighten to 9 N·m (80 lb in).

  12. Object Number: 2175724  Size: SH
  13. Install the hybrid cooling reservoir (2) and fasteners (1) onto the control module studs and tighten to 9 N·m (80 lb in).

  14. Object Number: 2175743  Size: SH
  15. Install a new seal (5) and the PIM 3 phase cable terminal (4).
  16. Install the PIM 3 phase cable terminal mounting fasteners (3) and tighten to 9 N·m (80 lb in).
  17. Install the PIM 3 phase cable terminal installation guide assembly (2) and fasteners (1). Tighten to 9 N·m (80 lb in).

  18. Object Number: 2175742  Size: SH
  19. Install NEW PIM 3 phase cable terminal seals (3).
  20. Install the PIM 3 phase cable terminal (5).
  21. Install the PIM 3 phase cable terminal fasteners (4) and tighten to 9 N·m (80 lb in).
  22. Install the PIM 3 phase cable terminal cover (2).
  23. Install the PIM 3 phase cable terminal cover fasteners (1) and tighten to 9 N·m (80 lb in).
  24. Install the sight shield circuit breaker (7).
  25. Install the sight shield circuit breaker fasteners (6) and tighten to 9 N·m (80 lb in).

  26. Object Number: 2175741  Size: SH
  27. Remove the protective guard (3) from the front crossmember.
  28. Install the drive motor generator control module brace (2) and bolts (1). Tighten the bolts to 9 N·m (80 lb in).

  29. Object Number: 2175740  Size: SH
  30. Inspect and install the seals (3).
  31. Install the HV dc battery cable (7) onto the PIM distribution box.
  32. Install the HV dc battery cable mounting fasteners (6) and tighten to 9 N·m (80 lb in).
  33. Install the HV dc electric ACCM cable (4) onto the PIM distribution box.
  34. Install the HV dc electric ACCM cable mounting fasteners (5) and tighten to 9 N·m (80 lb in).
  35. Install the HV dc cable terminal bolt installation guide assembly (2).
  36. Install the HV dc cable terminal fasteners (1) and tighten to 9 N·m (80 lb in).

  37. Object Number: 2175739  Size: SH
  38. Connect the APM assembly connectors (1-2) and install any removed locking tabs.
  39. Connect the drive motor generator control module assembly connector (3) using the following procedure:
  40. 29.1. Push the lever up.

            Note: Install the connector (3) without disturbing the position of the lever. DO NOT use the lever to install the connector in place.

    29.2. Install the connector (3) onto the terminals by pushing on the connector only.
    29.3. Rotate the lever after the terminals are engaged.
    29.4. Push the green tab to lock the lever.
  41. Install the shield circuit harness (4) and retainer (5). Tighten to 9 N·m (80 lb in).
  42. Fill the power electronics cooling system and test for leaks at all serviced connections. Refer to Generator Control Module Cooling System Draining and Filling.
  43. Install the sight shield. Refer to Drive Motor Generator Control Module Sight Shield Replacement.
  44. Perform the High Voltage Enabling procedure. Refer to High Voltage Enabling
  45. For control module programming and setup procedures, refer to Control Module References.