GM Service Manual Online
For 1990-2009 cars only
Figure 1:

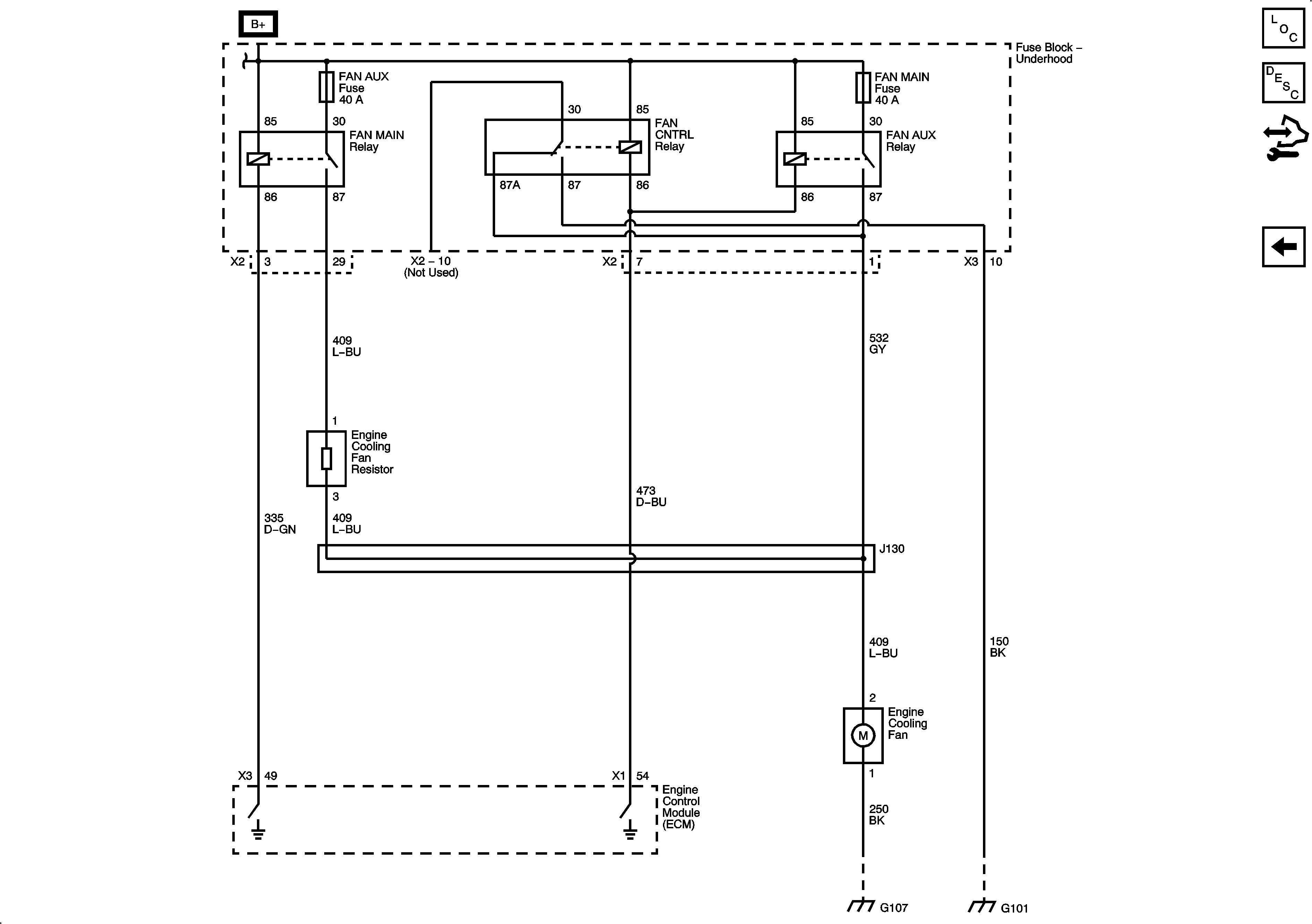
LE5/LY7/LZ4


Object Number: 1883269  Size: FS
Master Electrical Component List
Cooling Fan Description and Operation Except LAT
Control Module References
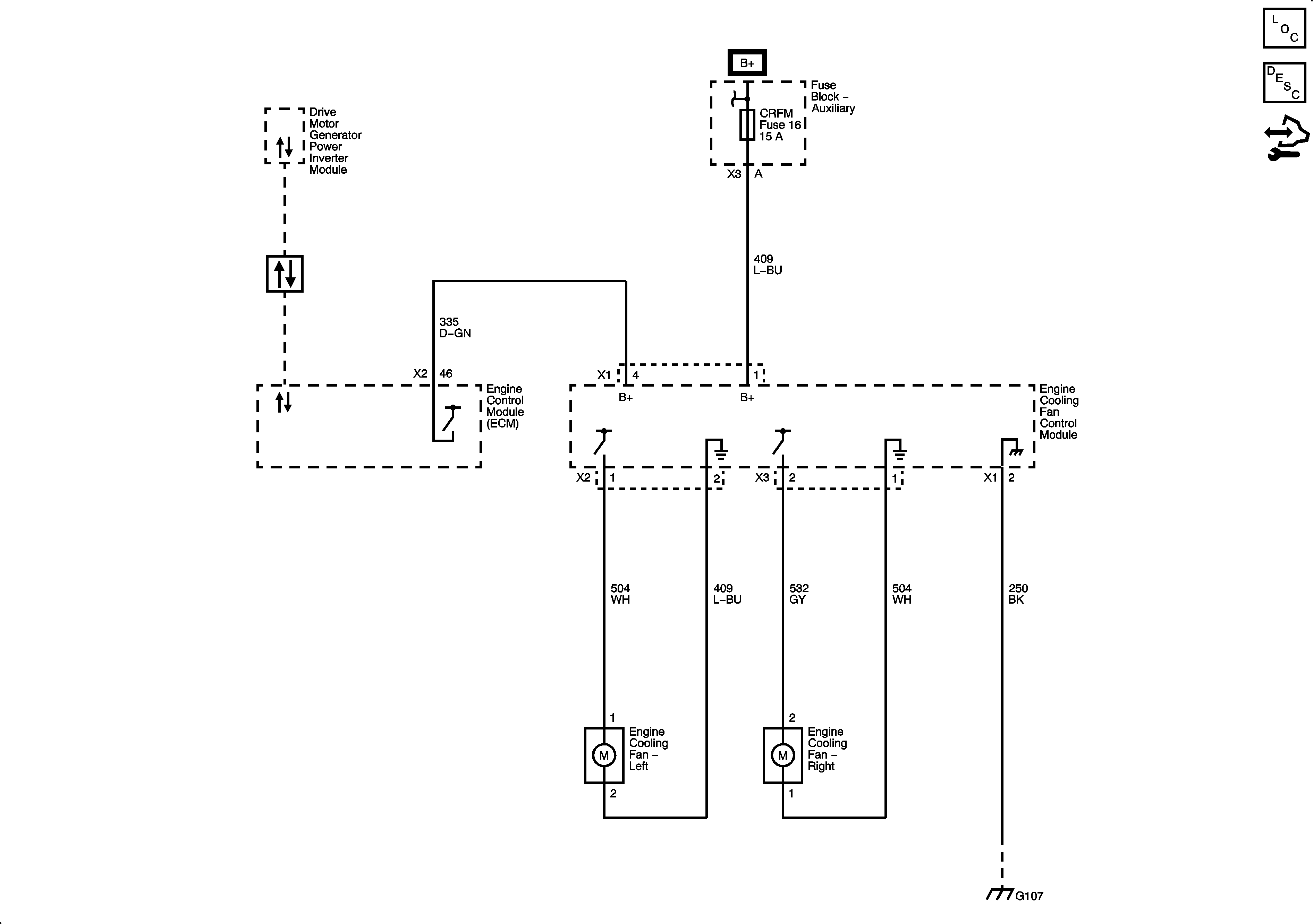
Hybrid (LAT)
Figure 2:

LAT


Object Number: 1883271  Size: FS
Master Electrical Component List
Cooling Fan Description and Operation LAT
Control Module References
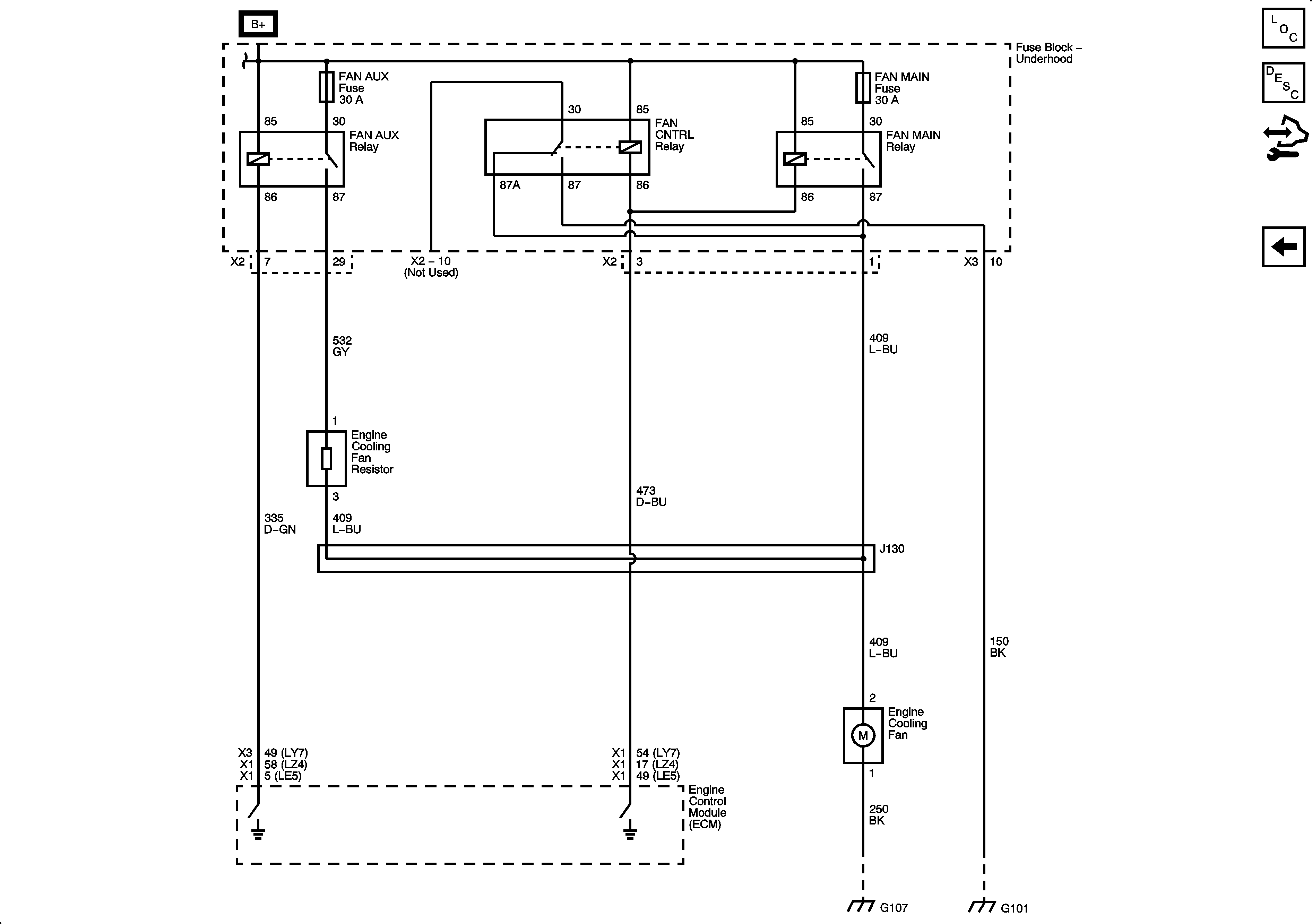
LE5/LY7/LZ4
Figure 1:

Engine Cooling (LCS)


Object Number: 2148599  Size: FS
Figure 2:

LAT


Object Number: 2079854  Size: FS
Figure 3:

LE5/LY7/LZ4


Object Number: 2079850  Size: FS