GM Service Manual Online
For 1990-2009 cars only

    Object Number: 1828040  Size: SH
  1. Remove the accessory drive belt tensioner bolts.
  2. Remove the accessory drive belt tensioner.

  3. Object Number: 1828043  Size: SH
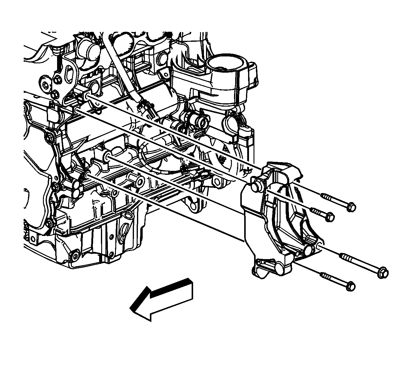
  4. Remove the drive belt tensioner bracket bolts.
  5. Remove the drive belt tensioner bracket.

  6. Object Number: 412538  Size: SH
  7. Remove the engine front cover bolts.

  8. Object Number: 412537  Size: SH
  9. Remove the long water pump bolt.
  10. Remove the engine front cover and gaskets.
  11. Remove the crankshaft front cover oil seal with an appropriate tool.