GM Service Manual Online
For 1990-2009 cars only
Makes
🢒
Chevrolet
🢒
2009
🢒
Captiva Sport
🢒
Diagnostic Navigation
🢒
Vehicle Diagnostic Information
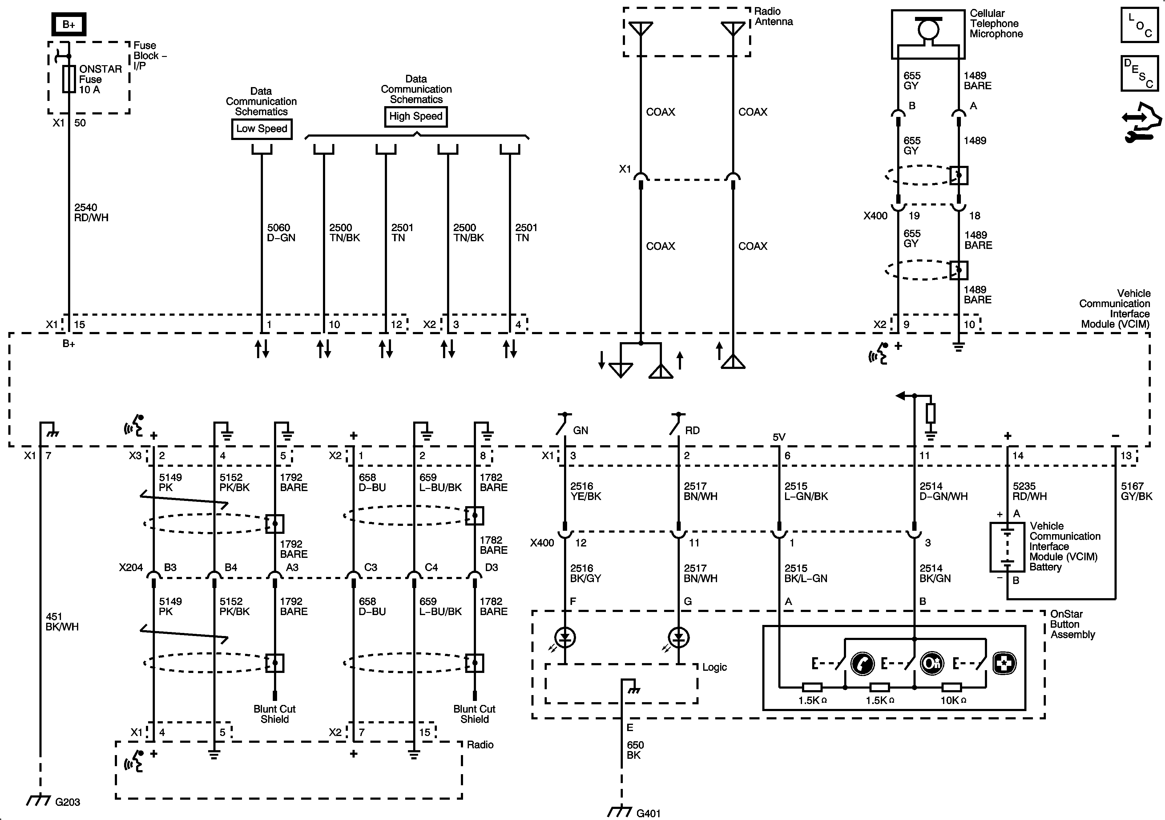
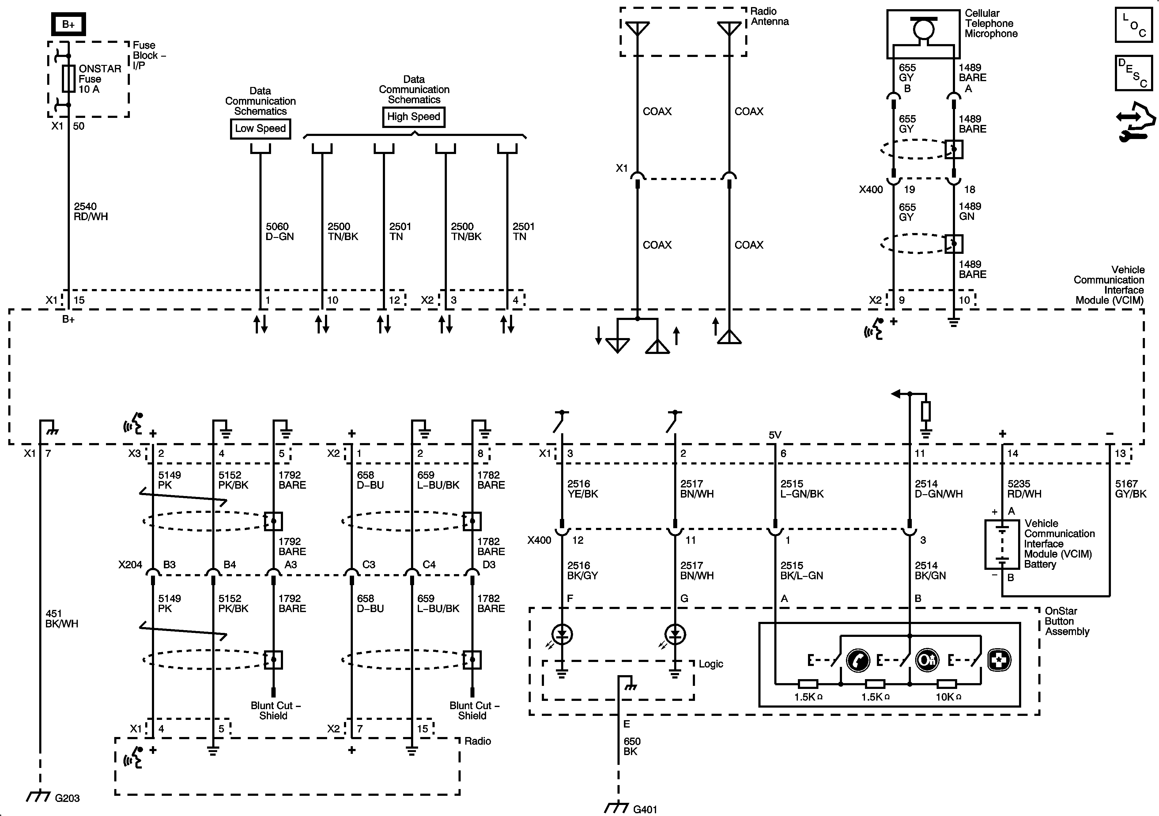
🢒 OnStar Schematics
OnStar
Master Electrical Component List
OnStar Description and Operation
Control Module References
OnStar