GM Service Manual Online
For 1990-2009 cars only
Figure 1:

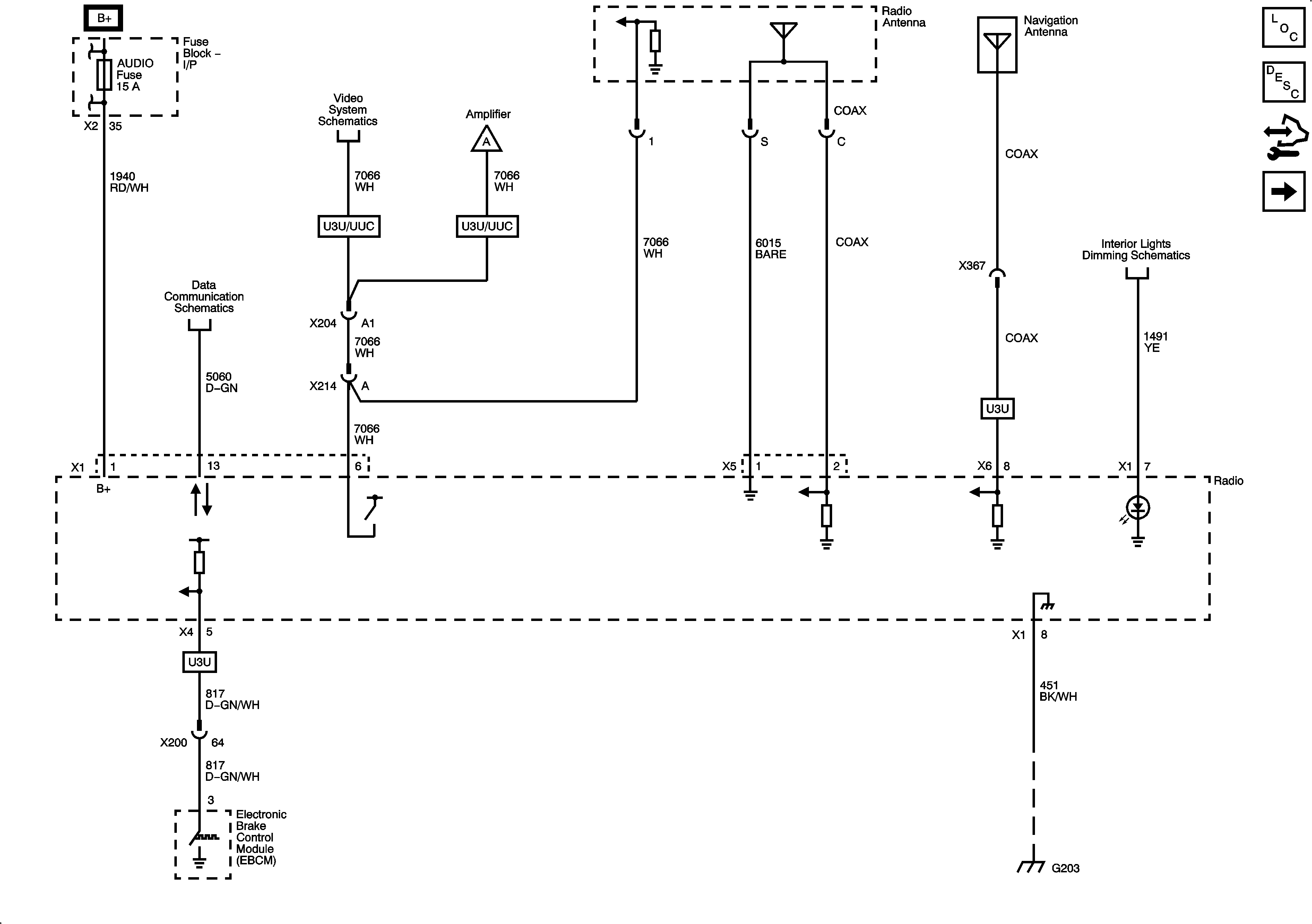
Radio


Object Number: 1882130  Size: FS
Master Electrical Component List
Radio/Audio System Description and Operation
Control Module References
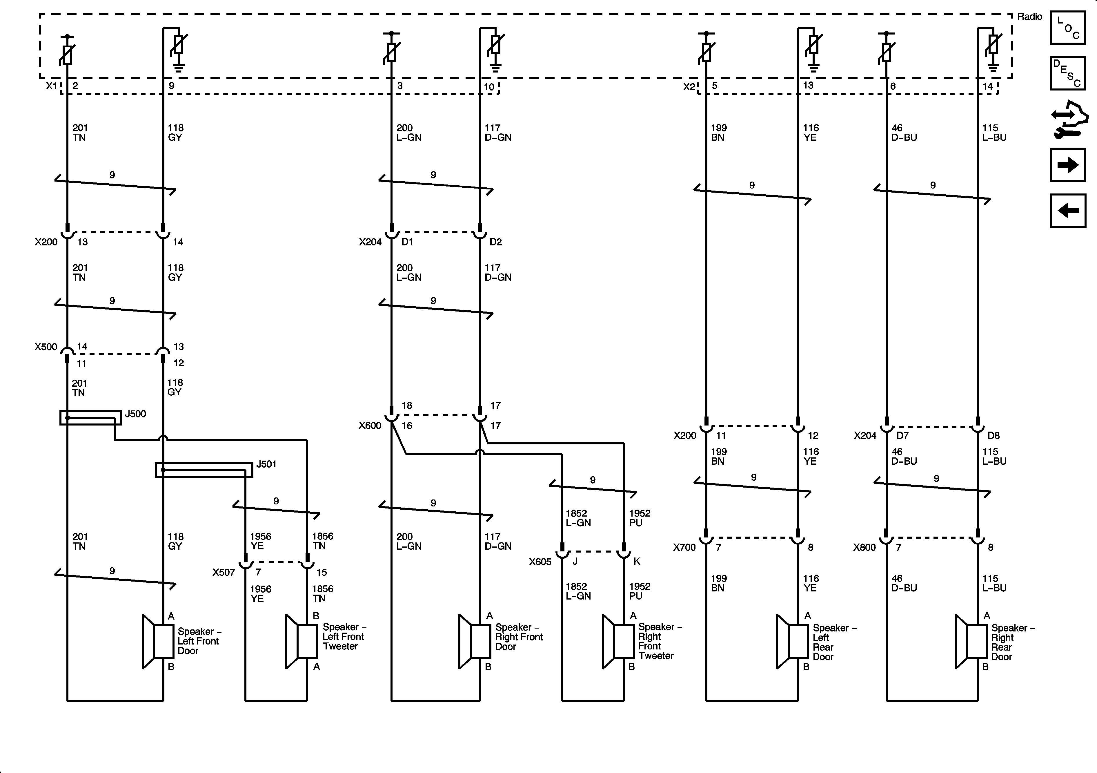
Speakers (UW6)
Figure 2:

Speakers (UW6)


Object Number: 1882132  Size: FS
Master Electrical Component List
Radio/Audio System Description and Operation
Control Module References
Speakers (U61) 1 of 2
Radio Schematics
Figure 3:

Speakers (U61)


Object Number: 1882144  Size: FS
Master Electrical Component List
Radio/Audio System Description and Operation
Control Module References
Speakers (U61) 2 of 2
Speakers (UW6)
Figure 4:

Speakers (U61) 2 of 2


Object Number: 1882176  Size: FS
Master Electrical Component List
Radio/Audio System Description and Operation
Control Module References
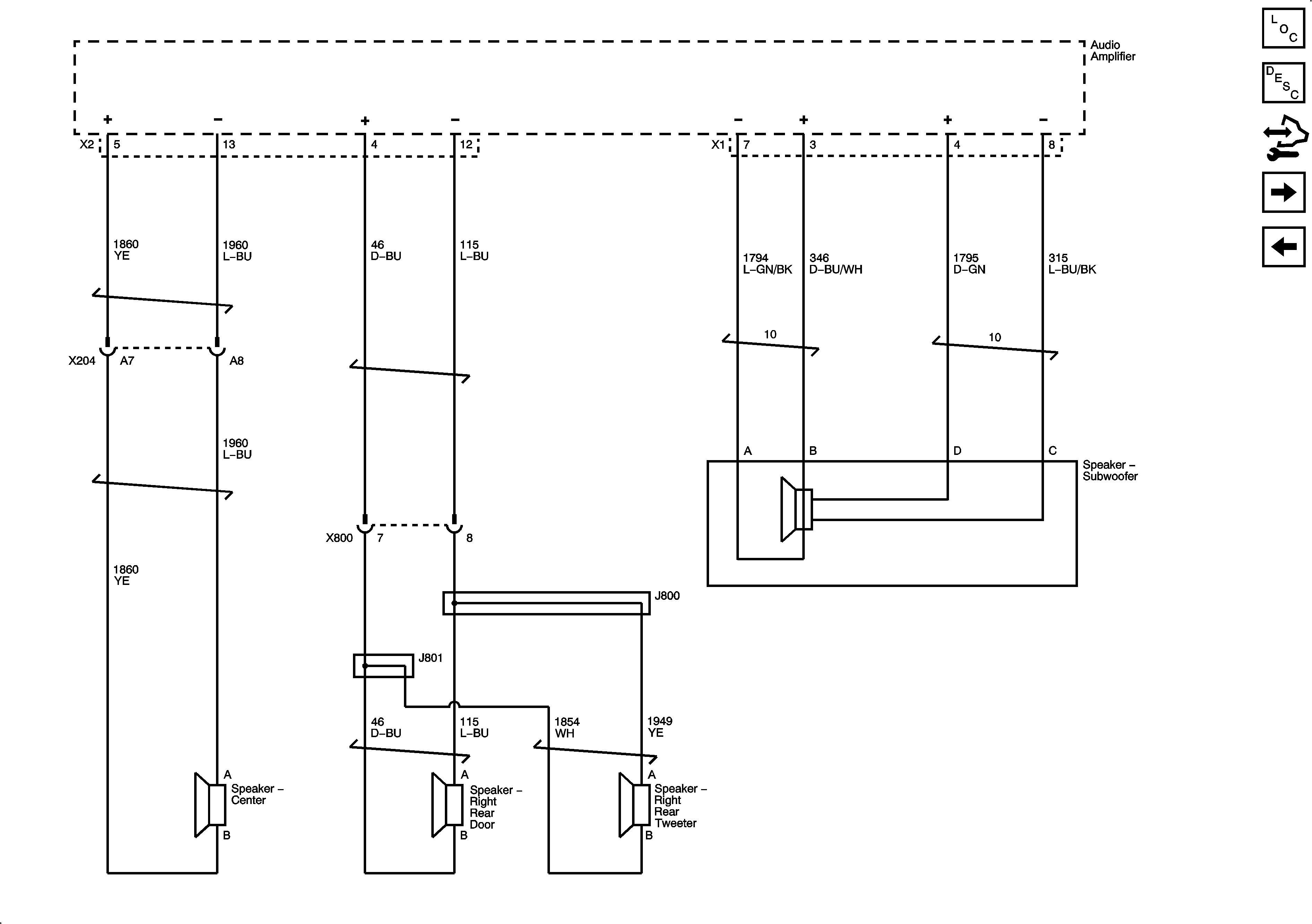
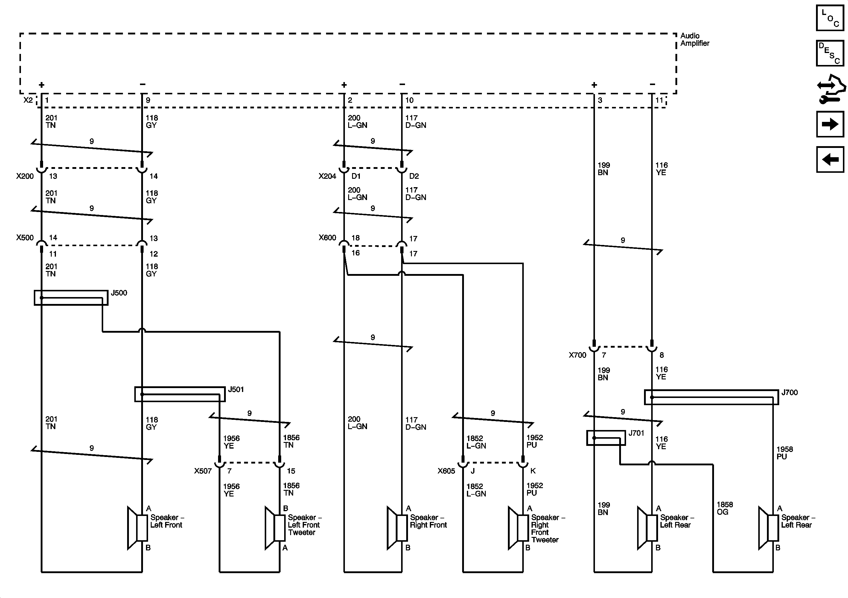
Audio Amplifier
Speakers (U61) 1 of 2
Figure 5:

Audio Amplifier


Object Number: 1882142  Size: FS
Master Electrical Component List
Radio/Audio System Description and Operation
Control Module References
Rear Seat Audio
Speakers (U61) 2 of 2
Figure 6:

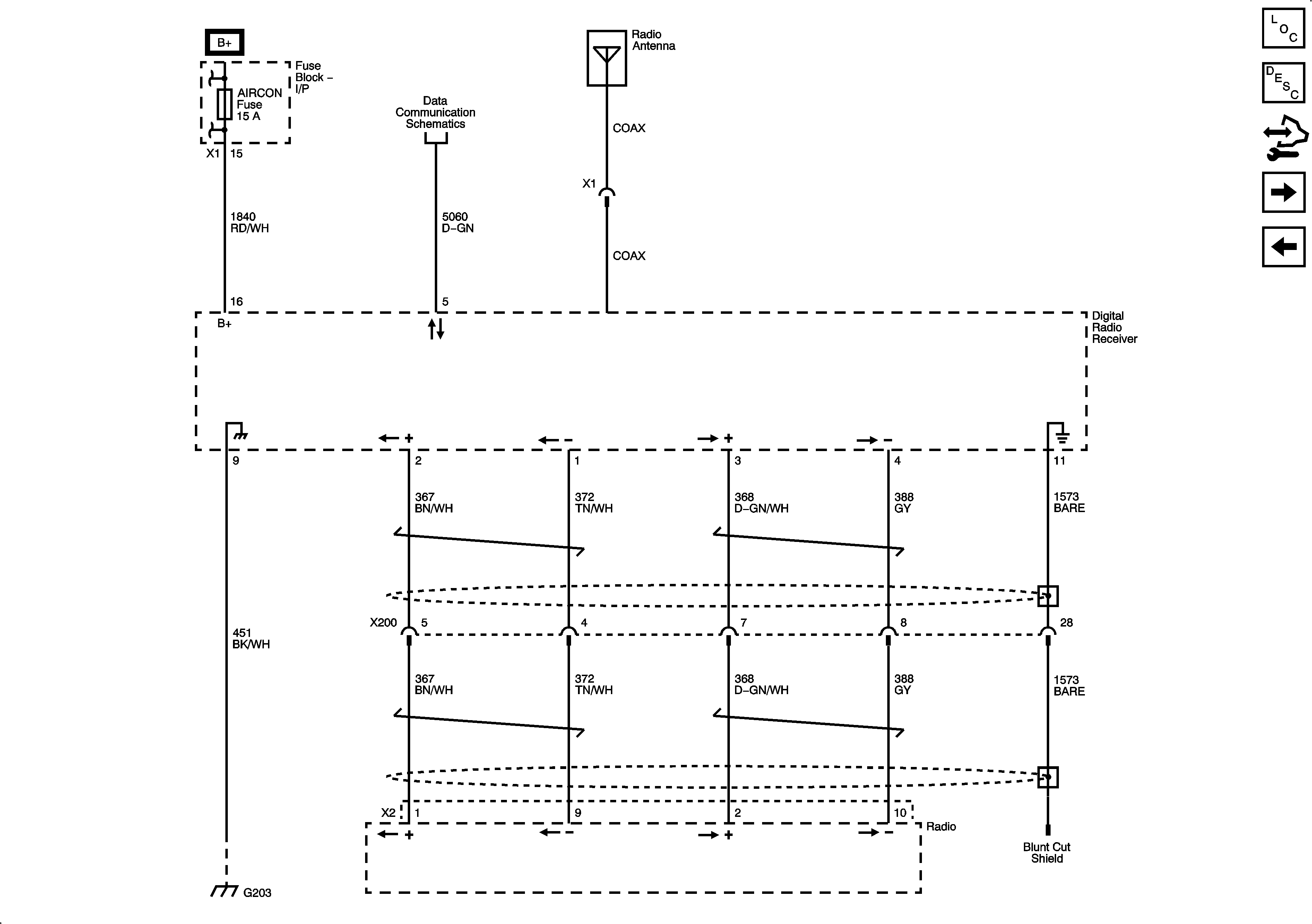
Digital Radio


Object Number: 1882308  Size: FS
Master Electrical Component List
Radio/Audio System Description and Operation
Control Module References
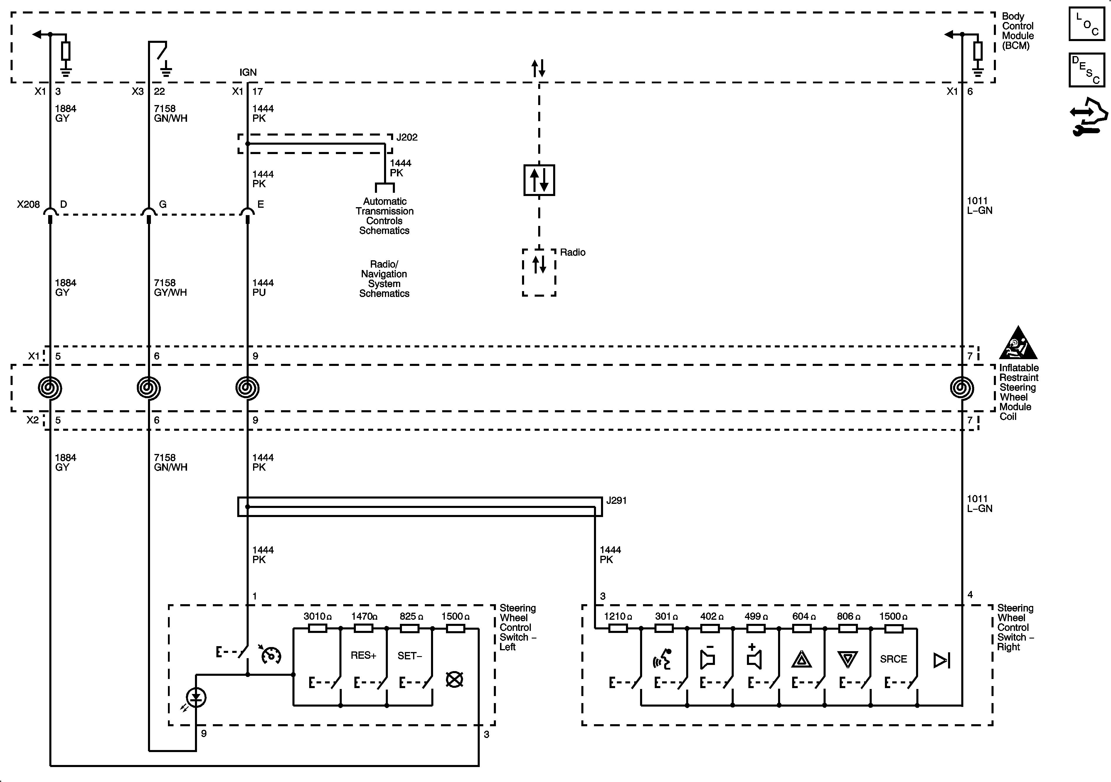
Steering Wheel Controls
Rear Seat Audio
Figure 7:

Steering Wheel Controls


Object Number: 1882399  Size: FS
Master Electrical Component List
Steering Wheel Controls Description and Operation
Control Module References
Digital Radio
Figure 1:

Radio


Object Number: 2079540  Size: FS
Figure 2:

Speakers (UW6)


Object Number: 2079545  Size: FS
Figure 3:

Audio Amplifier


Object Number: 2079548  Size: FS
Figure 4:

Speakers (U61) 1 of 2


Object Number: 2079553  Size: FS
Figure 5:

Speakers (U61) 2 of 2


Object Number: 2079557  Size: FS
Figure 6:

Digital Radio


Object Number: 2079564  Size: FS
Figure 7:

Steering Wheel Controls


Object Number: 2079569  Size: FS