GM Service Manual Online
For 1990-2009 cars only
Makes
🢒
Chevrolet
🢒
2009
🢒
Captiva Sport
🢒
Diagnostic Navigation
🢒
Vehicle Diagnostic Information
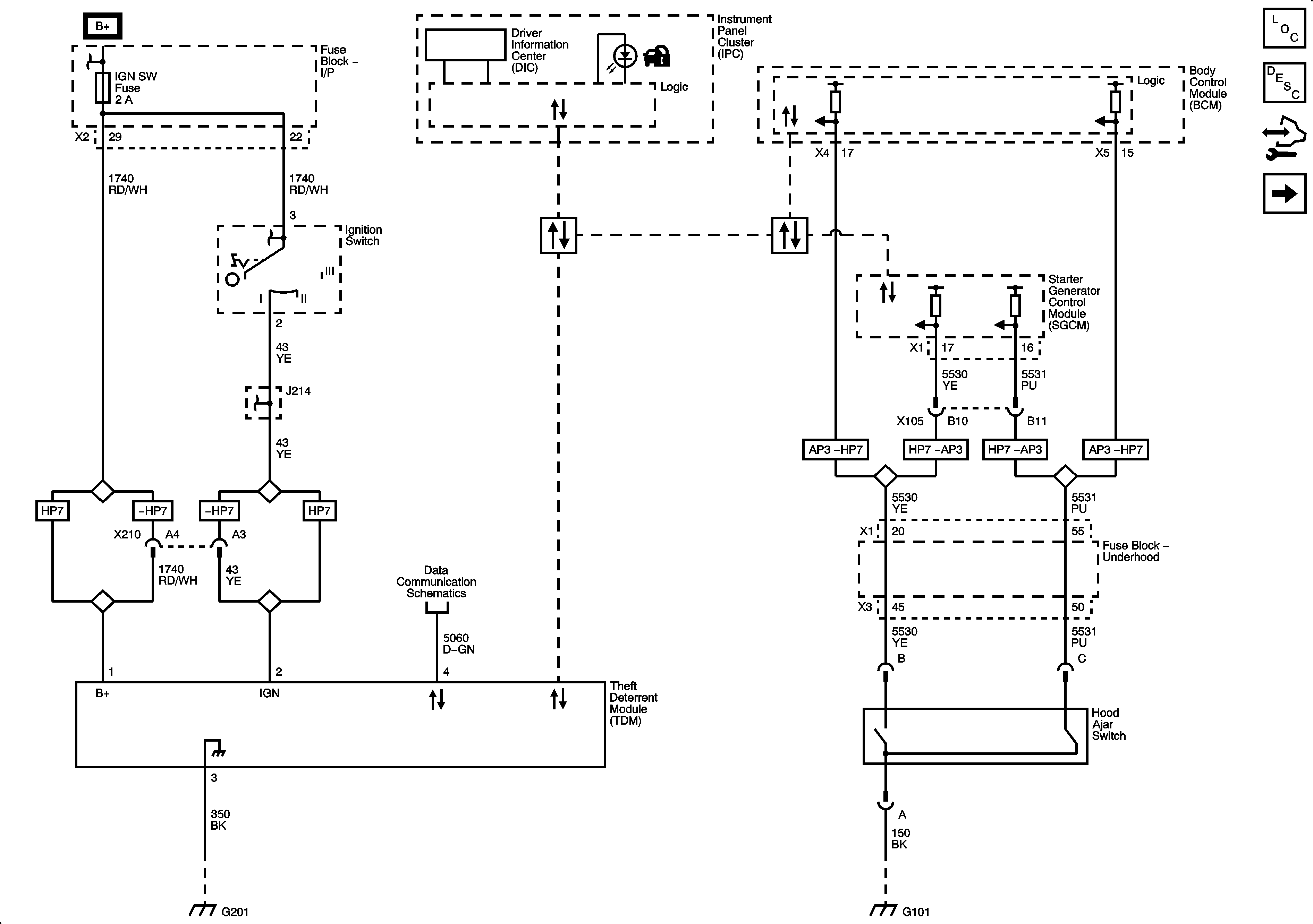
🢒 Immobilizer Schematics
Immobilizer Schematics
Master Electrical Component List
Immobilizer Description and Operation
Control Module References
Figure
1:
Figure
2:
Immobilizer (HP5)