GM Service Manual Online
For 1990-2009 cars only
Figure 1:

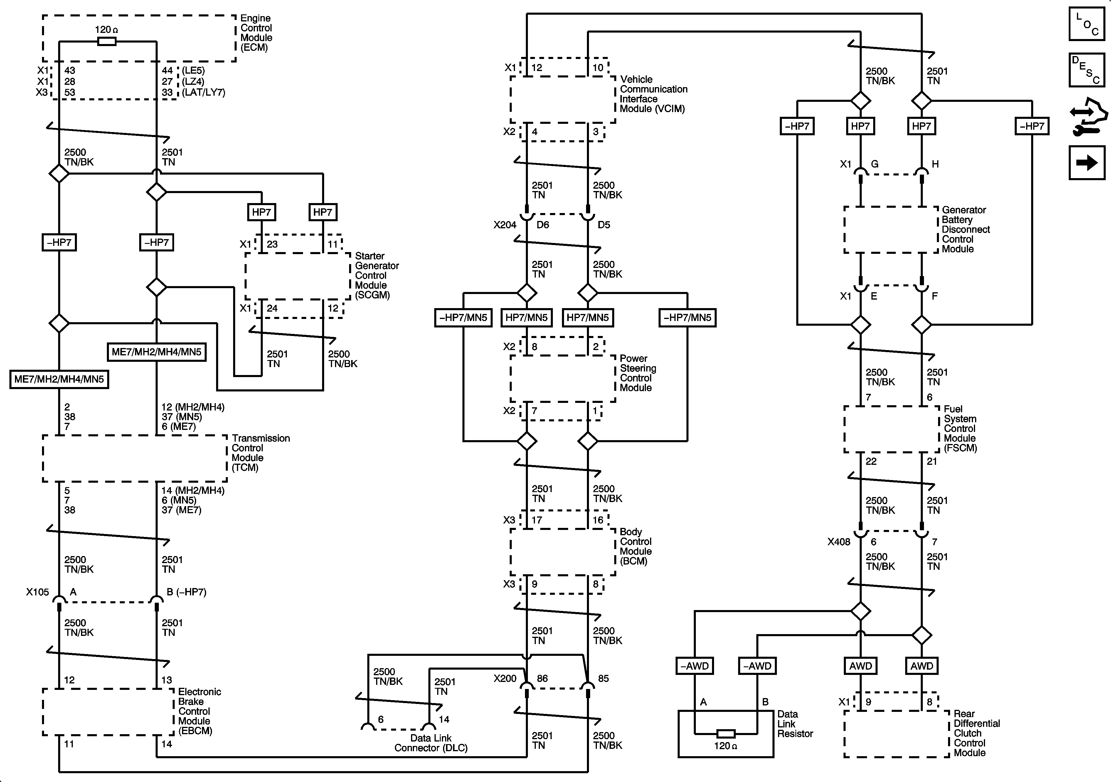
High Speed GMLAN


Object Number: 1883487  Size: FS
Master Electrical Component List
Data Link Communications Description and Operation
Control Module References
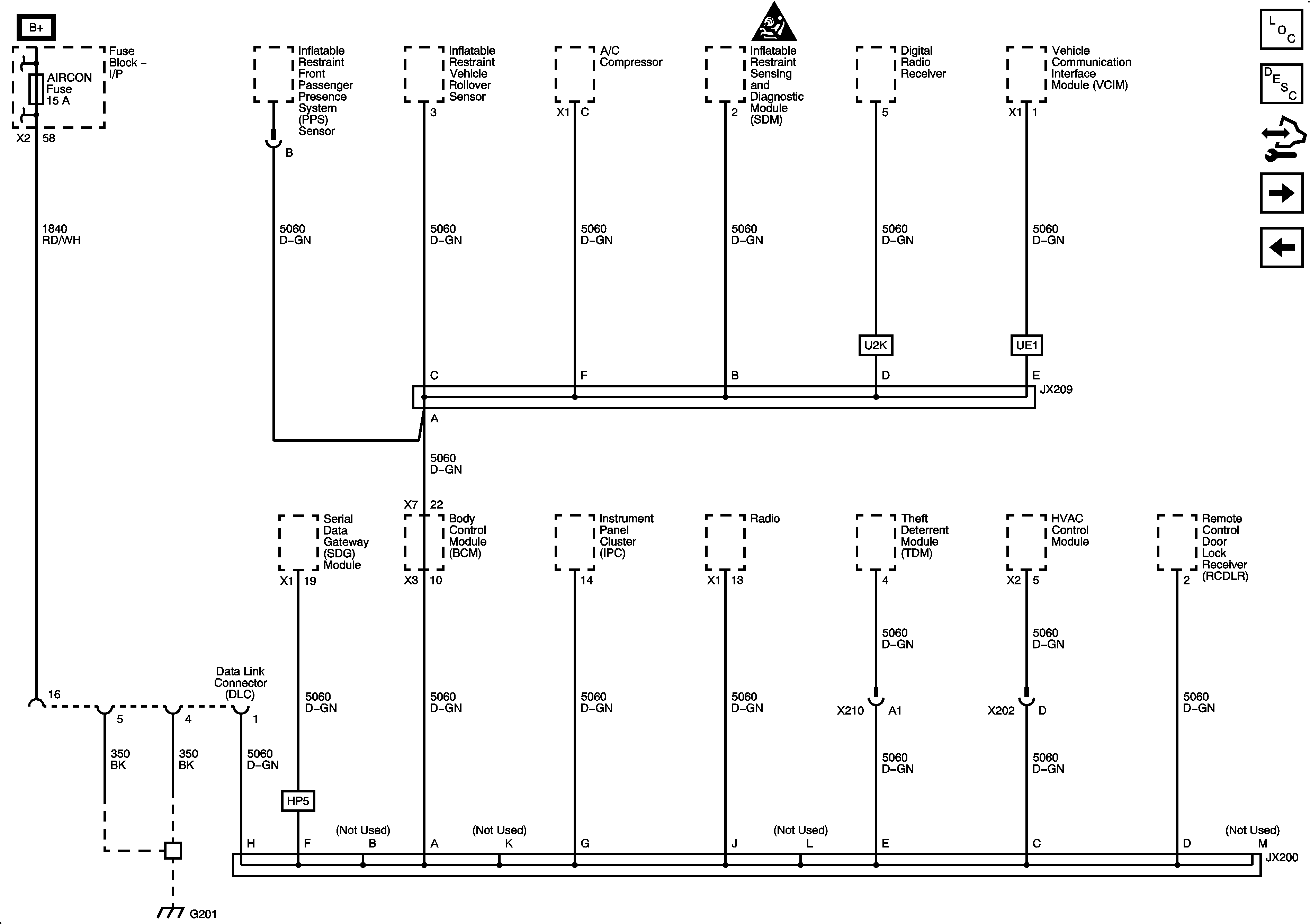
Low Speed GMLAN
Figure 2:

Low Speed GMLAN


Object Number: 1883488  Size: FS
Master Electrical Component List
Data Link Communications Description and Operation
Control Module References
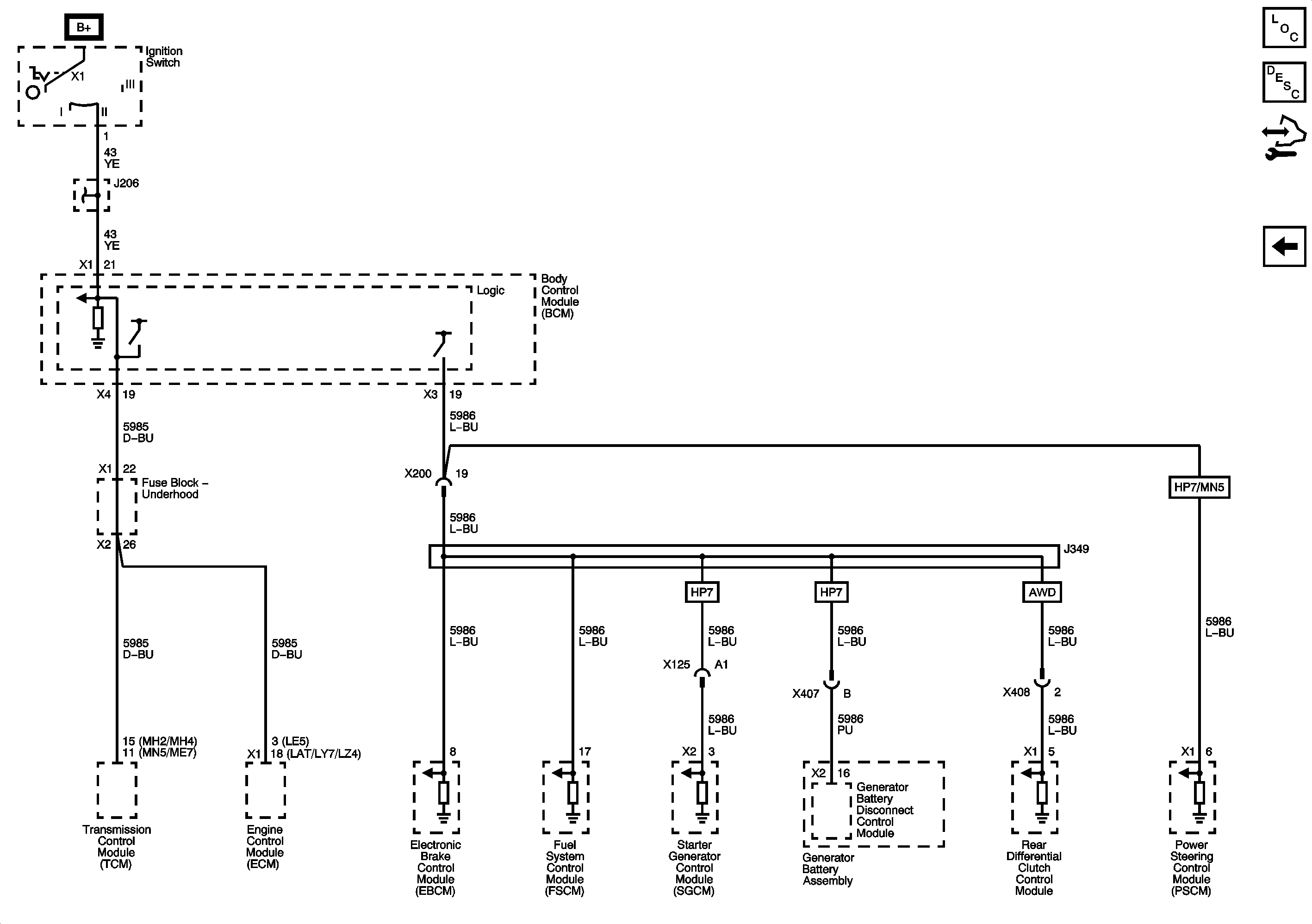
Serial Data Communication Enable and Accessory Wake Up
High Speed GMLAN
Figure 3:

Serial Data Communication Enable and Accessory Wake Up


Object Number: 1883496  Size: FS
Master Electrical Component List
Data Link Communications Description and Operation
Control Module References
Low Speed GMLAN
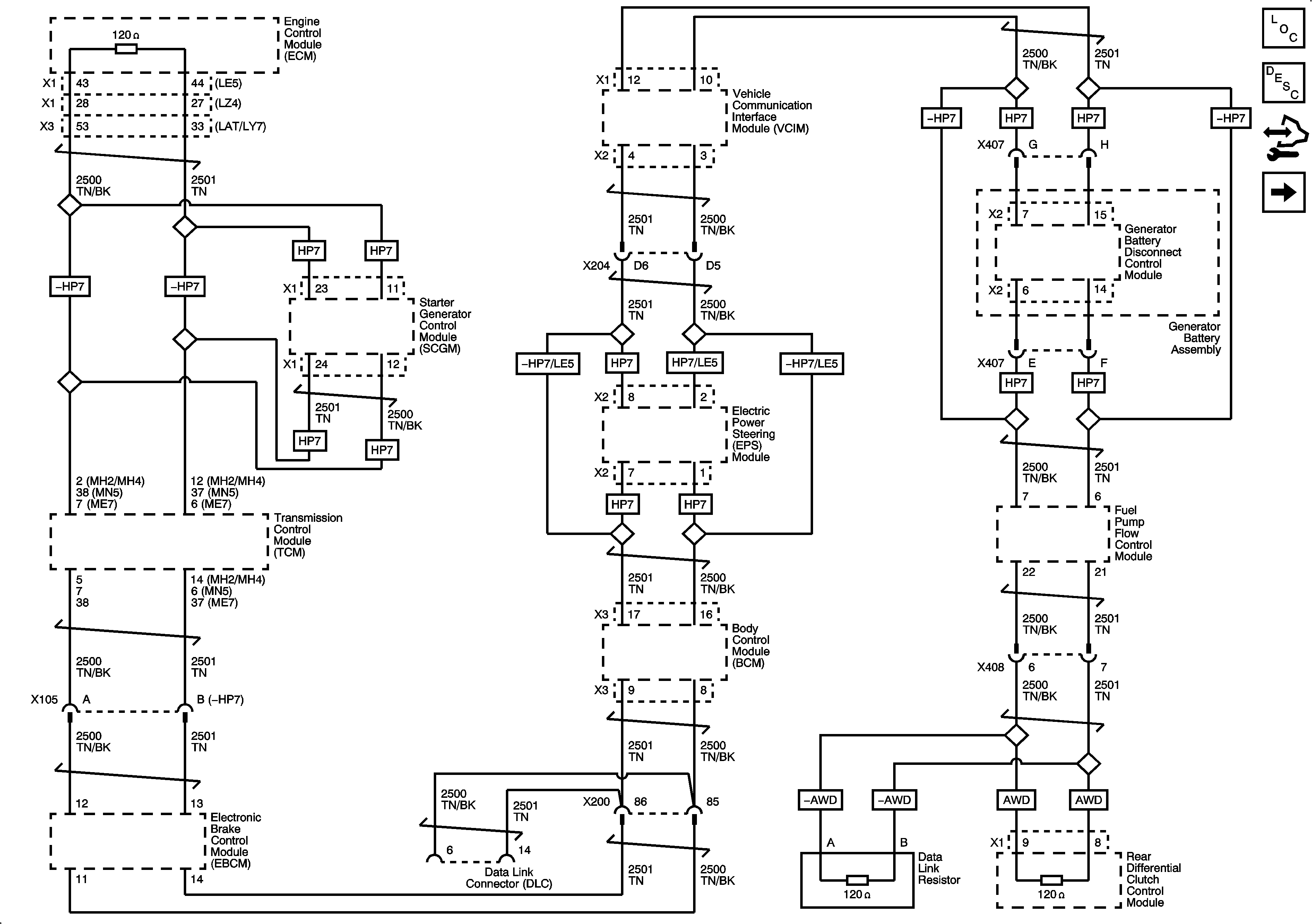
Figure 1:

High Speed GMLAN (without HP5)


Object Number: 2079968  Size: FS
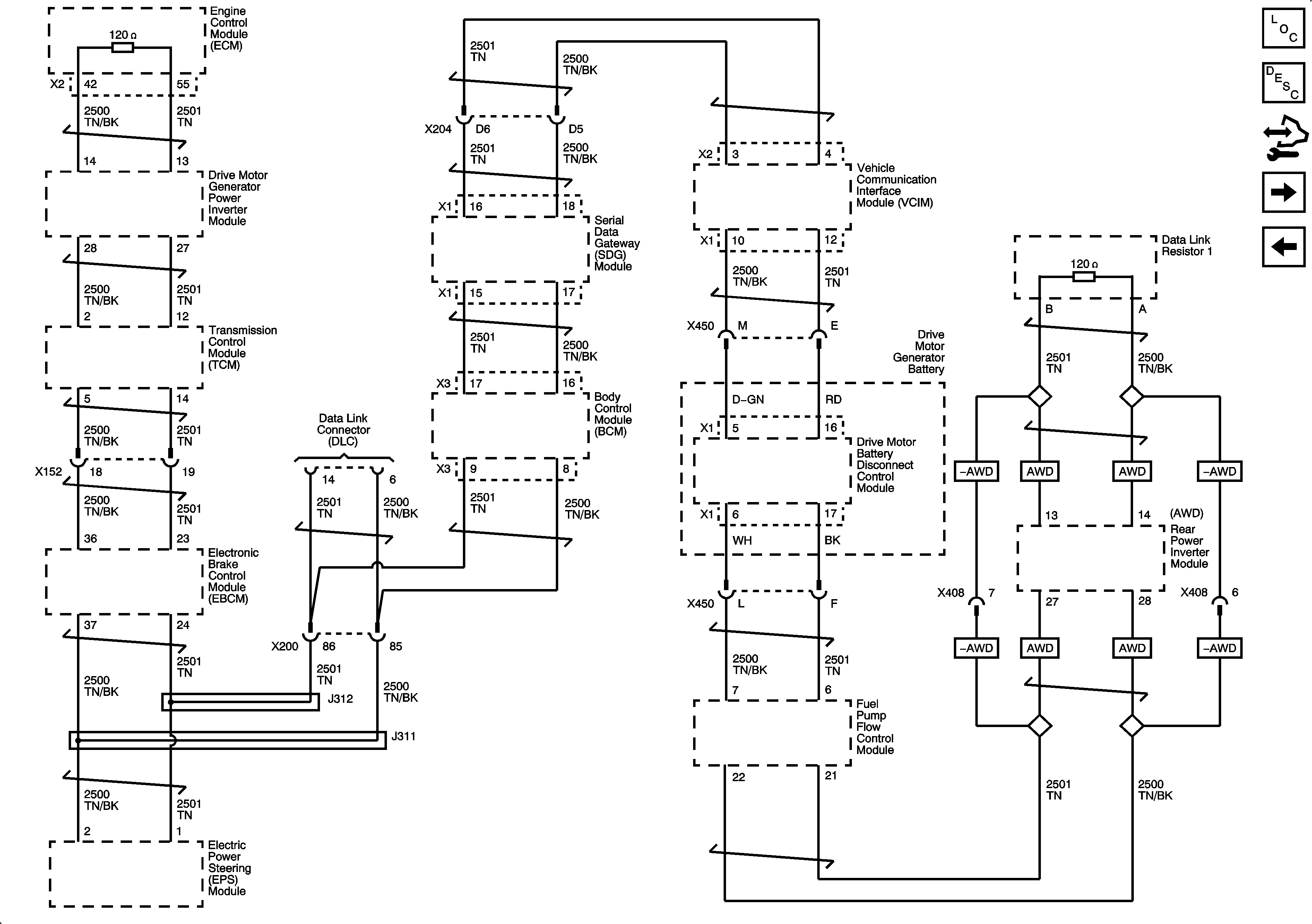
Figure 2:

GM Lan High Speed Bus (HP5)


Object Number: 2102882  Size: FS
Master Electrical Component List
Data Link Communications Description and Operation
Control Module References
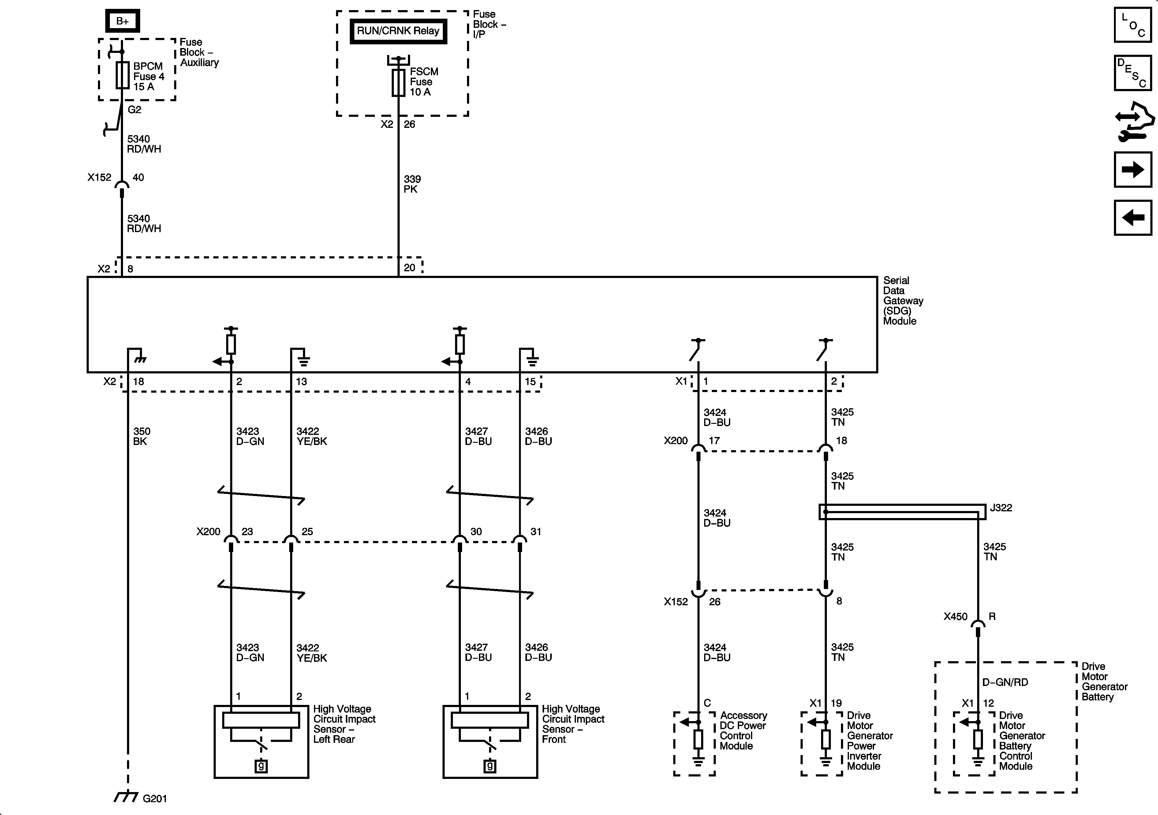
PT LAN High Speed 2 Expansion Bus (HP5)
High Speed GMLAN (without HP5)
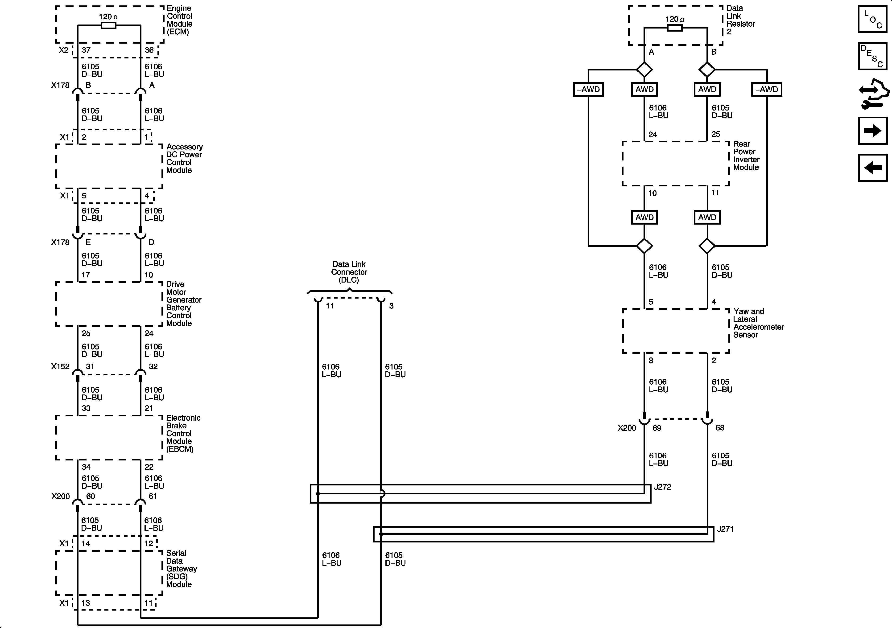
Figure 3:

PT LAN High Speed 2 Expansion Bus (HP5)


Object Number: 2102889  Size: FS
Master Electrical Component List
Data Link Communications Description and Operation
Control Module References
Low Speed GMLAN
High Speed GM LAN (HP5)
Figure 4:

Low Speed GMLAN


Object Number: 2079972  Size: FS
Figure 5:

Serial Data Gateway (HP5)


Object Number: 2102894  Size: FS
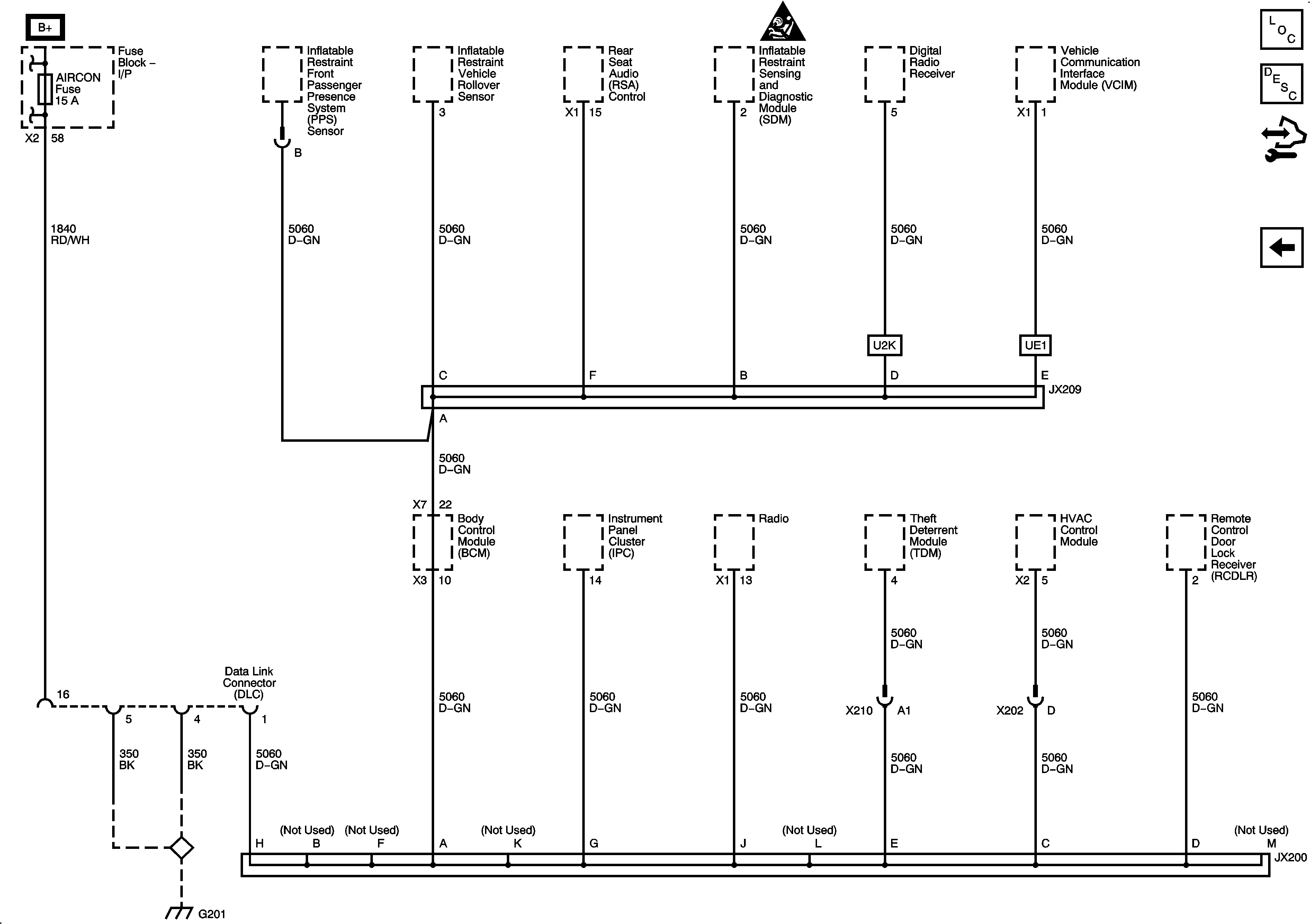
Figure 6:

Serial Data Communications Enable, Accessory Wake Up


Object Number: 2102898  Size: FS