GM Service Manual Online
For 1990-2009 cars only
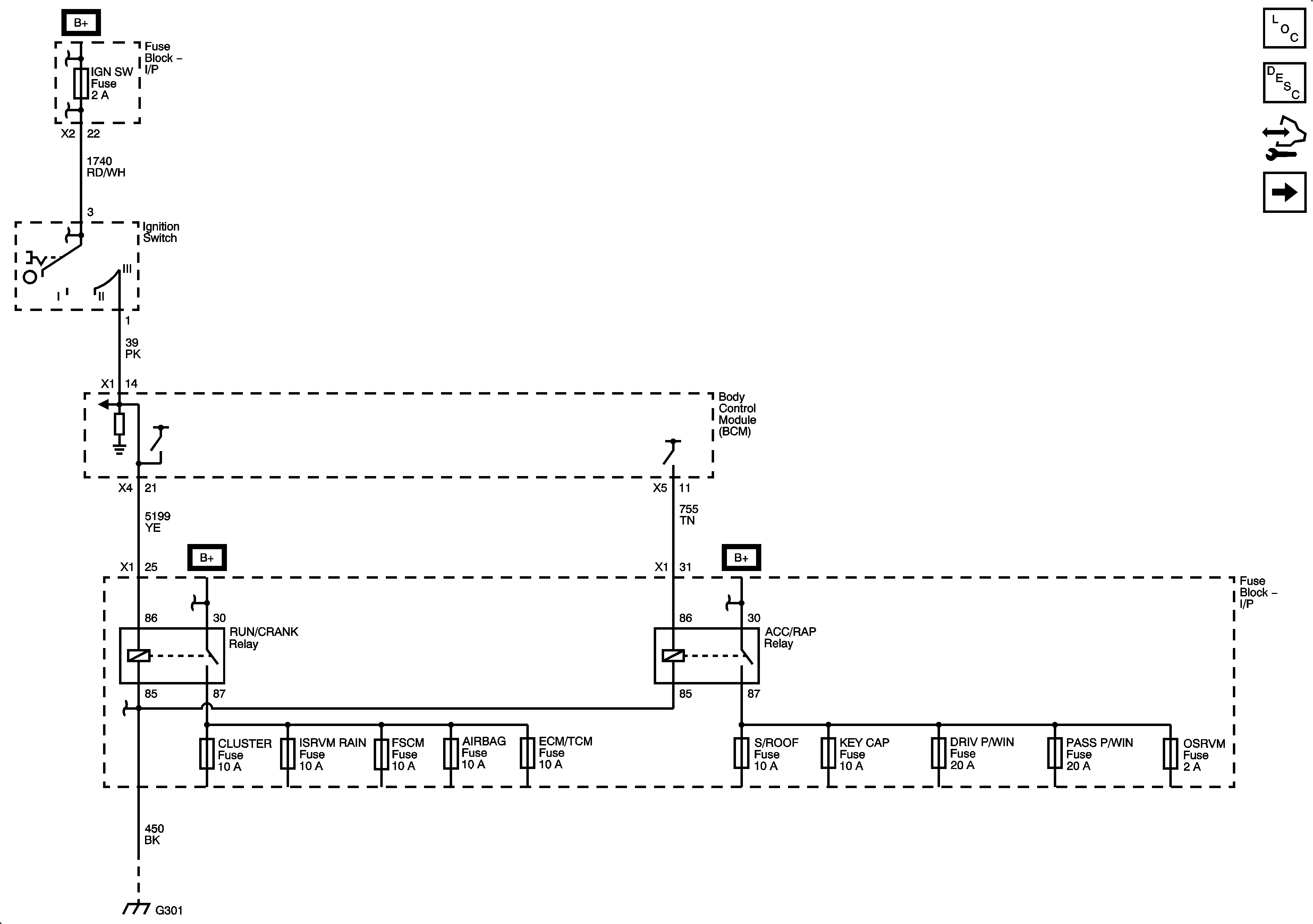
Figure 1:

RAP Relay Control


Object Number: 1883494  Size: FS
Master Electrical Component List
Power Mode Description and Operation
Control Module References
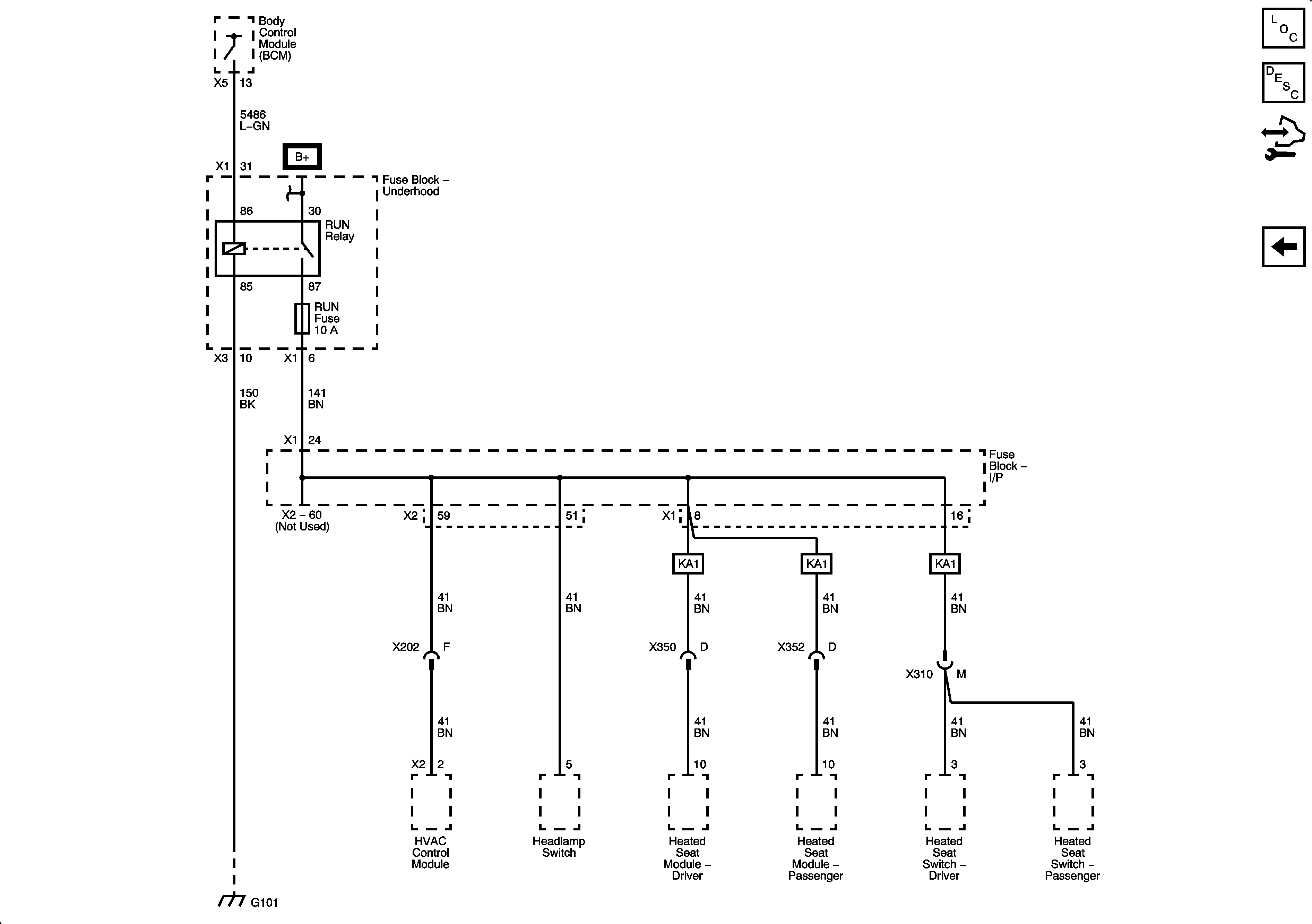
Run Relay
Figure 2:

Run Relay Control


Object Number: 1883495  Size: FS
Master Electrical Component List
Power Mode Description and Operation
Control Module References
RAP Relay Control
Figure 1:

RAP Relay Control


Object Number: 2080155  Size: FS
Figure 2:

Run Relay


Object Number: 2080166  Size: FS
Figure 3:

Data Communications Enable


Object Number: 2102898  Size: FS