GM Service Manual Online
For 1990-2009 cars only

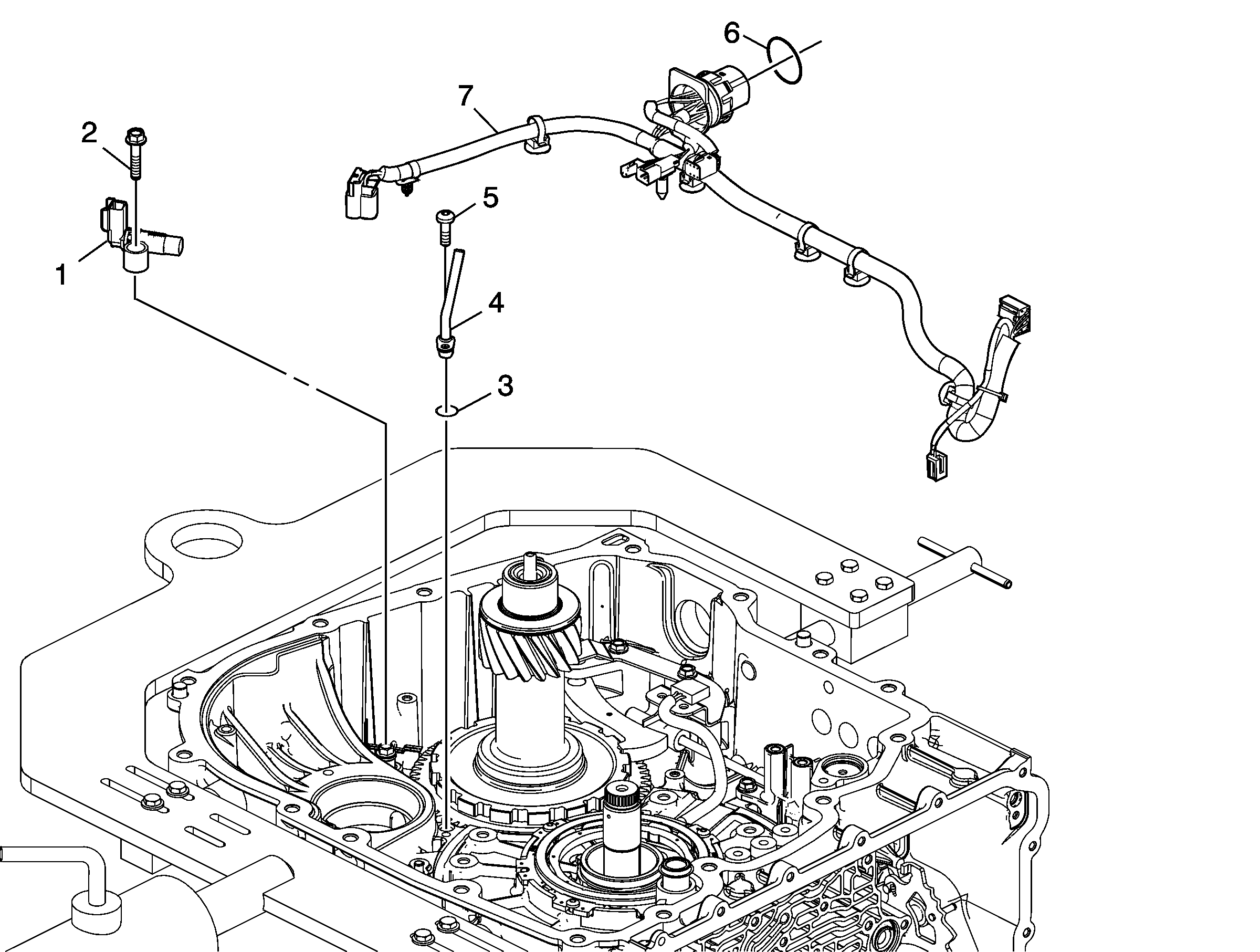
Object Number: 2047327  Size: MF

Callout

Component Name

1

A/Trans Output Speed Sensor Assembly

2

A/Trans Output Speed Sensor Bolt M6 x 30 mm (Qty: 1)

Caution: Use the correct fastener in the correct location. Replacement fasteners must be the correct part number for that application. Fasteners requiring replacement or fasteners requiring the use of thread locking compound or sealant are identified in the service procedure. Do not use paints, lubricants, or corrosion inhibitors on fasteners or fastener joint surfaces unless specified. These coatings affect fastener torque and joint clamping force and may damage the fastener. Use the correct tightening sequence and specifications when installing fasteners in order to avoid damage to parts and systems.

Tighten
9 N·m (80 lb in)

3

Front Differential Carrier Lube Pipe Seal

4

Front Differential Carrier Lube Pipe

5

Front Differential Carrier Lube Pipe Bolt M5 x 16 mm (Qty: 1)

Tighten
7 N·m (62 lb in)

6

Wiring Connector Seal

7

A/Trans Wiring Harness Assembly