GM Service Manual Online
For 1990-2009 cars only
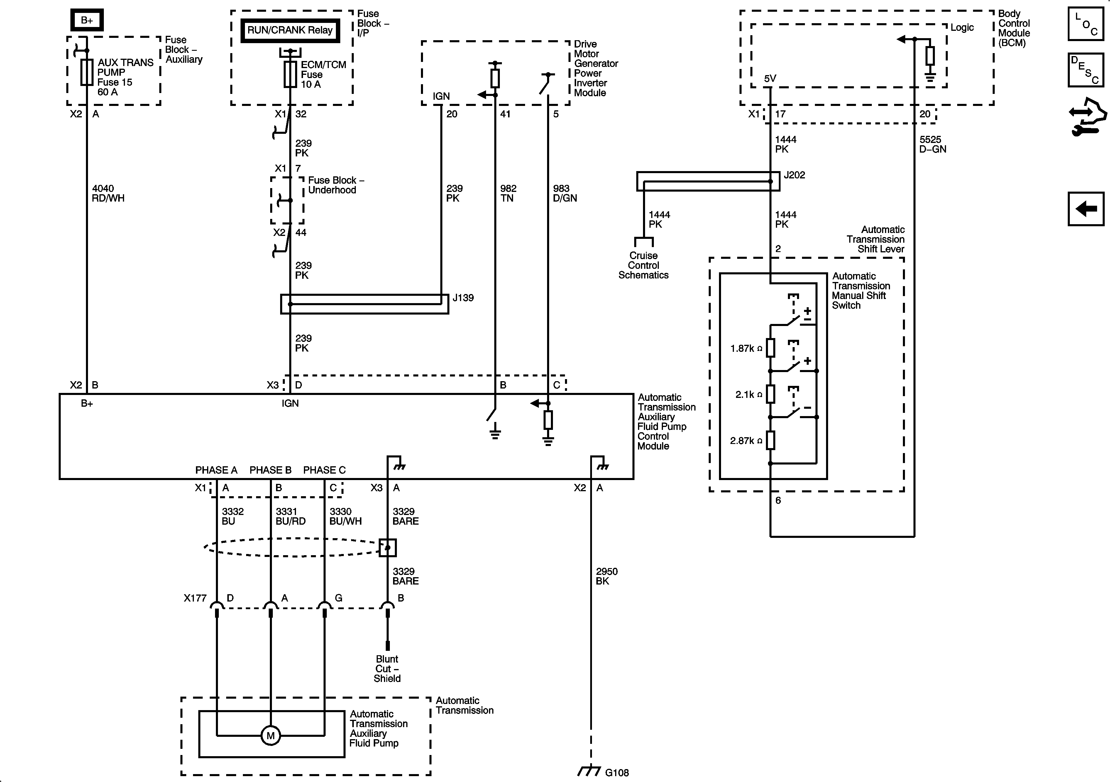
Figure 1:
Object Number: 2150087  Size: FS
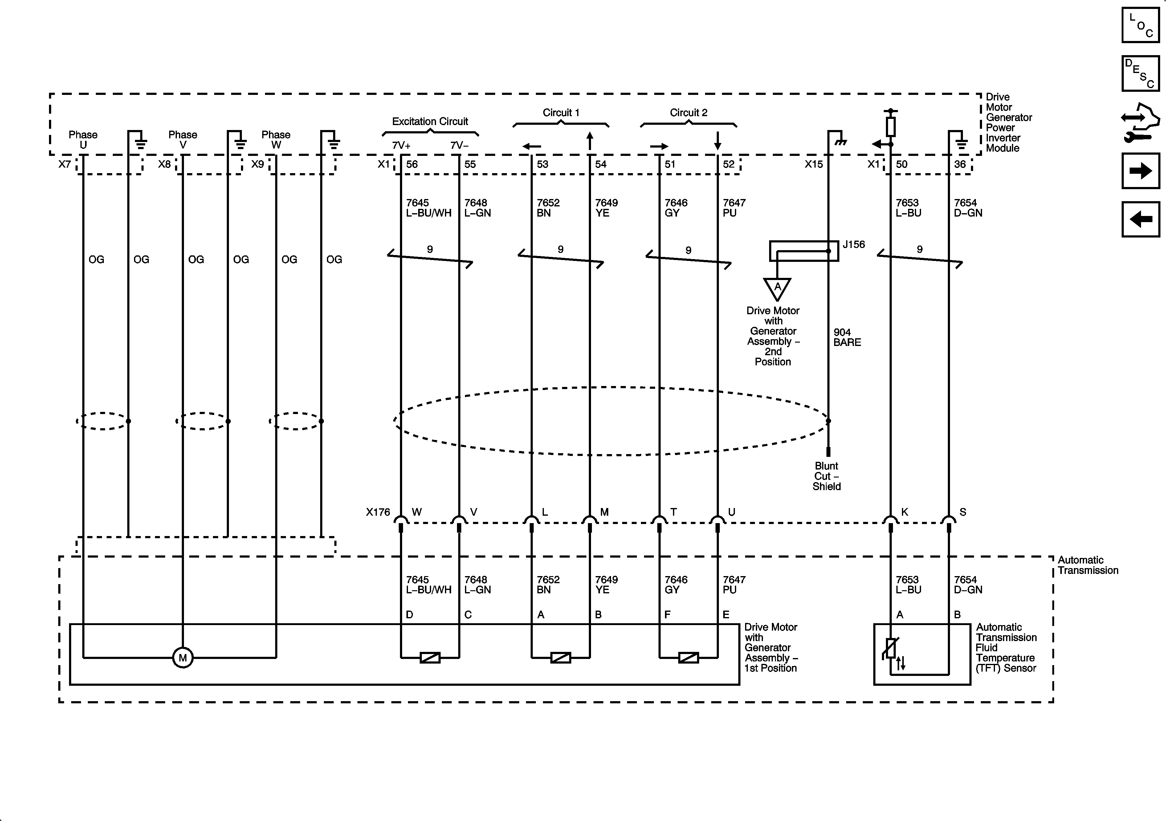
Figure 2:
Object Number: 2150092  Size: FS
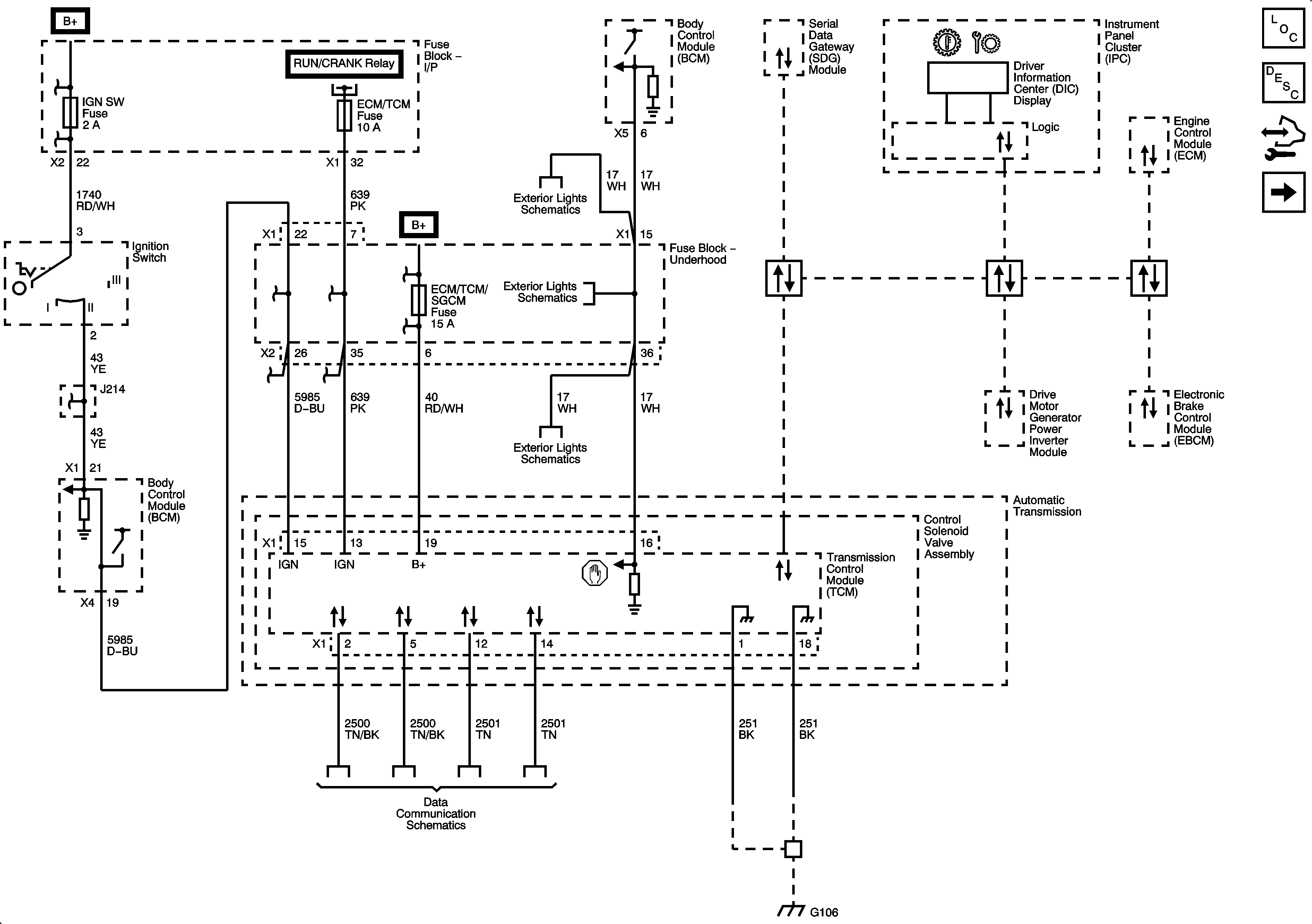
Figure 3:
Object Number: 2148673  Size: FS
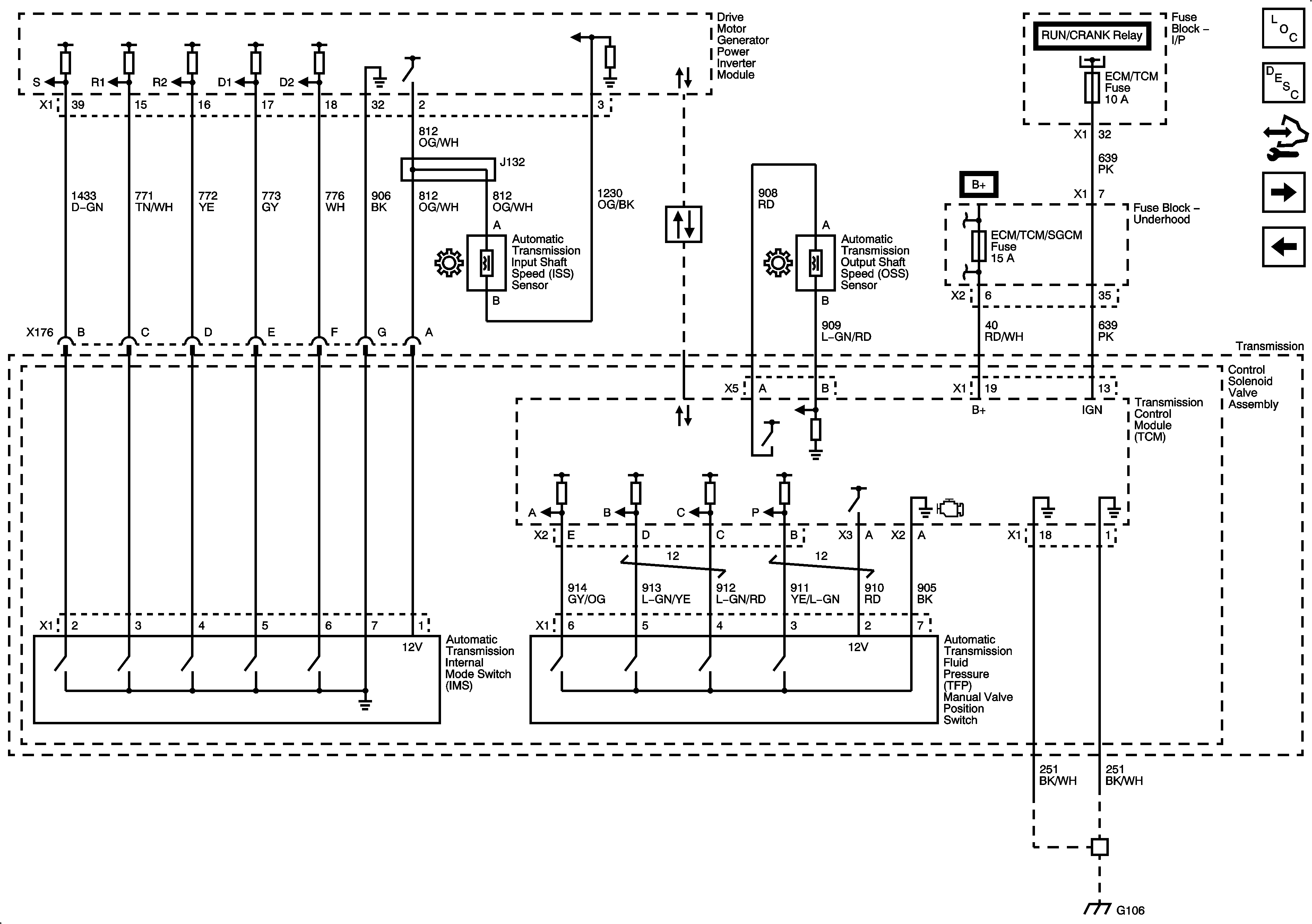
Figure 4:
Object Number: 2148678  Size: FS
Figure 5:
Object Number: 2148682  Size: FS
Figure 6:
Object Number: 2148687  Size: FS