GM Service Manual Online
For 1990-2009 cars only
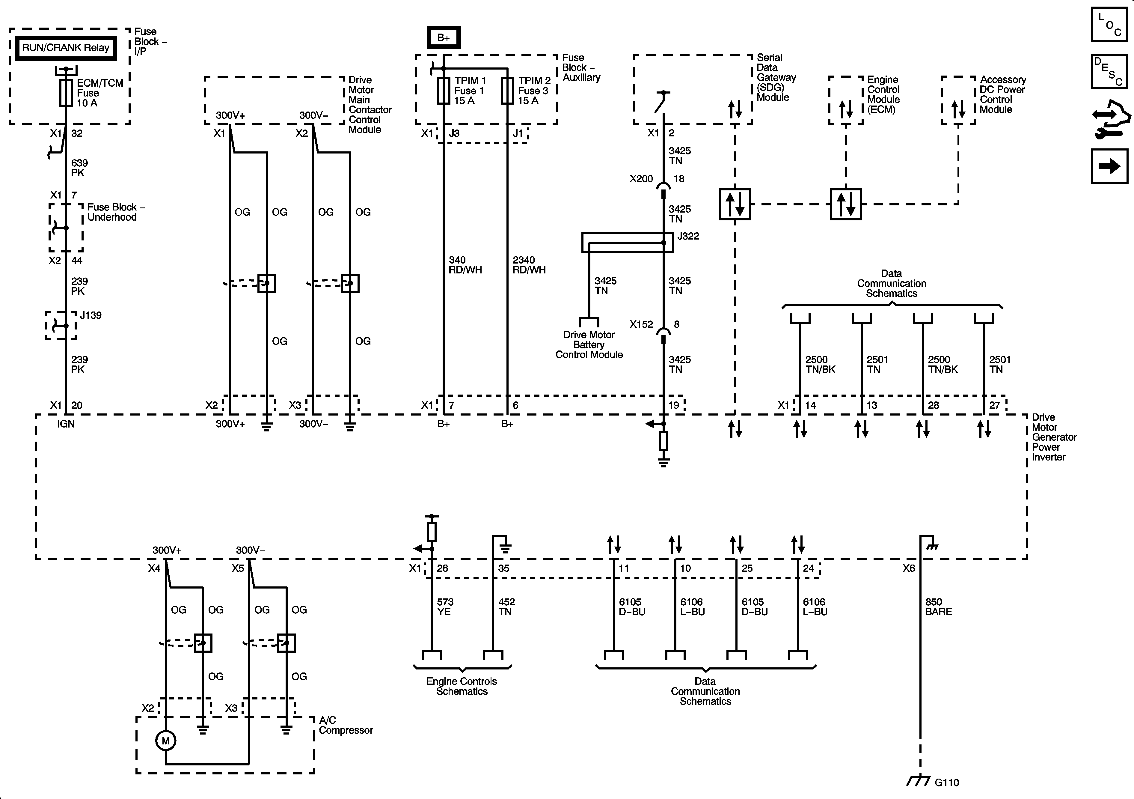
Figure 1:

Drive Motor Generator Power Inverter Module Power, Grounds, Data Communications and A/C Compressor


Object Number: 2148643  Size: FS
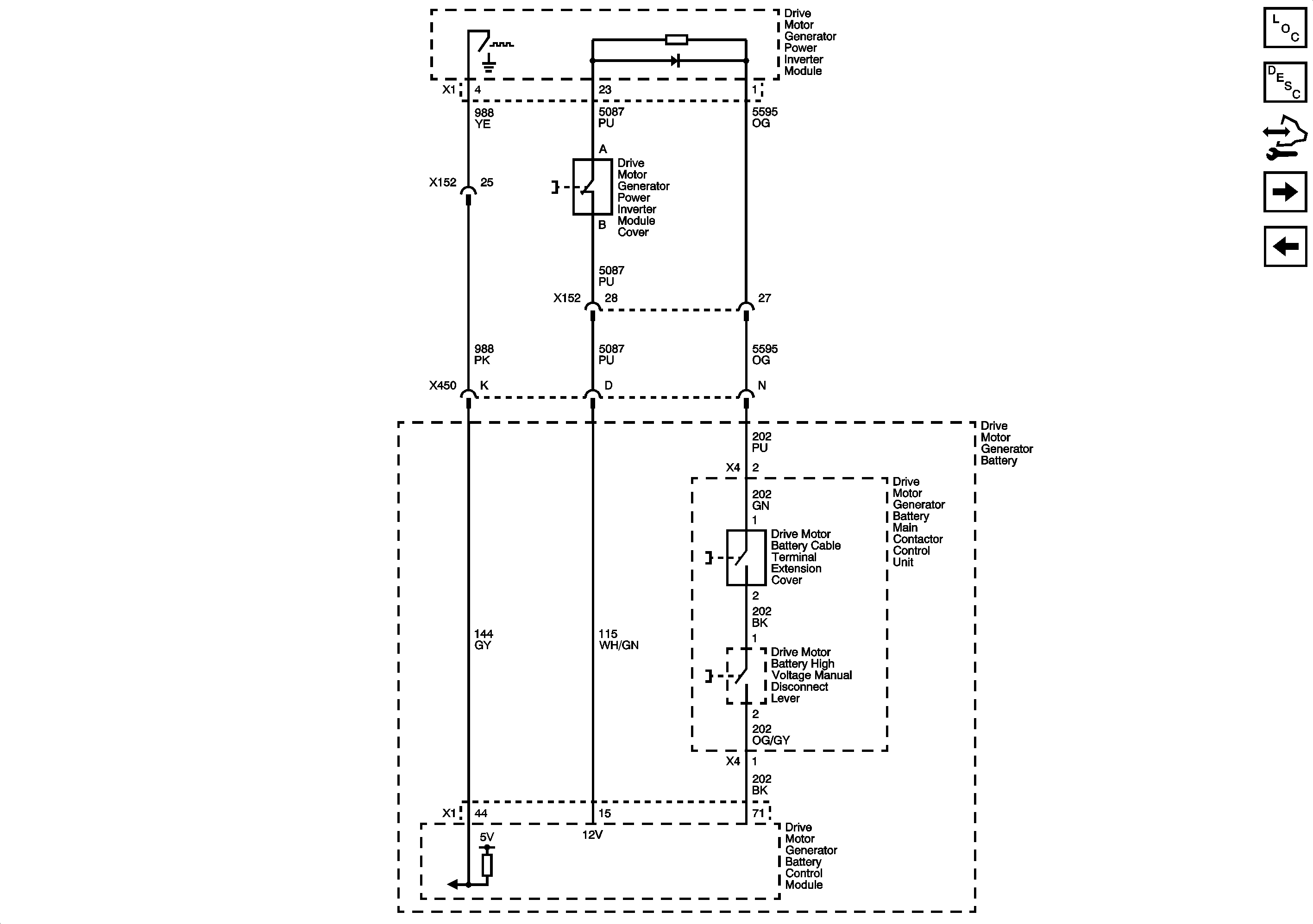
Figure 2:

Main Contactors Relays


Object Number: 2148655  Size: FS
Figure 3:

High Voltage Interlock Link


Object Number: 2148661  Size: FS
Figure 4:

Transmission Speed Sensors (ISS/OSS), IMS and TFP Switches


Object Number: 2148673  Size: FS
Figure 5:

Drive Motor and Generator Assembly and Temperature Sensor 1st Position


Object Number: 2148678  Size: FS
Figure 6:

Drive Motor and Generator Assembly and Temperature Sensor 2nd Position


Object Number: 2148682  Size: FS
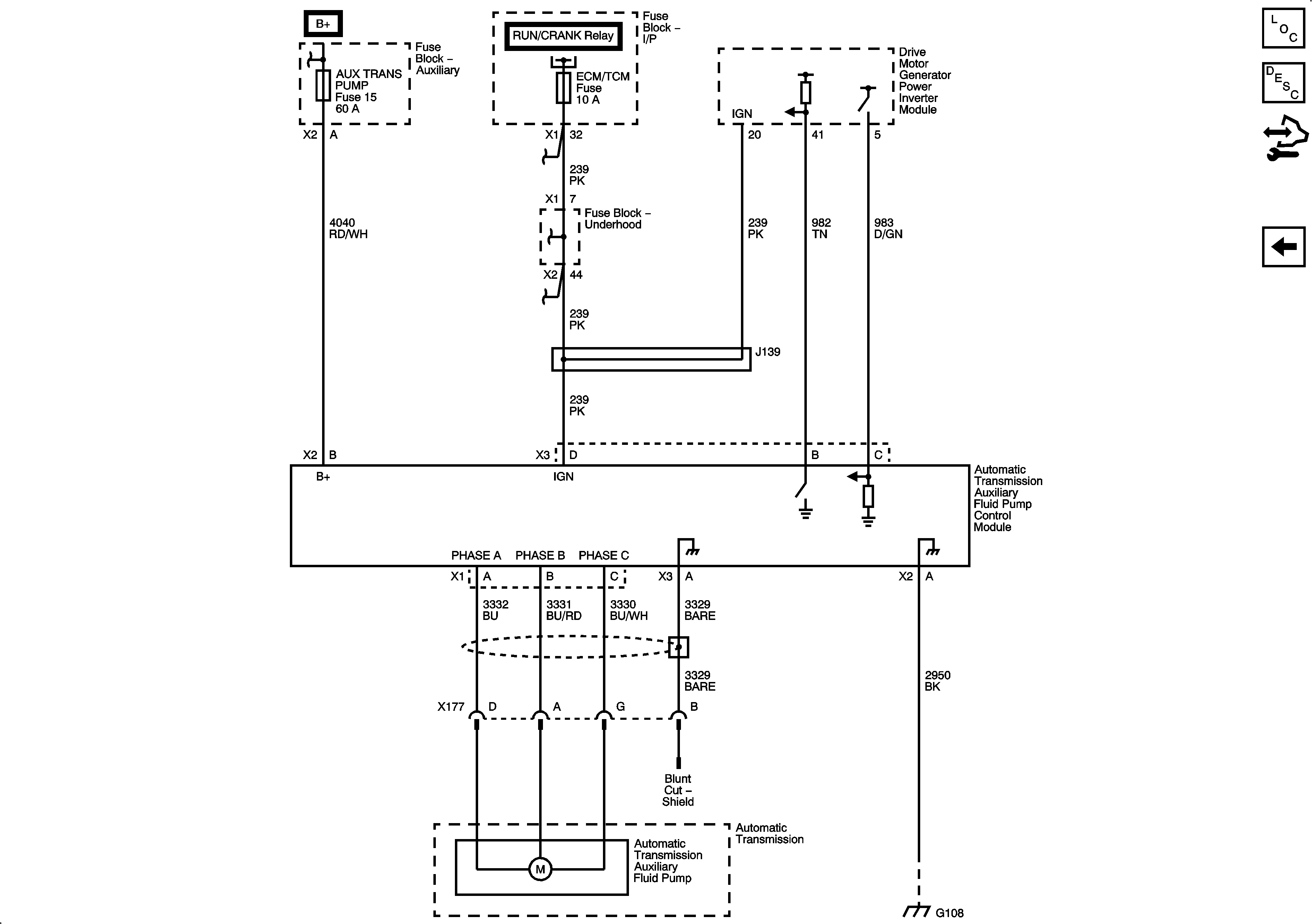
Figure 7:

Transmission Fluid Pump Controls


Object Number: 2169996  Size: FS
Figure 8:

Accessory DC Power Control Module and Hybrid Power Steering


Object Number: 2148689  Size: FS