GM Service Manual Online
For 1990-2009 cars only
Makes
🢒
Chevrolet
🢒
2009
🢒
Captiva Sport
🢒
Diagnostic Navigation
🢒
Vehicle Diagnostic Information
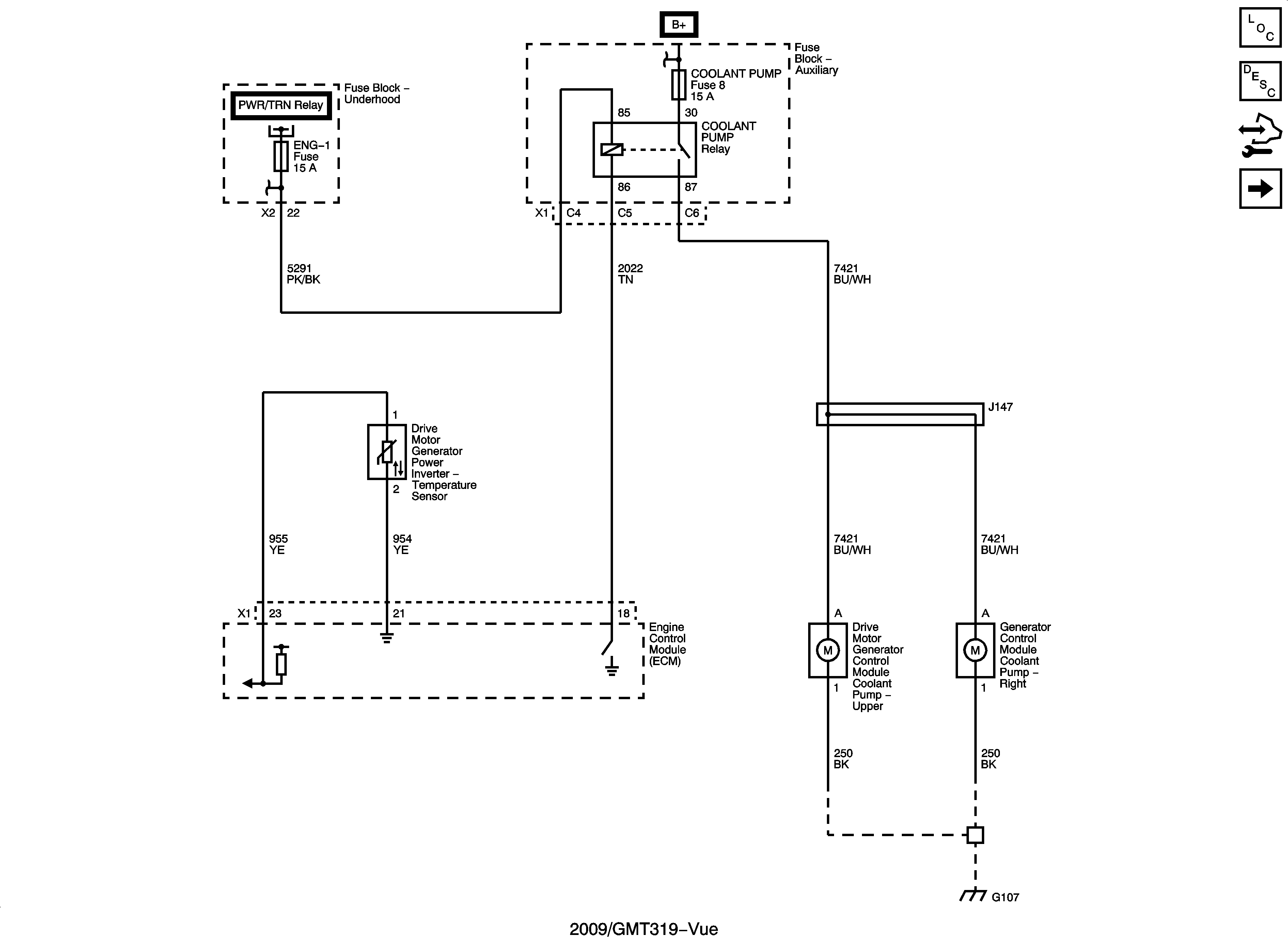
🢒 Hybrid Cooling Schematics
Figure
1:
Drive Motor Generator Control Module Cooling Pumps
Figure
2:
Drive Motor Battery Cooling Controls