GM Service Manual Online
For 1990-2009 cars only
Figure 1:

Engine Control Module (ECM) Power, Ground, Serial Data and MIL


Object Number: 1877880  Size: FS
Master Electrical Component List
Engine Control Module Description
Control Module References
5 Volt and Low Reference
Figure 2:

Engine Data Sensors 5 Volt and Low Reference


Object Number: 1877884  Size: FS
Master Electrical Component List
Engine Control Module Description
Control Module References
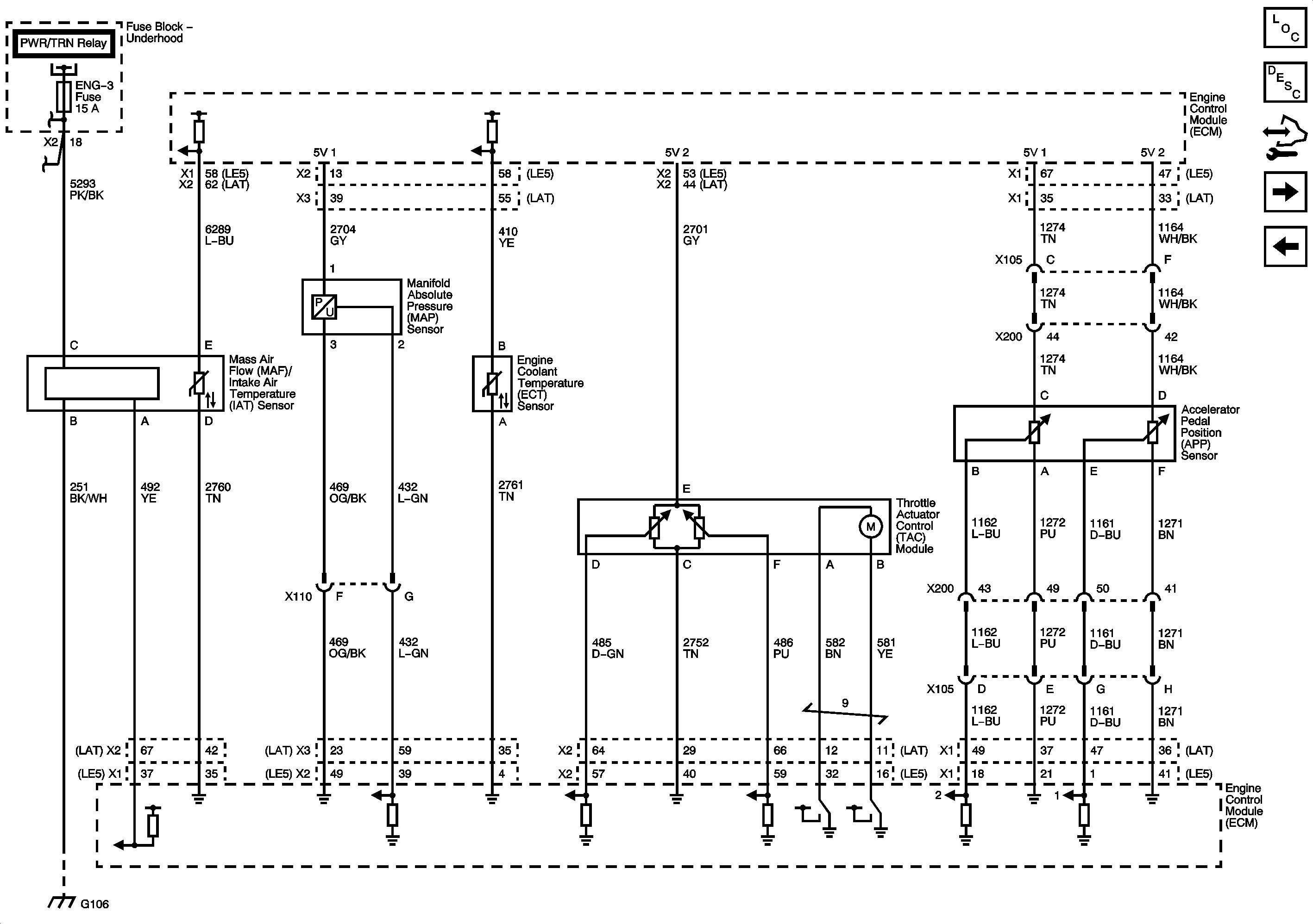
Data Sensors, Temperature, MAF/IAT
Module Power, Ground, serial Data and MIL
Figure 3:

Engine Data Sensors Pressure, Temperature and MAF/IAT


Object Number: 1877885  Size: FS
Master Electrical Component List
Air Intake System Description
Control Module References
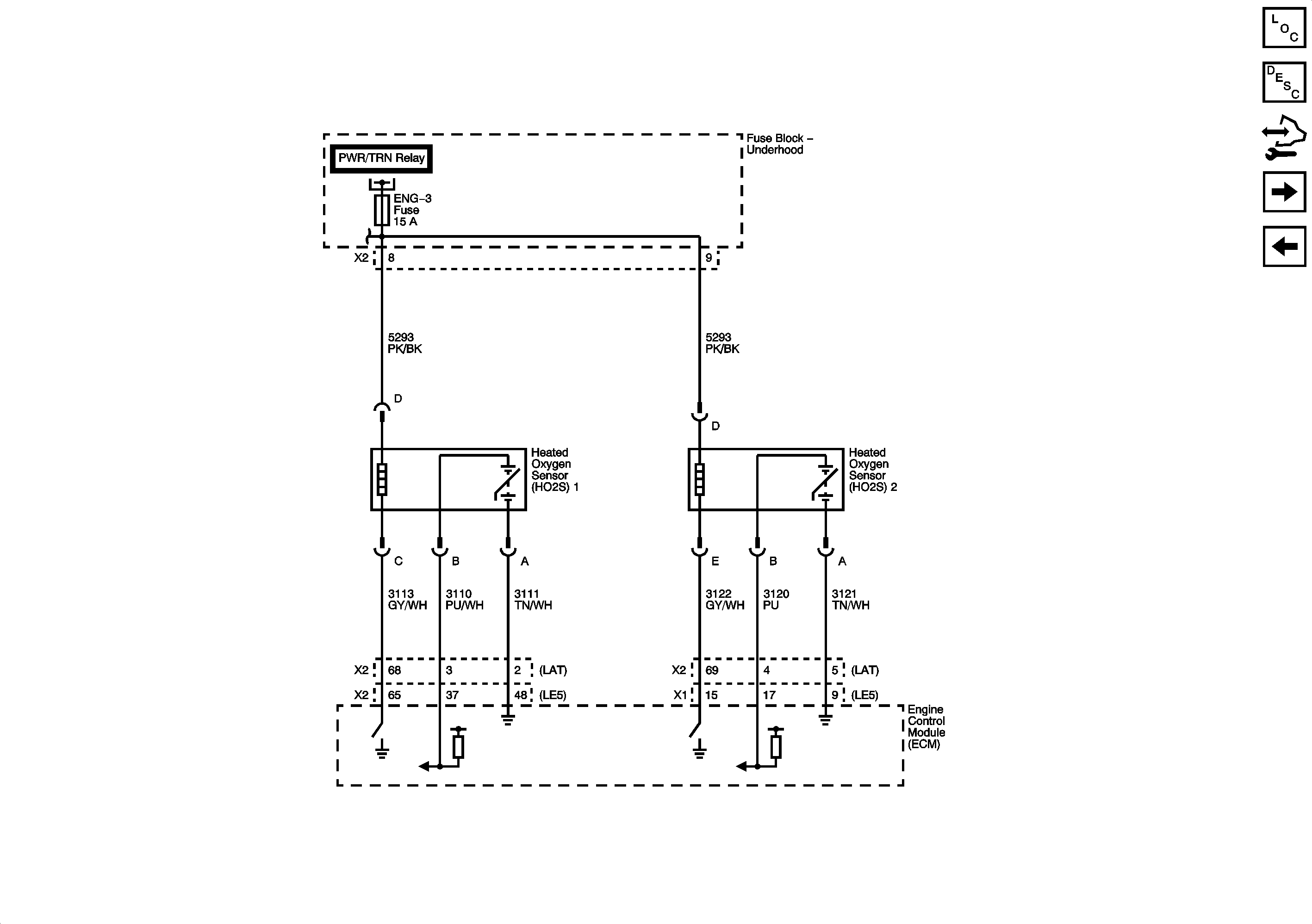
Heated Oxygen Sensors (HO2S)
5 Volt and Low Reference
Figure 4:

Heated Oxygen Sensors (HO2S)


Object Number: 1877887  Size: FS
Master Electrical Component List
Control Module References
Engine Data Sensors APP and TAC
Data Sensors, Temperature, MAF/IAT
Figure 5:

Engine Data Sensors APP and TAC


Object Number: 1877893  Size: FS
Master Electrical Component List
Throttle Actuator Control (TAC) System Description
Control Module References
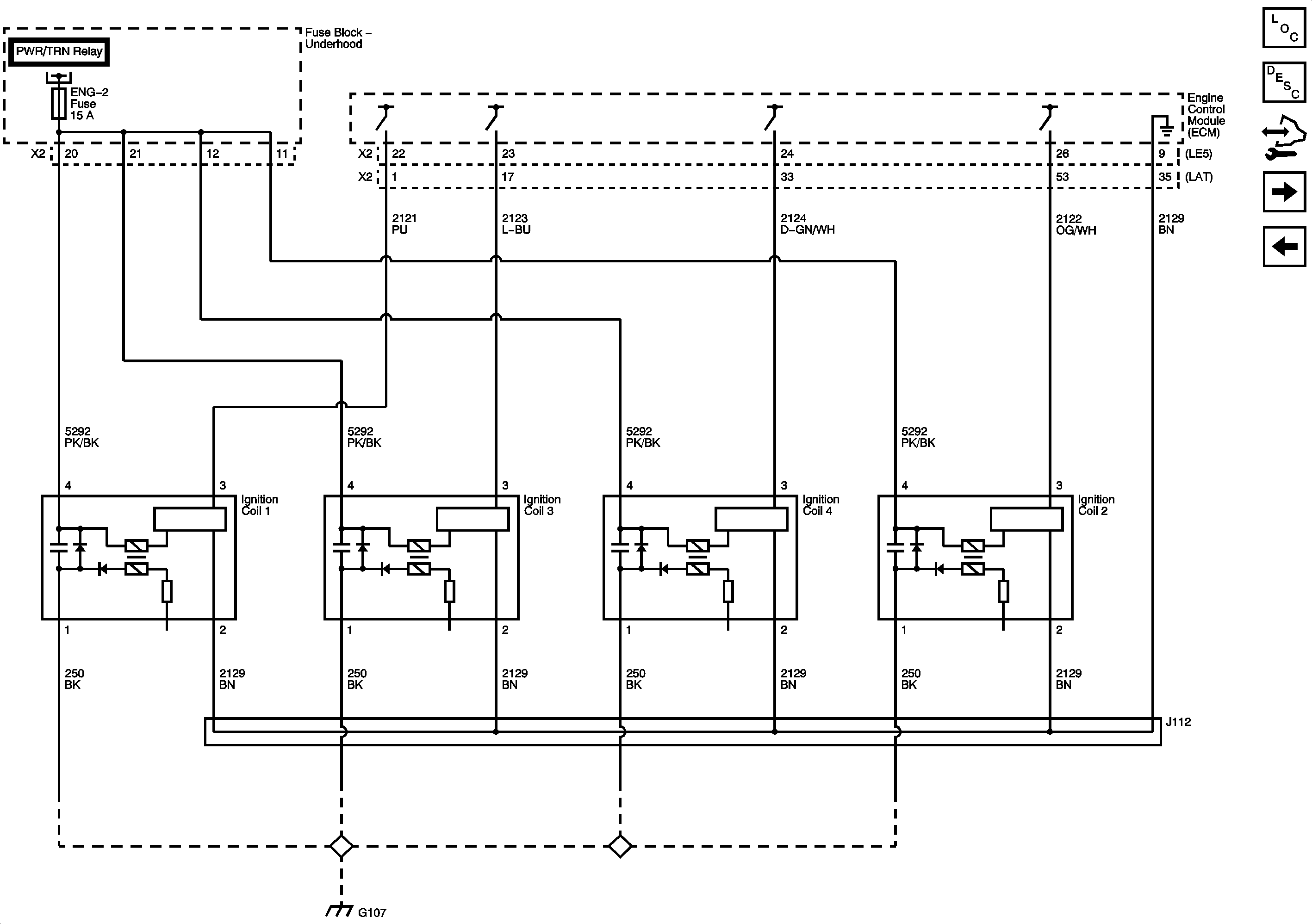
Ignition Controls
Heated Oxygen Sensors (HO2S)
Figure 6:

Ignition Controls


Object Number: 1877897  Size: FS
Master Electrical Component List
Electronic Ignition (EI) System Description
Control Module References
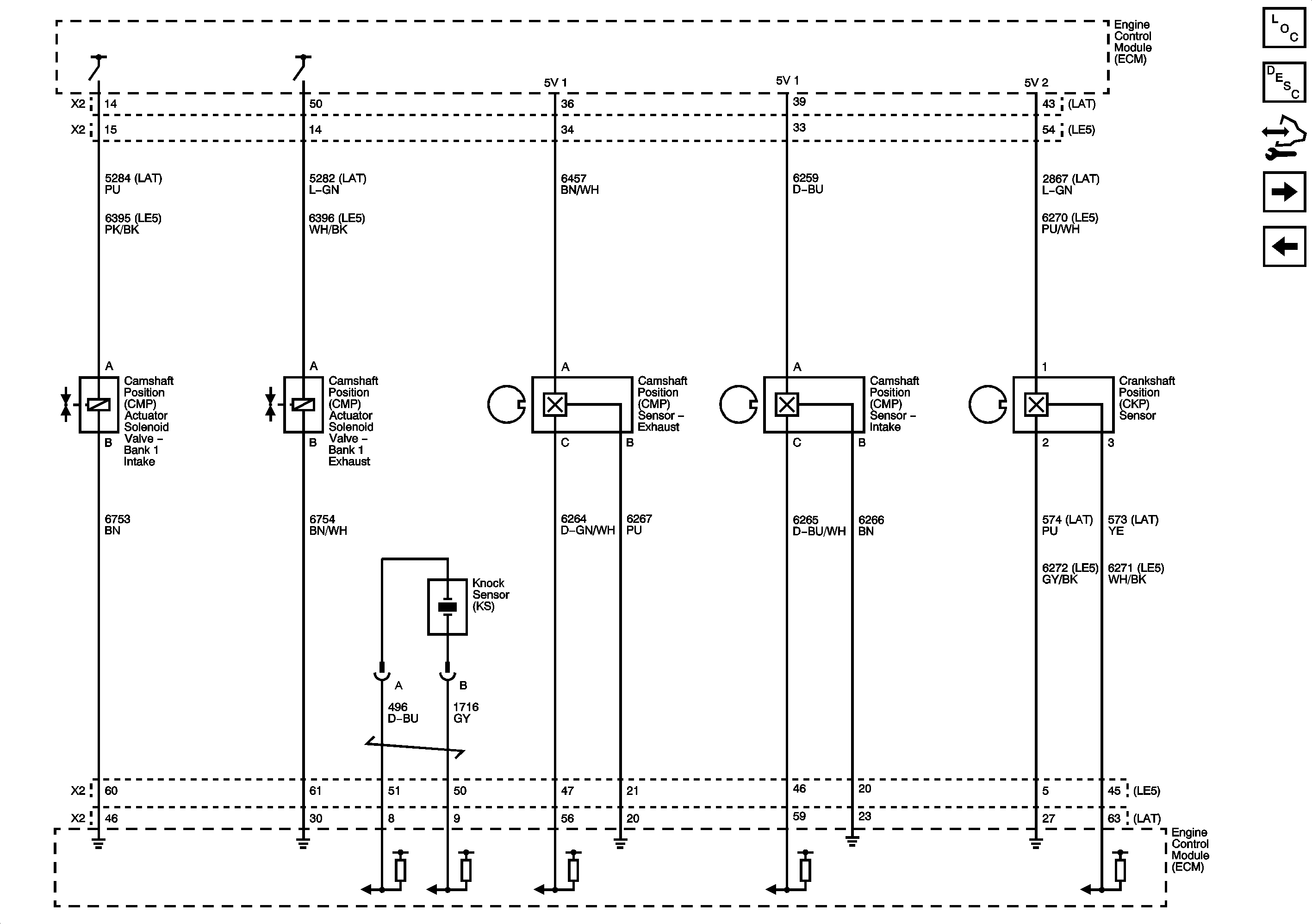
Ignition Controls Camshaft (CMP), Crankshaft (CKP) and Knock (KS) Sensors
Engine Data Sensors APP and TAC
Figure 7:

Ignition Controls Camshaft (CMP), Crankshaft (CKP) and Knock (KS) Sensors


Object Number: 1877900  Size: FS
Master Electrical Component List
Electronic Ignition (EI) System Description
Control Module References
Fuel Controls
Ignition Controls
Figure 8:

Fuel Controls-Fuel Injectors


Object Number: 1877904  Size: FS
Master Electrical Component List
Fuel System Description
Control Module References
Fuel Pump Controls
Ignition Controls Camshaft (CMP), Crankshaft (CKP) and Knock (KS) Sensors
Figure 9:

Fuel Pump Control Module


Object Number: 1877907  Size: FS
Master Electrical Component List
Fuel System Description
Control Module References
Evaporative Emissions (EVAP) Controls
Fuel Controls
Figure 10:

Evaporative Emissions (EVAP) Controls


Object Number: 1877909  Size: FS
Master Electrical Component List
Evaporative Emission Control System Description
Control Module References
Controlled/Monitored Subsystem References
Fuel Pump Controls
Figure 11:

Controlled/Monitored Subsystem References


Object Number: 1877917  Size: FS
Master Electrical Component List
Engine Control Module Description
Control Module References
Evaporative Emissions (EVAP) Controls
Figure 1:

Power, Ground, Serial Data and MIL (LAT/LE5)


Object Number: 2079711  Size: FS
Figure 2:

Engine Data Sensors - 5-Volt and Low Reference (LAT/LE5)


Object Number: 2079714  Size: FS
Figure 3:

Engine Data Sensors - Pressure, Temperature and MAF/IAT (LAT/LE5)


Object Number: 2079716  Size: FS
Figure 4:

Engine Data Sensors - Heated Oxygen Sensors (HO2S) (LAT/LE5)


Object Number: 2079718  Size: FS
Figure 5:

Engine Data Sensors - APP and TAC (LAT/LE5)


Object Number: 2079720  Size: FS
Figure 6:

Ignition Controls - Ignition System (LAT/LE5)


Object Number: 1877897  Size: FS
Figure 7:

Ignition Controls - Camshaft (CMP), Crankshaft (CKP) and Knock (KS) Sensors (LAT/LE5)


Object Number: 2079726  Size: FS
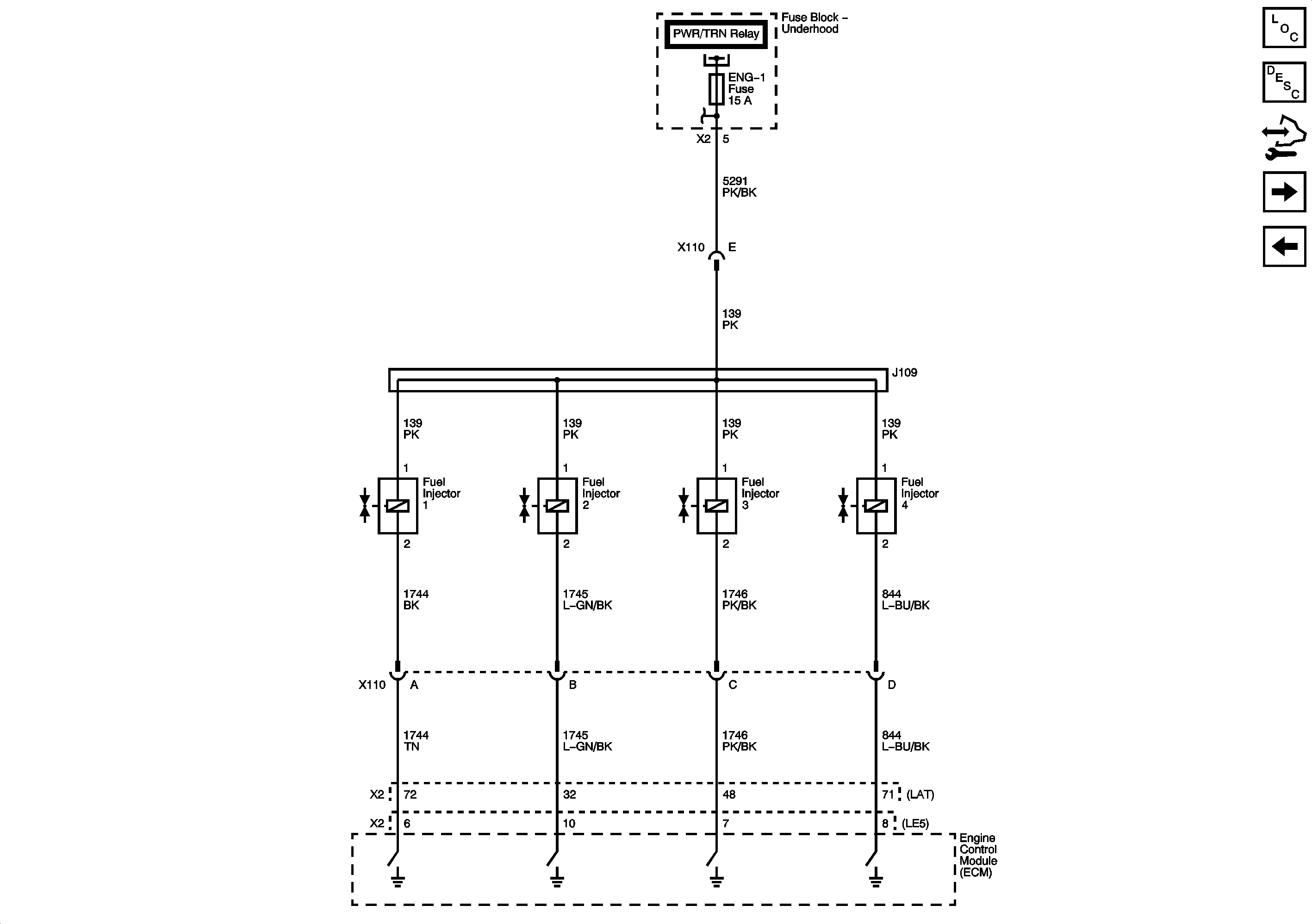
Figure 8:

Fuel Controls - Fuel Injectors (LAT/LE5)


Object Number: 2079730  Size: FS
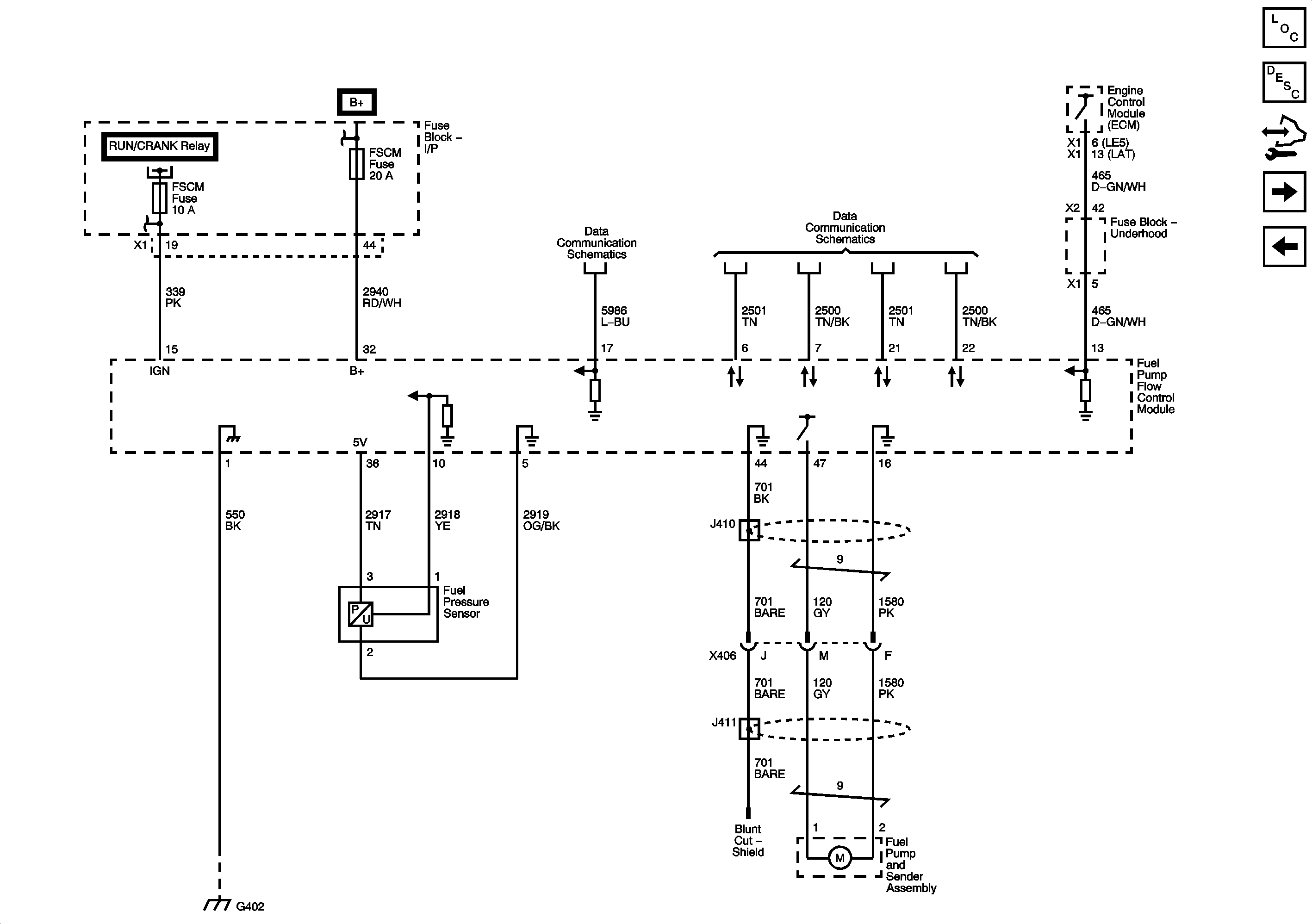
Figure 9:

Fuel Controls - Fuel Pump Control Module (LAT/LE5)


Object Number: 2079732  Size: FS
Figure 10:

Fuel Controls - Evaporative Emissions (EVAP) Controls (LAT/LE5)


Object Number: 2079736  Size: FS
Figure 11:

Secondary Air Injection (AIR) Pump


Object Number: 2102922  Size: FS
Master Electrical Component List
Engine Control Module Description
Control Module References
Fuel Controls - Evaporative Emissions (EVAP) Controls (LAT/LE5)
Figure 12:

Controlled/Monitored Subsystem References (LAT/LE5)


Object Number: 2079738  Size: FS