GM Service Manual Online
For 1990-2009 cars only
Figure 1:

TCM Power and Ground (4T45E)


Object Number: 1883306  Size: FS
Master Electrical Component List
Electronic Component Description
Control Module References
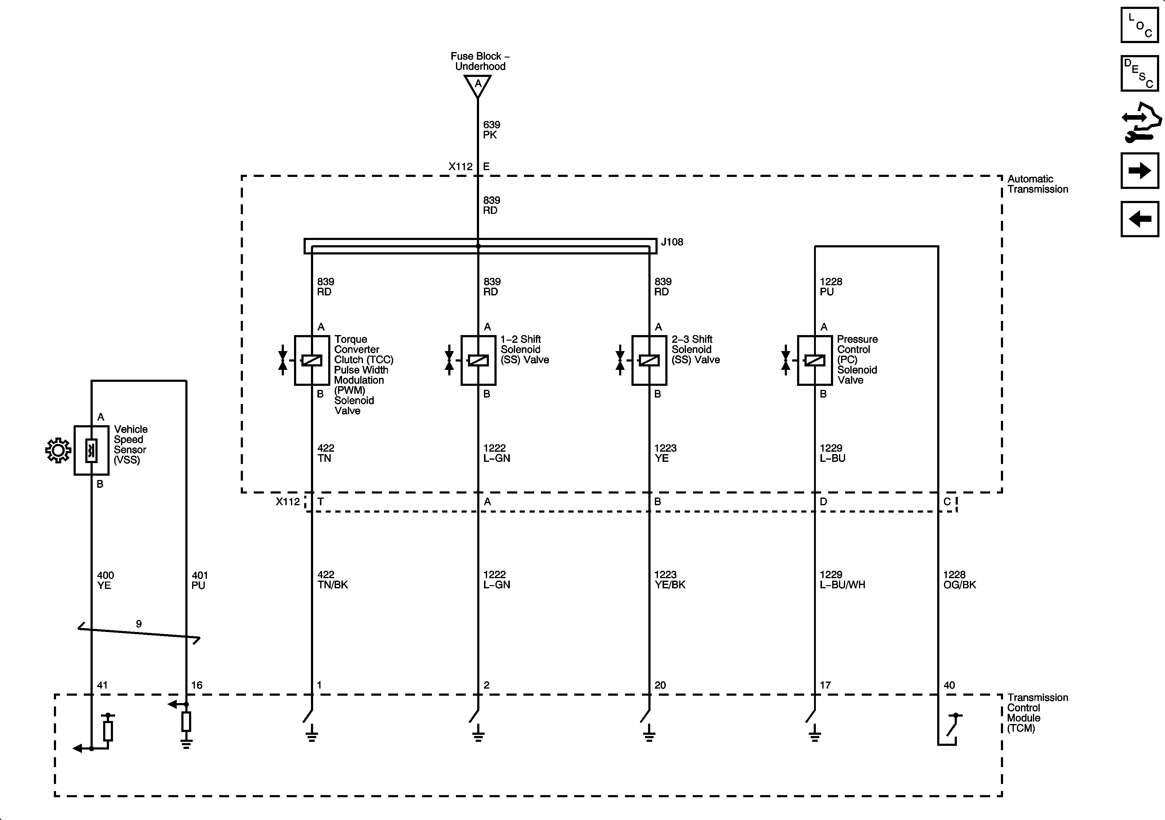
Transmission Solenoids and VSS
Figure 2:

Transmission Solenoids and VSS (4T45E)


Object Number: 1883307  Size: FS
Master Electrical Component List
Electronic Component Description
Control Module References
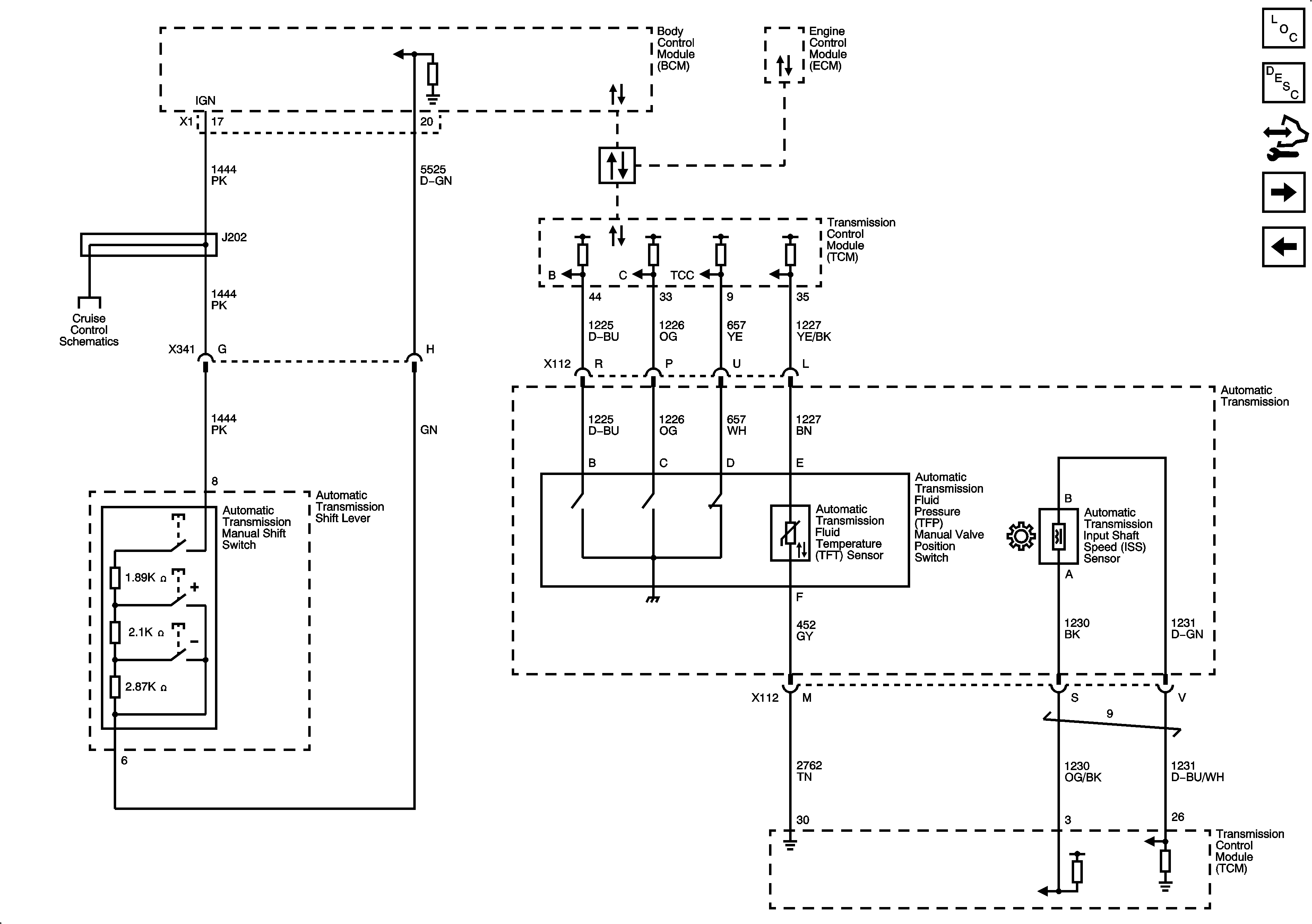
Pressure Switches, TFT and A/T ISS Sensors
TCM Power and Ground
Figure 3:

Pressure Switches, TFT and AT ISS Sensors (4T45E)


Object Number: 1883308  Size: FS
Master Electrical Component List
Electronic Component Description
Control Module References
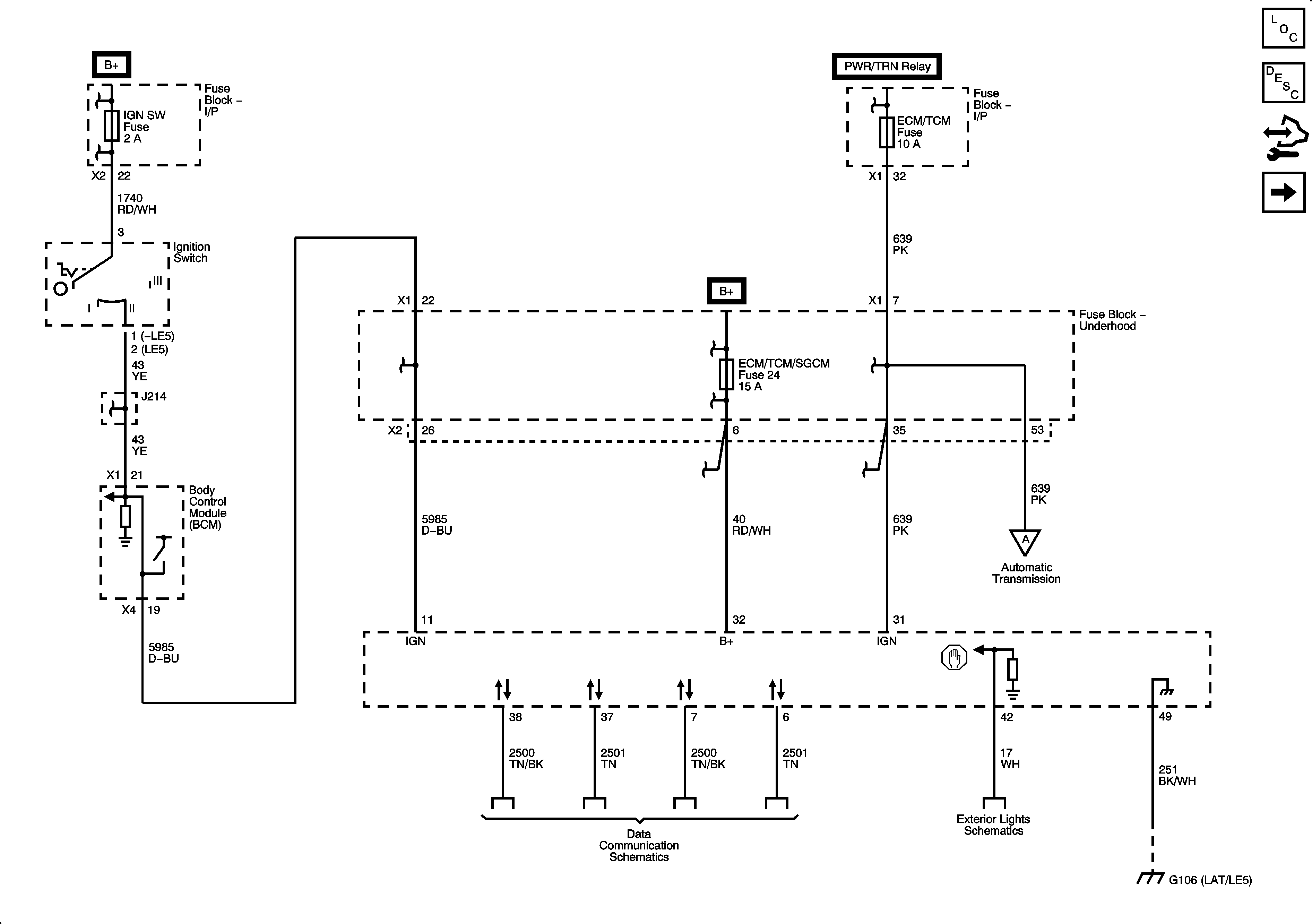
PNP Switch
Transmission Solenoids and VSS
Figure 4:

PNP Switch (4T45E)


Object Number: 1883309  Size: FS
Master Electrical Component List
Electronic Component Description
Control Module References
Pressure Switches, TFT and A/T ISS Sensors
Figure 1:

TCM Power and Ground (4T45E)


Object Number: 2080395  Size: FS
Figure 2:

Transmission Solenoids and VSS (4T45E)


Object Number: 2080399  Size: FS
Figure 3:

Pressure Switches, TFT, AT ISS Sensors and TapUP/TapDown Switch (4T45E)


Object Number: 2080403  Size: FS
Figure 4:

PNP Switch (4T45E)


Object Number: 2080407  Size: FS