GM Service Manual Online
For 1990-2009 cars only
Figure 1:

Module Power and Grounds


Object Number: 1883284  Size: FS
Master Electrical Component List
Air Delivery Description and Operation
Control Module References
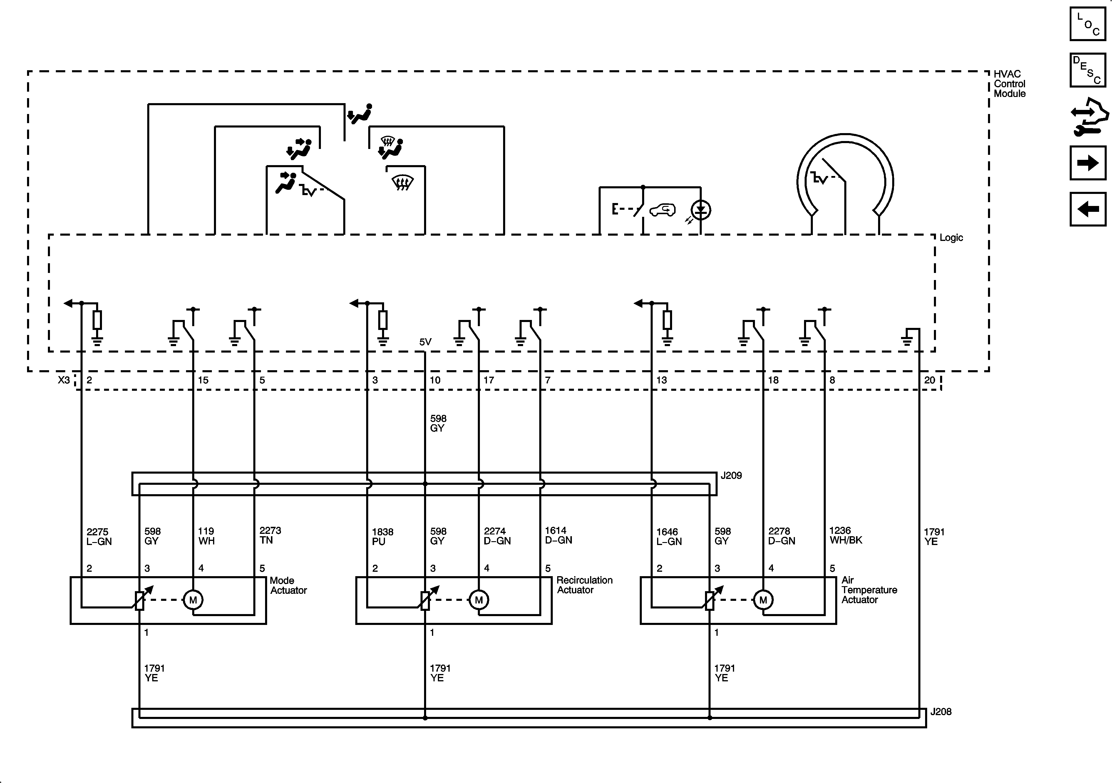
Mode Controls
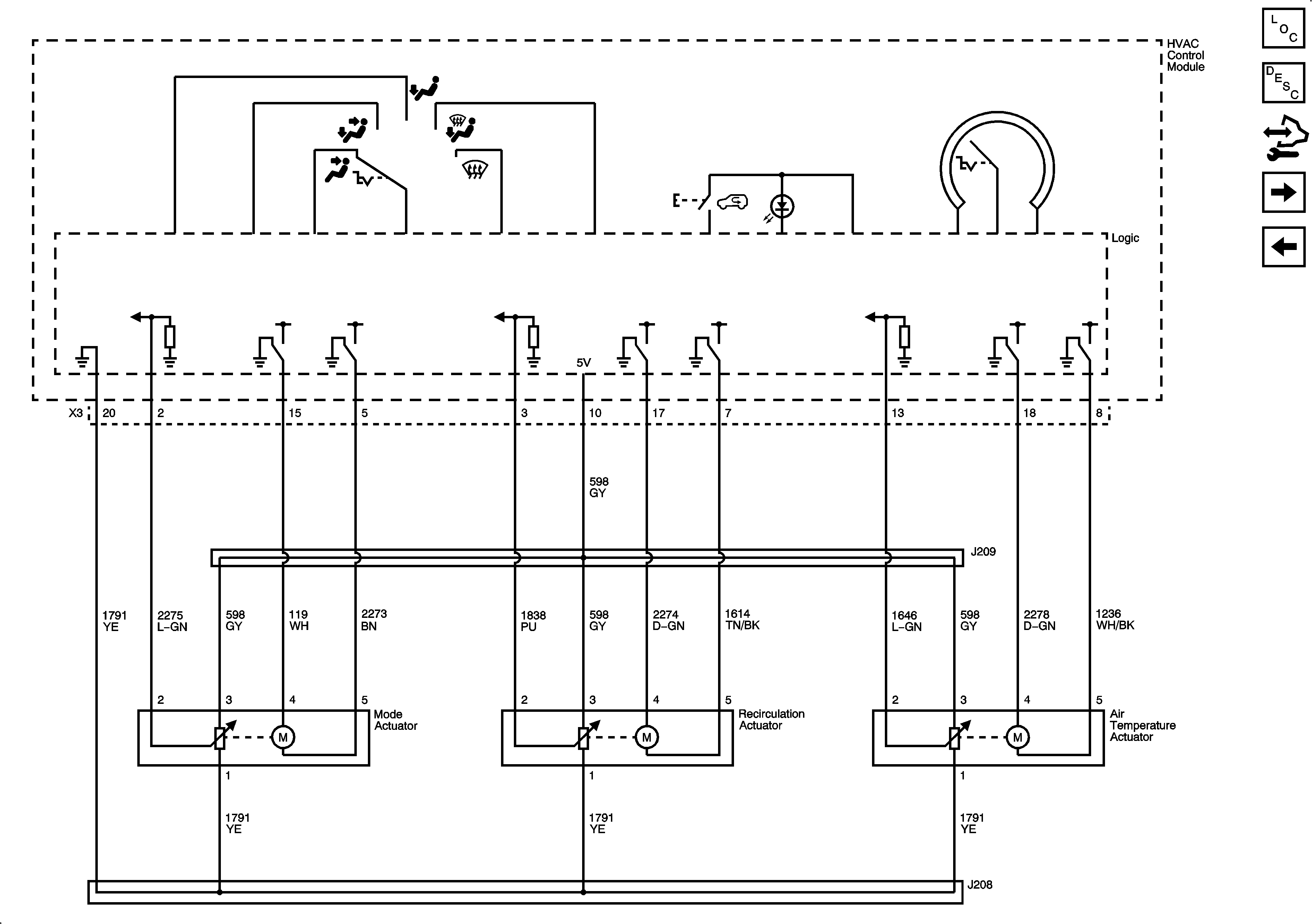
Figure 2:

Mode Controls


Object Number: 1883286  Size: FS
Master Electrical Component List
Air Delivery Description and Operation
Control Module References
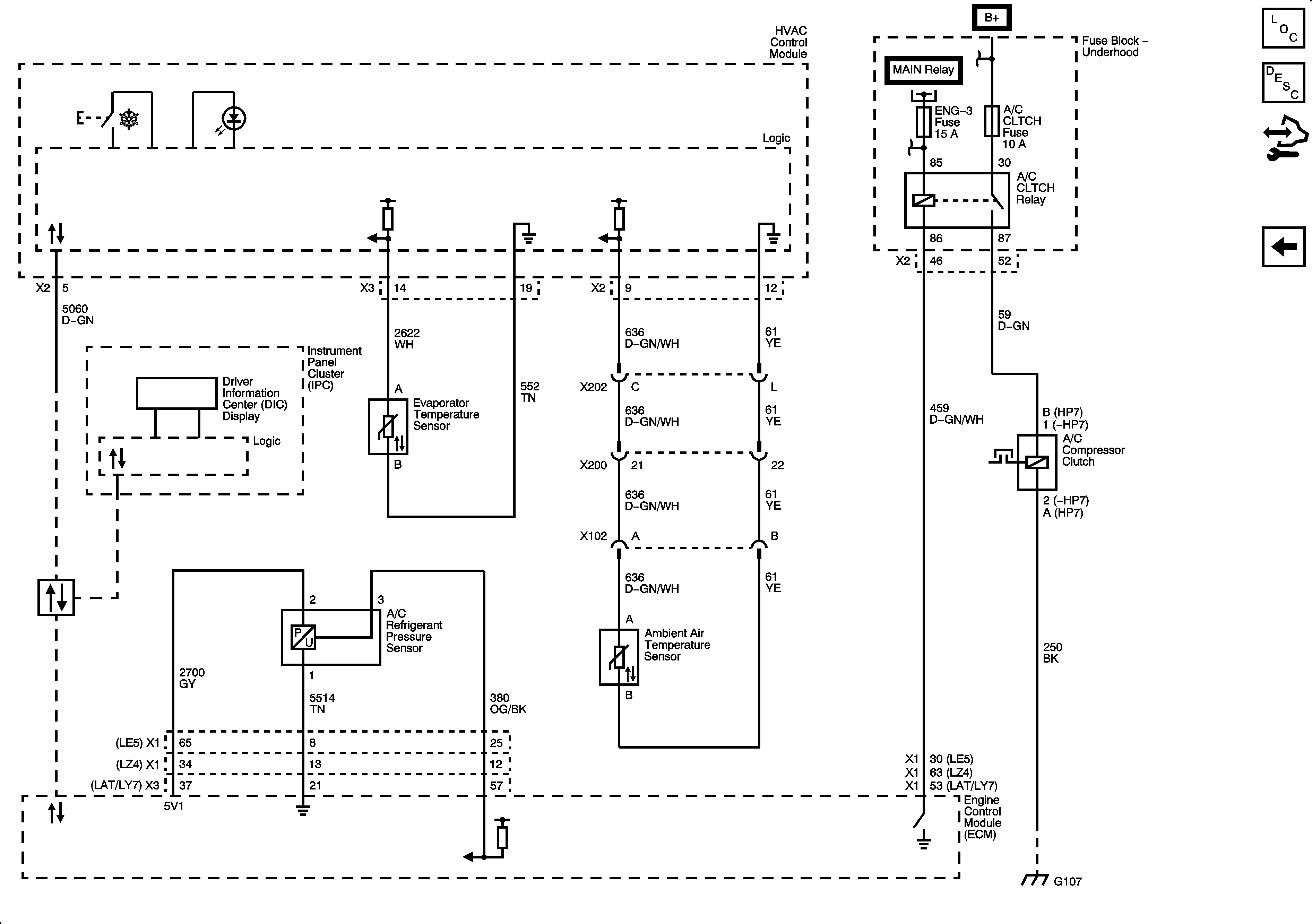
Compressor Controls
Module Power and Grounds
Figure 3:

Compressor Controls


Object Number: 1883289  Size: FS
Master Electrical Component List
Air Temperature Description and Operation
Control Module References
Mode Controls
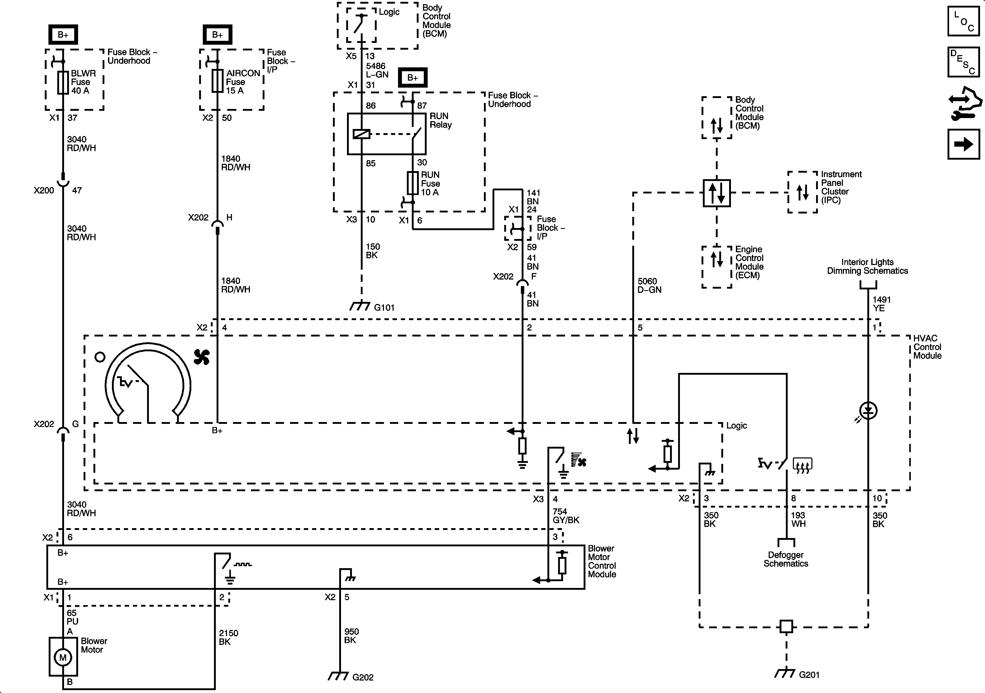
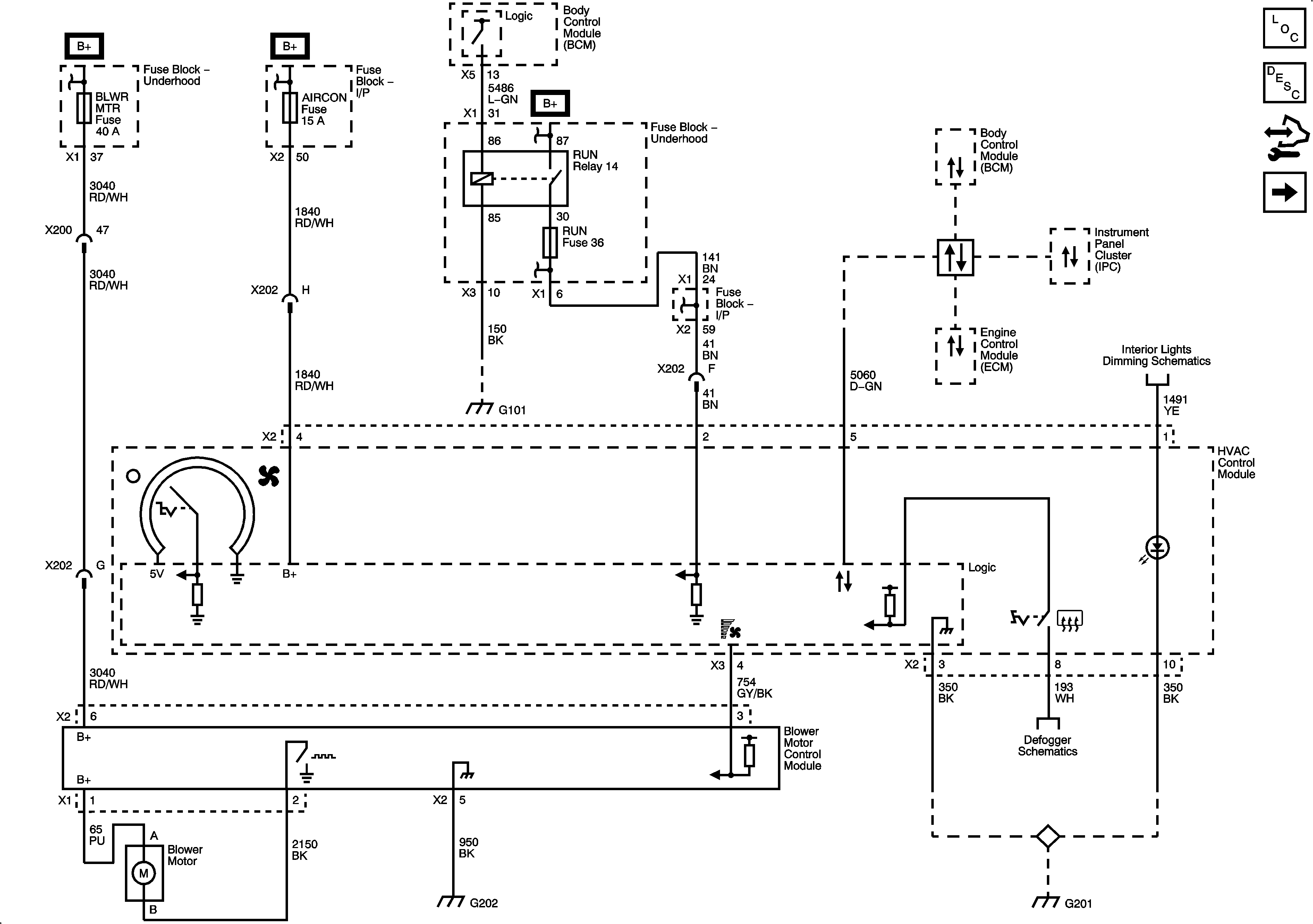
Figure 1:

Module Power and Grounds


Object Number: 2079884  Size: FS
Figure 2:

Mode Controls


Object Number: 2079890  Size: FS
Figure 3:

Compressor Controls


Object Number: 2079910  Size: FS