GM Service Manual Online
For 1990-2009 cars only
Makes
🢒
Chevrolet
🢒
2009
🢒
Captiva Sport
🢒
Diagnostic Navigation
🢒
Vehicle Diagnostic Information
🢒 Headlights/Daytime Running Lights (DRL) Schematics
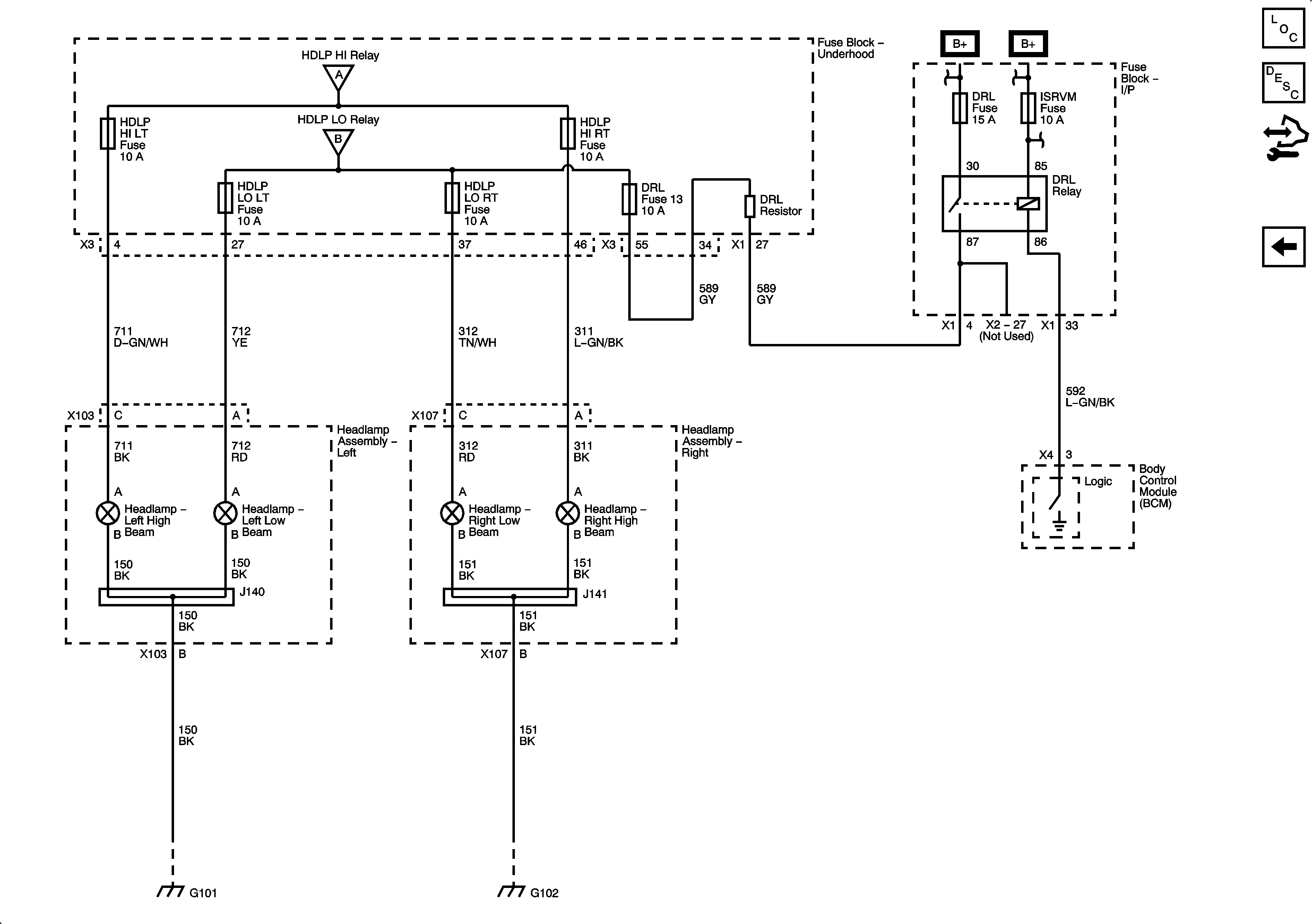
Figure
1:
Headlights Controls
Master Electrical Component List
Exterior Lighting Systems Description and Operation
Control Module References
Headlights/DRL Schematics
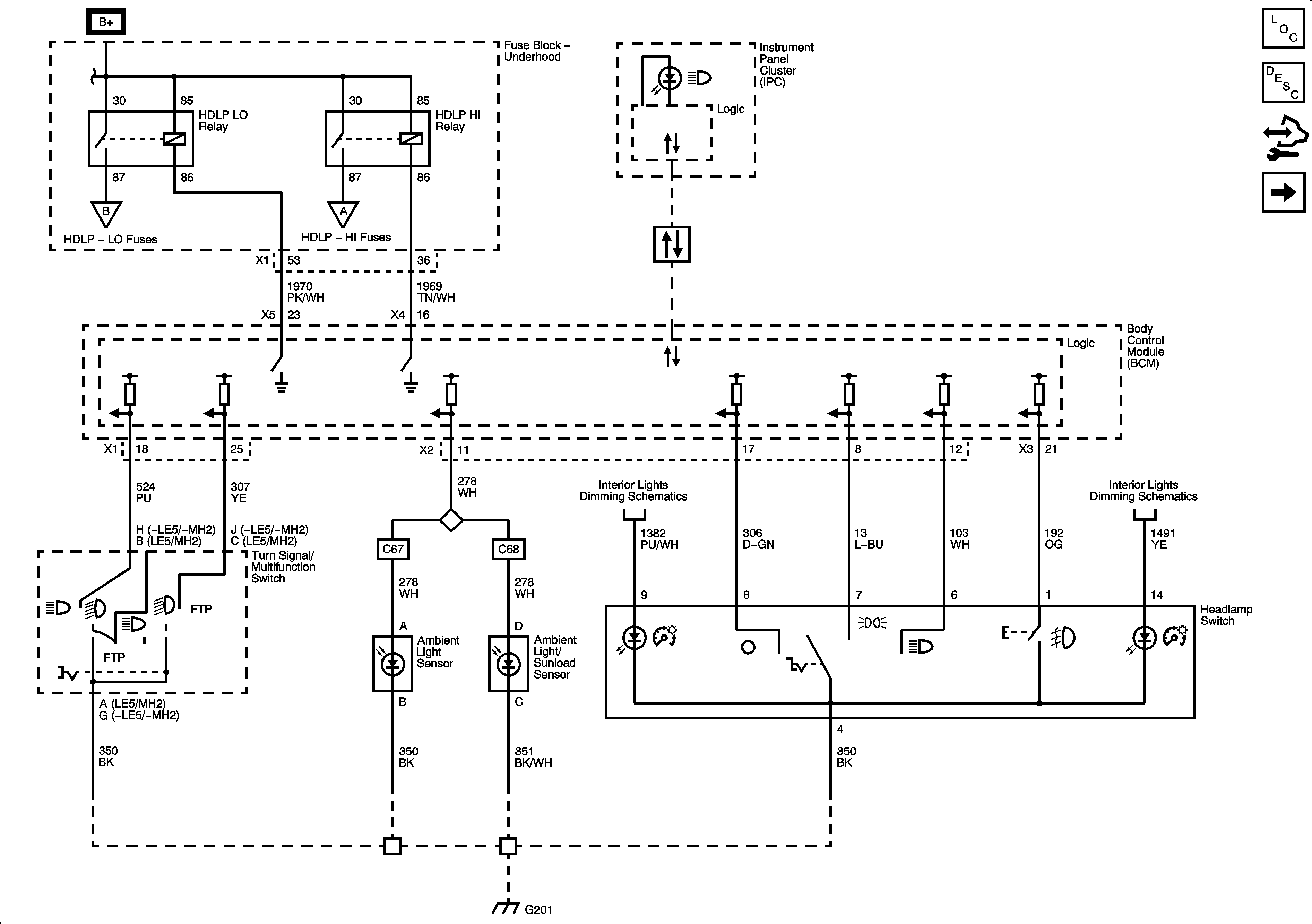
Figure
2:
Headlights/DRL
Master Electrical Component List
Exterior Lighting Systems Description and Operation
Control Module References
Headlight Controls
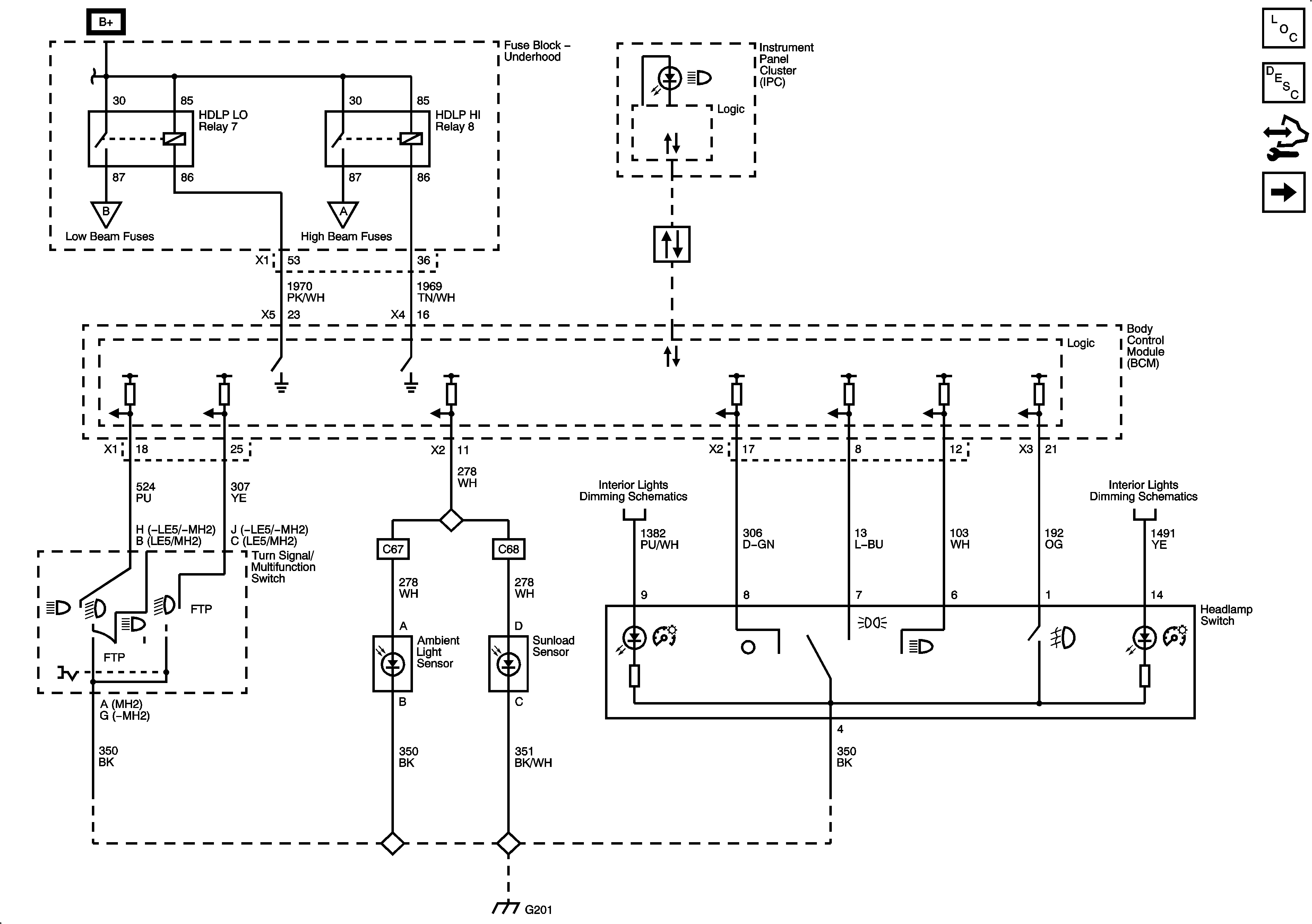
Figure
1:
Headlights Controls
Figure
2:
Headlights/DRL