GM Service Manual Online
For 1990-2009 cars only
Figure 1:

1 of 2


Object Number: 1883492  Size: FS
Master Electrical Component List
Interior Lighting Systems Description and Operation
Control Module References
2 of 2
Figure 2:

2 of 2


Object Number: 1886607  Size: FS
Master Electrical Component List
Interior Lighting Systems Description and Operation
Control Module References
1 of 2
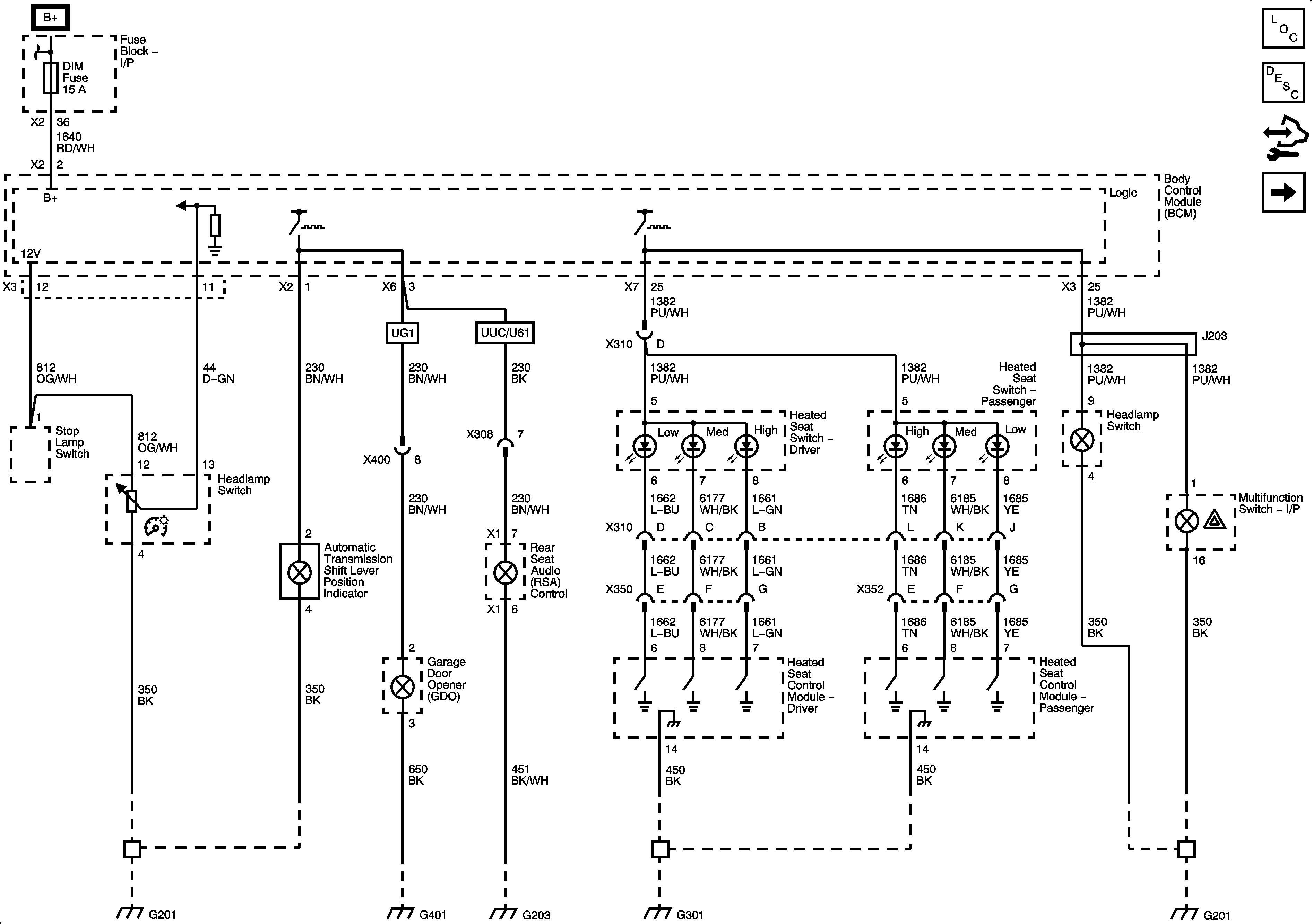
Figure 1:

Dimming - 1 of 2


Object Number: 2079472  Size: FS
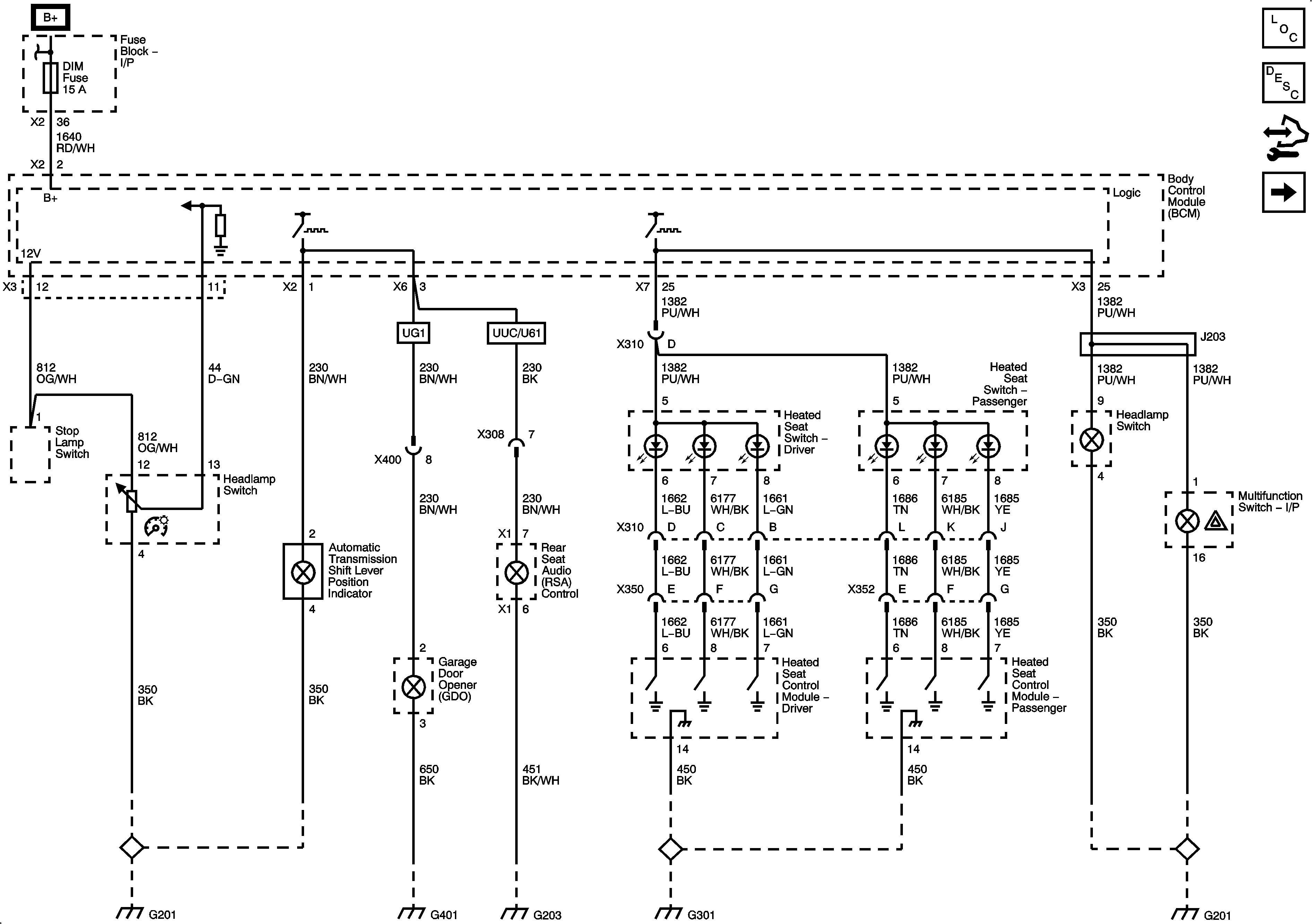
Figure 2:

Dimming - 2 of 2


Object Number: 2079475  Size: FS