GM Service Manual Online
For 1990-2009 cars only
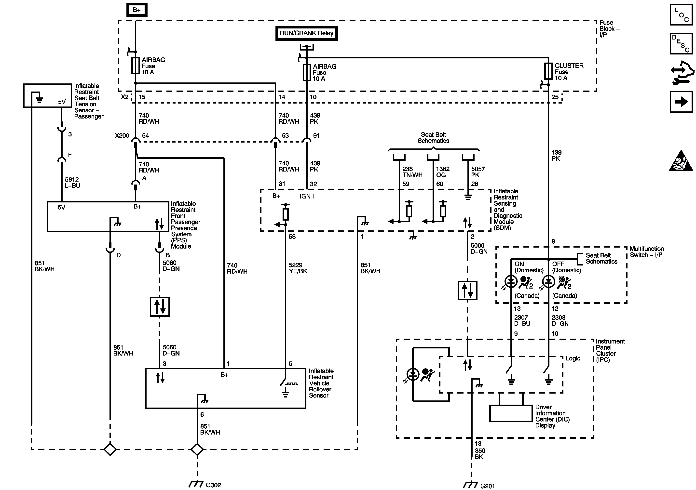
Figure 1:

Module Power , Grounds and Data Communications


Object Number: 1883489  Size: FS
Master Electrical Component List
SIR System Description and Operation
Control Module References
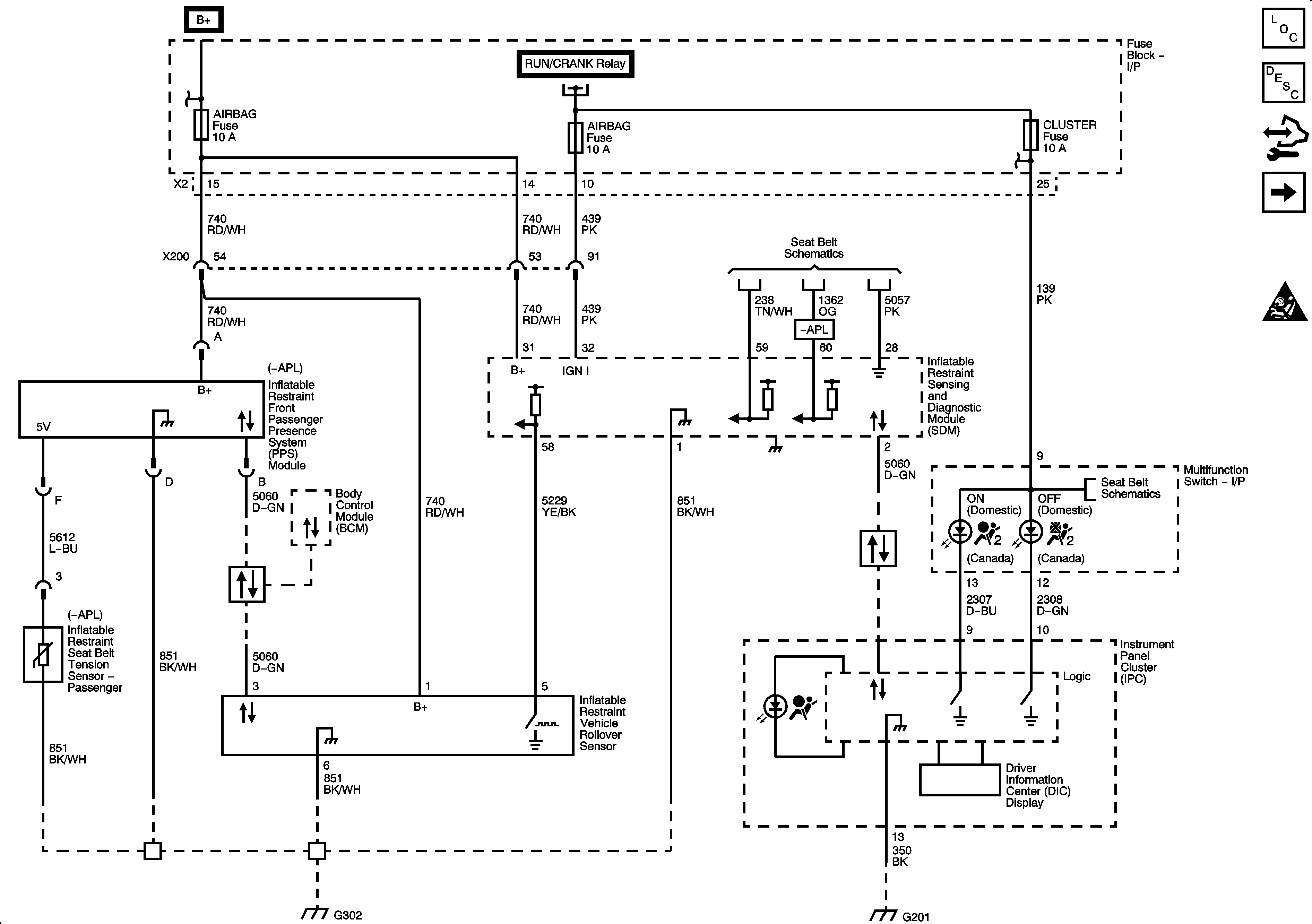
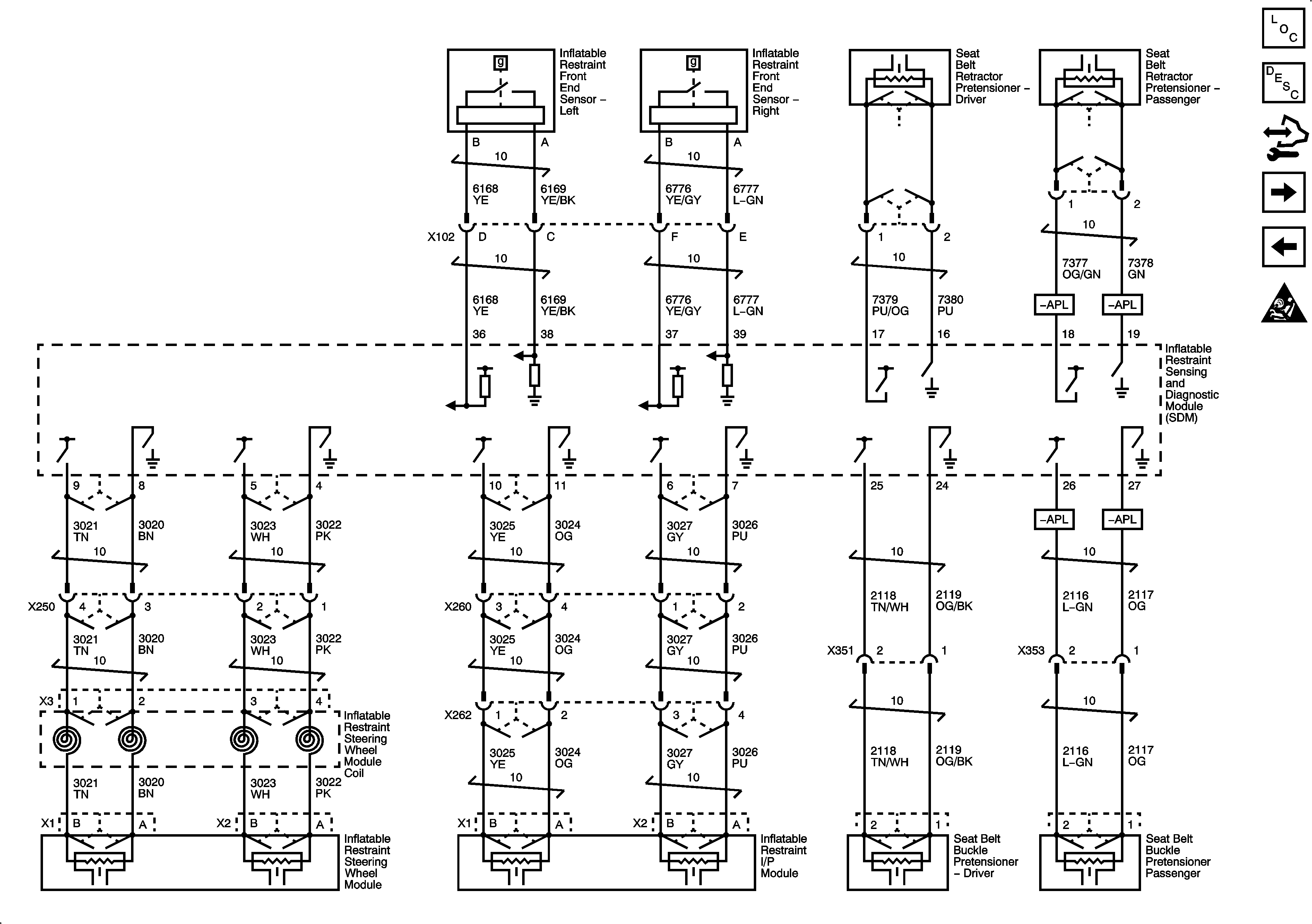
Front Sensors and Seat Belt Pretensioners
Figure 2:

Front Sensors, Seat Belt Pretensioners


Object Number: 1883490  Size: FS
Master Electrical Component List
SIR System Description and Operation
Control Module References
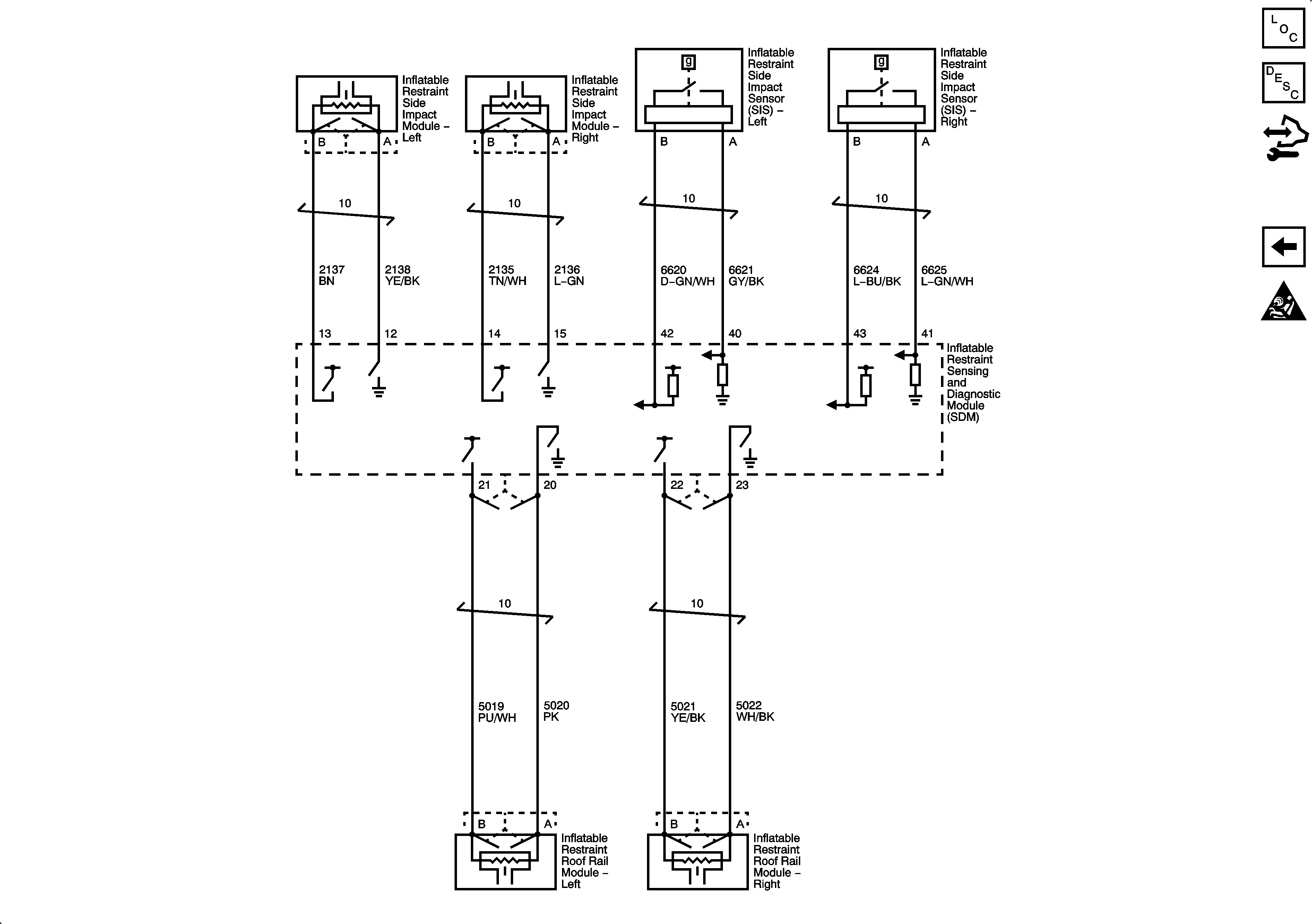
Roof Rail Modules and Side Impact Sensors
Module Power, Grounds and data Communications
Figure 3:

Roof Rail Modules and Side Impact Sensors


Object Number: 1883491  Size: FS
Master Electrical Component List
SIR System Description and Operation
Control Module References
Front Sensors and Seat Belt Pretensioners
Figure 1:

Module Power, Ground and Data Communications


Object Number: 2080326  Size: FS
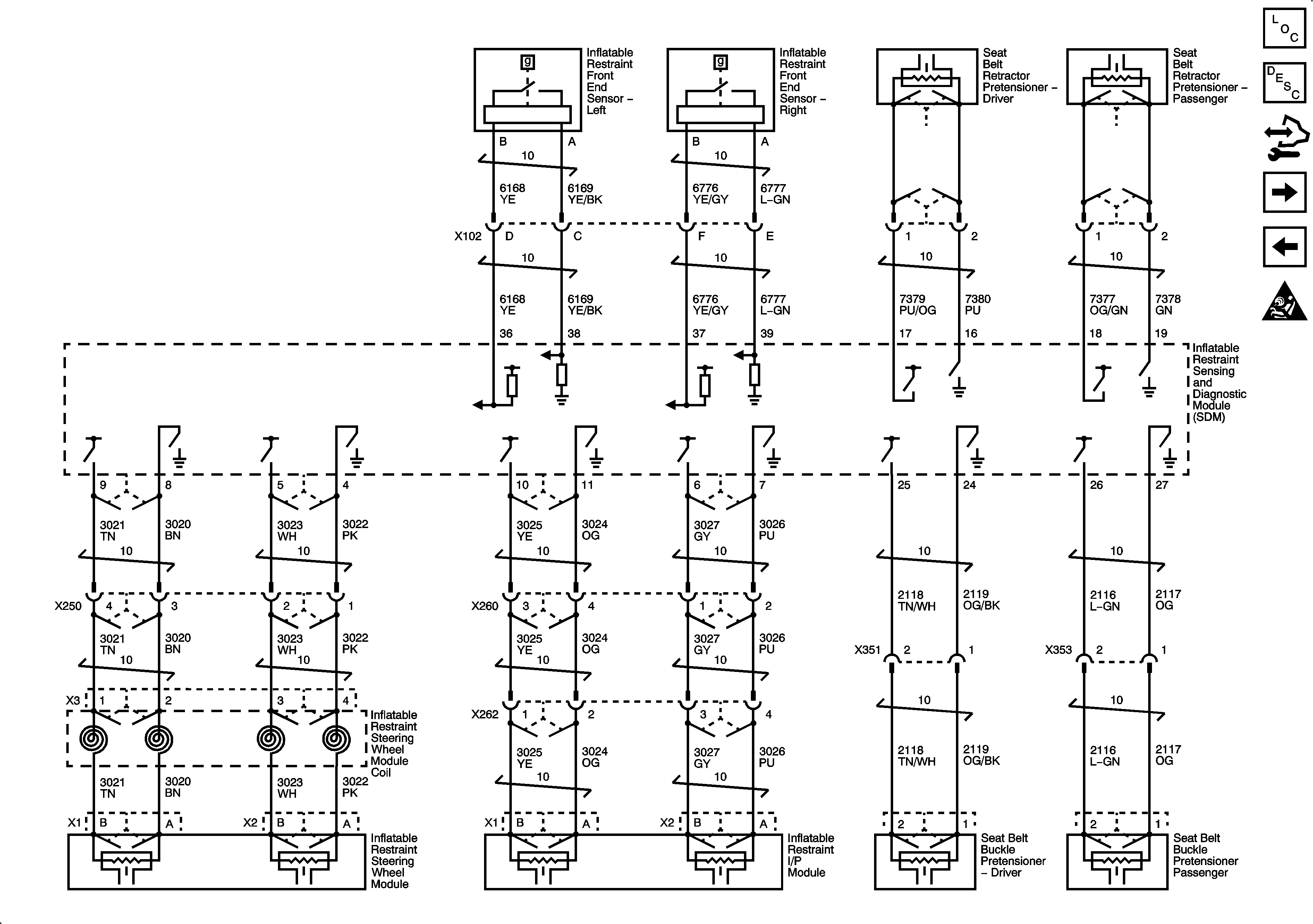
Figure 2:

Front Sensors, Seat Belt Pretensioners


Object Number: 2080334  Size: FS
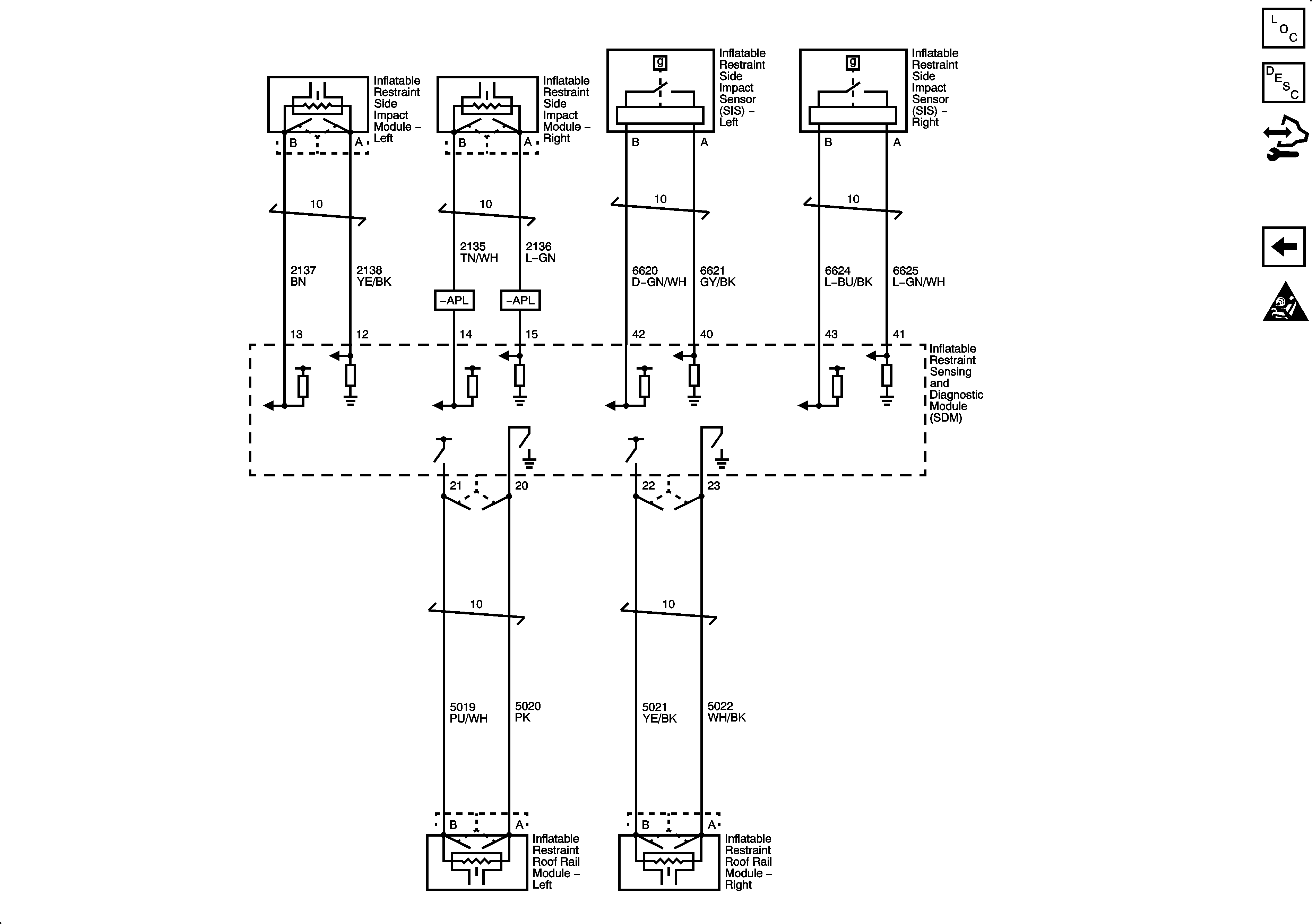
Figure 3:

Roof Rail Modules and Side Impact Sensors


Object Number: 2080345  Size: FS