GM Service Manual Online
For 1990-2009 cars only
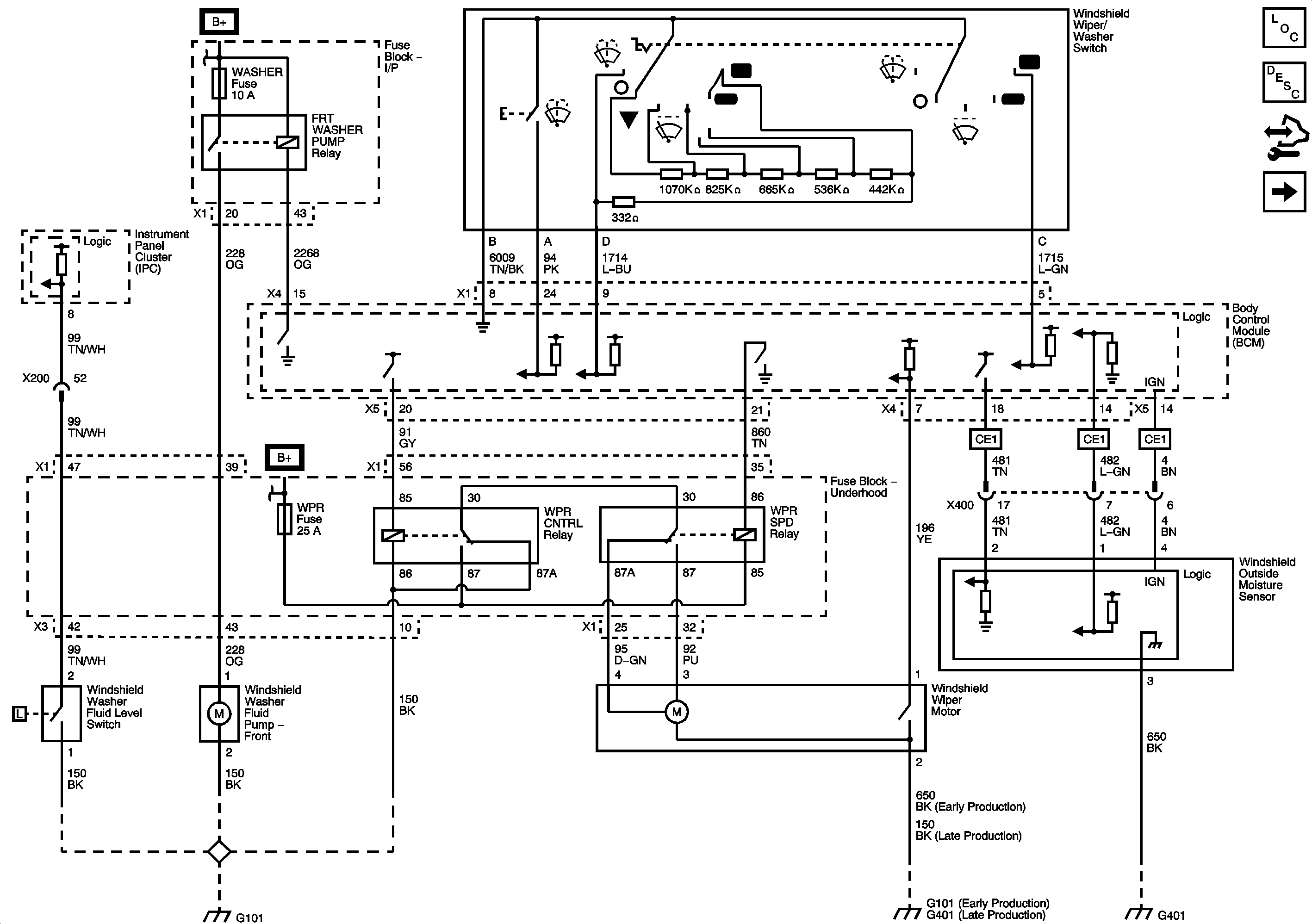
Figure 1:

Front Wiper Washer


Object Number: 1877870  Size: FS
Master Electrical Component List
Wiper/Washer System Description and Operation
Control Module References
Heated Washer Nozzles
Figure 2:

Heated Washer Nozzle


Object Number: 1886610  Size: FS
Master Electrical Component List
Wiper/Washer System Description and Operation
Control Module References
Rear Wiper/Washer Schematics
Front Wiper /Washer Schematics
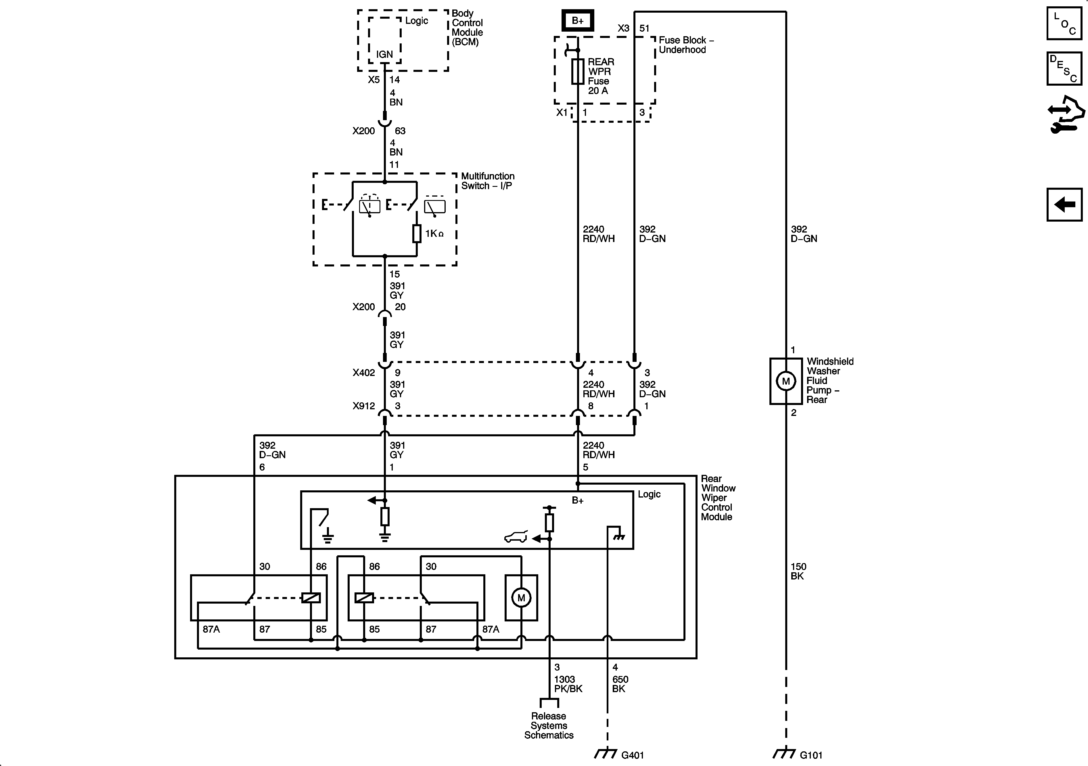
Figure 3:

Rear Wiper Washer


Object Number: 1877873  Size: FS
Master Electrical Component List
Wiper/Washer System Description and Operation
Control Module References
Heated Washer Nozzles
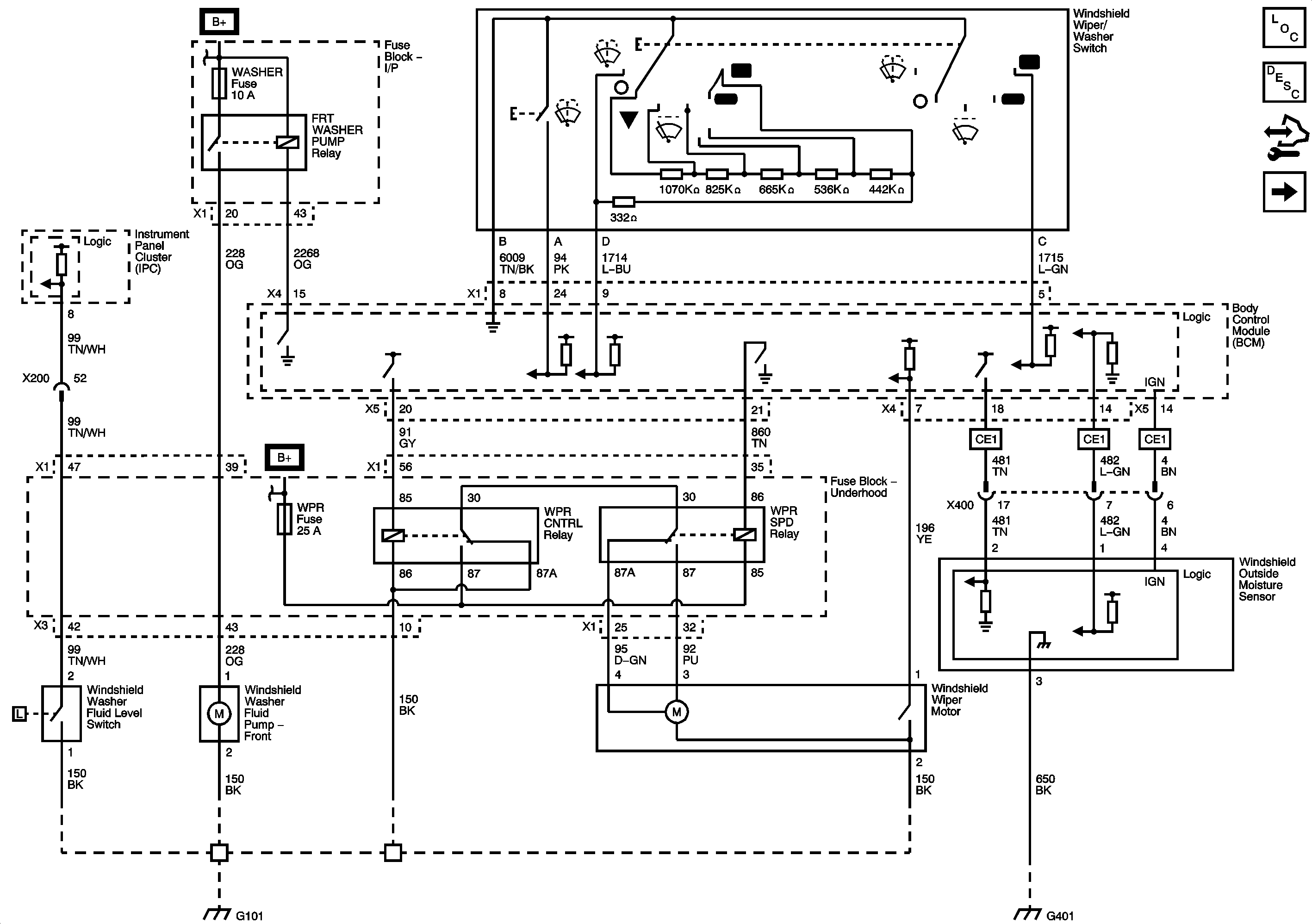
Figure 1:

Front Wiper Washer


Object Number: 2079522  Size: FS
Figure 2:

Heated Washer Nozzle


Object Number: 2079525  Size: FS
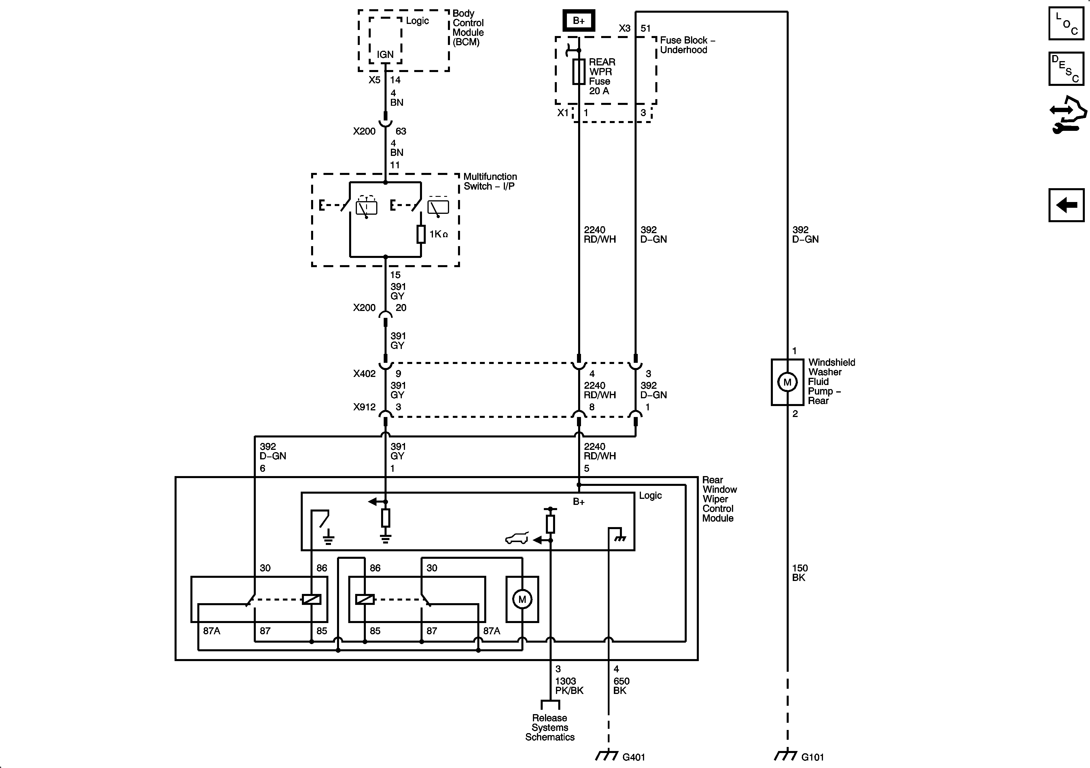
Figure 3:

Rear Wiper Washer


Object Number: 2079528  Size: FS