GM Service Manual Online
For 1990-2009 cars only
Figure 1:

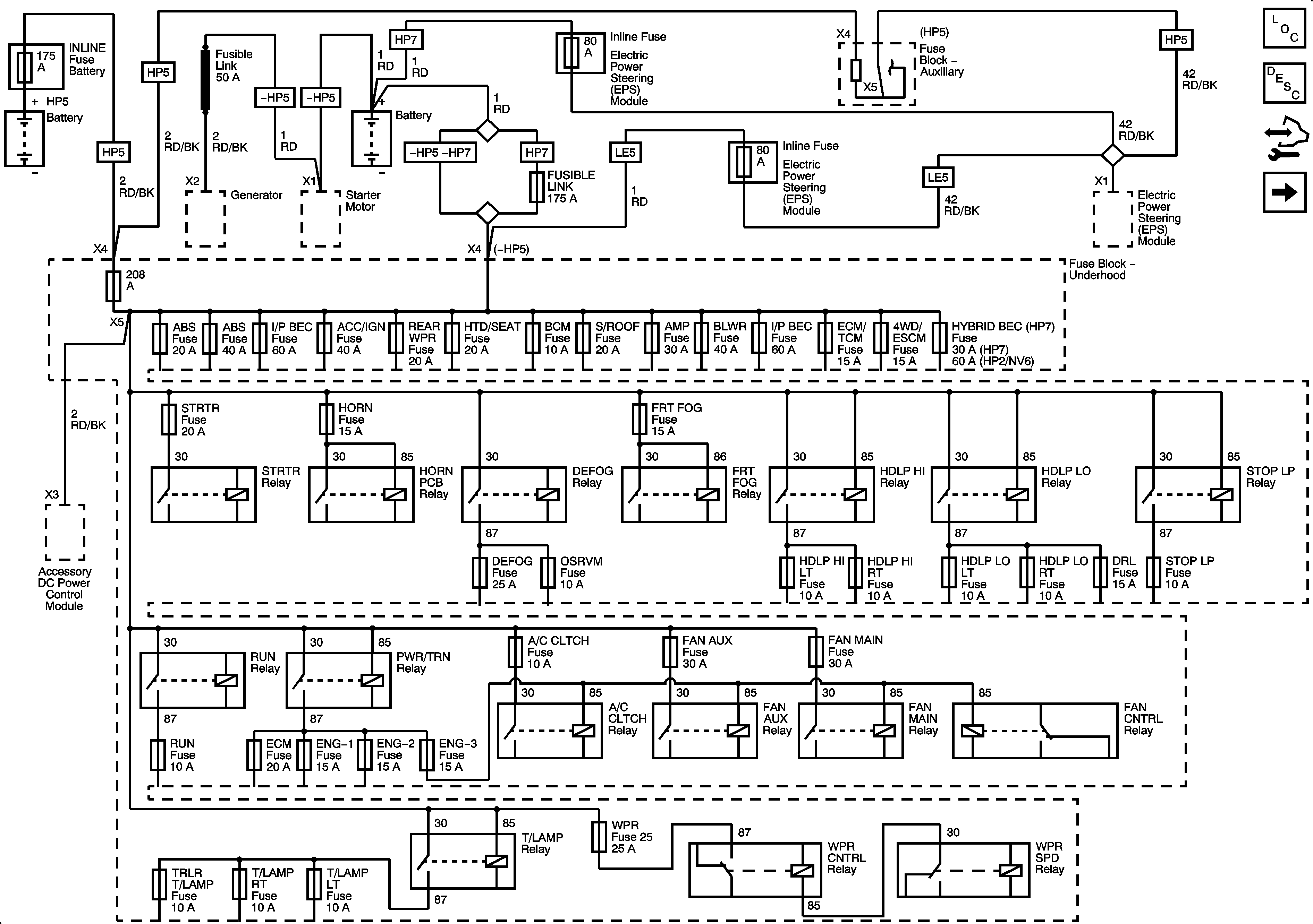
Power Distribution - B+ Bus and EPS Fuse


Object Number: 1877200  Size: FS
Master Electrical Component List
Control Module References
ABS, AMp, AWD, ECM/TCM, Heated Seats, HVAC Blower, Rear Wiper Fuses
Figure 2:

ABS, Amp, AWD, ECM/TCM, Heated Seats, HVAC Blower, Rear Wiper Fuses


Object Number: 1877204  Size: FS
Master Electrical Component List
Control Module References
Sunroof, IP Batt Fuses, AIRCON, BACKUP/STOP, BCM, DIM, INT LTS, LH TRN/HAZ, INADVRT/CTSY, RH TRN/HAZ Fuses
B+ Bus and EPS Fuse
Figure 3:

SUNROOF, IP BATT Fuses, AIRCON, BACKUP/STOP, BCM, DIM, INT LTS, LH TRN/HAZ INADVRT/CTSY, RH TRN/HAZ Fuses


Object Number: 1877428  Size: FS
Master Electrical Component List
Control Module References
AIR BAG, AUDIO, FSCM, POWER SEATS Fuses
ABS, AMp, AWD, ECM/TCM, Heated Seats, HVAC Blower, Rear Wiper Fuses
Figure 4:

AIR BAG, AUDIO, FSCM, POWER SEAT, Fuses


Object Number: 1877439  Size: FS
Master Electrical Component List
Control Module References
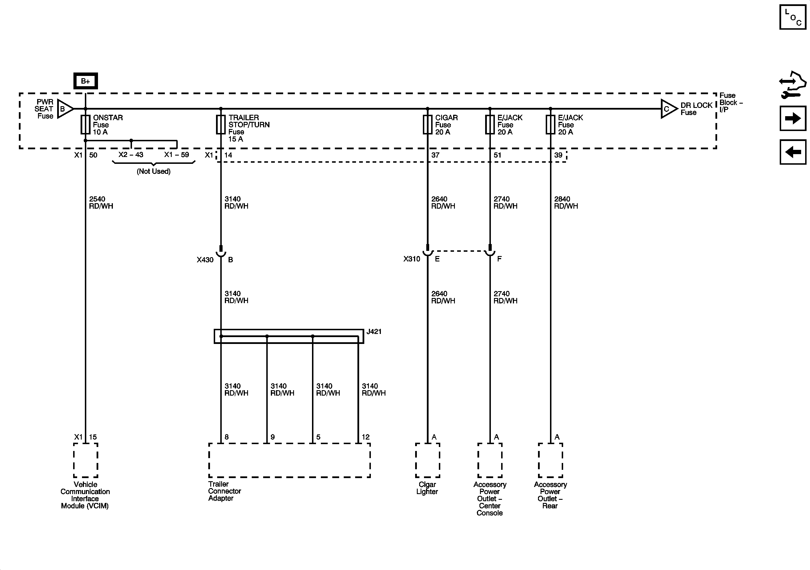
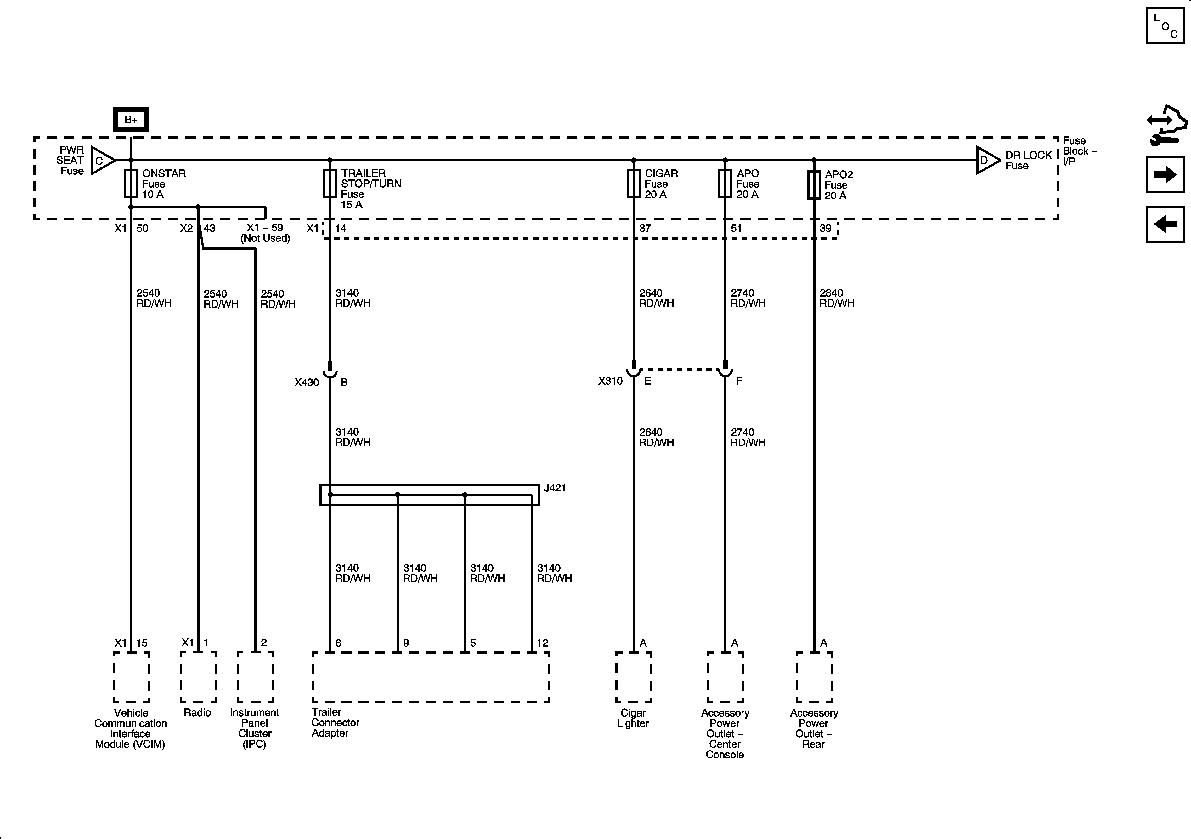
AUX Outlet 1, AUX Outlet 2, Cigar, IGN SW, Trailer STOP/TRN Fuses
Sunroof, IP Batt Fuses, AIRCON, BACKUP/STOP, BCM, DIM, INT LTS, LH TRN/HAZ, INADVRT/CTSY, RH TRN/HAZ Fuses
Figure 5:

AUX Outlet 1, AUX Outlet 2, Cigar, IGN SW, Trailer STOP/TRN Fuses


Object Number: 1877442  Size: FS
Master Electrical Component List
Control Module References
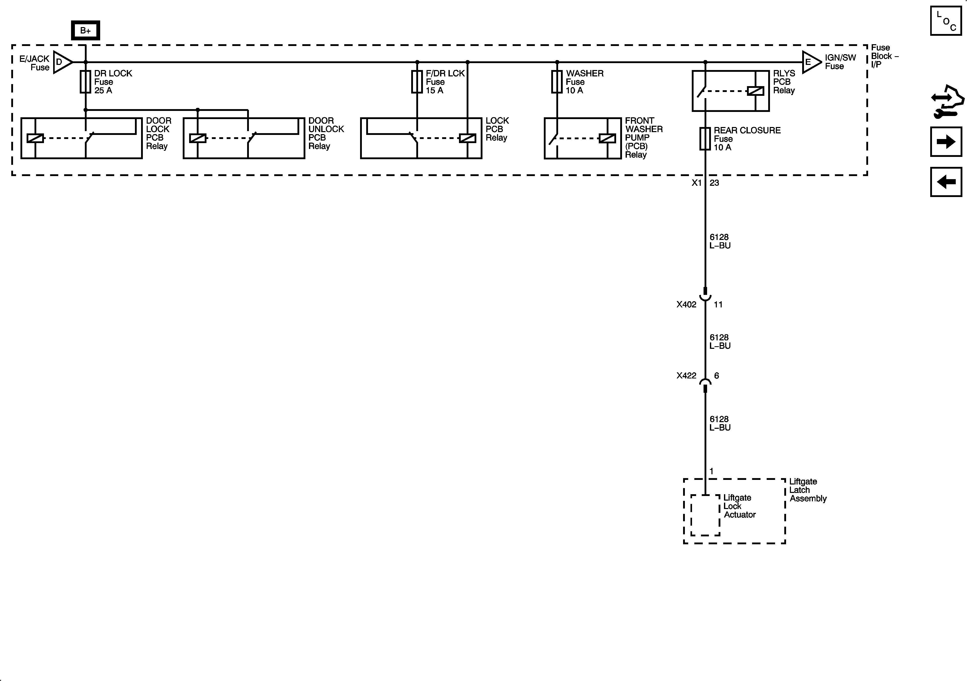
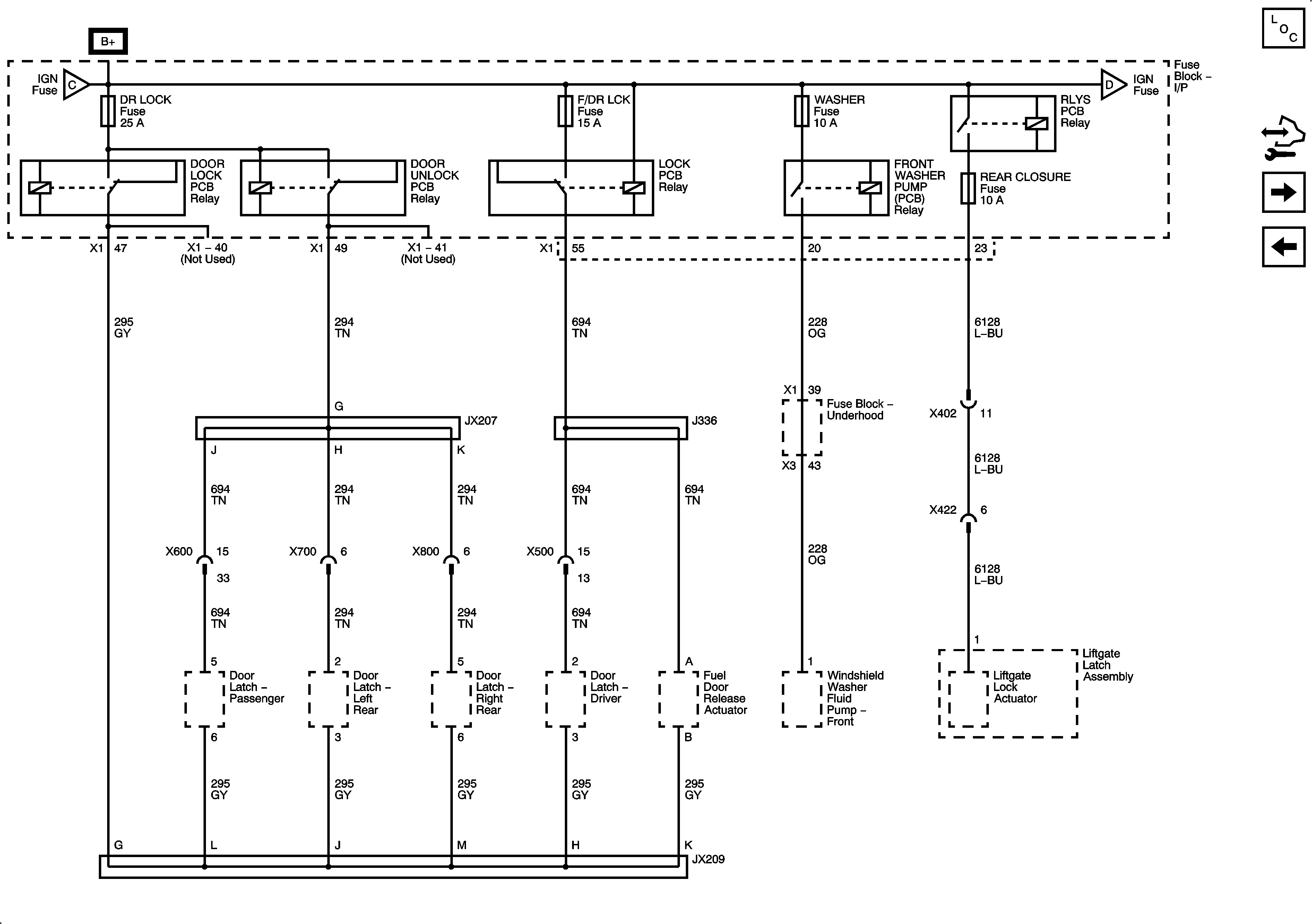
Door Lock, FRT Washer, RLS Relays
AIR BAG, AUDIO, FSCM, POWER SEATS Fuses
Figure 6:

Door Lock, FRT Washer, RLS Relays


Object Number: 1877444  Size: FS
Master Electrical Component List
Control Module References
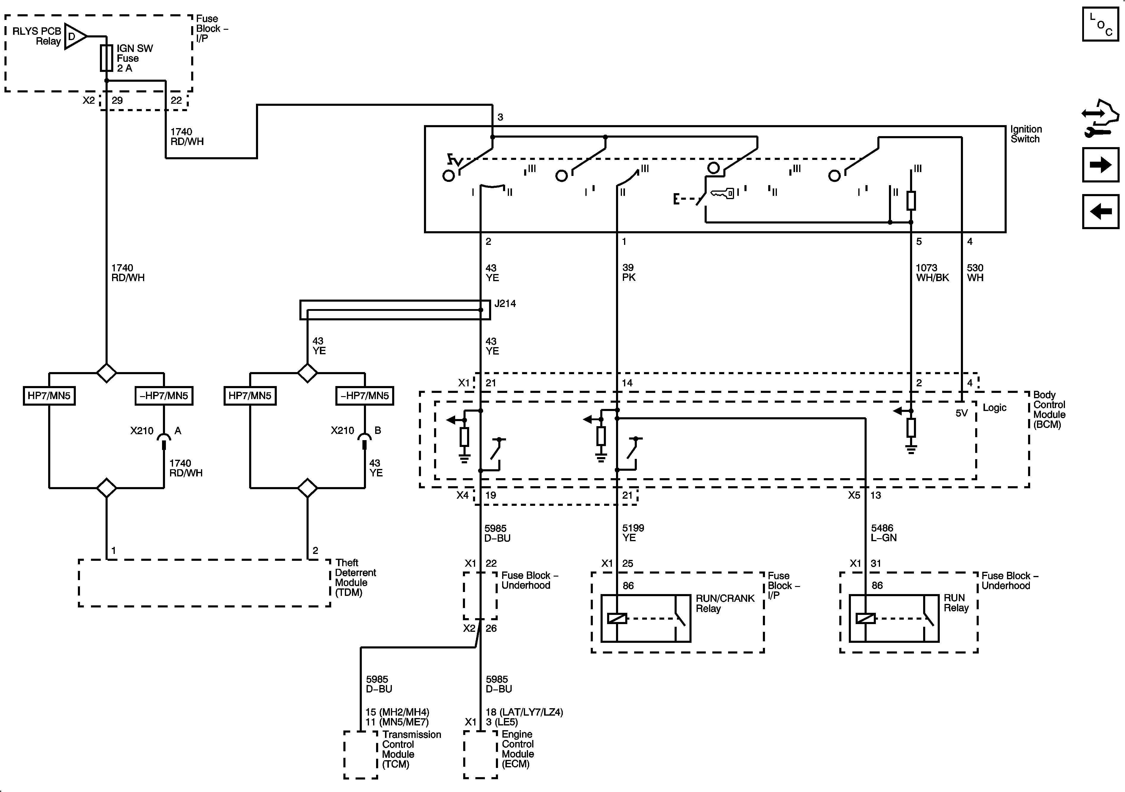
Ignition Switch Fuse
AUX Outlet 1, AUX Outlet 2, Cigar, IGN SW, Trailer STOP/TRN Fuses
Figure 7:

Ignition Switch Fuse


Object Number: 1877449  Size: FS
Master Electrical Component List
Control Module References
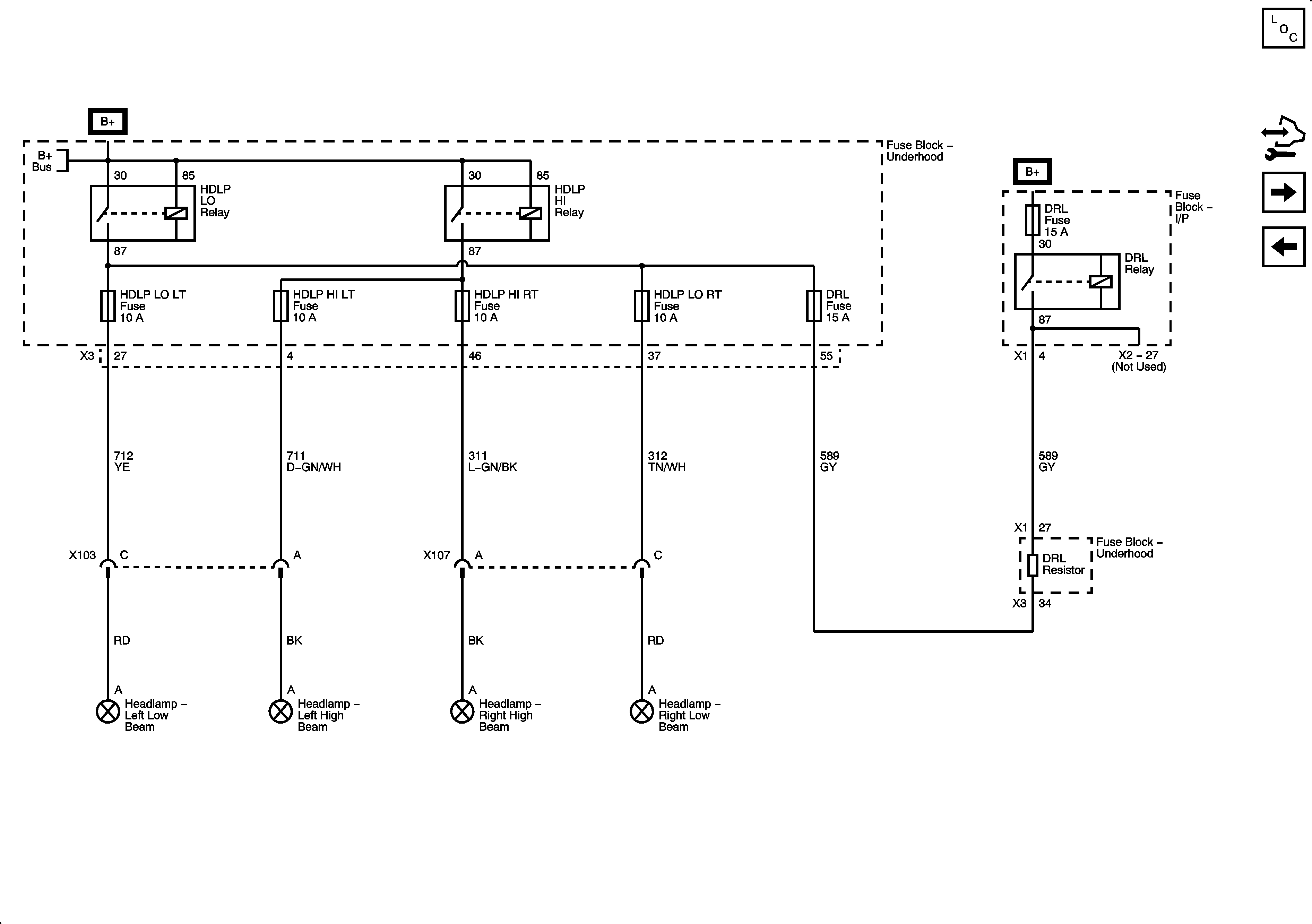
Lo Beam, HI Beam and DRL Relays
Door Lock, FRT Washer, RLS Relays
Figure 8:

LO Beam, HI Beam and DRL Relays


Object Number: 1877453  Size: FS
Master Electrical Component List
Control Module References
RAP Relay
Ignition Switch Fuse
Figure 9:

RAP Relay


Object Number: 1877458  Size: FS
Master Electrical Component List
Control Module References
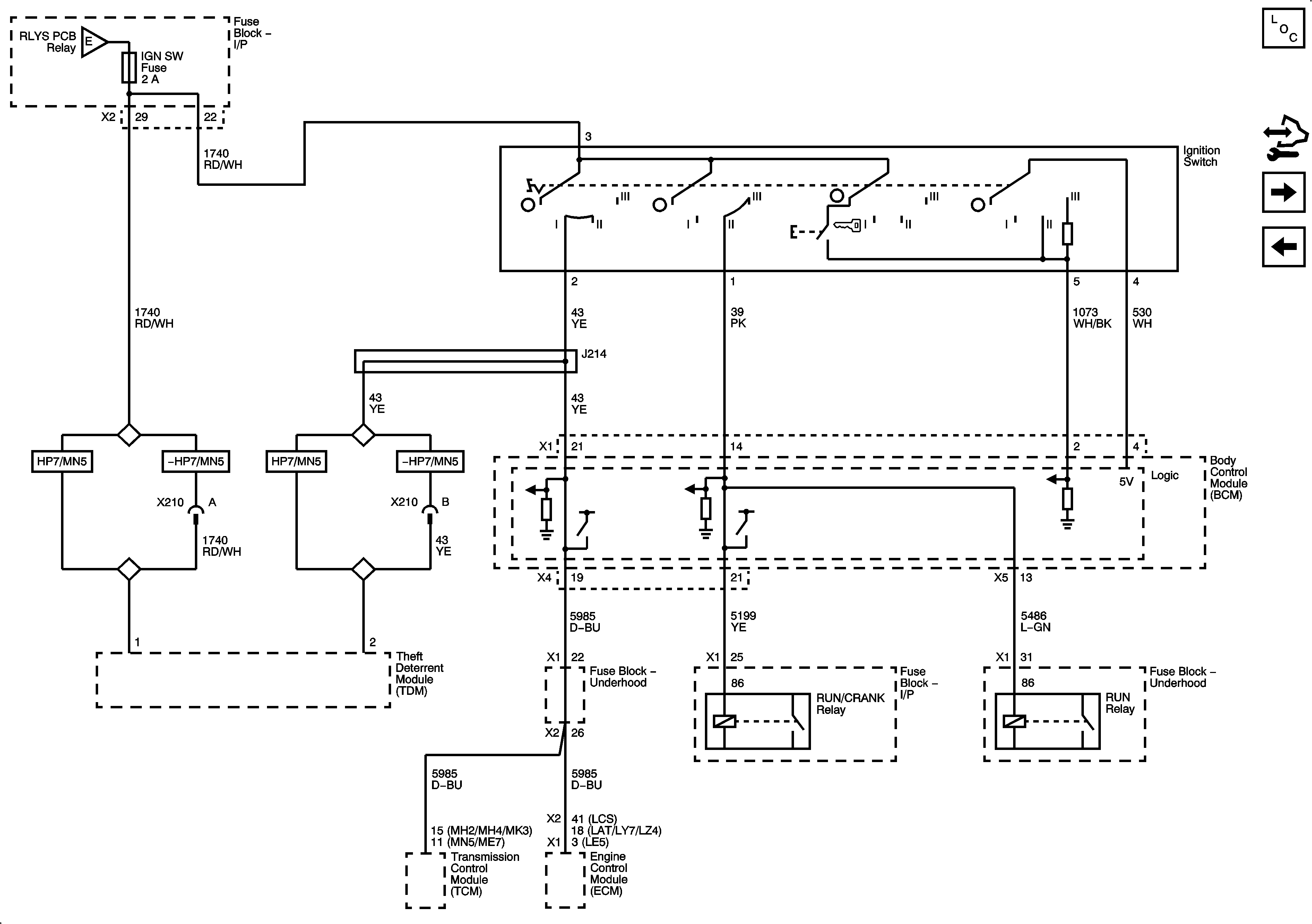
RUN/CRANK Relay, AIR BAG, CLUSTER, ECM/TCM, ISRV Fuses
Lo Beam, HI Beam and DRL Relays
Figure 10:

RUN/CRANK Relay, AIR BAG, CLUSTER, ECM/TCM, FSCM, ISRV Fuses


Object Number: 1877477  Size: FS
Master Electrical Component List
Control Module References
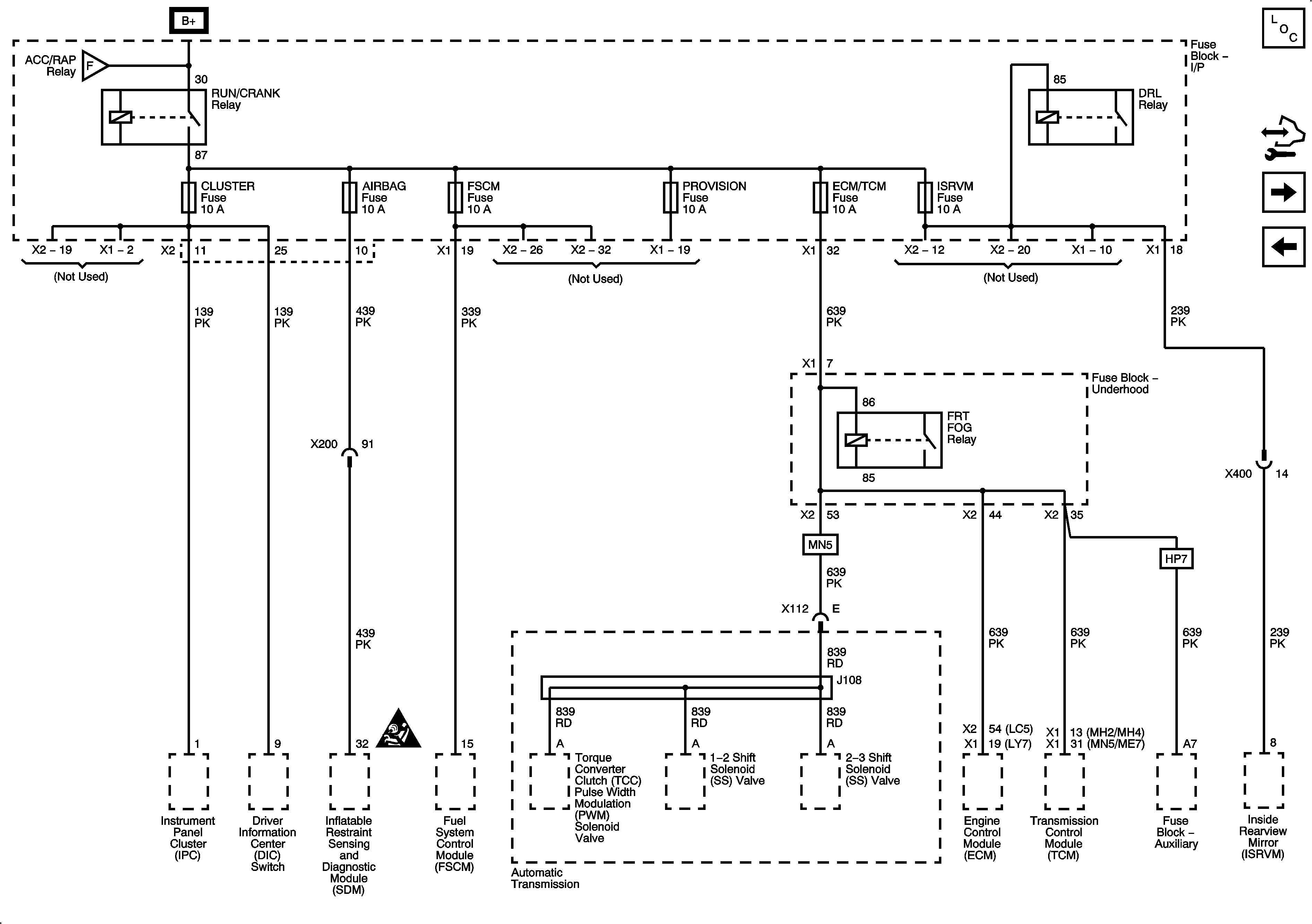
Main Relay, ECM, ENG1, ENG2 Fuses
RAP Relay
Figure 11:

Main Relay, ECM, ENG1, ENG2 Fuses


Object Number: 1877481  Size: FS
Master Electrical Component List
Control Module References
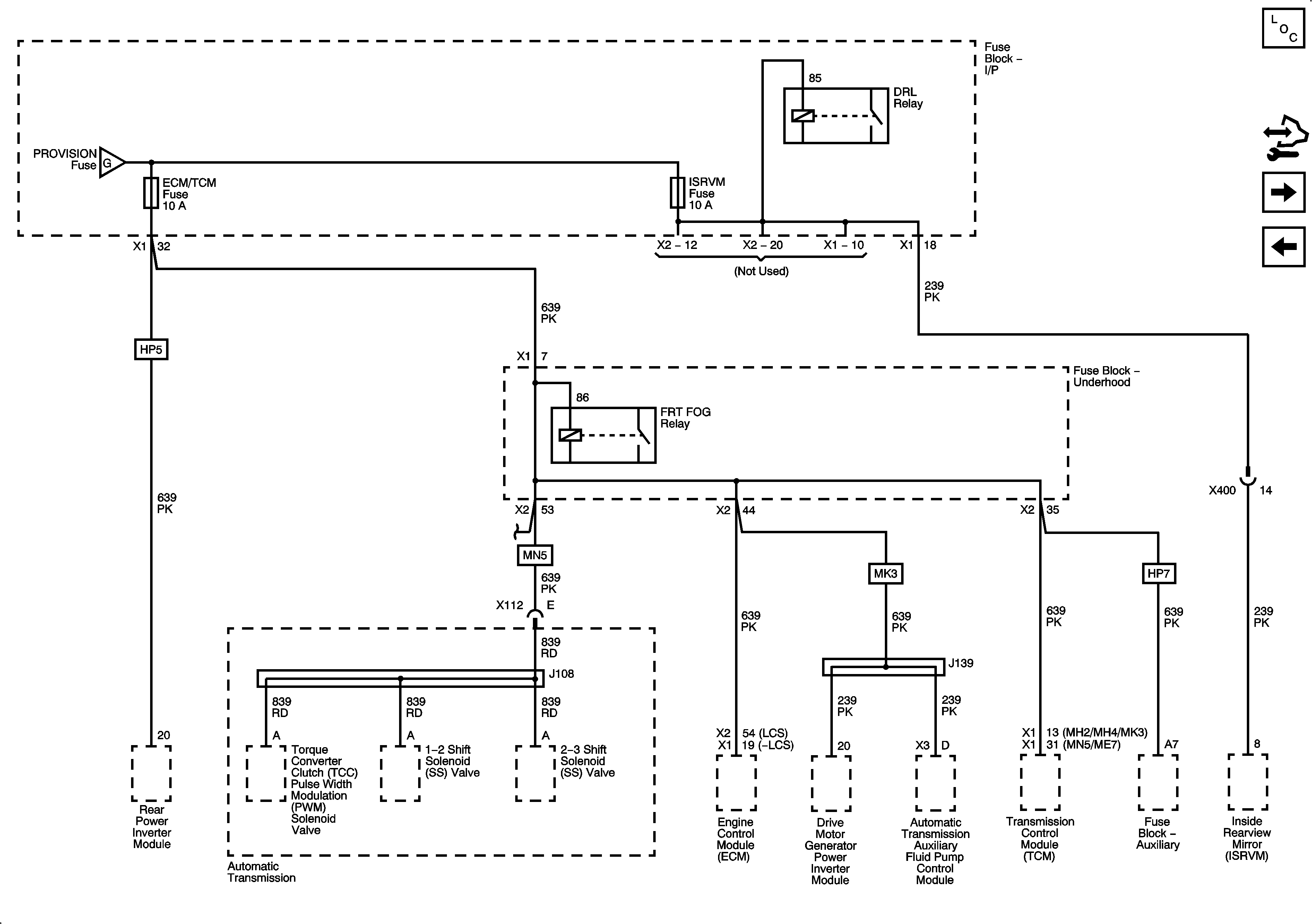
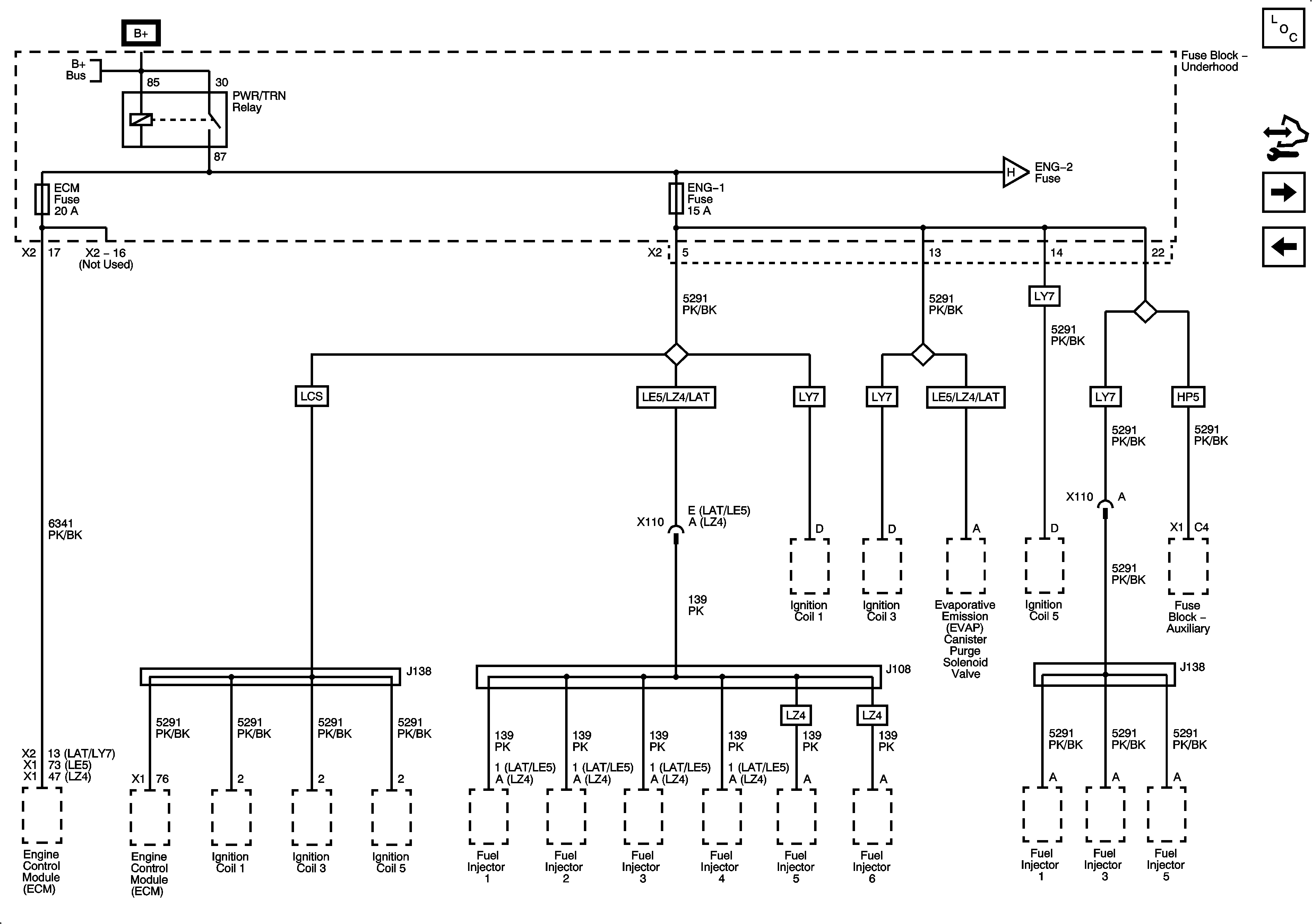
ENG3 Fuse
RUN/CRANK Relay, AIR BAG, CLUSTER, ECM/TCM, ISRV Fuses
Figure 12:

ENG3 Fuse


Object Number: 1877486  Size: FS
Master Electrical Component List
Control Module References
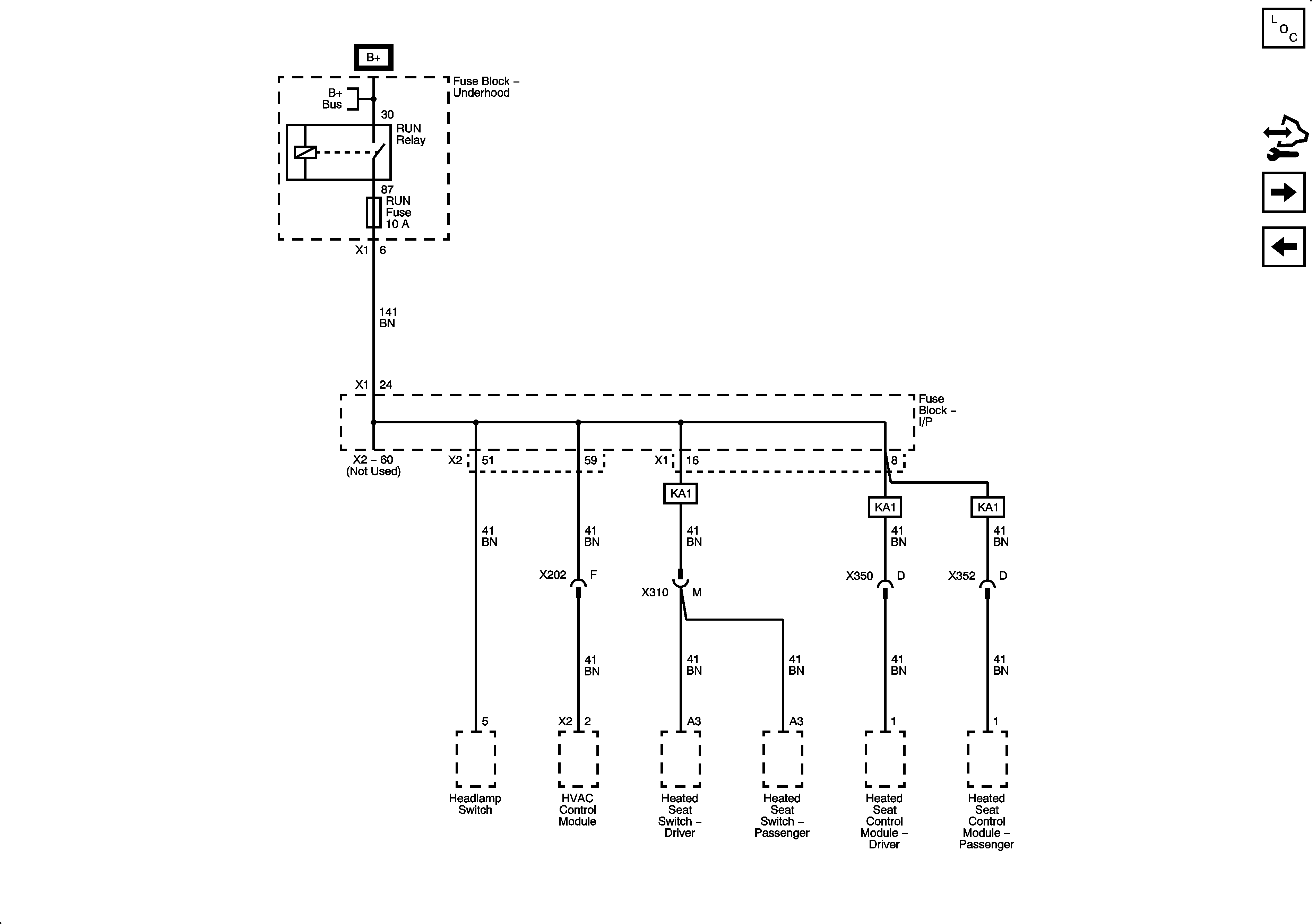
Run Relay
Main Relay, ECM, ENG1, ENG2 Fuses
Figure 13:

Run Relay


Object Number: 1878689  Size: FS
Master Electrical Component List
Control Module References
ENG3 Fuse
Figure 1:

B+ Bus,EPS Fuse and Auxiliary Fuse Block


Object Number: 2080004  Size: FS
Figure 2:

ABS, Hybrid BEC, 4WD/ESCM Fuses


Object Number: 2080009  Size: FS
Figure 3:

AMP, ECM/TCM/SGCM, HTD Seats, HVAC Blower, Rear Wiper Fuses


Object Number: 2090945  Size: FS
Figure 4:

AIRCON,BCM, BCM(VB1), BCM(VB2), BCM (VB3), BCM(VB4), BCM(VB6), BCM(VB7), CTY/WASH, I/PBEC, S/ROOF


Object Number: 2080013  Size: FS
Figure 5:

AIR BAG, AUDIO, FSCM, POWER SEAT Fuses


Object Number: 2080088  Size: FS
Figure 6:

APO, APO 2, Cigar, ONSTAR, Trailer STOP/TRN Fuses


Object Number: 2080099  Size: FS
Figure 7:

Door Lock, FRT Washer, RLS Relays


Object Number: 2080107  Size: FS
Figure 8:

Ignition Switch Fuse


Object Number: 2080113  Size: FS
Figure 9:

HDLP LO, HDLP HI, and DRL Relays


Object Number: 2080122  Size: FS
Figure 10:

RAP Relay


Object Number: 2080128  Size: FS
Figure 11:

AIR BAG, CLUSTER, FSCM Fuses, RUN/CRANK Relay


Object Number: 2080134  Size: FS
Figure 12:

ECM/TCM and ISRV Fuses


Object Number: 2090952  Size: FS
Figure 13:

ECM, ENG1 Fuses, PWR/TRN Relay


Object Number: 2080138  Size: FS
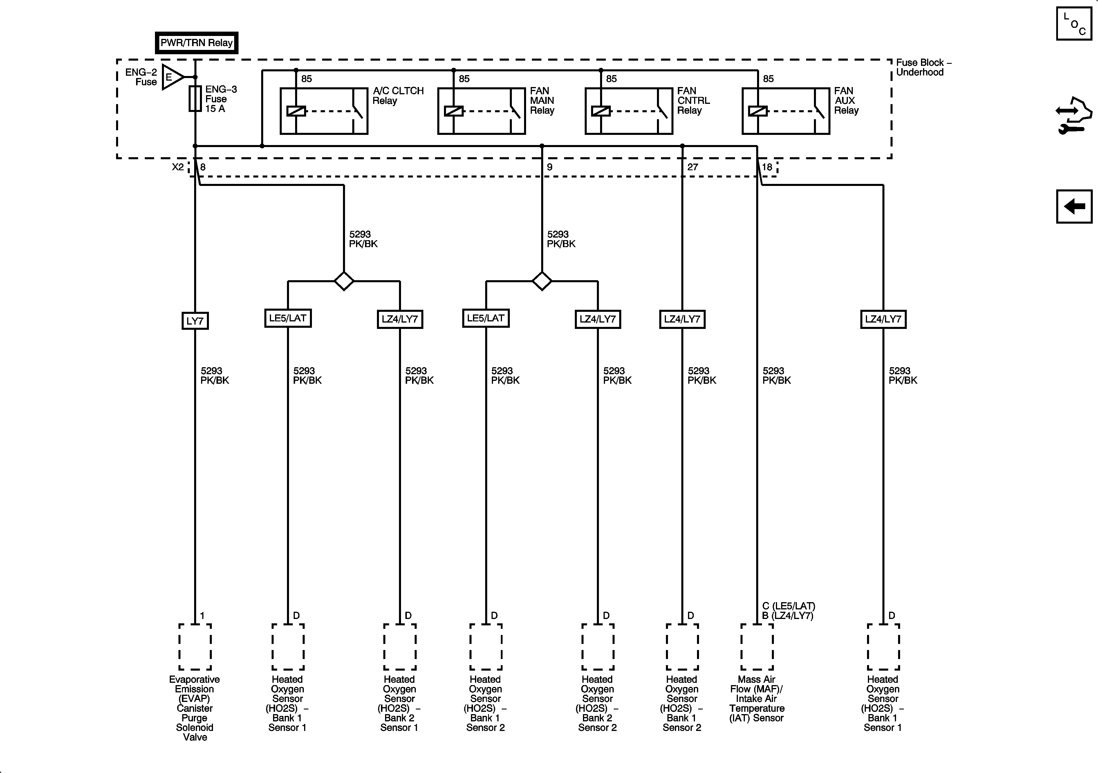
Figure 14:

ENG 2 Fuse


Object Number: 2090957  Size: FS
Figure 15:

ENG3 Fuse


Object Number: 2080143  Size: FS
Figure 16:

Run Relay


Object Number: 2080147  Size: FS
Figure 17:

Fuse Block Auxiliary (HP7)


Object Number: 2090964  Size: FS
Figure 18:

Fuse Block Auxiliary (HP5) B+ Bus


Object Number: 2090971  Size: FS
Figure 19:

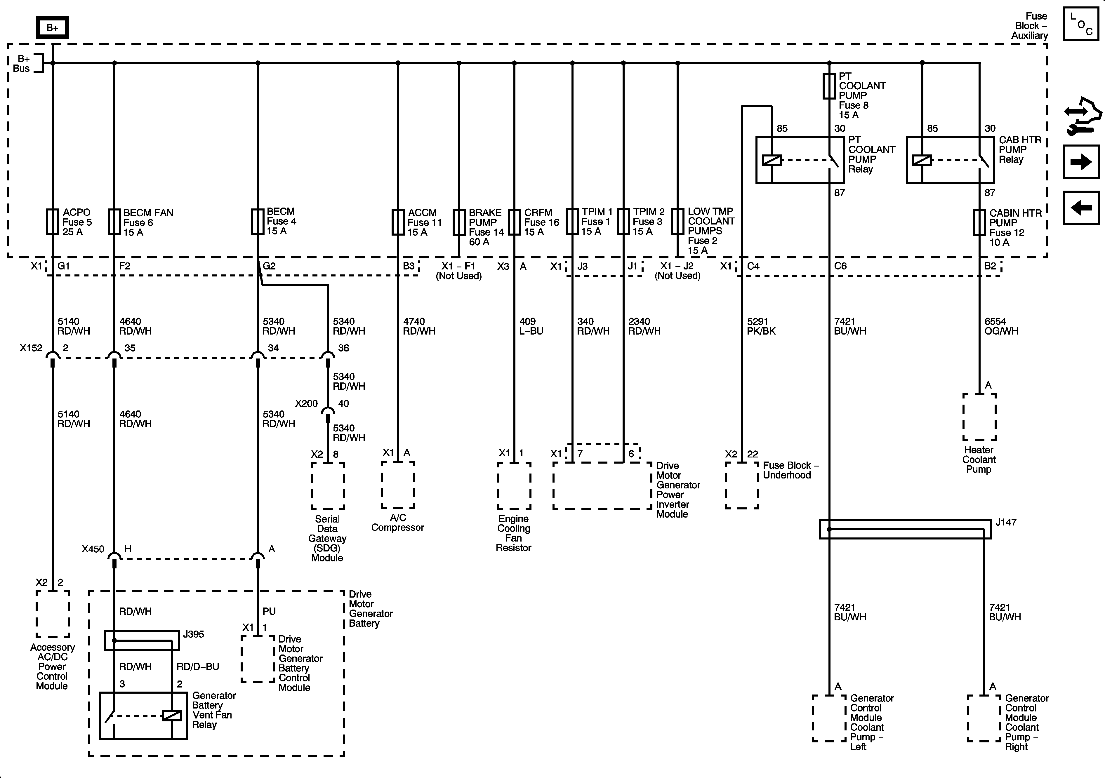
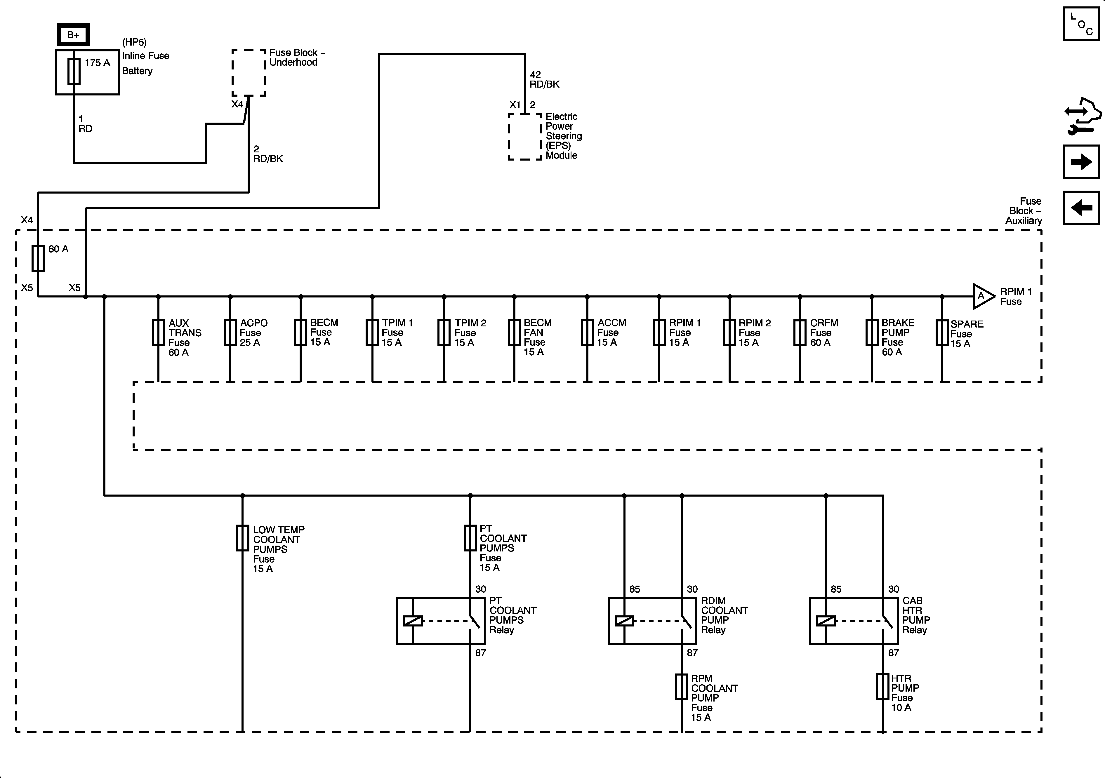
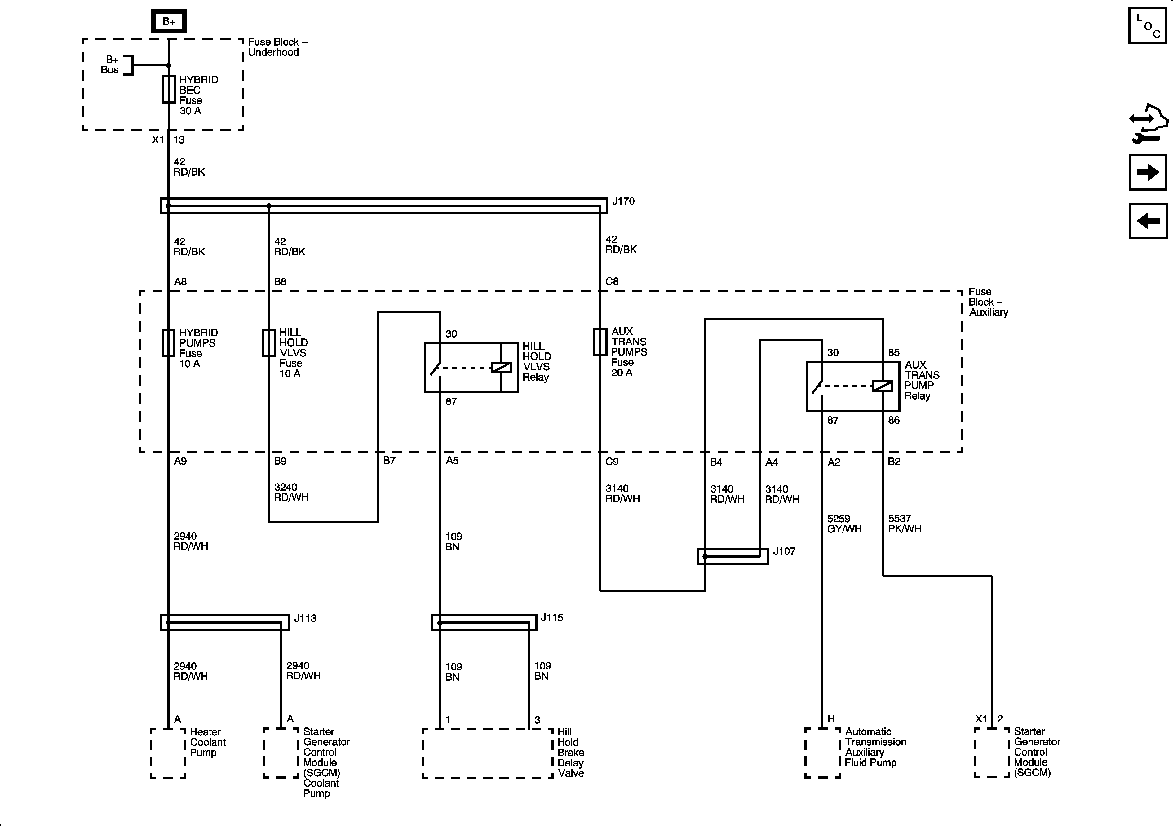
Fuse Block - Auxiliary,ACCM, ACPO, BECM Fan, BECM, CRFM, HTRPUMP, TPIM1, TPIM2 Fuses and CAB HTR PUMP Relay


Object Number: 2091028  Size: FS
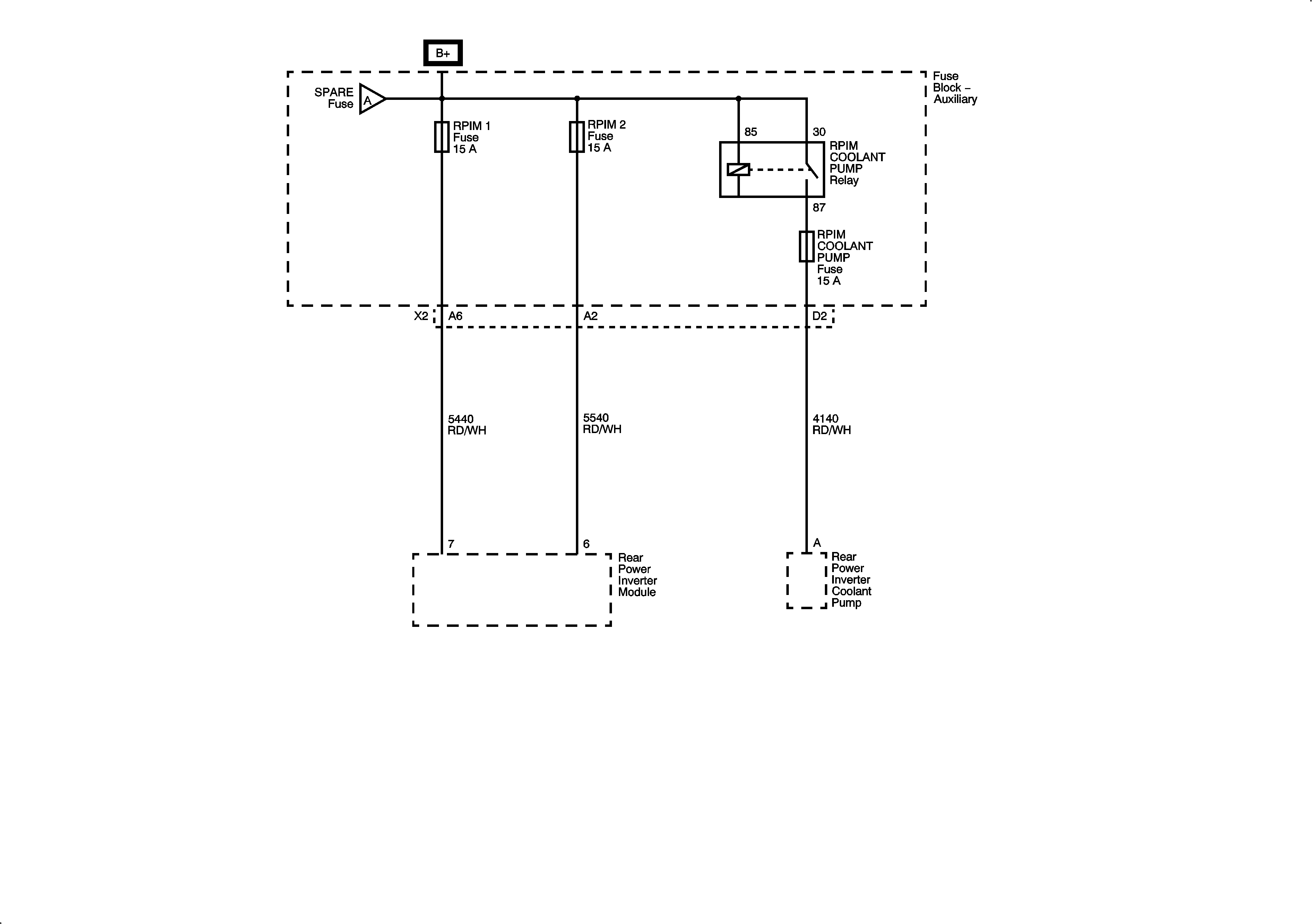
Figure 20:

RPIM1, RPIM2, RPIM Coolant Pump Fuses, RPIM Coolant Pump Relay


Object Number: 2091049  Size: FS