GM Service Manual Online
For 1990-2009 cars only
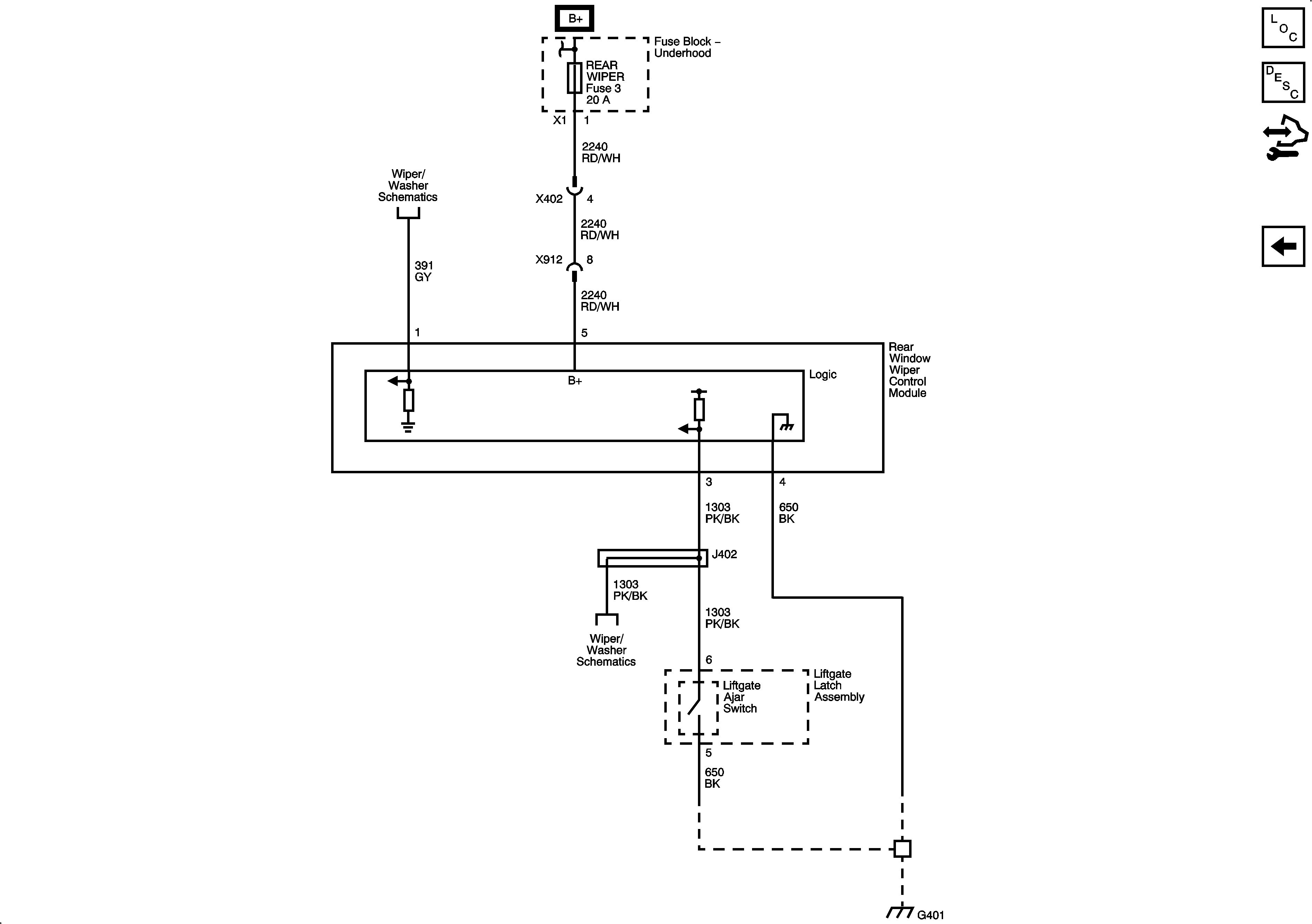
Figure 1:

Liftgate Latch Actuator


Object Number: 1878076  Size: FS
Master Electrical Component List
Rear Hatch/Gate Description and Operation
Control Module References
Liftgate Release System
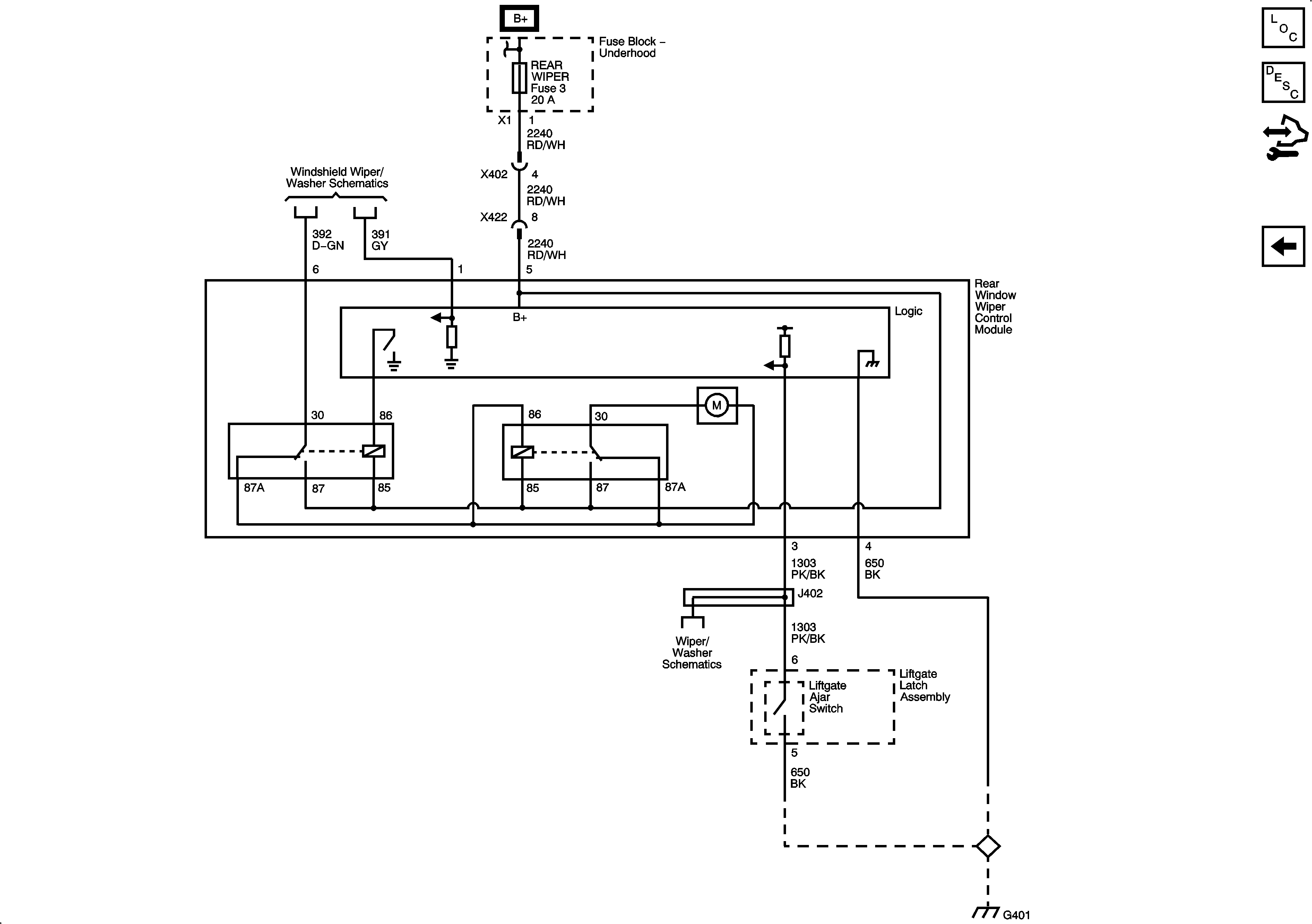
Figure 2:

Liftgate Release System


Object Number: 1878077  Size: FS
Master Electrical Component List
Rear Hatch/Gate Description and Operation
Control Module References
Liftgate Latch Actuator
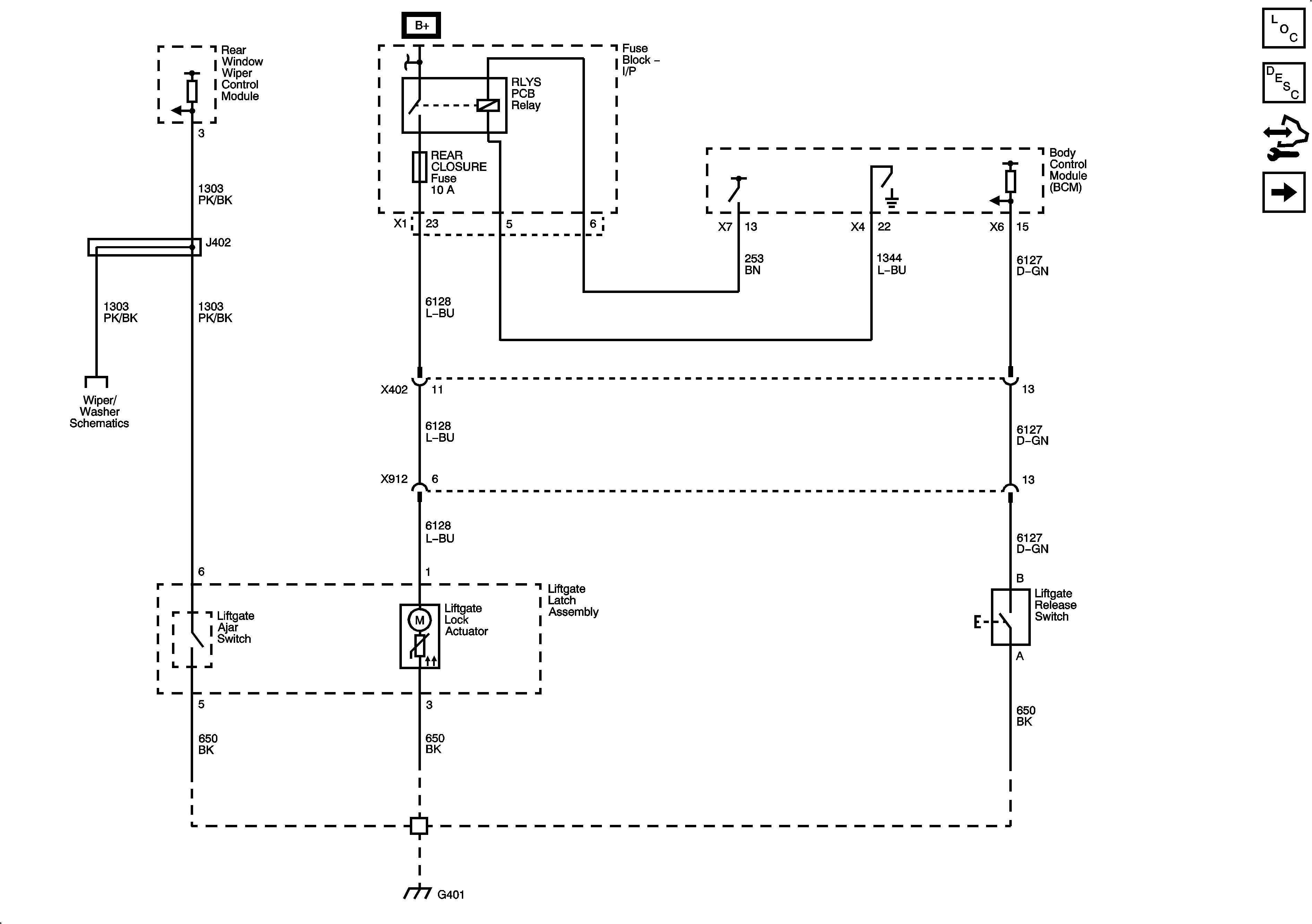
Figure 1:

Liftgate Latch Actuator


Object Number: 2079498  Size: FS
Figure 2:

Liftgate Release System


Object Number: 2079502  Size: FS