GM Service Manual Online
For 1990-2009 cars only
Makes
🢒
Chevrolet
🢒
2009
🢒
Captiva Sport
🢒
Hybrid
🢒
Hybrid Controls
🢒 Hybrid Controls Schematics
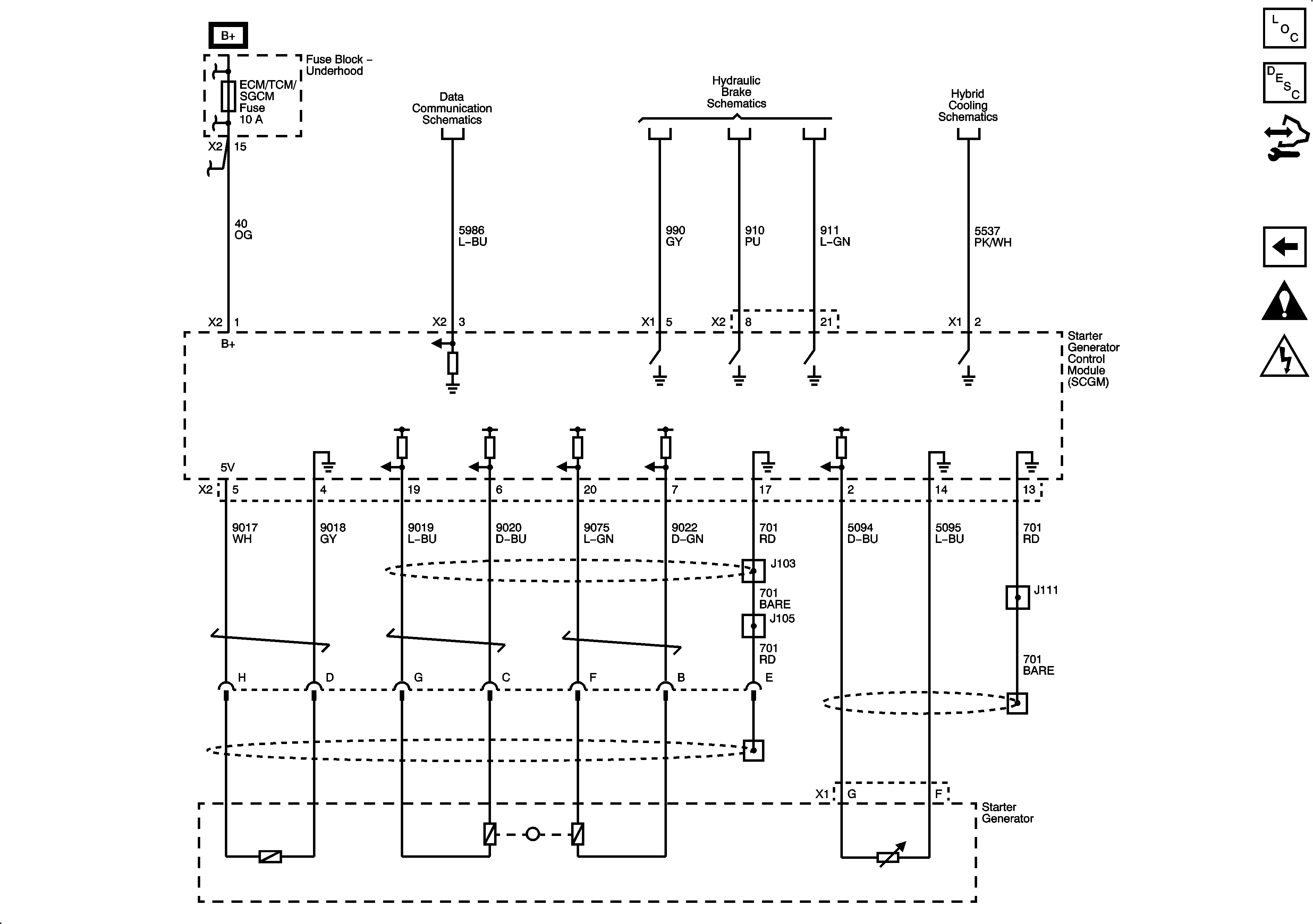
Figure
1:
A/C Field Voltage
Master Electrical Component List
Starter/Generator Description and Operation
Control Module References
Motor Controls
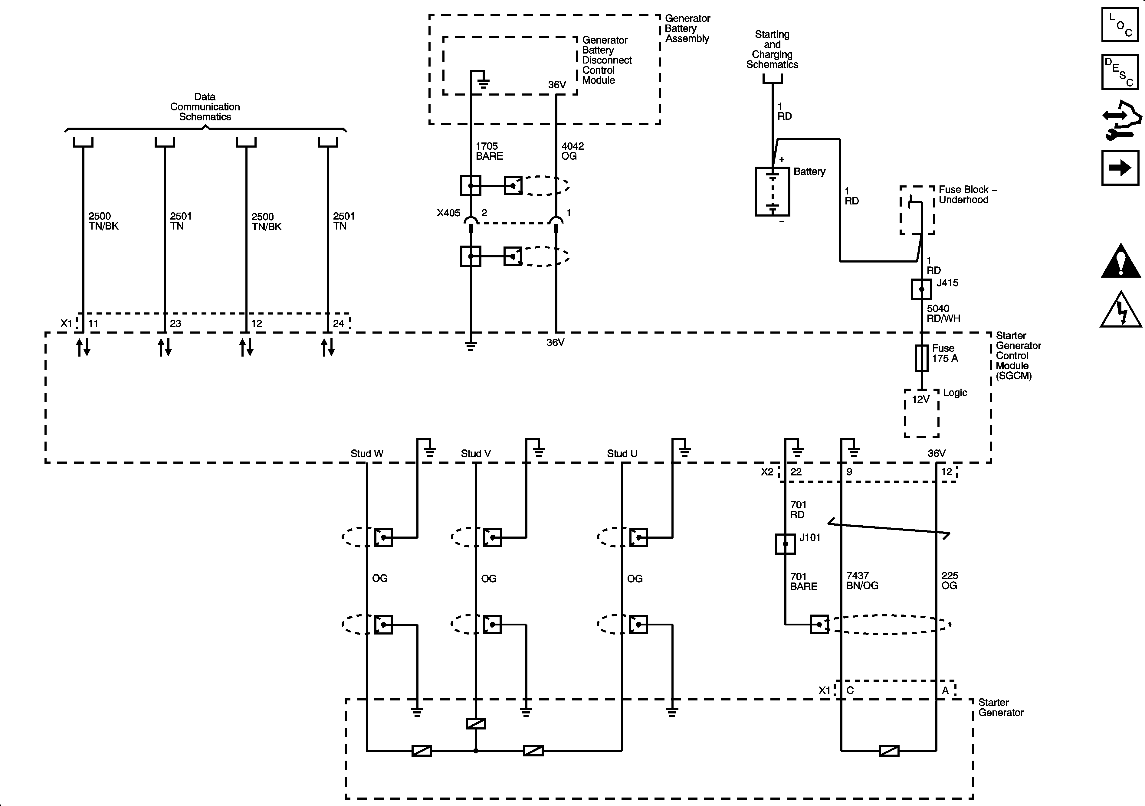
Figure
2:
Motor Controls
Master Electrical Component List
Starter/Generator Description and Operation
Control Module References
A/C Field Voltage