GM Service Manual Online
For 1990-2009 cars only
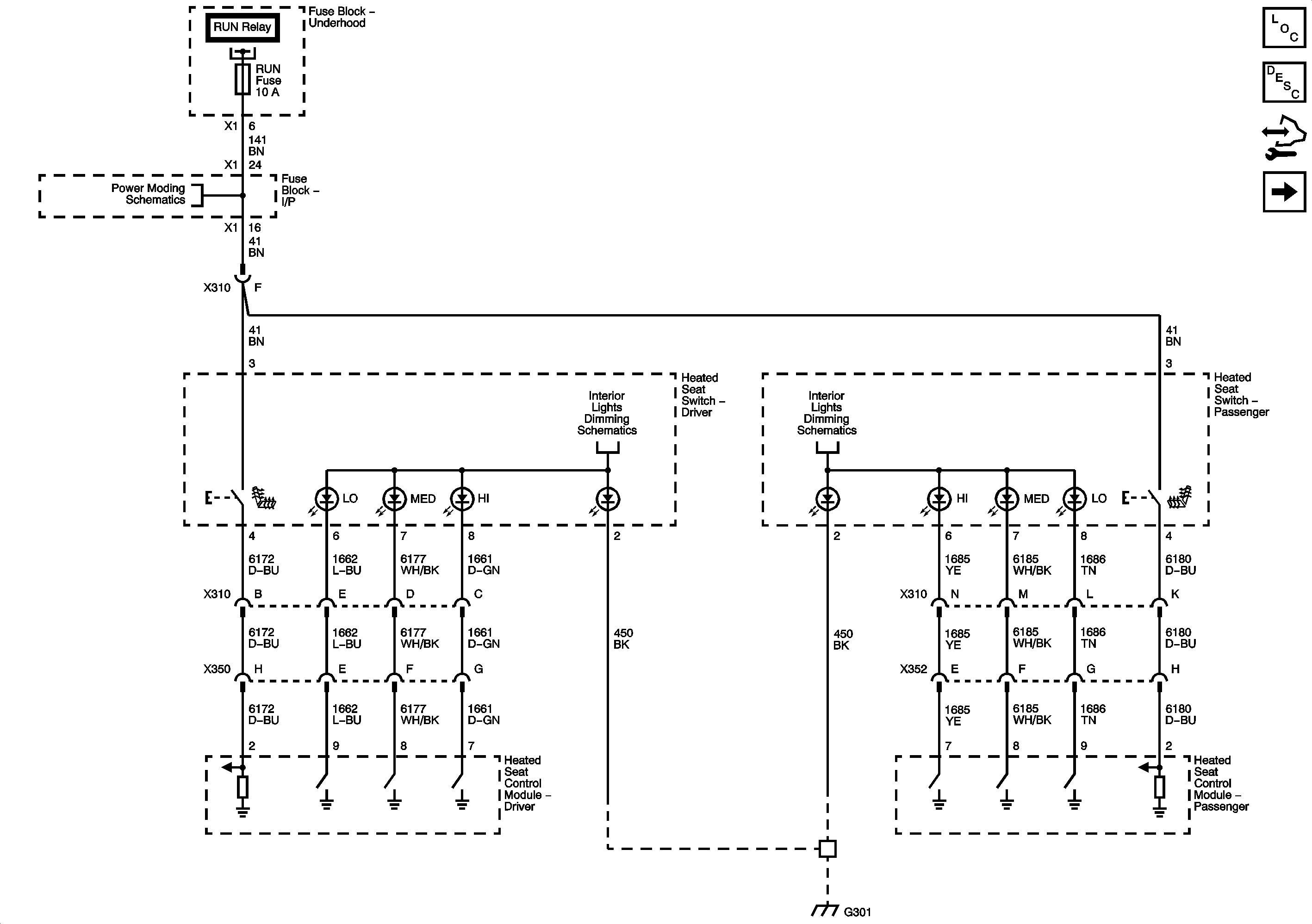
Figure 1:

Heated Seats


Object Number: 1883278  Size: FS
Master Electrical Component List
Heated Seats Description and Operation
Control Module References
Heating Elements
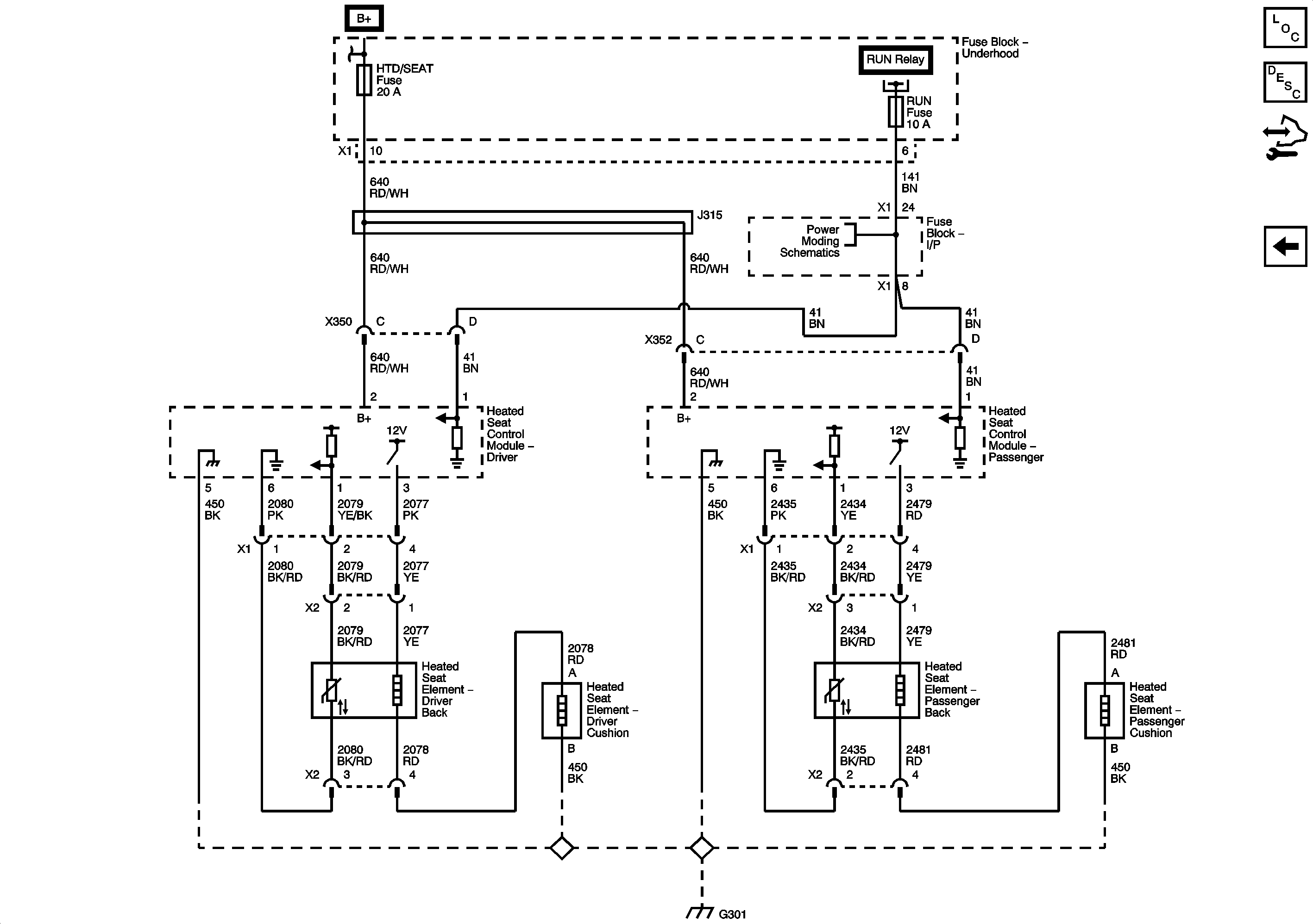
Figure 2:

Heating Elements


Object Number: 1883279  Size: FS
Master Electrical Component List
Heated Seats Description and Operation
Control Module References
Heated Seat Controls
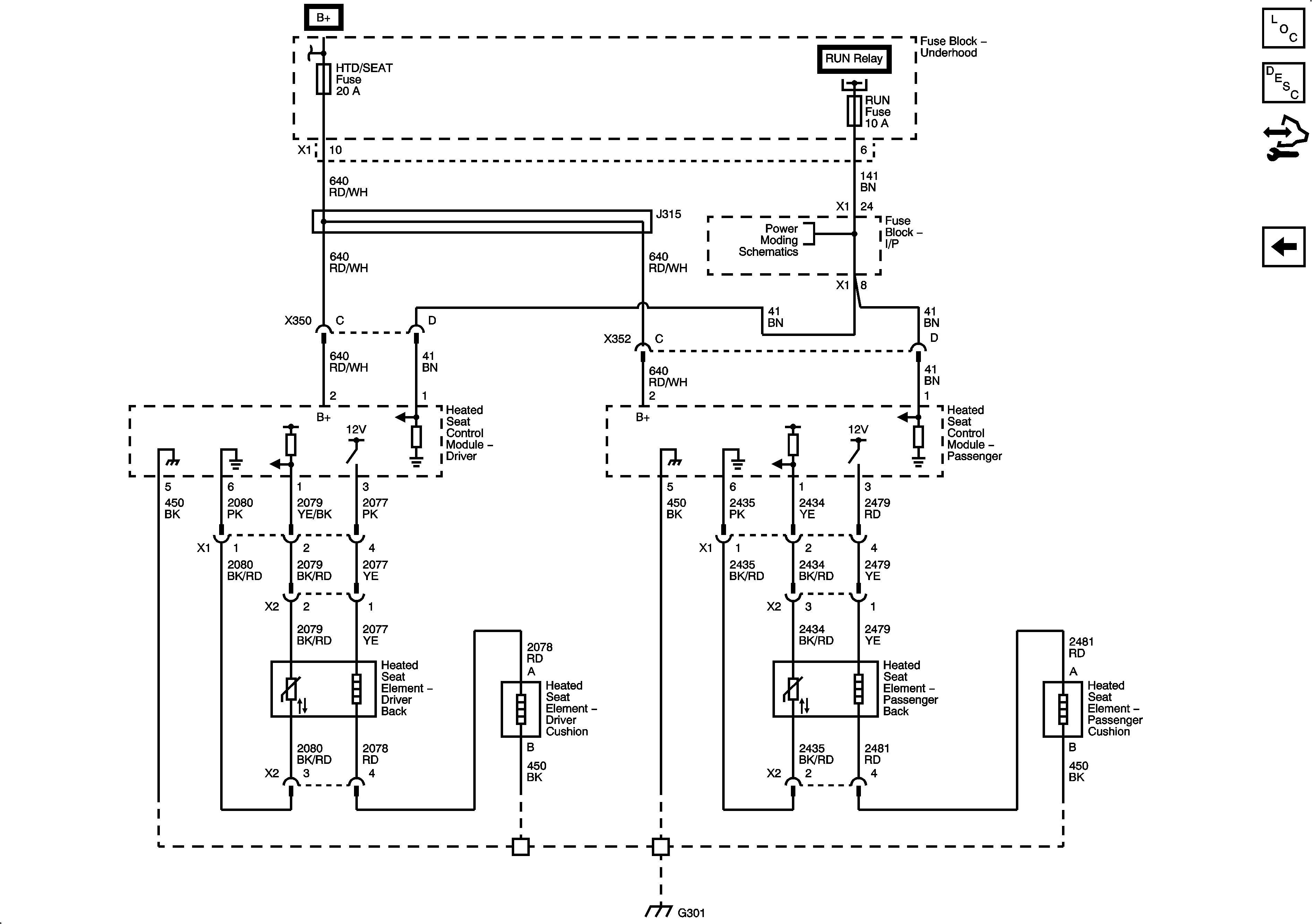
Figure 1:

Heated Seats


Object Number: 2080369  Size: FS
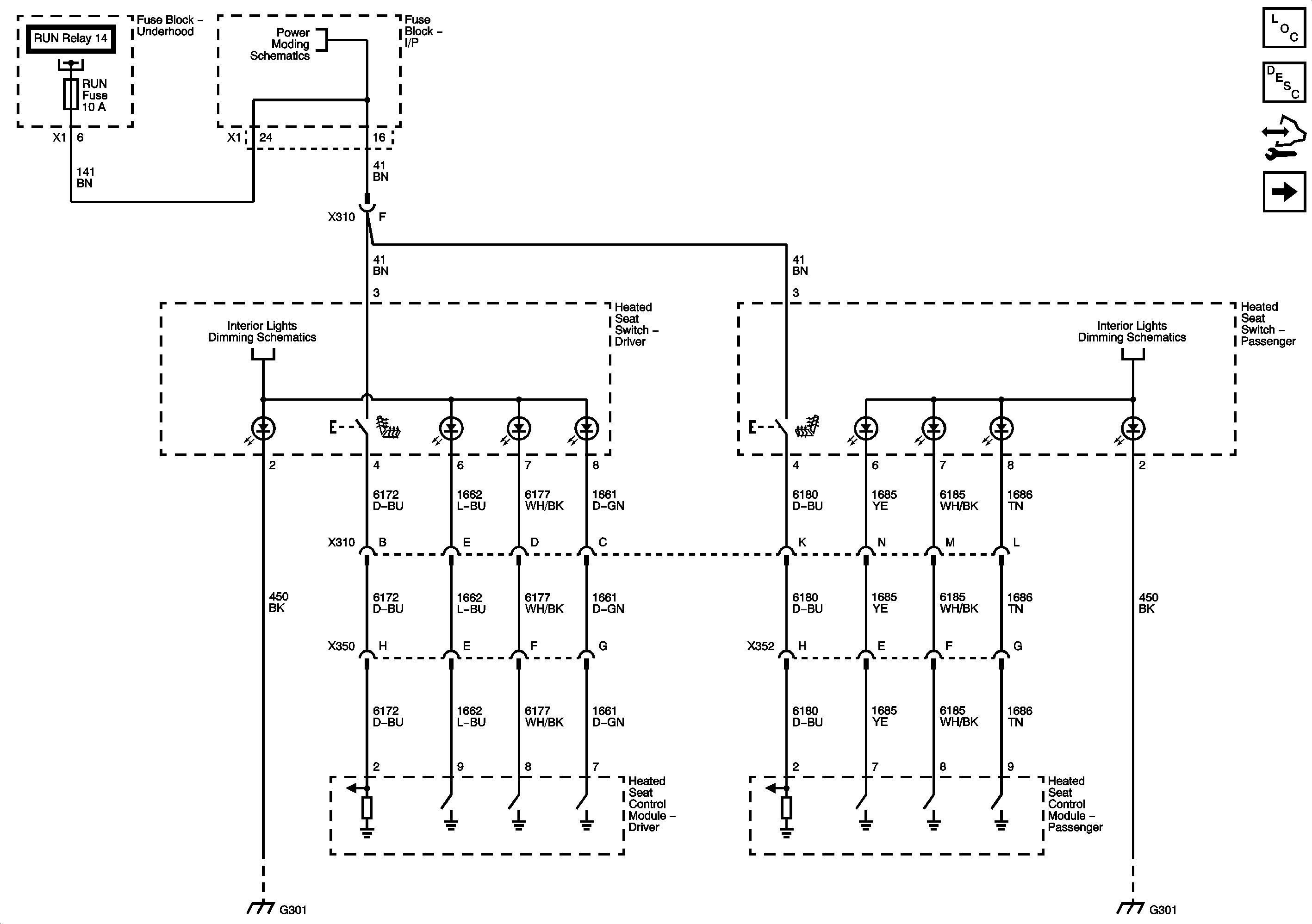
Figure 2:

Heating Elements


Object Number: 2080375  Size: FS