GM Service Manual Online
For 1990-2009 cars only
Figure 1:

Module Power, Ground, Serial Data and MIL


Object Number: 2079625  Size: FS
Figure 2:

Engine Data Sensors - 5-Volt and Low References


Object Number: 2079630  Size: FS
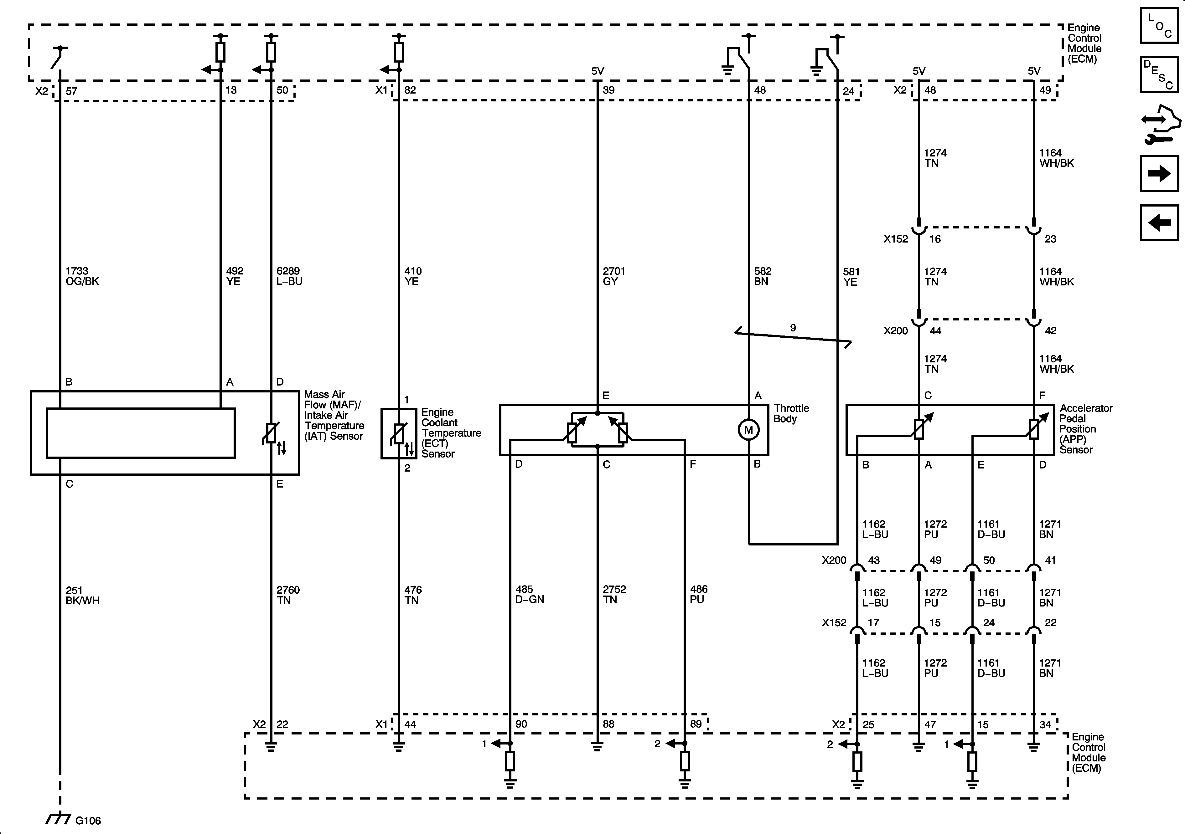
Figure 3:

Engine Data Sensors - Temperature , MAF/IAT, APP and TAC


Object Number: 2079634  Size: FS
Figure 4:

Engine Data Sensors - Heated Oxygen Sensors (HO2S)


Object Number: 2079641  Size: FS
Figure 5:

Ignition System - Ignition Coil 1, Ignition Coil 3, Ignition Coil 5


Object Number: 2079646  Size: FS
Figure 6:

Ignition System -Ignition Coil 2, Ignition Coil 4, Ignition Coil 6


Object Number: 2079650  Size: FS
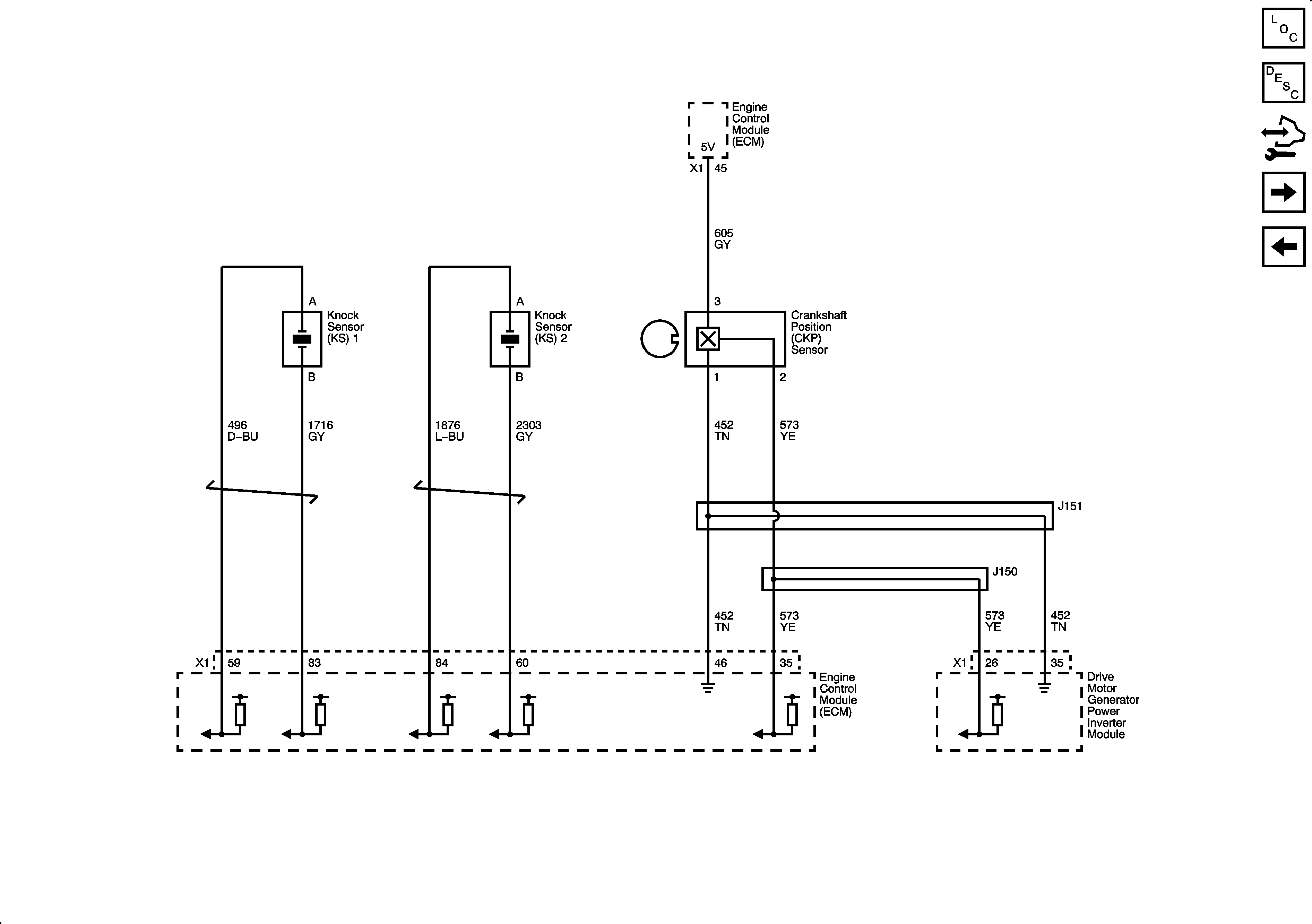
Figure 7:

Ignition Controls - Crankshaft Position (CMP) and Knock Sensors


Object Number: 2079653  Size: FS
Figure 8:

Ignition Controls - Camshaft Sensors and Actuators


Object Number: 2149091  Size: FS
Figure 9:

Fuel Controls - Fuel Injectors, High Pressure Fuel Pump and Pressure Sensor


Object Number: 2079658  Size: FS
Figure 10:

Fuel Controls - Fuel Pump Controls


Object Number: 2079662  Size: FS
Figure 11:

Fuel Controls - Evaporative Emissions (EVAP) Controls


Object Number: 2079674  Size: FS
Figure 12:

Controlled/Monitored Subsystem References


Object Number: 2079680  Size: FS