GM Service Manual Online
For 1990-2009 cars only
Figure 1:

Forward Lamp and Front Side Marker Harness


Object Number: 1903787  Size: LF
(1)Park/Turn Signal Lamp - Left
(2)X103
(3)J100
(4)Front Side Marker Lamp Harness
(5)J101
(6)Forward Lamp Harness
(7)X107
(8)Park/Turn Signal Lamp - Right
(9)G102
(10)J102
(11)X100
(12)G101
(13)X102
Figure 2:

Engine - Left Front (LAT)


Object Number: 2001061  Size: LF
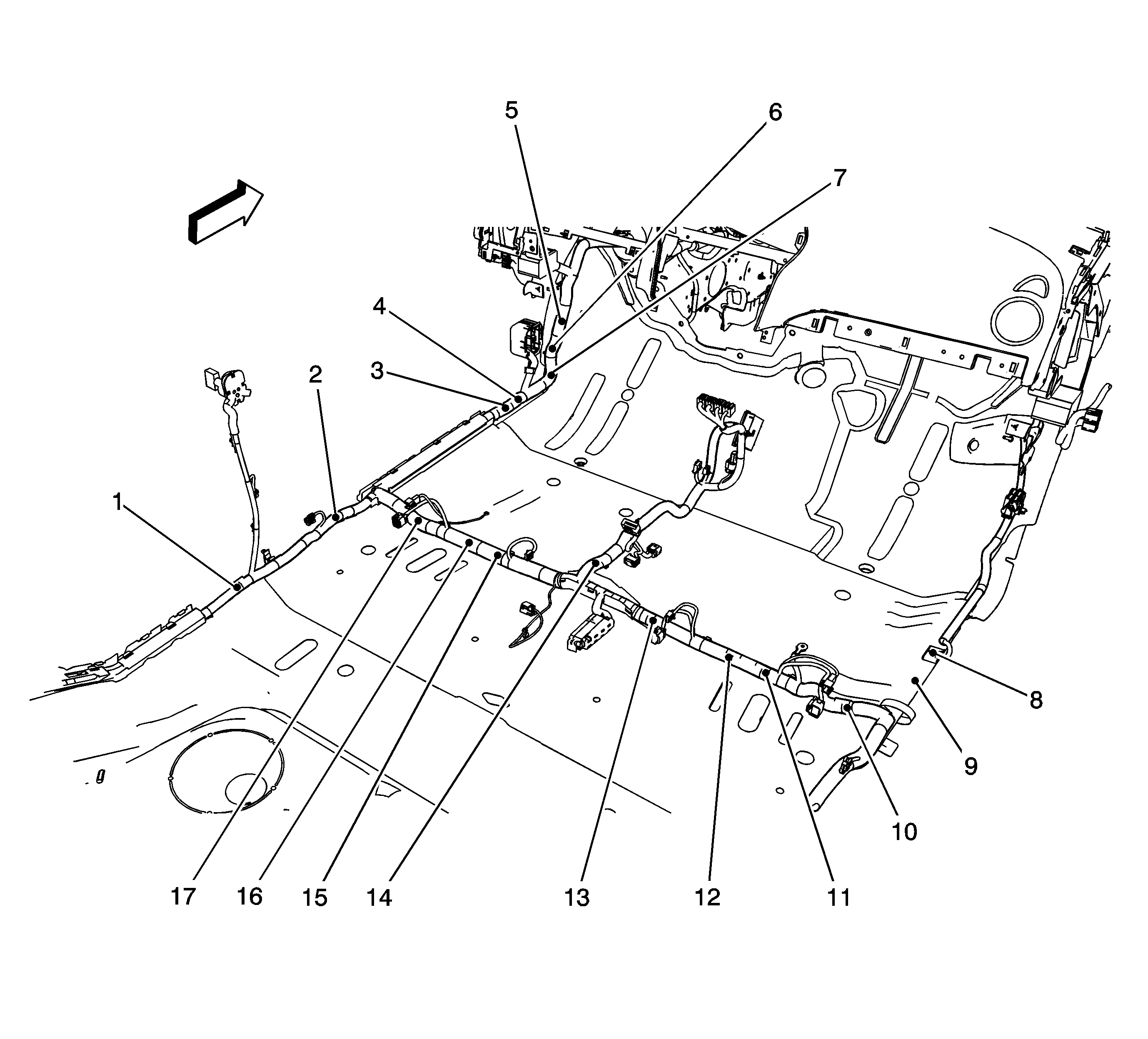
(1)G107
(2)X105
(3)X112
(4)S101
(5)S103
(6)S105
(7)S102
Figure 3:

Engine - Left Rear (LAT)


Object Number: 2001055  Size: LF
(1)J112
(2)J109
(3)J251
(4)G106
Figure 4:

Engine Electrical (LAT)


Object Number: 2001129  Size: LF
(1)Junction Block - Battery Positive Cable (HP7)
(2)Battery Current Sensor (HP7)
(3)Battery
(4)G103
(5)G107
(6)G110 (HP7)
(7)G105
Figure 5:

Front of the Engine - LE5


Object Number: 1903865  Size: LF
(1)J104
(2)Battery Cable - Positive
(3)Battery Cable - Negative
(4)G105
(5)G106
(6)Fuseable Link 50 A
(7)X110
Figure 6:

Rear of the Engine - LE5


Object Number: 1903875  Size: LF
(1)X105
(2)G107
(3)J112
(4)J110
Figure 7:

Front of the Engine (LY7)


Object Number: 1903793  Size: LF
(1)J 251
(2)X110
(3)J104
(4)J110
(5)G107
(6)G105
(7)J114
Figure 8:

Engine (LY7) with MH2 or MH4


Object Number: 2008697  Size: LF
(1)Engine (LY7)
(2)Transmission (MH2/MH4)
(3)Transmission Control Module (TCM) Connector
Figure 9:

Rear of the Engine - LY7


Object Number: 1903802  Size: LF
(1)G106
(2)X105
(3)J111
(4)J112
(5)G108
Figure 10:

Front of the Engine - LZ4


Object Number: 1903852  Size: LF
(1)X110
(2)J104
(3)G105
(4)G106
Figure 11:

Rear of the Engine - LZ4


Object Number: 1903859  Size: LF
(1)X105
(2)G107
(3)J250
(4)J251
Figure 12:

Engine (LE5) and Transmission (MN5)


Object Number: 2006086  Size: LF
(1)Engine ( LE5)
(2)Heated Oxygen Sensor (HO2S) 1 ( LAT/LE5)
(3)Automatic Transmission Output Shaft Speed (OSS) Sensor
(4)Heated Oxygen Sensor (HO2S) 2 (LAT/LE5)
(5)Park/Neutral Position (PNP) Switch (ME7/MN5)
(6)Automatic Transmission (MN5)
(7)X112
Figure 13:

LZ4 Engine with MH4 Transmission


Object Number: 1906564  Size: LF
(1)Transmission Control Module (TCM) Connector
(2)Transfer Case
Figure 14:

Body Harness - Front Engine Compartment (without HP5)


Object Number: 1904087  Size: LF
(1)Dash Panel
(2)X131
(3)X134
Figure 15:

Body Harness - Front Engine Compartment and Front Fascia


Object Number: 1904098  Size: LF
(1)X141 ( XA7)
(2)X105
(3)X102
(4)Front Fascia
Figure 16:

Body Harness - Engine Compartment (LAT)


Object Number: 2006161  Size: LF
(1)J118
(2)Hill Hold Brake Delay Diode 1 ( HP7)
(3)J116
(4)X120
(5)J119
(6)Hill Hold Brake Delay Diode 2 ( HP7)
(7)J117
(8)X102
(9)X131
(10)X134
Figure 17:

Instrument Panel Harness


Object Number: 1903882  Size: LF
(1)JX200
(2)JX203
(3)J206
(4)J202
(5)J204
(6)X202
(7)X214
(8)Fuse Block - I/P
(9)X204
(10)G203
(11)X262
(12)X250
(13)J203
(14)X200
(15)G204
(16)G201/JX201
Figure 18:

Instrument Panel Harness to Steering Column/Electric Power Steering (EPS) Harness (LAT or LE5)


Object Number: 1903898  Size: LF
(1)Inflatable Restraint Steering Wheel Module Coil X1
(2)Immobilizer
(3)G204
(4)Electric Power Steering (EPS) Positive Battery Cable
(5)Electric Power Steering (EPS) Harness
(6)Instrument Panel Harness
Figure 19:

X210 and


Object Number: 2006084  Size: LF
(1)X214
(2)Theft Deterrent Module
Figure 20:

Electric Power Steering (EPS) Harness ( LAT/MN5)


Object Number: 2006193  Size: LF
(1)Fuse Block - Underhood
(2)G205
(3)Electric Power Steering (EPS) Harness
(4)Electric Power Steering (EPS) Inline Fuse
Figure 21:

Body Harness - Front Passenger Compartment (without HP5)


Object Number: 1904120  Size: LF
(1)X200
(2)X500
(3)G204
(4)J234
(5)J233
(6)X310
(7)X800
(8)X600
(9)X204
(10)JX209
(11)JX207
(12)G301
(13)J341
(14)X352 (KA1)
(15)J242
(16)J238
(17)X302 ( UUC)
(18)G302
(19)X350 (KA1)
(20)J336
(21)J331
(22)JX205
(23)X700
(24)J335
(25)J332
(26)J340
(27)J339
Figure 22:

Floor Console


Object Number: 1905372  Size: LF
(1)X302 ( UUC)
(2)J300
(3)X308 (UUC/U61)
(4)X310 (KA1)
Figure 23:

Body Harness - Left Rear Luggage Compartment (without HP5)


Object Number: 1904206  Size: LF
(1)G401
(2)X411
(3)X400
(4)X402
Figure 24:

Body Harness - Right Rear Luggage Compartment (without HP5)


Object Number: 1904157  Size: LF
(1)Rear Fascia
(2)X406
(3)X408
(4)X407
(5)X405
(6)X410
(7)X430
(8)X409
(9)G402
Figure 25:

Door - Driver


Object Number: 1906026  Size: LF
(1)Outside Rearview Mirror Connector
(2)X505
(3)X500
(4)J500
(5)J501
(6)J502
(7)J503
(8)J504
(9)X507
Figure 26:

Door - Passenger


Object Number: 1906039  Size: LF
(1)Outside Rearview Mirror Connector
(2)X605
(3)J600
(4)X600
Figure 27:

Door - Left Rear


Object Number: 1906005  Size: LF
(1)X700
(2)J700
(3)J701
(4)J702
Figure 28:

Door - Right Rear


Object Number: 1906017  Size: LF
(1)X800
(2)X801
(3)J801
(4)J800
Figure 29:

Headliner and Sunroof Harness


Object Number: 1906051  Size: LF
(1)J303
(2)J337
(3)X414
(4)X405 ( UUC)
(5)X400
Figure 30:

Liftgate Jumper/Liftgate Harness


Object Number: 1906075  Size: LF
(1)X402
(2)Liftgate Jumper Harness
(3)X910
(4)X912
(5)Liftgate Harness
(6)J402
(7)J400
(8)X925
Figure 31:

Rear Chassis/Fuel Tank Harness


Object Number: 1906087  Size: LF
(1)X406
(2)Fuel Tank Harness
(3)X408
(4)Rear Chassis Harness
Figure 32:

Trailer/Rear Side Marker Lamp Harness


Object Number: 1906093  Size: LF
(1)J404
(2)Side Marker Lamp - Right Rear
(3)X409
(4)X432
(5)Rear Marker Lamp Harness
(6)Trailer Harness
(7)X410
Figure 33:

Rear Side Marker Harness


Object Number: 2006122  Size: LF
(1)X409
(2)Rear Fascia
Figure 34:

Trailer Harness


Object Number: 2006082  Size: LF
(1)X430 ( V92)
(2)X432 ( V92)
(3)Trailer Connector
(4)Trailer Connector Adapter( V92)
Figure 1:

Forward Lamp and Front Side Marker Harness


Object Number: 1903787  Size: LF
(1)Park/Turn Signal Lamp - Left
(2)X103
(3)J100
(4)Front Side Marker Lamp Harness
(5)J101
(6)Forward Lamp Harness
(7)X107
(8)Park/Turn Signal Lamp - Right
(9)G102
(10)J102
(11)X100
(12)G101
(13)X102
Figure 2:

Engine - Left Front (LAT)


Object Number: 2001061  Size: LF
(1)G107
(2)X105
(3)X112
(4)S101
(5)S103
(6)S105
(7)S102
Figure 3:

Engine - Left Rear (LAT)


Object Number: 2001055  Size: LF
(1)J112
(2)J109
(3)J251
(4)G106
Figure 4:

Engine Electrical (LAT)


Object Number: 2001129  Size: LF
(1)Junction Block - Battery Positive Cable (HP7)
(2)Battery Current Sensor (HP7)
(3)Battery
(4)G103
(5)G107
(6)G110 (HP7)
(7)G105
Figure 5:

Engine Harness Splices-LCS


Object Number: 2085558  Size: LF
(1)J150
(2)J155
(3)J153
(4)J149
(5)J158
(6)J164
(7)J160
(8)J162
(9)J131
(10)J139
(11)J132
(12)J137
Figure 6:

Front of the Engine - LE5


Object Number: 1903865  Size: LF
(1)J104
(2)Battery Cable - Positive
(3)Battery Cable - Negative
(4)G105
(5)G106
(6)Fuseable Link 50 A
(7)X110
Figure 7:

Rear of the Engine - LE5


Object Number: 1903875  Size: LF
(1)X105
(2)G107
(3)J112
(4)J110
Figure 8:

Front of the Engine (LY7)


Object Number: 1903793  Size: LF
(1)J 251
(2)X110
(3)J104
(4)J110
(5)G107
(6)G105
(7)J114
Figure 9:

Engine (LY7) with MH2 or MH4


Object Number: 2008697  Size: LF
(1)Engine (LY7)
(2)Transmission (MH2/MH4)
(3)Transmission Control Module (TCM) Connector
Figure 10:

Rear of the Engine - LY7


Object Number: 1903802  Size: LF
(1)G106
(2)X105
(3)J111
(4)J112
(5)G108
Figure 11:

Front of the Engine - LZ4


Object Number: 1903852  Size: LF
(1)X110
(2)J104
(3)G105
(4)G106
Figure 12:

Rear of the Engine - LZ4


Object Number: 1903859  Size: LF
(1)X105
(2)G107
(3)J250
(4)J251
Figure 13:

Engine (LE5) and Transmission (MN5)


Object Number: 2006086  Size: LF
(1)Engine ( LE5)
(2)Heated Oxygen Sensor (HO2S) 1 ( LAT/LE5)
(3)Automatic Transmission Output Shaft Speed (OSS) Sensor
(4)Heated Oxygen Sensor (HO2S) 2 (LAT/LE5)
(5)Park/Neutral Position (PNP) Switch (ME7/MN5)
(6)Automatic Transmission (MN5)
(7)X112
Figure 14:

LZ4 Engine with MH4 Transmission


Object Number: 1906564  Size: LF
(1)Transmission Control Module (TCM) Connector
(2)Transfer Case
Figure 15:

Body Harness - Front Engine Compartment (without HP5)


Object Number: 1904087  Size: LF
(1)Dash Panel
(2)X131
(3)X134
Figure 16:

Body Harness - Front Engine Compartment and Front Fascia


Object Number: 1904098  Size: LF
(1)X141 ( XA7)
(2)X105
(3)X102
(4)Front Fascia
Figure 17:

Body Harness - Engine Compartment (LAT)


Object Number: 2006161  Size: LF
(1)J118
(2)Hill Hold Brake Delay Diode 1 ( HP7)
(3)J116
(4)X120
(5)J119
(6)Hill Hold Brake Delay Diode 2 ( HP7)
(7)J117
(8)X102
(9)X131
(10)X134
Figure 18:

Body Harness - Front Engine Compartment (HP5)


Object Number: 2089410  Size: LF
(1)X141 (XA7)
(2)X152
(3)X102
(4)X131
(5)X134
Figure 19:

Instrument Panel Harness


Object Number: 1903882  Size: LF
(1)JX200
(2)JX203
(3)J206
(4)J202
(5)J204
(6)X202
(7)X214
(8)Fuse Block - I/P
(9)X204
(10)G203
(11)X262
(12)X250
(13)J203
(14)X200
(15)G204
(16)G201/JX201
Figure 20:

Instrument Panel Harness to Steering Column/Electric Power Steering (EPS) Harness (LAT or LE5)


Object Number: 1903898  Size: LF
(1)Inflatable Restraint Steering Wheel Module Coil X1
(2)Immobilizer
(3)G204
(4)Electric Power Steering (EPS) Positive Battery Cable
(5)Electric Power Steering (EPS) Harness
(6)Instrument Panel Harness
Figure 21:

X210 and


Object Number: 2006084  Size: LF
(1)X214
(2)Theft Deterrent Module
Figure 22:

Electric Power Steering (EPS) Harness ( LAT/MN5)


Object Number: 2006193  Size: LF
(1)Fuse Block - Underhood
(2)G205
(3)Electric Power Steering (EPS) Harness
(4)Electric Power Steering (EPS) Inline Fuse
Figure 23:

Body Harness - Front Passenger Compartment (HP5)


Object Number: 2089430  Size: LF
(1)X310 (KA1)
(2)X200
(3)X500
(4)X260
(5)X600
(6)X204
(7)JX205
(8)X800
(9)X352 (KA1)
(10)X353
(11)X351
(12)X350 (AE8/KA1)
(13)X700
Figure 24:

Body Harness - Front Passenger Compartment (without HP5)


Object Number: 1904120  Size: LF
(1)X200
(2)X500
(3)G204
(4)J234
(5)J233
(6)X310
(7)X800
(8)X600
(9)X204
(10)JX209
(11)JX207
(12)G301
(13)J341
(14)X352 (KA1)
(15)J242
(16)J238
(17)X302 ( UUC)
(18)G302
(19)X350 (KA1)
(20)J336
(21)J331
(22)JX205
(23)X700
(24)J335
(25)J332
(26)J340
(27)J339
Figure 25:

Body Harness (HP5)


Object Number: 2089392  Size: LF
(1)G302
(2)G204
(3)G301
(4)G402
(5)G401
Figure 26:

Body Harness Splices (HP5)


Object Number: 2089470  Size: LF
(1)J348
(2)J330
(3)J238
(4)J332
(5)J223
(6)J234
(7)J349
(8)JX205
(9)JX209
(10)J207
(11)J242
(12)J336
(13)J341
(14)JX207
(15)J310
(16)J320
(17)J315
Figure 27:

Floor Console


Object Number: 1905372  Size: LF
(1)X302 ( UUC)
(2)J300
(3)X308 (UUC/U61)
(4)X310 (KA1)
Figure 28:

Body Harness - Left Rear Luggage Compartment (without HP5)


Object Number: 1904206  Size: LF
(1)G401
(2)X411
(3)X400
(4)X402
Figure 29:

Body Harness - Right Rear Luggage Compartment (without HP5)


Object Number: 1904157  Size: LF
(1)Rear Fascia
(2)X406
(3)X408
(4)X407
(5)X405
(6)X410
(7)X430
(8)X409
(9)G402
Figure 30:

Body Harness - Left Rear Luggage Compartment (HP5)


Object Number: 2089441  Size: LF
(1)X411
(2)X402
(3)X400
(4)X450
(5)X380
Figure 31:

Body Harness - Left Rear Luggage Compartment and Underbody (HP5)


Object Number: 2089462  Size: LF
(1)X430
(2)X410
(3)X404
(4)X409
(5)X408
(6)X406
Figure 32:

Door - Driver


Object Number: 1906026  Size: LF
(1)Outside Rearview Mirror Connector
(2)X505
(3)X500
(4)J500
(5)J501
(6)J502
(7)J503
(8)J504
(9)X507
Figure 33:

Door - Passenger


Object Number: 1906039  Size: LF
(1)Outside Rearview Mirror Connector
(2)X605
(3)J600
(4)X600
Figure 34:

Door - Left Rear


Object Number: 1906005  Size: LF
(1)X700
(2)J700
(3)J701
(4)J702
Figure 35:

Door - Right Rear


Object Number: 1906017  Size: LF
(1)X800
(2)X801
(3)J801
(4)J800
Figure 36:

Headliner and Sunroof Harness


Object Number: 1906051  Size: LF
(1)J303
(2)J337
(3)X414
(4)X405 ( UUC)
(5)X400
Figure 37:

Liftgate Jumper/Liftgate Harness


Object Number: 1906075  Size: LF
(1)X402
(2)Liftgate Jumper Harness
(3)X910
(4)X912
(5)Liftgate Harness
(6)J402
(7)J400
(8)X925
Figure 38:

Rear Chassis/Fuel Tank Harness


Object Number: 1906087  Size: LF
(1)X406
(2)Fuel Tank Harness
(3)X408
(4)Rear Chassis Harness
Figure 39:

Trailer/Rear Side Marker Lamp Harness


Object Number: 1906093  Size: LF
(1)J404
(2)Side Marker Lamp - Right Rear
(3)X409
(4)X432
(5)Rear Marker Lamp Harness
(6)Trailer Harness
(7)X410
Figure 40:

Rear Side Marker Harness


Object Number: 2006122  Size: LF
(1)X409
(2)Rear Fascia
Figure 41:

Trailer Harness


Object Number: 2006082  Size: LF
(1)X430 ( V92)
(2)X432 ( V92)
(3)Trailer Connector
(4)Trailer Connector Adapter( V92)