GM Service Manual Online
For 1990-2009 cars only
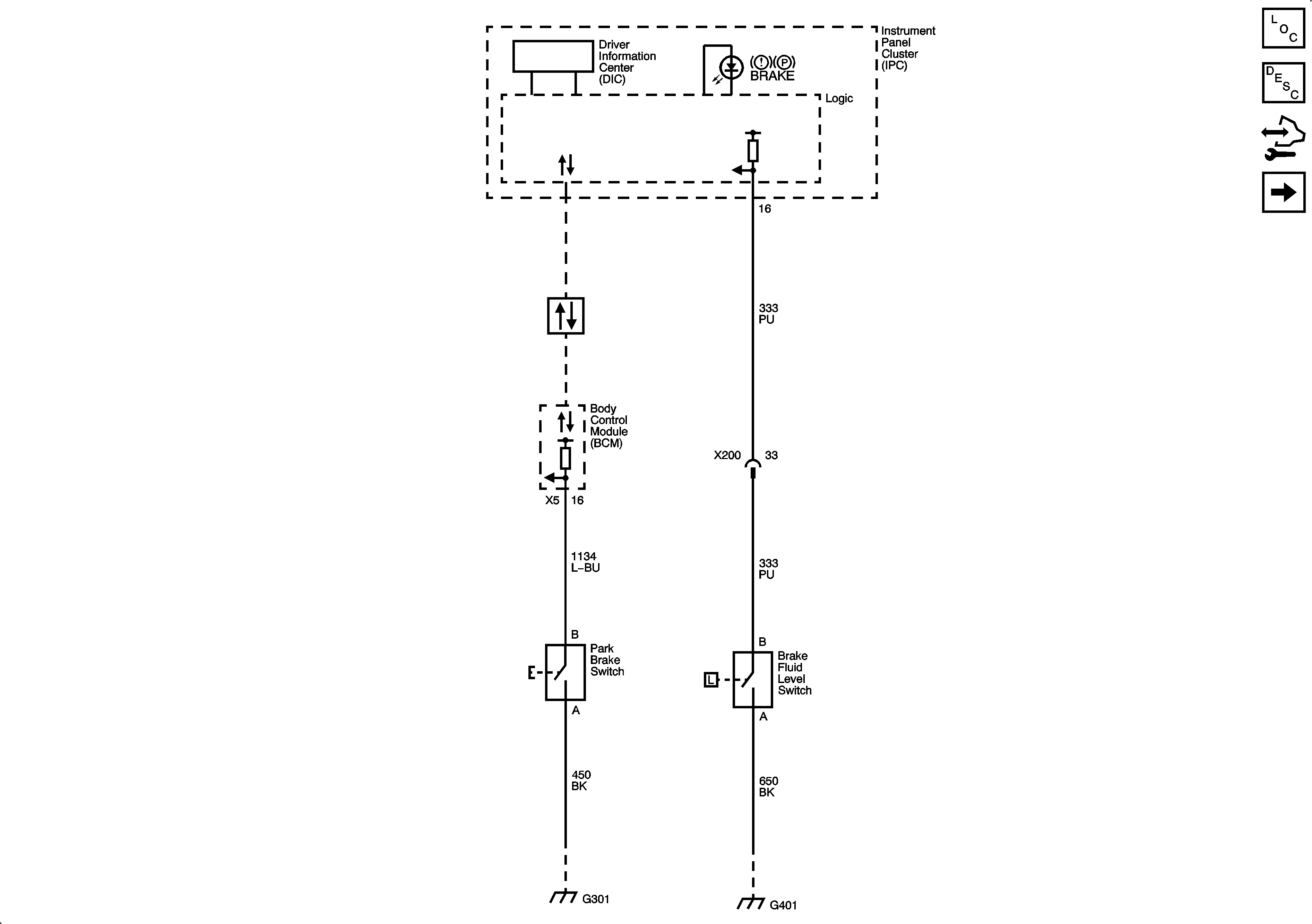
Figure 1:

Brake Warning System


Object Number: 1883281  Size: FS
Master Electrical Component List
Brake Warning System Description and Operation
Control Module References
Hill Hold Valve (HP7)
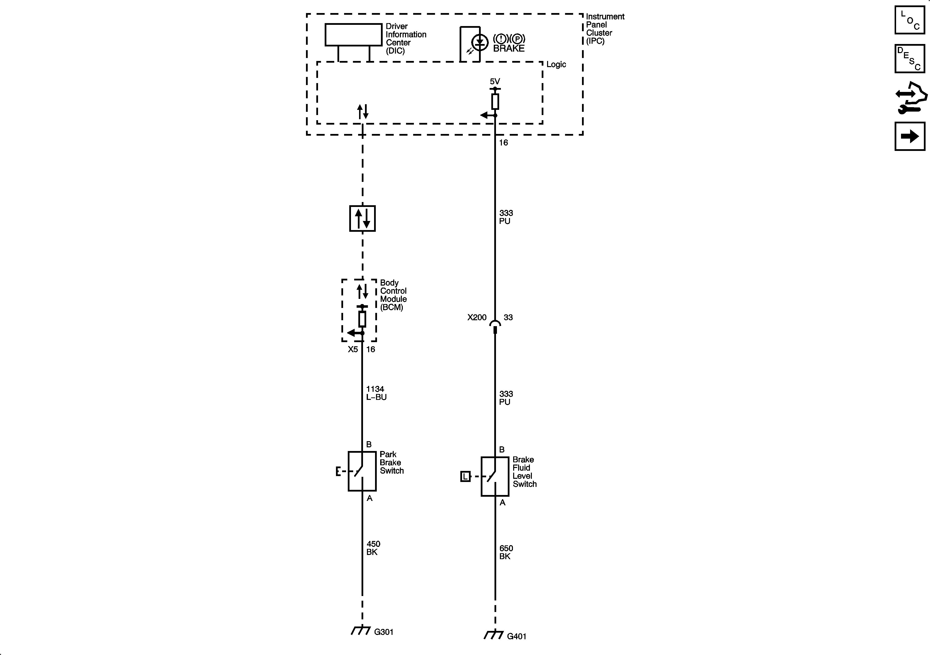
Figure 2:

Hill Hold Valve (HP7)


Object Number: 2000223  Size: FS
Master Electrical Component List
Control Module References
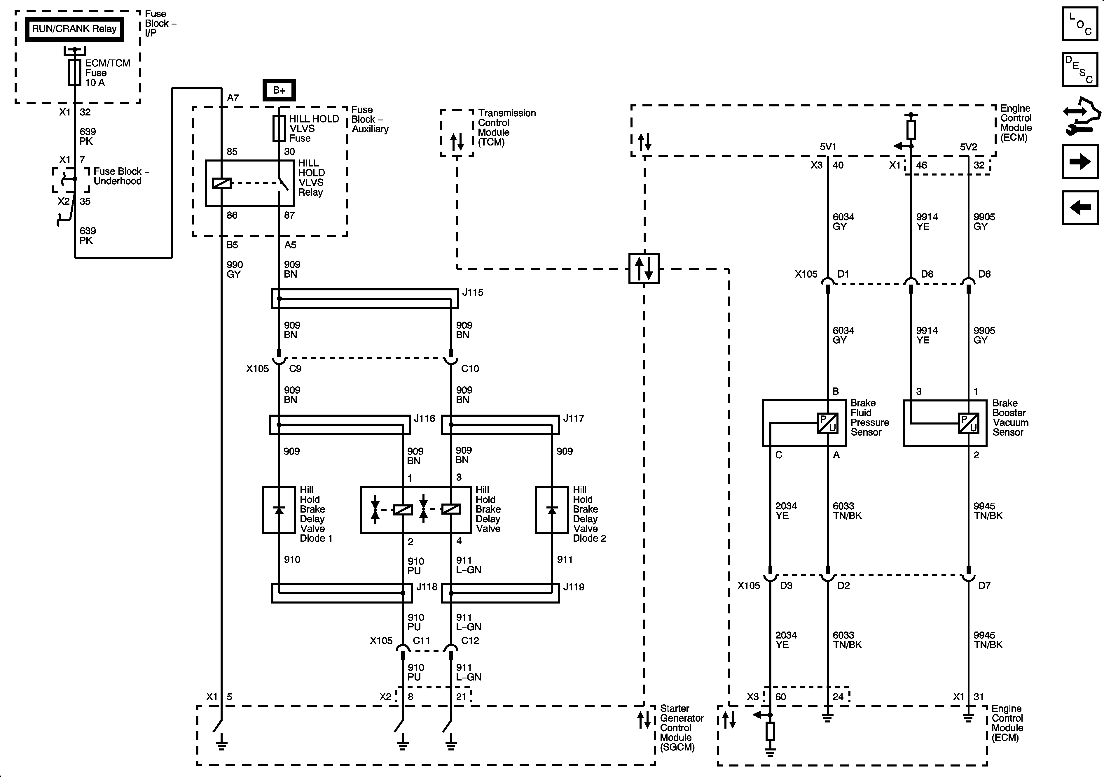
Brake Pressure and Vacuum Sensors (HP7)
Hydraulic Brake System Schematics
Figure 1:
Object Number: 2079537  Size: FS
Figure 2:

Hill Hold Valve (HP7) Brake Sensors


Object Number: 2103646  Size: FS
Master Electrical Component List
Control Module References
Hydraulic Brakes Schematics